Fórum témák
» Több friss téma |
Egy Ikarus buszt javítok melyben nem megy a hangosítás mert valaki levagdalta a vezetékeket a műszerfalban ehhez kéne kis segítség ha valakinek esetleg volna bekötési rajza!
Színt a színhez elv nem jön be esetleg, mint az óvodában?
![]() Vagy esetleg nem színesek a vezetékek? Ki lehet vki akkora paraszt, hogy elvágja az ottani vezetékezést?
Apám csinált már ilyet mien szinü kábelek vannak!!
Ha az eredeti rádió lenne bent akkor nem lenne gond de másik van bent meg össze vissza mókolta valaki!Az jó lenne ha csak szin szin lenne de akkor nem is írtam volna
Azt kéne megoldanom ,hogy menjen a mikrofon kihangosítás és a rádió is!Most azt nem tudom,hogy az az egység miben a nyomógonbok vannak (erősítő be,mikrofon be,rádiókihangosítás be,)milyen bemeneten van eredetileg a rádióhoz kötve dines vagy hangfalkimenetről?Azt tudom,hogy melyik a pozitív és negatív és a 12v-os kimenete meg egy szálon megy be az egyik hangkivezetés a rádióbol és ki is jön ez a sofőr feletti hangszórót kapcsolja csak a bemenetet nem tudom miről kapja ha kihangosítm!Vagy netán erről a szálról veszi le magának?Nem tudtam kipróbálni mivel a végerősítőt is sikeresen leégette valaki most azt javítom de a buszt meg elvitték mert menni kell neki Szóval a kérdésem leginkább a rádió és kihangosító összekötése (a rádión nincs din vagy rca alacsonyszintű kimenet csak hangszórókimenet!)
Szia. Húúúú mocsok egy meló nem irigyellek érte.
Én sajna nem ismerem de van egy haverom aki dolgozott az Ikarusznál müszerészként meg autóvillként valamikor megkérdezem hátha van rajza vagy esetleg emlékszik valamire. Délután átszaladok hozzá mert a mobilon hiába hivtam. "de a buszt meg elvitték mert menni kell neki" Menet közbe nem tudsz buszt javitani ? Ejnye-ejnye
Köszi holnap délután leszek mert megyek éjjel melózni!
Szia. Én a Kisalföld Volánnál dolgozom, van némi elektronikai ismeretem is.
Arra kérlek, hogy ha tudsz, tegyél fel képet az erősítő (keverő?) elejéről és a hátuljáról. A többit bízd ide
Nem tudom,hogy mikor tudják hozni a buszt (lehet egy hét múlva is)a végerősítő már késszen áll bepróbálom,átnézem és ha nem sikerül semmire mennem akkor majd lefényképezem!Köszi!
Szia. Sajnálom, megkérdeztem a havert nincs neki rajza.
Sorry de nem tudok ebben segiteni.
Köszi talán sikerül megoldanom!
Sikerült a probléma megoldása nem is volt olyan bonyolult de csak akkor jöttem rá mikor szétszedtem a keverőt
Van bent egy 24/12v-os átalakító mit kikötöttem mivel nem is bírja el a Blaut mit beraktam és kellett úgyis fix 12v a rádió memória miatt ezért húztam fel egy 12v-os szálat!A mikrofonnak nincs előfoka a keverőben mivel dinamikus és elég nagyot nyom Van bent pár ellenállás melyek a hangszórókivezetés + száláról veszik le a jelszintet az erősítőnek megfelelő jelszintre,és ennyi is az egész!Köszönöm mindenkinek akik próbáltak segíteni
Sziasztok!
Nem teljesen ide tartozik csak nem akartam új topicot nyitni! Szóval egy Pécsi Ikarusz 435 (Daf motoros) busznak gázolajfolyás miatt kigyulladt a motortere! A teljes motorteret át kell kábeloznom ! Nagyon kellene nekem egy kapcsolási rajz ennek a motorteréről! A tuskó főnökömet nem érdekli hétfőn a busznak mennie kell! Ezer köszönet mindenkinek a segítségért!
Sziasztok! 260.32-es Ikarusnak a kábelezési rajzára lenne szükségem,Valaki tudna ebben segíteni?
Üdv!
A teljes rajz érdekelne, vagy csak valamelyik részegységé (világítás, ajtóműködtetés, fűtés, stb) ?
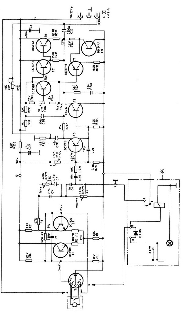
Régi Orion hangosítás kapcsolási rajza ha érdekel valakit, bár gyanítom 7 év alatt sikerült megoldani
Sziasztok!
Nem szeretnék ezért a kérdésért új topikot nyitni, s ez tűnt a leginkább Ikarus-közelinek. ![]() Egy olyan világító billenő-kapcsolóra volna szükségem, amelyet a 200-as Ikarus sorozatban leszállásjelzőként használtak. A szín mindegy, teljesen jó volna a használt, de működő is. Kérlek, jelentkezzetek, ha tudtok segíteni ebben. Előre is köszönöm! Gábor
Szia!
Köszönöm a linkeket, nekem pont olyanra van szükségem, ami visszaugrik, s azt a típust nem találom. Gábor |
Bejelentkezés
Hirdetés |





Azt kéne megoldanom ,hogy menjen a mikrofon kihangosítás és a rádió is!Most azt nem tudom,hogy az az egység miben a nyomógonbok vannak (erősítő be,mikrofon be,rádiókihangosítás be,)milyen bemeneten van eredetileg a rádióhoz kötve
dines vagy hangfalkimenetről?Azt tudom,hogy melyik a pozitív és negatív és a 12v-os kimenete meg egy szálon megy be az egyik hangkivezetés a rádióbol és ki is jön ez a sofőr feletti hangszórót kapcsolja csak a bemenetet nem tudom miről kapja ha kihangosítm!Vagy netán erről a szálról veszi le magának?Nem tudtam kipróbálni mivel a végerősítőt is sikeresen leégette valaki most azt javítom de a buszt meg elvitték mert menni kell neki
Szóval a kérdésem leginkább a rádió és kihangosító összekötése (a rádión nincs din vagy rca alacsonyszintű kimenet csak hangszórókimenet!)
Ezer köszönet mindenkinek a segítségért!

