Fórum témák
» Több friss téma |
Mielőtt kérdezel, a következő két dolgot ellenőrizd!
I. A helyes tápfeszültségek megléte.
II. A kimeneten van-e egyenfeszültség.
Élesztés.
én nem nagyon értek hozzá de azthiszem hogy még kellene utánna valami kerámia kondi ha jól tudom az végzi a szűrést. és valaki az én problémámban nem tud segíteni??? amit előrébb írtam hogy megcsináltam az 1. erősítőmet de az egyik oldal csak így recsegve szól meg torzan mint aminek tönkre ment a végfoka elképzelhető hogy gyárilag az 1ik oldala hibás lenne??
Két sorral lejjebb ezt már tökéletesen leírták, Wargapityu.
bocsi csak nem frissítettem a böngészőm és ideléptem és válaszoltam
csak 3300µF-os kondit találtam, vagyis találtam 4700µF-osat is, de az csak 16V-os,, a 3300µF-os az 50V-os
Ha két egyforma végfokod van, akkor a feszültségeket mindig összehasonlíthatod. Ha a kimeneten nem találsz féltápfeszt,(asszimmetrikus táp esetén) akkor gyanakodhatsz, hogy rossz, vagy valami eltolja a munkapontot. (pld. egy fordítottan bekötött elkó)
Az RCA aljzatokkal vigyázni kell, mert a meleg pont ér be elsőként a csatiba. Eredetileg az amcsik, minden készüléken egy földelő csavart alakítottak ki, és mindenek előtt ezeket kötötték össze egy vastag fémharisnyával. Utána jöttek a jelvezetékek. A DIN átvette a csatit, de már nem figyeltek a részletekre. Ha nincs hangerőszabályzó (leszabályozva) és feszültség alatt így dugsz össze két hálózati készüléket, az akészülék, de legfőképpen a végfok halálát is jelentheti. üdv! proli007
ez egy sztereó ic TDA7376 és szimpla tápos (12V) amit írtál az ha jól emlékszem előfordult hogy feszültség alatt dugtam össze, ergo akkor lehet az az oldal azért halálozhatott el
de amit nem értek hogy amint bekapcsol az erősítő, eléggé kitolja a hangszórót amit szerintem nem kéne és az az oldal se szól valami szépen...illetve jól szól,, de discmanről adom neki a jelet és olyan fél hangerőn szól szépen, ami ha jólemlékszem akár rendben is van hiszen lehet hogy affölöt már túlvezérlem és azért torzít dehát ha az erősítőnek (ha nincs hangerőpotméter) elvileg ez lenne a max hangereje?? mert az akkor nemsok... akkor ennek az erősítőnek búcsút inthetek így? vagy így féloldalasan valamire használható lehet? esetleg 16V-al hangosabb lenne??
Hello!
Mivel hídkapcsolású a végfok, akkor ott egyenfeszültség van a kimeneten, ami nem megengedhető. Ilyenkor hídkapcsolású a végfok hibás, vagy egyenfeszt kap a bemeneten. (kicsit kevesebb alkatrészt látok az áramkörödben, mint ami az adatlapon van) A Discmancikat nem ismerem, de annak szerintem csak fejhallgató kiemenete van, onnan nagy hangminőséget várni továbberősítve nem lehet. Előfordulhat, hogy a kimenetét célszerű a hallgatónak megfelelő 33ohm-os ellenállással lezárni. (próba cseresznye) Az erősítő bemenetére célszerű kondit tenni, hogy nehogy egyenfeszültség kerüljön rá. A tápodnak, meg bírni kell a rángatásokat, hogy nagy löketeknél (Basszus) nehogy összefossa magát. Igen, ez lenne a max hangerő. 12V-ról nem lehet nagy teljesítményt várni, (de ez ott van az adatlapon ha nézted) 16V-al nagyobb lenne. A tápfeszbe bele kell, hogy férjen a szinusz csúcstól csúcsig és van veszteség is. Tehát 12V mellett a veszteség kb. 2x0,5V, marad 11Vpp-re. Csúcsfeszültsége ennek hídban 11V, és effektív értéke 11/1,42=7,7Veff erre számíthatunk. Ez 8 ohm-os hangszóróval 7,5W négy ohm-ossal 15W. A katalógusban leírt 40W-ban az asztali lámpa is már benne van szerintem. Nos, kb. ez van! üdv! proli007
mit hiányolsz az áramkörömből? minden alkatrésznek benne kell lennie ami a referencia kapcsolásban szereplők között volt. a bemenetnél vannak az mkt kondik. És a hangszóróra nem tudsz mondani valamit hogy miért tolja ki? vagy arra értetted hogy az ic hibás? hogy egyen fesz van a kimeneten?
A tápegységnél a kapcsolót hova rakjam?
A trafó és a 220V közé, vagy a táp kimenete és az erősítő közé?
Hello!
Lenne egy olyan problémám hogy egy régebbi fajta erősítőben elszáltak a végrtanyók BDX77-78 as pár volt és nem nagyon találtam boltot ahol árulnak.Na az lenne a kérésem hogy meg tudná valaki mondani a helyettesítőjét vagy csak valami oldalt belinkelne ahol meg lehetne találni?? Válaszokat előre is köszönöm!! Üdv! Idézet: Mert nem kerested. :yes: „nem nagyon találtam boltot ahol árulnak” PLD: BDX77 ...vagy váltsd ki "sima" BD-re
Hello!
Kösz a választ! Az addig rendben van hogy van 77 de nekem a 78 is kllene! A BD melyikre gondoltál sajnos anyira nem ismerem ezeket a tranyókat hogy melyiket lehet melyik helyére nekem ithon most 243 244 es párom van ha ez jó belew akkor már nem is kérdezek többet!
Sziastok!
Nem ide való, de amúgy lehet sokan nem figyelik oldalt, hogy írtam bele! Történt egy kis balesetem, és fontos lenne a válasz! Megírtam már a saját témályában, de ide is belinkelem, mert gondolom ez a topic sok embernek bevan jelölve értesítésként! Áramütésről van szó! Bővebben: Link Itt leírtam hogy smint történt! Előre is köszönöm, a moderátoroknak, meg bocsi az ismétlésért és a nem megfelelő helyre írás miatt!
A fa parkettán nem rázhatott meg! A föld felé semmiképpen, ahhoz a szőnyegnek és a parkettának is vizesnek kellene lenni.
Kivétel, ha a másik kezeddel, vagy részével pld. hozzá értél az alaplemezhez, vagy másik hálózati vezetékhez. És az sem biztos, hogy nem a nullához értél hozzá, mert akkor meg semmiképpen. Ha máshoz nem értél közben hozzá, biztos nem áramütést éreztél. üdv! proli007
Értem!
Parketta szőnyeg és beton volt alattam. Épp térdeltem hogy arrébb tolom az erősítőt, de rosszhelyre nyúltam. Azzt így hirtelen nem tudom a másik kezemmel a burkolatot fogtam e vagy az erősítő panel hűtőbordáját.(kívül volt a végfok) Az erősítő a doboza nincs leföldelve sehogy, GND se és védő föld se. Üdvözletem neked is és köszönöm a választ!
Annyi furcsa dolog van most így hirtelen, hogy Hidegek a kezeim eléggé, nem tudom most e miatt van e ez!
Tiszta ideg vagy, szerintem ezek a hatások ezzel magyarázhatók. Először is nyugogj meg, mindjárt jobban leszel.
Addig is egy kis sutka! "A feszültség alatt álló tárgyak pont úgy néznek ki, mint a feszültségmentesek, csak a fogásuk más!!" Na! Ezt így kell felfogni. Egyébként ha az emberen nincs látható nyom, akkor az orvos sem tesz mást, mint megfigyel 24 órán keresztül. De ha elmész a dokihoz, attól is mindjárt jobban leszel. De ez is pszihológia, nem élettan! üdv! proli007
hali
én első erölkodöm ta8210ah -val csináltam, de mostanság qwadokat rakok össze
Csá All!
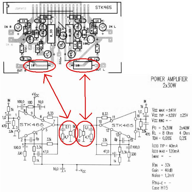
Lenne egy kérdésem az alább csatolmánnyal lenne egy kis problémám ez egy stk 465-s erősítő nyák és kapcsolásirajza. A képen bejelöltem h mi a bibi. Na most azt szeretném kérdezni h hánywattos ellenálás, kell-e oda, miért tették oda, vmint elhagyható ez az alkatrész vagy sem? Valamint h mekora hűtőborda kell ennek az IC-nek? Válaszaitokat előre is köszi! Forsat! Én a helyedben elmennék az orvoshoz mert lehet h mostnincsen baj de később lehet még!
Az a bibi mit fed? Mi a gond vele?
A bibi neve, Zobel-tag és csillapítási feladatot lát el. A te esetedben 30W-ra 0,5-1W-os ellenállat elég. Nélküle is működik az erősítő, csak nem értem miért nem akarod beletenni. A borda méretéről nem tudok irni mert nem építettem vele áramkört.
Értem nekem 40W-re keel akkor 2w-t tegyek bele?
A bajom pedig az h miért nem tették bele a kapcsolási rajzba azt a Zobel-tagot mert ha tom h ottvan a kapcsin akkor beleteszem csak így bizonytalan lettem h mit csináljak vele.
A Zobel-tag benne van a kapcsolási rajzba( a hangszoroval párhuzamosan 0.1µF 4.7 ohm).Az "üres" helyre egy 10-20 menetes tekercs van tervezve (nem kötelezö, de a mély hangoknak jot tesz)
Igaz! Én azt hittem hogy az bekarikázott R-C tagra gondolt xray, és azt nem akarja beletenni
.xray:A párhuzamosan kapcsolt L-R tag (lehet 4,7Ohhm/2W +2uH /20menet 8-as átmérőn 0,8mm CuZhuzal) az esetleges gerjedés megakadályozására van benne. De ha nem teszed bele akkor is működik. Az ellenállat a tekercs belsejébe helyezendő beépítésnél.
A Thiele-hálózatnak (RL-tag) nincsen köze a mély hangokhoz!
sziasztok
erősítőn belül a kábelezés (panelt és RCA-t összekötő vezeték) -hez jó a koax kábel? Vagyis van 2 bemenet meg a GND, ugy gondoltam hogy két koax kábelt használok és az árnyékolást használom a GND-nek, ami "belül" van, az pedig lenne a jel. Csatolom a képet...nem a legprofibb, de azért a lényeg kivehető
ok akkor jól gondoltam...de akkor jó lesz a koax?
|
Bejelentkezés
Hirdetés |




de amit nem értek hogy amint bekapcsol az erősítő, eléggé kitolja a hangszórót amit szerintem nem kéne és az az oldal se szól valami szépen...illetve jól szól,, de discmanről adom neki a jelet és olyan fél hangerőn szól szépen, ami ha jólemlékszem akár rendben is van hiszen lehet hogy affölöt már túlvezérlem és azért torzít dehát ha az erősítőnek (ha nincs hangerőpotméter) elvileg ez lenne a max hangereje?? mert az akkor nemsok... akkor ennek az erősítőnek búcsút inthetek így? vagy így féloldalasan valamire használható lehet? esetleg 16V-al hangosabb lenne??







