Fórum témák

» Több friss téma
Fórum » Erősítő mindig és mindig
Mielőtt kérdezel, a következő két dolgot ellenőrizd! I. A helyes tápfeszültségek megléte. II. A kimeneten van-e egyenfeszültség. Élesztés.
Lapozás: OK   1989 / 2570
(#) Pafi válasza luigi71 hozzászólására (») Máj 4, 2017 /
 
Kötöttél rá tápfeszültséget? Nem látszik a rajzon semmi felirat a tápra vonatkozóan.

Van a kimenete és a következő fokozat között csatoló kondi? Ez sincs a rajzon, pedig kéne!

Hangerő szabályzóról írsz, de az sincs a rajzon. Így nehéz értelmezni amit írsz.

Jól kell bekötni és működni fog. Tápfesz, kimeneti csatoló kondi és jól bekötött hangerőszabályzó kell ide.
(#) Pafi válasza zenebolond hozzászólására (») Máj 4, 2017 1 /
 
Be lehet kötni egyszeres tápra is kis átalakítással (de hadd ne kelljen most rajzolnom neked!). 1*26=2*13. De tényleg! Működik a matek.
(#) reloop válasza juhos89 hozzászólására (») Máj 4, 2017 /
 
A szub csatorna sikeres elindítása esetén azok az ellenállások el lesznek távolítva. Lehet, hogy felhasználhatod majd őket a szub csatorna erősítésének a finomhangolásához.
Egyelőre lássuk a szub működését!
(#) juhos89 válasza reloop hozzászólására (») Máj 4, 2017 /
 
Elvágtam amit el kellett, csatlakoztattam amit kellett, megérintve működik a mély, a 8 lábas IC-n megvan a 12V.
A hozzászólás módosítva: Máj 4, 2017
(#) reloop válasza juhos89 hozzászólására (») Máj 4, 2017 /
 
Ennyi szerencse pedig nem is jár egy amatőrnek
Egy huzaldarabbal kösd a szub bemenetet az egyik (tetszőleges) csatornához harmadikként.
Hallgasd meg, elfogadható-e a szub és a szatellitek hangerejének aránya!
(#) zenebolond válasza reloop hozzászólására (») Máj 4, 2017 /
 
Ezt a melegedést 18V-nál max. hangerőre értem. De azért nem akarok rátenni egy A5 méretű hűtőbordát. Ha a kimeneten lévő 1000u kondi helyett 2200u kondi van az miben nyilvánul meg működésileg, hangzásilag stb?
A hozzászólás módosítva: Máj 4, 2017
(#) luigi71 válasza Pafi hozzászólására (») Máj 4, 2017 /
 
Szia!

Elküldöm az eredeti rajzot.Ahova írja a volume in oda kötöttem az outot meg a végfok bemenetére.Lehet valamit elcsesztem
(#) juhos89 válasza reloop hozzászólására (») Máj 4, 2017 /
 
Kezdő szerencse.... Egész jó hangja van. Talán kicsit sok is a sub, de ezt is lehet potival szabályozni a bemeneten nem?
(#) luigi71 válasza luigi71 hozzászólására (») Máj 4, 2017 /
 
Szia! Elküldöm az eredeti kapcsolási rajzot.Ahova írta a volumét oda kötöttem,az outot meg a végfok bemenetére.Lehet valamit nem jól csináltam.
(#) luigi71 válasza Pafi hozzászólására (») Máj 4, 2017 /
 
A végfoknál ide kötöttem a magas mély szabályzó kimenetét.
(#) Hidi válasza reloop hozzászólására (») Máj 4, 2017 /
 
Szia! A következő történt. Bekapcsolt hangfalaknál a fejhallgatóba is jelentkezett a hiba. A kapcsolót megtakarítottam a nagy kondikat kicseréltem de változott. Ekkor észre vettem hogy egy 3,3uf kondi oda van. Kicseréltem és erre 2 ellenállás elfüstölt.Van valami ötleted hogy mit ronthattam el?
(#) Pafi válasza luigi71 hozzászólására (») Máj 4, 2017 /
 
Helyes hogy feltetted mindkét rajzot, de a tápfesz értéke még mindig hiányzik. Lehet hogy a tranzisztor telítésbe ment (ellenőrizni kellene a kollektorán és emitterén a feszültséget), de az is lehet hogy a hangszínszab túl nagy kimeneti DC feszültsége miatt az IC bemeneti csatoló kondija fordított feszültséget kapott, átvezet, és elhúzza az IC bemenetét. Ilyen szempontból jobb lenne a hangszínszabályzó legfelső csatoló kondenzátorának bal oldalát használni kimenetnek.
(#) sany válasza luigi71 hozzászólására (») Máj 4, 2017 /
 
Milyen típusú potmétert használtál a hangerő változatsásához?
(#) luigi71 válasza sany hozzászólására (») Máj 4, 2017 /
 
100kohm osat.Tengejeset.A tápfesz a végfoké 19.5Volt 3.33A 65W. A szabályzóé 9 volt 350mA
(#) reloop válasza juhos89 hozzászólására (») Máj 4, 2017 / 2
 
Most már nyugodtan eltávolítható a narancs X-es két ellenállás. Ne táplálja feleslegesen az üzemen kívül helyezett IC-t.
Mint írtam tetszőleges oldali bemenetre köthető a szub. Ebben a tartományban a két csatorna jele nem szokott eltérést mutatni, felesleges lenne a két csatorna jelét egyesítened.
A szub hangerőszabályzását az erősítő fokozatba ajánlom elhelyezni. Ott a kék X jelű ellenállást kéne vele azonos, esetleg 20-50%-kal nagyobb értékű mono potira cserélned.
Annak érdekében, hogy ennyi rákötött csatorna ellenére a fő hangerőszabályzó az elfordítási szöggel arányosan szabályozzon, a bemeneti sztereó potinak kisebb értéket ajánlok, 2x1k log-osat Bővebben: Link
Ezt a viszonylag alacsony ellenállású potenciométer azon jelforrásokhoz illeszkedik, melyek önmagukban képesek fülhallgató meghajtására. Telefon, hangkártya, MP3 lejátszó.
szerk.: A bementi csatoló kondik kapacitása módosul 10µF-ről, 47µF-re!
A hozzászólás módosítva: Máj 4, 2017
(#) reloop válasza Hidi hozzászólására (») Máj 4, 2017 /
 
Mely kondi és ellenállás volt ebben érintve?
Készíts egy éles képet a végfokról!
(#) reloop válasza zenebolond hozzászólására (») Máj 4, 2017 /
 
A 26V tápfeszültségre épített AB osztályú erősítők egyformán melegszenek. Ebből a szempontból mindegy milyen kapcsolást/IC-t választasz ebben az erősítő-osztályban.
A kimeneti csatoló kondenzátor a hangszóró impedanciájával felülátersztő szűrőt alkot, nagyobb kapacitás = alacsonyabb törésponti frekvencia.
A méretezésél egyrészt törekszünk a hangfrekvenciás sáv alsó részének minél kisebb csillapítású átvitelére, másrészt arra a tartományra, melyet a hangsugárzónk úgysem képes már megszólaltatni, felesleges túlméretezett kondit használnunk.
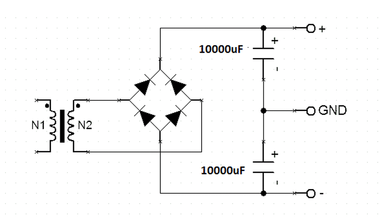
(#) zenebolond válasza Pafi hozzászólására (») Máj 4, 2017 /
 
Így gondoltad?
(#) Hidi válasza reloop hozzászólására (») Máj 4, 2017 /
 
A c601 kondenzátort cseréltem és a r 614,r 616 füstölt el.
A hozzászólás módosítva: Máj 4, 2017
(#) reloop válasza Hidi hozzászólására (») Máj 4, 2017 / 1
 
A hibát nem a C601 cseréje okozta.
A VR601 trimmernek nem csak az állapota katasztrofális, hanem az áramkörben való elhelyezése is. Rettenetesen elszomorító ilyen tervezői munkával szembesülni. Ahogy a trimmer csúszkája és az ellenállás-pálya között megszakad a kifogástalan érintkezés, a végtranzisztorok és azok meghajtói egymásra nyitnak. Az eredmény látványosabb részével már találkoztál, most a TR 604, 605, 608, 609 kimérése következik.
A trimmert cseréld, vagy tisztítsd meg (WD-40 hatásos). A mellékelt rajz szerint kösd össze a trimmer csúszkát az R612 felőli lábával!
A téma fejlécében van egy link. Az 1-es pontot feltétlen ajánlom.
(#) szili83 válasza reloop hozzászólására (») Máj 4, 2017 /
 
Idézet:
„A VR601 trimmernek nem csak az állapota katasztrofális, hanem az áramkörben való elhelyezése is. Rettenetesen elszomorító ilyen tervezői munkával szembesülni. Ahogy a trimmer csúszkája és az ellenállás-pálya között megszakad a kifogástalan érintkezés, a végtranzisztorok és azok meghajtói egymásra nyitnak.”


Inkább tervezett elavulás.
(#) reloop válasza szili83 hozzászólására (») Máj 4, 2017 / 2
 
(#) Hidi válasza reloop hozzászólására (») Máj 4, 2017 /
 
Rendben ki cserélem. Jól látom hogy mind a 2 poti értéke 1k? Ha ki cserélem előtte milyen értékre állítsam az újat ? Mert az egyik széthullott. Valamint 1 tranyó is oda van 2sc497. Ezt mivel lehetne helyettesíteni?
(#) reloop válasza Hidi hozzászólására (») Máj 4, 2017 /
 
Beültetés után a trimmert állítsd a legnagyobb ellenállást adó értékre. Ekkor lesz a legkisebb a nyugalmi áram. Innen addig tekerd, míg az R620-on 4-6mV feszültségesés nem jön létre. A beállítás alatt a kimenet legyen terheletlen.
A 2SC497-et BC301-el pótolnám.
(#) metabo123 válasza reloop hozzászólására (») Máj 4, 2017 /
 
Szia!
Egy Yamaha A520-ast javítok, amiben elhullott az egyik csatorna félvezetőinek java része (piros X a rajzon). Lehet, hogy itt is hasonló kapcsolástechnikai probléma áll fenn (nyugalmi áram beállító trimmer)?
(#) Poli válasza zenebolond hozzászólására (») Máj 4, 2017 /
 
Ezzel találkoztál már itt a Fórumon?
(#) Pafi válasza zenebolond hozzászólására (») Máj 4, 2017 /
 
Google: single supply tda2030

Mondjuk lehet kondis feszosztóval is, de ahhoz kell még 1-2 apróság.
(#) tothbela válasza reloop hozzászólására (») Máj 4, 2017 / 1
 
Ügyes kezű barátomnak azért durrant el az STK végfoka, mert nagyon találóan két erősítővel használt egy pár hangsugárzót. Egyszerűen összekötve a két erősítő kimenetét. Talán ez demonstrálja, mire képes a kreatív "hifista".
A hozzászólás módosítva: Máj 4, 2017
(#) Pafi válasza luigi71 hozzászólására (») Máj 4, 2017 /
 
A 100k túl sok, ennek a hangszínszabályzónak a bemenete viszonylag kis impedanciájú meghajtást igényel.
(#) juhos89 válasza reloop hozzászólására (») Máj 4, 2017 /
 
A 47µF-es kondi feszültség értékre mekkora kellene? 25V?
Következő: »»   1989 / 2570
Bejelentkezés

Belépés

Hirdetés
XDT.hu
Az oldalon sütiket használunk a helyes működéshez. Bővebb információt az adatvédelmi szabályzatban olvashatsz. Megértettem