Fórum témák

» Több friss téma
Fórum » PIC-komplex feladatok
 
Témaindító: Duck, idő: Ápr 12, 2008
Témakörök:
Lapozás: OK   1 / 1
(#) Duck hozzászólása Ápr 12, 2008 /
 
Sziasztok!
Egy érdekes feladattal küzdök, melyhez a ti segítségeteket szeretném kérni.
Ez egy elég hosszú, és komplex feladat, melyben érdekes problémák merülnek fel.
A problémák témakörei a következők:

-EEprom írás
-I2C kommunikáció
-billentyűzet lekezelés
-LCD kezelés
-egyéb algoritmusok

A feladat nagy vonalakban:
Egy csengető automata megvalósítása PIC16f877A típusú mikrokontrollerrel, DS 1307-es Real Time Clock-al,LCD kijelzővel, és 3x4-es billentyűzettel.
Aki úgy érzi a témában segítséget tudna nyújtani, az írjon a fórumba, illetve a kacsa88@gmail.com e-mail-címre.
Kapcsolási rajz, és feladatleírás még nem teljes, de a későbbiekben felkerül mindkettő.
(#) Moderátor hozzászólása Duck hozzászólására (») Ápr 12, 2008
 
Idézet:
„-EEprom írás
-I2C kommunikáció
-billentyűzet lekezelés
-LCD kezelés”


Ezek majdnem mindegyikéhez van külön saját topik!

Most te minek akarsz külön együttes topikot létrehozni nekik? Azért, hogy elmondhasd, hogy van saját topikod is? Ha igen, akkor ezt az ötletet gyorsan felejtsd el...

Ha meg globálisabb jellegű gondod van, azt meg nyugodtan fel lehetne tenni a kiemelt PIC-es topikba, hiszen nem viccből nyitottuk...
(#) dpeti válasza Duck hozzászólására (») Ápr 12, 2008 1 /
 
Indiszkrét kérdés:
Mit fizetnél a segítségért annak, aki mindezt neked egy az egyben elmagyarázná?

Mellesleg ha annak az érdekes feladatnak HF a neve, akkor azt leginkább magadnak kellene megcsinálnod, ha pedig fizetős melóról van szó, akkor nem szép dolog másokkal ingyen megcsináltatni.
(#) dcsabi válasza Duck hozzászólására (») Ápr 12, 2008 /
 
Hát ha még egyiket sem csináltad akkor ez valószínüleg nem megy 15 sor, vagy 4-5 hozzászólás elolvasása után sem... ezek kézség szintü elsajátitásához idő kell, és hogy együtt menjen mind, azokhoz jól bevált rutinok. Ha megnézed a belinkelt topicot, és letöltöd magadnak, ott abból tudsz puskázni, gyakorlatilag mindre van bevált példa, rutin is... Az I2C-re van nekem hozzá kiegészítésem...PIC_HE_LINK
(#) Muri válasza Duck hozzászólására (») Ápr 12, 2008 /
 
Egyébként mi a feladat? Mert amit írtál, abból megtudtuk, hogy mi van/lesz rákötve. De mi a cél???
(#) Muri válasza Muri hozzászólására (») Ápr 12, 2008 /
 
Figyelmetlen voltam, és átsiklottam a "csengető automata" felett.

Idézet:
„Aki úgy érzi a témában segítséget tudna nyújtani, az írjon a fórumba, illetve a kacsa88@gmail.com e-mail-címre.”

A 'téma' elég tág fogalom. Melyik része nem megy?

Egyébként szerintem előbb végzel ha nekiállsz, ahhelyett hogy arra vársz, hogy valaki megírja neked jól, ingyen.
(#) Duck válasza Muri hozzászólására (») Ápr 13, 2008 /
 
Köszönöm a sok választ, főleg ezeket a kedves kis hozzászólásokat.
A téma valóban tág fogalom, de a gondolatjelek nem a semmiért vannak, és bármelyik részhez várom az ötleteket.
A másik, nem várom, hogy bárki megírja nekem, főleg nem ingyen.
A dolog kedves volt iskolám számára készül, teljesen ingyen.
Az egyéb költségeket ők állják.
igazából a legnagyobb problémám az az i2c-n történő kommunikáció. Nagyon sok leírást és mintaprogramot átböngésztem hozzá (pl.:Microchip leírások, datasheetek,stb..)
Sikerült is egy verziót elkészítenem, de elég esetlen, és nem túl megbízható.
(#) dcsabi válasza Duck hozzászólására (») Ápr 13, 2008 /
 
I2C-re példa, pcf8583 óra ic-re van de vagy átalakítod a progit, vagy kicseréled az ic-t erre... Három file a nevében benne van, a progi melyik részére kell beilleszteni, az init-be, a szubrutinba, illetve a főprogiba...
A változók utána szabadon használhatók a program többi részében, kijelezhetők..., kapcsolásra használhatók,...stb
a küldött file részleteket .Inc formátumban küldöm ez minden további nélkül egyszerü szöveg, tehát asm.be illeszthető, nekem igy is elfogadja az asm-fordító...
(#) dcsabi válasza Duck hozzászólására (») Ápr 13, 2008 /
 
Ha a mátrix-billentyűbe belebonyolódnál, egyszerűbb 3-vagy 4 db sima nyomógomb a szokásos menü gombok fukcióival...a program így jóval egyszerűbb...
(#) DonCarlos válasza Duck hozzászólására (») Ápr 13, 2008 /
 
Hello!

Nmetudom mennyire fontos hogy PIC-el készüljön a dolog, mert ha nem akkor AVR-el BASIC programozási nyelven(BASCOM) ezek mind 1xerűen elvégezhetők(tudom kinek mi, de én amikor elkezdtem nézegettem PICet is de valahogy az AVR+BASCOM párosra szavaztam)...
ahol én kezdtem: Bővebben: Link
(#) dcsabi hozzászólása Ápr 14, 2008 /
 
Ha már felmerült mi fontos meg mi nem, akkor bennem felvetődött, hogy egy konnektorba dugható digitális kapcsoló óra, aminek van bőven programhelye,... 1500...4000ft között. Ha esetleg befejezné az iskolát, mielőtt elkészül,... egy segítségnek jól jöhet. Ez a PIC-es projekt egy jó "tanuló" feladat, (amit Ő akar) csak egy kis idő kell hozzá, mig teljesen megbizhatóan megy minden...
Ha lerajzolnád a hardware környezetet, meg hogy pontosan mit akarsz, akkor esetleg 1-2 óra alatt megírnám...
(#) Duck válasza dcsabi hozzászólására (») Ápr 14, 2008 /
 
köszönöm a segítséget!
azt nem kérem, hogy megírja helyettem más, de elfogadom a segítséged, ha pl átnéznéd,a mit eddig alkottam, és esetleg segítenél a folytatásban, azt megköszönném. Elkelne a segítség, ugyanis határidős a dolog, és már csak 1 hónapom van rá.
Ha szívesen segítenél, akkorkeress meg e-mailben, és küldök pár leírást: pl.: DS1307
jahm, és köszi a nyomógombos ötleted, de a csengetési időpontokat beállíthatóra kell csinálni, és azért lenne fontos, hogy számokat vihessek be.

(#) Duck válasza DonCarlos hozzászólására (») Ápr 14, 2008 /
 
Sajnos meg van kötve a kezem, ugyanis mindenképp PIC-el kell csinálnom.
(#) Lucifer válasza Duck hozzászólására (») Ápr 14, 2008 /
 
Oshonsoftos basic. Van benne minden amit kértél (I2C, LCD, billentyűmátrix). Tud szimulálni is. 30 napig ha jól tudom van trial verzió. Egy próbát megér.
(#) watt válasza (») Ápr 15, 2008 /
 
Én egyetértek, csak azt nem értem miért nem zártad be akkor ?
(#) dcsabi válasza Duck hozzászólására (») Ápr 15, 2008 /
 
Abban tudok egyértelműen segíteni , amit csináltam és müködik. Amit csak láttam meg hallottam róla, arról csak mesélni tudok...Az általad használt rtc Ic-nek az adatlapját hasonlíts össze a Pcf 8583-mal és nézd meg mit kell máshogy beállítani az ASM-ben... A négy menügombbal is szépen be lehet állítani, a az időpontot, legfeljebb nem egy perc alatt hanem, 3 perc alatt... de gondolom ezt naponta nem kell megtenni...? Csináltam több harang kapcsolgató és vezérlő ( húzási teljesítmény állításával a hálózati fesz esésével) elektronikát hasonló mint ez. Az eredeti ASM nincs meg mert volt közben "gépkatasztrófa"
a hex-be meg nem lehet beleturni...Rajzold le az PIC környezet bekötésed, aztán megpróbálolok rá küldeni valamit, ha időm engedi...
(#) dcsabi hozzászólása Ápr 15, 2008 /
 
annyit tegyél meg, hogy rajzold le melyik portra és hogyan van bekötve például az lcd kijelző, és hány soros,... és megpróbálok küldeni rá egy példaprogit, legalább az órát olvasni, ha ez megy a többi gyerekjáték...
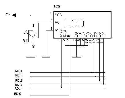
(#) Duck válasza dcsabi hozzászólására (») Ápr 15, 2008 /
 
Itt van a kpcsolási rajz, ha ennek hasznát veszed, de az I2c amúgy is kötött, hogy melyik lábakon megy az LCD-t már megoldottam, abban nincs gond, más csak a kommunikáció kéne, hogy jól összeálljon.
Előre is köszönöm!
(#) dcsabi válasza Duck hozzászólására (») Ápr 15, 2008 /
 
Abban kéne megegyezni, hogy az LCD ne használjon ennyi portot, mert az én rendszeremben mindösszesen a felső 4 adatvezeték van használva, plusz RS és E ez 6 db láb és teljesen visz mindent, a táp és a kontraszt meg nem "PIC függő". Szerintem elég a PortD első 6 lábát lefoglalni...( neked ez csak néhány vezeték átforrasztása a kijelző kapcsain) Ha így elfogadod akkor tudok rá példaprogit küldeni, ugyanis erre a kiosztásra vannak jó bevált rutinjaim...
PORTD.0 = D4
PORTD.1 = D5
PORTD.2 = D6
PORTD.3 = D7
PORTD.4 = RS
PORTD.5 = E

Az I2C természetesen kötött mert a 877-ben adott...

A példa szerint az rb 4-re kötött nyomógombot ha testre kapcsolgatod (pozitivra 10k-val felhuz) akkor a kijelzőn látod a számlálást, és ha kikapcsolod eepromban le is lesz tárolva...

(#) Duck válasza dcsabi hozzászólására (») Ápr 15, 2008 /
 
Az LCD-vel nincs baj az megvan már, teljesen!
A 8 adatvezetékből pedig nem akarok levenni, és a 3 vezérlésből sem, amit küldtél azon csak írás lehetséges, de nekem kell, hogy teljes legyen, és később bővíthető a dolog. de csak az I2C érdekelne.

LCD rutinok megvannak, és szerencsére tökéletesen mennek!
(#) dcsabi válasza Duck hozzászólására (») Ápr 16, 2008 / 4
 
Azt nem gondolom, hogy baj lenne vele, csupán ha helyreáll a kommunikáció és amit esetleg komplettebb dolgot küldök segítség képpen, akkor azt előtte kipróbálnám. Az én rendszeremben ez kb 20perc alatt megvan, ... Ha egy I2C-s ic-ről adatot akarok írni, és kitenni LDC-re, és mondjuk négy nyobógombbal pl állítjuk a pontos időt meg néhány beállított időpont kapcsolásra...
Ezt fejből próbapanel nélkül megcsinálom. Amit segíteni tudok, hogy az én rendszeremben bevált dolgokat elküldöm, elindítod megtapasztalod harware-sen, és software-sen...Ha megy beletursz átalakítod, továbbfejleszted, ahogy kell... Én most "önzetlen" segítség képpen, nem szívesen csinálok, másik panelt meg új szubrutinokkal játszok, mikor neked néhány vezeték átforrasztásáról lenne szó, ez 5-6 perc, nekem meg órákba kerül mig egy másik rendszert kialakítok, meg a szubrutinokat átszabom, letesztelem...
Tudod már elküldtem neked 8-10 hozzászólással ezelött a müködő I2c- rutinokat, ezek müködnek és nem fagynak le, ha jól tudom csak néhány olvasási címet kell benne átírni, de ettől még olvas, legfeljebb a hét napjai helyett a hónap sorszáma jelenik meg...stb


Következő: »»   1 / 1
Bejelentkezés

Belépés

Hirdetés
XDT.hu
Az oldalon sütiket használunk a helyes működéshez. Bővebb információt az adatvédelmi szabályzatban olvashatsz. Megértettem