Fórum témák
» Több friss téma |
Mielőtt kérdezel, a következő két dolgot ellenőrizd!
I. A helyes tápfeszültségek megléte.
II. A kimeneten van-e egyenfeszültség.
Élesztés.
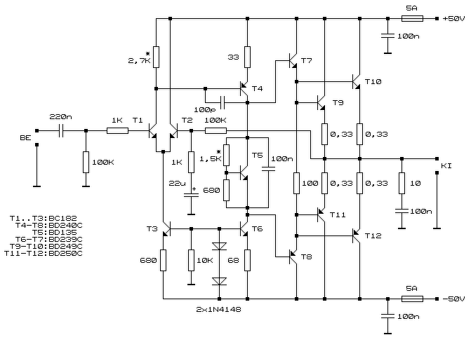
Szia! Mutasd be azokat a paneleket, hátha fény derül a hibájára. A darlington tokján belül a teljesítménytranzisztorok tiszta B-osztályban üzemelnek, nem futhatna meg a nyugalmi áram a melegedéstől. Ha másik kapcsolást építesz könnyen beleszaladsz ugyan abba a hibába, ha nem tárjuk fel.
A bejegyzésed előtt pár sorral is tettem fel egy tervet, azt nézted? Bővebben: Link
Szia anno kitárgyaltuk ezt a kapcsolást,sok mindent kipróbáltunk rajta de mindig ugyan az volt az eredmény kicsit megterhelve elpukkantak a végek.Mikor megdupláztam a végtranzisztorok számát már nem durrantak el de nem bizom benne.
Igen láttam amit felraktál,és ha megbizható akkor megépitem.
Nekem az rémlik, hogy a nyomtatott áramkör volt elszúrva, a kapcsolás fogyatékossága csak a hab volt a tortán
![]() Lentebb bütykölünk egy Pio-t, a teljes doksi csatolva van hozzá. Abban elég szépen kidolgozott darlingtonos végek vannak.
Akkor kaptam tanácsokat hogy mit tegyek még be a panelre,+ diódákat valamelyik ellenállás értéken változtattunk,tettem be pluszba kondikat szürni a gerjedés miatt de nem változott sokat.
A panel hibára nem emlékszem de lehet igazad van.Nagyjából már szétbontottam a paneleket,a tranziosztorokat leszedtem róla a többi a szemetesben végezte.Ezért nem tudok már képet mutatni róla. Sajnos rajzból nem tudom a panelt megrajzolni addig nem terjed a tudásom sajna.
Csak át kell másolni.
Azért is csatolom, mert jól látható, hogy a jellel együtt érkezik a csatornához tartozó jelföld is. Így oldható fel a földhurok közös-tápos többcsatornás erősítőnél.
Többször megpróbáltam már de kudarcba fulladtam vele.Olyankor világosodik a hajam még jobban.
A 203 Ic 54es lábára adtam 3,3v-ot de semmi. Így már nem ingázik a fesz de az akadozás ugyanúgy megmaradt
Ez bátor húzás, meg se mertem volna lépni, viszont tanulságos.
Az R499-en mérhető feszültségváltozás ezek után?
Így az R499-en tartotta a tápot ennek ellenére ugyanúgy elhallgatott.
Most viszont próbából összepakoltam az egészet. Nagyon furcsa dolgot produkál. Bekapcsolom néhányszor akadozik a hang majd pár perc után mintha semmi baja se lenne, megy. Sőt van mikor az összes csatorna megy pár perc elteltével nem csak a pure direct. Ha ki, majd újra bekapcsolom akkor kezdi elölről az egészet. Meghatározhatatlan ez az egész. Igazából annyi változás történt az összerakás által, hogy most visszakerült a hdmi panel a rendszerbe... Még valami, ha az input selector gombot tekergetem majd visszalépek a tunerre akkor az akadozás újra elkezdődik. Az is lehet innen kap valami tiltást. A hozzászólás módosítva: Feb 13, 2018
Most nincs előttem a doksi, a tuner leköthető? Meg kéne próbálni nélküle.
Független a tunertől mert más bemeneten is ez van. Esküszöm mint egy csöves tv
meg kell várni míg felfűt. Egyelőre használom így. Most nincs türelmem már hozzá. Ide már komolyabb szaki kellene... mármint tőlem.Köszi az eddigieket!
Igazán nincs mit, nekem sincs rutinom ilyen bonyolult készülékek terén amivel támogatni tudnálak.
Konkrétan ehhez a párhoz keresett kapcsolást és amint az látszik egyszerűen megépíthetőt. A keresztezési frekvencia miatti előfeszítés megadja azt a lehetőséget (ha már valaki ennyire vájtfülű) hogy kis hangerőn is élvezhető legyen.
Rendelkezem megépített darabokkal mind TIP, mind MJ tranyókkal. Folyamatos 8-10 órás üzemben sem tapasztalható megfutás vagy egyéb tranziens. Nekem ez elég meggyőző (a mérnöki megoldásokkal szemben). ![]() Hangzásban egy otthoni zenehallgatást teljesen kielégít. Különösen az átlag háztartásban található rendszereken, egy normál nappali akusztikája által adott kereteken belül. Bár itt a végén megjegyezném, hogy a fent említett (eredeti) kapcsolás vesztét nem a kapcsolás, hanem egyéb tényező okozta. Gerjedés alatt futva NYÁK topológia, táp nagyfrekis szűrésének hiánya, stb.
Sziasztok.
Megnéznétek, hogy a mellékelt nyákrajzban van e hiba? Megvan az eredeti is, (a harmadik negyedik kép) az Elektor 1981-es számában volt leközölve. Viszont szeretném a kivezetékelést elhagyni. Ezért is vetemedtem azt újra rajzolni. Elóre is kösznöm. A hozzászólás módosítva: Feb 13, 2018
Idézet: Az mi? És mi köze van egy adott végfok hangzásának karakteréhez? „A keresztezési frekvencia miatti előfeszítés” Idézet: Ezt a mondatot is csak én nem értem? Minden létező és fellelhető kapcsolást valamikor valahol valamelyik mérnök(ök) alkották meg, kevés olyan van amit a hentes Józsi bácsi.„Nekem ez elég meggyőző (a mérnöki megoldásokkal szemben).” Maradjunk annyiban hogy ez szintén egy ezeréves topológia, a 80-as 90-es években szinte egyeduralkodó volt a kommersz gyári erősítőkben. Nem a hangzása hanem az egyszerűsége és az ára miatt. Illetve nem darlington tranyókkal hanem hagyományos módon, darlington vagy kompozit darlington elrendezésben.
A "mérnöki megoldás" irónia és bizonyos "ismeretlen" Ágoston Lajos alkalmazza több írásában is. Példaként áramtükör alkalmazása sima áramkorlátként funkcionáló ellenállás helyett...
Az adott erősítő szimmetrikus tápról van üzemeltetve komplementer párokkal. Aminél ildomos a nyitó és záró feszültségek közötti "lukat" kiküszöbölni, így a keresztezési torzítás javul. Ezt számos kapcsolásban alkalmazzák. A QUAD 405-ben ezt egy "nagy" teljesítményű előfokkal oldják meg... A teljesítmény erősítők alapkapcsolásai olcsók és egyszerűek, de nem feltétlenül rosszak. Egy szintén "ismeretlen"szerzőtől vett gondolat JLH (sajnos nem megy szó szerint,régen olvastam): A valóságban az erősítők hangzását a hallgató igényei és elvárásai határozzák meg, nem a mért értékek... Az általad említett visszahajló karakterisztika kiküszöbölhető 2 db plusz ellenállás használatával. És ténylegesen jól jön ha a terhelő impedancia közelítőleg 0 ohm nagyobb intervallumig... És egy működőbár régi topológia nem feltétlenül rossz. Persze a hangfrekvenciás erősítők terén számtalan jobb és stabilabb lehetőség van. Ez olyan mint ha autót vennénk és nem jó az Opel Astra, mert a BMW X6 többet tud. Egyszóval az adott keretek és elvárások adják meg a "jósági tényezőt".
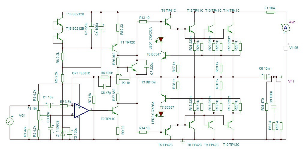
Szia! Nem fog ez hőre megfutni? A T1-et levenném a hűtőbordáról, A T15, T16-ot pedig felfogatnám.
Idézet: A luk az milyen elektrotechnikai mértékegység? „Aminél ildomos a nyitó és záró feszültségek közötti "lukat" kiküszöbölni, így a keresztezési torzítás javul.” Az előbb még keresztezési frekvenciáról írtál most meg már torzításról. Akkor most melyik? A Quad-ban nincsen nagy teljesítményű előfok. Van benne feszültségerősítő és impedanciaillesztő fokozat (OPA a tranyókkal), van benne A osztályú végfokozat és B osztályú végfokozat.Senki nem írt olyat hogy egy alapkapcsolás rossz lenne. A hangja van messze a jótól, és annak semmi köze sincs a műszaki paramétereihez. A visszahajló karakterisztikát nem kiküszöbölni kell hanem megoldani. Az autós hasonlatod meg nem is értem hogy jön ide.
Valahol talán ki volt írva a behajtani tilos ?
Na ez a szőrszálhasogatás. A"luk"idézőjelbe téve nem véletlen. Kérem értelmezni az adott végtranzisztorok nyitófeszültségének eléréséig történő bemeneti jel erősítésének kiesésével. Ami hatással van a keresztezési torzításra.
Az autós hasonlat megértéséhez kicsit el kell vonatkoztatni a szó szerinti értelmezéstől... Ez intellektus kérdése. A quad cég current dumping fokozatának működési elvét pedig JLH Csöves és tranzisztoros hangerősítők könyvének 180-181. oldalán nálam egyértelműen precízebben elmagyarázza a szerző. Az általam írtakban a "nagy teljesítményű" kifejezésben a "nagy" szintén idézőjeles, megint értelmezés kérdése. És értem én hogy bizonyos "körökbe" nehéz bekerülni(ami nem feltétlenül szándékom), de ha valakinek egy kapcsolásra van szüksége vagy talán engedtessék meg hogy más is hozzá szóljon és a kérdező majd eldönti megfogadja-e vagy sem. Valahol így lenne értelme a fórumnak. Természetesen helyt adva az építő kritikának,de az nem ez a stílus. Az általam megosztott kapcsolásból mint már említettem 2 darabot is építettem anno. Sok éve megfelelően működnek, hangjuk kielégítő egy szobai akusztikához, legyen szó Vivaldi-ról vagy AC/DC-ről, bár nem vagyok abszolút hallással megáldva (sajnos). Ugyan PA hangsugárzó rendszerrel rendelkezem és ez nem otthoni űrméretekhez tervezett, de talán minőségre az Electro Voice és a Beyma cég termékei megteszik... A karakterisztikára rátérve, az említett passzív elemekkel és egy gyors számítással megoldható. És mint említettem, aki akarja ezt megteheti. Egy öröm itt ismét fórumozni pár év kihagyás után! ![]() Illetve ha esetlegesen az alap kérdést feltevő még olvasná ezt a részt (amit kétlek) az ő általa közölt kapcsolás is működőképes. A tápban legyen elegendő pufferkondi (elko), illetve minél nagyobb értékű fóliakondenzárot (pl. MKP) a nagyfrekis szűrésre. Ha a táp rendben van nézz meg pár tervezési topológiát más erősítőknél és azok alapján építsd újra, ügyelve a közös földpontra.
Sziasztok.
A T1 eredetileg nincs a fő hűtőbordán (mint ahogy a T2 sem), egy kicsi hűtéssel ép hogy nem forrt fel (és ez így egyébként működik). Ha a T15-T16 a hűtőbordára kerülne, a T3 működése nem válna értelmtlenné hisz az ép azért került volna bele? Nézzétek el ha badarságot írok és/vagy kérdezek. Ha a T15-T16-ot diódára 3db sorosan 1N4148 lenne cserélve, a T3 ellátná a feladatát? A T3 báziskörében lévő R37 680 Ohm-ról 1,7K Ohm-ra változna. Kérdés, hogy az amúgy is kb 50mA-el dolgozó T1 ezen beavatkozásra a terhelése 76mA-re nőne mint ahogy a T2 nek is.. bár az eredeti tranzisztorokat BD239C-BD240C egy sokkal terhelhetőbb típusra (MJE 15030-MJE15031) cseréltem mire számíthatok?. Tudom a szimulátor nem tud mindent, és a gyakorkat azért néha mást muatat... ezért kérdezlek titeket.
Szia! Teljesen elkerülte a figyelmemet, hogy a T3-mal kiegészítetted a kapcsolást. A T1 áramgenerátor árama az eredeti elgondolás szerint T15, T16 hőmérsékletétől függött. Azért kezdtem el az Elektoros rajzot követni, mert a két tranyó NYÁK-tervi beültetése azzal van szinkronban, ott csak a C, E jelölés van elcserélve, míg a szimulátoros rajzban meg is vannak fordítva.
Visszatérve a nyugalmi áram hőmérsékletváltozással szembeni stabilitására, az eredeti szabályzás hatékony működéséhez az is kellett, hogy a T1 hőmérséklete független legyen a végtranzisztorokétól. Az, hogy mindezt kiváltottad a T3-mal nem baj, mégha feleslegesnek tűnően növelted is ezzel az alkatrészek számát. Arra mi a magyarázat, hogy R27, R28 értékét a hússzorosára növelted? Egy kérdés számomra is nyitott maradt, a negatív félperiódus T7 áramkorlátozója hogyan viseli a T2 felől érkező, akár 1,5 A-es áramot? A változtatásokkal kapcsolatban azt javaslom, próbáld így az elgondolásod szerint, ha nem válna be akkor pedig térj vissza az eredetire. A hozzászólás módosítva: Feb 15, 2018
Szia. Az R27-R28 értékét magam sem tudom, hogy miért változtattam meg. Szerintem arra gondolhattam, hogy T4-T5 árama ezzel csökkenhet.. Mindenesetre marad a 47Ohm.
Idézet: „Egy kérdés számomra is nyitott maradt, a negatív félperiódus T7 áramkorlátozója hogyan viseli a T2 felől érkező, akár 1,5 A-es áramot?” Itt az R14 10 Ohm-ra gondolsz? A T2 anno amikor mértem valósan ott nem jött létre 1,5A-es áram ha teljesen kihajtottam akkor sem. Amint lesz időm, kipróbálom. Ez most csak elméleti próba lenne. Kíváncsi voltam, ha belenyúlok, jobb lesz e, vagy nem?
Mikor a T7 áramkorlátozó beavatkozik, a T2 teljesen kinyit, mivel a kimenet felől jövő visszacsatolás nem követi a bemeneti jelváltozást. Ha zárlat van a kimeneten, akkor a fél tápfeszültség a nyitott T7, LED2, R14, nyitott T2, R9 alkatrészeken esik. Nem egy praktikus megoldás.
Így kell öngyilkos erősítőt építeni. Egy hangszererősítő így ölte meg magát.
Csak ötlet. Lehet, hogy az opa kimenetére is kellene egy ellenállás. A hozzászólás módosítva: Feb 15, 2018
Szia! Ez is jó, épp úgy mint három dióda.
Sziasztok szerintetek melyik a jobb kapcsolás ez vagy az St.?
Persze más tranzisztorokkal. A hozzászólás módosítva: Feb 22, 2018
|
Bejelentkezés
Hirdetés |







meg kell várni míg felfűt. Egyelőre használom így. Most nincs türelmem már hozzá. Ide már komolyabb szaki kellene... mármint tőlem.





A Quad-ban nincsen nagy teljesítményű előfok. Van benne feszültségerősítő és impedanciaillesztő fokozat (OPA a tranyókkal), van benne A osztályú végfokozat és B osztályú végfokozat.





