Fórum témák
» Több friss téma |
Fórum » MosFET végfok
Üdv! Megépítettem ezt a végfokot amit csatoltam. Szépen muzsikál de szeretnék egy korszerűbb műveleti erősítőt rakni bele, mert a Tl071 hangjával sosem voltam kibékülve. Esetleg valaki közűletek megcsinálta már ezt az erősítőt másik műveleti erősítővel? Arra gondoltam hogy át tervezem egy NE5532 höz vagy valamelyik Opa-hoz. Kíváncsi lennék hogy ti mit ajánlanátok bele. Köszi!
Terveztem panelt a hétvégén Piret Endre-féle mosfet végfokokhoz. Egyet TO3 tokozású 2sk135 2sj50 fet véggel, egyet a TO3P tokozású 2sk1058 2sj162 végfetekhez. Remélem semmit nem kötöttem el, átnéztem, de a hiba nem kizárt! Ezeket is két oldalas egyik oldalon "telifólisás" panelként van megtervezve. Hogyan tudok PDF fájlt csinálni a LAY fájlokból?
A hozzászólás módosítva: Aug 23, 2015
A legegyszerűbben úgy, hogy telepítesz egy pdf nyomtatót (pl. novaPDF lite).
A source ellenállások miért vannak 0,2 Ohmra cserélve? Magam is egy pár Piret-féle végfokot használok, én az IRF530/9530-ra szabott panelt 15 év használat után alakítottam át végül a régiekhez, nem volt kedvem újat gyártani, és egyszerűen sikerült megoldani. A hangját kifejezetten szeretem. Nekem 0,47 az N csatornás és nulla a P csatornás source ellenállása. Hosszú kábellel viszont kimondottan gerjedékeny, de még nem jártam utána, hogy pontosan hol keletkezhet.
Nagyon szép munka!
IRF fetekkel készült végfokot én is megcsináltam, de elajándékoztam egy rokonomnak. Az eredeti cikkben (RT '96/7 - '96/8) lévő panelen voltak apró hibák, ezeket én kijavítottam. Az ellenállások megírása a makróban így szerepelt. Meg kellett volna változtatnom, de elmaradt. Semmilyen értéken nem akartam változtatni. Egyedül az offset beállító potmétert raktam bele plussznak. Hol tudtál ilyen végfeteket beszerezni? Nekem egy db 2SK134-em van. A hozzászólás módosítva: Aug 24, 2015
Piret Endre cikke: Komplementer szimmetrikus erősítő HEXFET-ekkel melyik Rádiótechnikában található, mert egyszerűen nem találom. Itt IRF végfetek voltak a Toshiba fetek helyett a kimeneten.
Privátban keress meg FET ügyben, ha érdekel.
Köszönöm! 98/10 és 11, ha jól emlékszem!
Nekem is itt segített egy klubtárs, tőle kaptam nagyon kedvező áron néhány párat válogatva (ezért is J49 az egyik)
Sziasztok. Sok éve már, hogy szerettem volna megépíteni a Piret féle fet erősítőt, de akor nem volt még kommersz fet párom sem, nem hogy rendes audiófet. Most van néhány darab 2SK1058/2SJ162 a tulajdonomban, így elérkezettnek látom az időt a megvalósításra. Dobozolás megvan, táp kész, alkatrészek megvannak, még a nyákgyártás is megy. Viszont még nem hallottam egy darabot sem, így nem tudom mit várjak tőle. Hallottam negatív kritikát is, de nem hiszem hogy annyira rossz lehet. Nem hangoskodni szeretnék vele, hanem otthoni zene hallgatás a cél. Piret féle, vagy a VMS250, ami szintén magyar fejlesztés között kellene döntenem, de még egyiket se hallottam, így tanácsot/megerősítést szeretnék tőletek kérni.
Hallani én sem hallottam őket, de a Piret félét többen szidják mint ahányan dicsérik. A feteket vagy a VMS-ben, vagy a topikhoz kapcsolódó rajzban (AM1600 koppintás) próbálnám ki, azokban talán kisebb eséllyel lesz csalódás.
Ha valaki 2SK135/2SJ50 FET-ből szeretne építkezni akkor írjon privátban. Tudok benne segíteni...
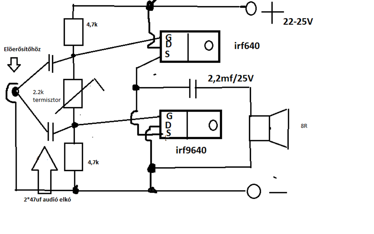
Én az egyik legegyszerűbb megoldást választottam. Sima közös drain elektródás PP-t építettem. Három ellenállás elemből kell feszültségosztót csinálni, de a középső termisztor legyen. A feszültségosztó két szélső ellenállása 4,7k-s legyen, a középső termisztor 2,2k. Nekem 25V-os táppal megy és elég a 10000µF pufferkondi elég elé. Kondival csatolva csöves srpp is meghajtja de IC-s cucc is jó.
Egy nulla hőfokfüggésű FET elé minek hőmérsékletfüggő ellenállás?
Bocsi irf640/9640 párossal megy és a termisztornak mind a két végponjára /mind a két fet bemenetére kell egy 47uf-os becsatoló kondi.. 2200uf Kondival csatolom ki.
Szia! Egy rajz jobban megmutatná mit is szeretnél közölni.
Bocsánat, itt is a rajz. Eleve nincs Tina a gépen, de talán így még szemléletesebb.
Ezt jó combos, kis kimeneti impdeanciájú feszültségerősítővel kell meghajtani, meg a termisztor helyett én inkább a Piret-félében használt, a FET-ekével azonos hőfokfüggésűre hozott Ube-sokszorozót használnám (TL431). De ettől még úgy gondolom, ilyen formában az IRF-ek nem ideálisak ide.
Igazad van. A hexifet nem v-fet. Viszont olcsó és nem fut így se meg. Valaki egy hasonló kapcsit használ garázsba és ott sima ellenállások alkotják a hidat (igaz , gondosan belőtte a nyugalmi áramot). Eredetileg mindenhova rádughatós erősítőt akartam, amit a fejhallgató kimenetről nyomkodhatók, de van lm833 előfokom, és srpp is.
Megjegyzem azt dilemmát, amikor egy direkt csatolt SE rf640 véget raktam össze. Diliből csináltam és izzó volt a munkaellenállása és csöves direkt csatolt meghajtásról ment. Sajnos nem volt hosszú életű, de a legjobb hang volt, amit addig hallottam.
Alig egy év után végre volt időm utánajárni a gerjedékenységnek. Eddig úgy nézett ki az ideiglenes megoldás, hogy a kimeneti pontokra kötöttem egy elég durva, 100 nF+0,82 Ohm lezárást. A végfok tápellátása dual mono, a közös pont, egyben a sasszi földje a bemeneti két RCA hüvelynél van. A régi, IRF alapú kapcsolás egyáltalán nem volt gerjedékeny, az átalakítás során bekerültek a V-FET-ek, valamint az emitterkövetők lettek kicserélve ma kapható ST típusokra (a régiek Philips, illetve talán TFK párok voltak-úgy tudom, ez lényeges, mert eléggé eltérőek az újabb gyártásúak paraméterei). A gerjedés hidegíthető a FET-eket meghajtó FE fokozatok C-B lába között, aztán mint kiderült, globális a jelenség, mert reagál akár a visszacsatoló körben lévő elkók tetejének érintésére is. Kicseréltem a kimeneti zobel tagot is, az ellenállások már elég viseltesek voltak (nem is értettem annó, hogy miért nem javasolt ide nagyobb teljesítményűt a szerző, meg a 100 ohmos munkaellenállás is elégett volna, ha a rajz szerinti 0,125 W-os lett volna még az IRF-ek előtt), és hátha az átalakításkor betett MKP kondik nem elég jó minőségűek. Aztán, végül a kompenzálást végző C9-en állt meg a történet. Ez gyárilag 27 pF. A JLH erősítőben (amire elvileg Piret úr utalást tett), ezen a ponton 5 pF + 47k soros tag volt (de nyilván az egy másik kapcsolás). Rákötöttem párhuzamosan egy fiókban talált 150 pF-os kondit, s ezzel a gerjedés megszűnt, illetve nem alakult ki a későbbiekben. Más nem lévén itthon, találtam két, 100 pF-os, négyzet alakú, ruszki, zöld kondit, ezek kerültek be ide. A dolog működik (ahogy Piret úr is hivatkozik erre a megoldásra JLH nyomán
), a kérdésem az, hogy ez mennyire nyúlhat bele minden más paraméterbe? Nyilván, a magas átvitelt érintheti, illetve a fázismenetet, de vajon mennyire drasztikusan? Mindkét vége viszonylag kisimpedanciás pont, az egyik lába 100 ohmmal csatlakozik a föld felé, a másik lábán a feszültségerősítő fokozatok lógnak, a maguk 150 ohmos emitter-ellenállásaival, és az azt követő emitterkövetőkkel. Hangra egyelőre nem tűnik fel semmi drasztikus, szól, ahogy eddig, végre nem gerjed..
..még egy hülye hiba. A hűtőbordán az egyik luk kismértékben félrefúrt volt. Pont annyira, hogy hosszú szárú szigetelő gyűrű ide vagy oda, a FET vastag lapja miatt a csavar csak hozzáért, illetve áthúzott. Ezt olyan formában tette, hogy feszültség nélkül helyesnek tűnő ellenállást, illetve szakadást mértem a Source és a test között, feszültség alatt meg recsegett olyankor, mikor sok közép és kevés magas hallatszott a zenében-gondoltam, a magas hangszóró kezdi a végét járni így 36 évesen. Aztán tesztelés közben lecsökkent a kivezérelhetőség, pár W-ig szépen szólt, fölé nem ment, jellegzetes áramhatárolt volt a kimenet. És, amikor terhelés nélkül keresgéltem a gerjedést benne (a kivezérlésjelző szépen mutatta, hála az 1N4148-ak gyorsaságának), egy intenzívebb kivezérlés alkalmával, a két GND-t összekötő R34 ellenállás elkezdett füstölni.. És, ennek csak egy oka lehetett, mert három alkatrész csorgat kicsi áramokat oda, minden más a ház felől kell érkezzen, oda pedig csak a FET-ek source-a csatlakozik..
Sziasztok. Van itthon pár Mosfetem és gondolkoztam rajta hogy készítek belőlük valami kis asztali végfokot. A típusok amik hirtelen akadtak: IRFP450LC, IRFP150, IRFP460.
Esetleg ezekkel van olyan végfok amit el tudnék készíteni és nem foglal túl sok helyet, na meg nem kell neki 1Kw toroid? (2db 30W-os hangsugárzót hajtana).
Szia! Ezek a félvezetők messze meghaladják egy 30 W-os erősítő igényeit. A mellékelt rajzot is át kellene számolni 1/3 tápfeszültségre, de legalább mutatja milyen felépítésű egy egyszerűbb NMOS végfok.
Üdv Fórumtársak!
Azt szeretném kérdezni , hogy megépítette e valaki rajtam kívül is a megosztott class d végfokot? Van e valakinek ezzel valami tapasztalata? Megépítettem , működik , de nagyobb hangerőnél olyan mintha elgyengülne ,és a magasabb hangoknál úgy betorzít , hogy nem lehet hallgatni , ha halkabbra veszem akkor nagyon szépen szól !A tápfesz +-35 v , nekem az egy kicsit fura , hogy a 12voltos zénereken 5 voltot mérek! Annyinak kellene egyáltalán lennie? Ha viszont 5 voltnak kell lennie , akkor miért a 12 voltos zéner?
Szia!
A Z-diódák sarkain van 5V? Szimmetrikus tápfeszültségről megy az erősítő?
Üdv! A Zener előtét-ellenállása, ami a rajzon 1,5 k 1 W-os nálad is annyi?
A diódák sarkain 5v van! Az ellenállások fél wattosak , de én ismerem ezt a fajta stabilizálást , már építettem ilyen áramkört amiben ugyan így volt megoldva a táp stabilizálása , de ott a negyedwattos is megfelelő volt! Rengeteg tekercset kipróbáltam hozzá , volt amelyikkel melegedett mint a veszedelem , de a mostani mellett nagyobb hangerőn is csak langyos!
Nem tudom mi lehet a gond , miért nem 12 volt van az ic 4. és 8 lábán?
Lehet kevés az áram ami az előtét-ellenálláson áthalad. Próbáld 1 k-val, növekszik-e az IC tápfeszültsége.
|
Bejelentkezés
Hirdetés |









), a kérdésem az, hogy ez mennyire nyúlhat bele minden más paraméterbe? Nyilván, a magas átvitelt érintheti, illetve a fázismenetet, de vajon mennyire drasztikusan? Mindkét vége viszonylag kisimpedanciás pont, az egyik lába 100 ohmmal csatlakozik a föld felé, a másik lábán a feszültségerősítő fokozatok lógnak, a maguk 150 ohmos emitter-ellenállásaival, és az azt követő emitterkövetőkkel. Hangra egyelőre nem tűnik fel semmi drasztikus, szól, ahogy eddig, végre nem gerjed.. 






