Fórum témák
» Több friss téma |
Sziasztok!
Olyan problémám lenne, hogy egy motor forgását szeretném mérni, de csak egy 0-180 fok-os tartományon. Sajnos a nagy problémát a mechanikai kialakítás jelenti, nagyon kicsi a hely. Először egy normál trimmert használtam a feladatra. Ami nagyszerű megoldás mivel statikus értéket ad vissza és nincs szügség kalibrációra, csak sajnos a trimmerket nem erre a nagy igénybevételre teremtették és elég hamar tönkremennek. 10 bites felbontás kéne jelenleg csak 8 bit a stabil. Szóval az lenne a kérdésem, hogy nem tud e valaki valami jó módszert elfordulás érzékelésre, trimmer méretekben gondolkodva.... Vagy esetleg nem tud e valaki ipari trimmert, hallottam valami ilyesmit hogy létezik ipari trimmer amin a szénpor egy nagyon ellenálló rétegbe van felhordva. Előre is köszönöm a válaszokat!
Egy inkrementális szögadó lesz a te barátod, nem olcsó dolog de az Ipari(CERMET) poti sem egy pár forintos dolog.
Köszönöm! Elég jó ötletnek tűnik... Amit az inkrementális szögadóról találtam az ezek szerint nem statikus hanem kell neki egy start pont, vagy nem? Hol lehet ilyet kapni? És kb mennyibe kerül? Van valami pontosabb neve amit esetleg több találatot ad a google...vagy esetleg egy tipussám, datasheet.....
Szívesen máskor is!
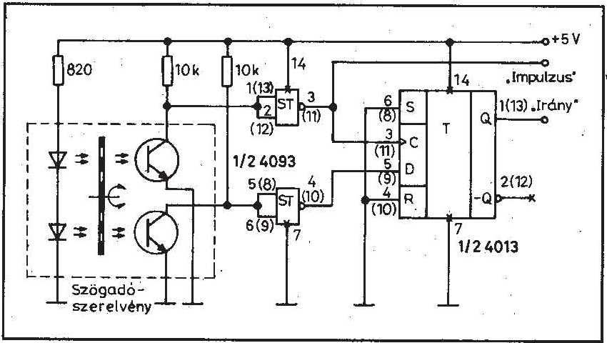
Ennek az eszköznek kezdeti állapota nincs. Amkor bekapcsolod a feldolgozó elekrtonikát akkor beállítod 0°-ra a motort. és onnantól már csak a program dolga(gondolom mikrovezérlő vagy valami ilyesmi) meghatározni azt hogy éppen hol tart az impulzus szám alapján. innentől csak azt kell tudni hogy mekkora az a szög aminél 1 impulzust ad. Ha nem megfelelő akkor egy kis fogaskerekes áttétellel meg lehet oldani hogy többet forogjon a szögadó tengelye.
Az Hobby Elektronika 2003. évi 1 számában írnak egy inkrementális szögadó készítéséről egérből.
Ha valakinek sikerül hasznosítható formára hozni kérem jelezze! |
Bejelentkezés
Hirdetés |






