Fórum témák
» Több friss téma |
Fórum » Telefonhálózat, telefon vonal nélkül
Témaindító: kemenygolya, idő: Ápr 15, 2010
Témakörök:
Sziasztok
Azon gondolkodom, hogy meg lehet e csinálni a következőt... Létrehozni egy "telefonos hálózatot", de úgy hogy telefon vonalat ne használjak. Ugyanakkor a telefonokat ha egymás között használom, akkor rendesen kicsöngjön. Mivel lehetne ezt megoldani? Vagy egyáltalán lehetséges ez? az viszont fontos lenne hogy PC-vel össze tudjam kötni, és vezetéken kommunikáljon
Vegyél egy analóg 1/4 alközpontot.
Vagy csinálhatsz is, de akkor tudnod kellene a jelzéseket, táplálást
Erre valók az ún. alközpontok.
Biztosan találsz a neten egy csomót, ami 4-8 stb telefonkészüléket tud kezelni. A pc-re csatlakozás miértje nem világos számomra.....
Lehetséges,miért ne lenne.Építesz otthonra egy telefonközpontot magadnak.A telefon táplálásához szükséges egy áramgenerátor( kb 20-30mA üresjárási kapocsfeszültség 40V) valamint csengető feszültség (kb 50V 25 Hz) A telefon beemelésének érzékelésére egy áram figyelőáramkör .Ez kell minden telefonhoz.
Ez után kell egy DTMF jelzéseket vevő áramkör (amit a számítógép ki tud értékelni, valamint egy csomó analóg kapcsoló,vagy jelfogó amit a számítógéppel/mikrovezérlővel vezérelhetővé teszel.(ezekkel tudod az összeköttetéseket létrehozni.)
Egy csomó voip gateway tud kezelni hagyományos analóg telefonokat is, mellette akár ip-telefont is, számítógéppel is összeköthető és ha pl neophone-nál vagy akárhol regisztrálsz kapsz egy viszahívható 06-21-xxxxxx számot is. Egymás között mindenkinek minden ingyen.
nagyon köszönöm a segítséget, meglátjuk mire megyek vele
![]() 1-2 kérdésem lenne azért Az IP telefon működését el tudnátok mondani? illetve egy IP-s telefon egy vonal nélküli belső hálózattal össze lehet kötni?
A működéséről itt: http://hu.wikipedia.org/wiki/Voice_over_IP
Hagyományos telefonokkal is össze lehet kötni megfelelő eszközökkel, attól függ milyen hálózatra gondolsz, legegyszerűbb az lenne ha a voip gateway venné át az alközpont helyét(gondolom az van most a vonal nélküli hálózaton).
Regisztráltam egy telefon számért a Neophone-nál az elképzelés a következő.
PC-n keresztüli kommunikálás hívásirányítás,hívásfogadás akár ip-s telefonközponttal Az a baj, hogy az IP-s telefonközpontok drágák sajna
Pedig nem tudod olcsón megúszni. Készíteni lehet PC-ből és lan kártyából meg van egy két free IP szoftver de akkor is kell analóg PCI-s kártya amik megint csak drágák.
hát, pedig ez tűnik a legjobb megoldásnak
ha na most van egy kis időm, és úgy döntöttem hogy a bonyolultabb részével foglalkozom a dolognak.
Hogyan lehetne akkor IP-s telefont létrehozni? vagy mi kellene hozzá?
Sziasztok!
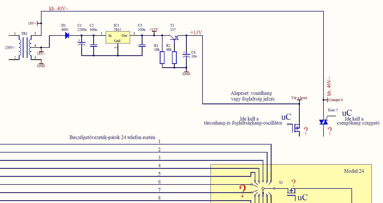
Unatkoztam és elkezdtem gondolkodni. Volt az RT 88/3 -ban egy házi telefonközpont, ami már majdnem jó. De ismertek, hogy nekem semmi nem jó. Az alap koncepci jó, de csak egy részét használnám, a többit egy mikrovezérlőre bízom. Igen ám, de mint tudjátok, én egy wc-s néni vagyok, ezért nincsenek olyan mélyenszántó gondolataim e témában (sem). Firkáltam egy vázlatot, hogy lássátok bűnös gondolataim. A kérdéses résznél kérdőjelek vannak (nem találtátok volna ki). A kérdés, hogy mivel kapcsolgassam a csengetőfeszültséget, a hangos cillátorokat és végül a beszélgetéseket. Valójában kapcsolásirajz segítséget kérnék, mert nem akarnék annyi relét. A sárga téglalapban lévő rész, az egy modulkártya lenne amit bedugnék egy alaplapba, ami összefogná a sínezést. A pdf-ben az egész van benne.
Szia!
Köszi. Mi nem jó? A rajz csak elvi, a H1 és D1-eket ne nézd, a kapcsolóeszközöket kamuból raktam oda. A hozzászólás módosítva: Aug 24, 2019
Szia!
Annó mi így csináltuk. 24V táplálás, minden kártyán saját processzor. A készülék táplálása "viszonylag" korrekt (akkor még nem lehetett SLIC (Subscriber Line Interface Circuit) IC-t (sem) kapni). Rövid leírás: - 11-12 (HANGUT) a busz, ahol a beszéd megy. Egyszerre csak 1 hívás mehet. - 14-15, ide jön a telefon. - A processzor és így minden logika 5V-ról jár. - R5, ezzel lehet felkapcsolni az adott telefon beszéd jelét a buszra. R26, itt lehet jeleket beadni a készülék felé (tárcsahang, csengetési visszhang, stb...). Ezt is a processzor állítja elő. - R1, csengető jel. Itt a megfelelő ütemezésű 25 Hz-et a processzor generálja. - T5, ha a készülék be van emelve, akkor "0+, egyébként +5 V. Üdv, G.
Szia Gafly-bácsi!
Köszönöm. Én szeretném, ha 12 telefon egyszerre tudna beszélni. Az RT-snek is az a baja, hogy csak egy lehet a vonalon, plusz aki még felveszi, beszállhat harmadiknak. Ha van 12 különálló hangutam, akkor elvileg megoldható 24 telefon egyidejűsége, csak nem kell, hogy rajtalegyenek a telefonok alapból és akkor lehet váltogatni, hogy csengetem vagy foglalthangot adok a buszra. Persze én mindent ilyen egyszerűen képzelek el. Csak a kapcsolóeszközt kéne megoldani, némi rajzzal. A relét megpróbálom kizárni a dologból. Esetleg a teljes rajzot, ha nem titok felrakhatnád, vagy elküldhetnéd suttyomban. A hozzászólás módosítva: Aug 24, 2019
Azaz akár 12 független beszélgetés is lehetséges párhuzamosan?
Hú, ez teljesen más tészta. ![]() Amit feltettem, ott minden telefon felé lehet külön jelzőhangot küldeni (tárcsahang, foglaltsági hang, stb..). Beszéd csak egy folyhat, amiben akár az összes részt vehet (persze egyre halkabban). Telefonközpontot azt inkább vettünk. ![]() Ez például egészen jó. A hozzászólás módosítva: Aug 24, 2019
A trafó mindhárom szekunder kivezetése GND-re megy, a 7815 GND lába lóg a levegőben, a kimenete viszont GND-re megy ! Első pillantásra ezen hibákat találtam, így be sem tudnád kapcsolni ! A szakmai tudásodhoz képest aránytalanul nagy projektbe kezdtél.
Igen, sajnos lemaradt a GND jelzés a 7815-nél, de az ott lesz. A trafónál csak egy GND-t látok, a másik kettő 18V~. Így volt megcsinálva az RT-s cikkben is, ha ott működött, gondoltam nekem is fog. Ez csak egy elvi firkálmány. Nekem nincs szakmai tudásom, azért kérdezek. Köszönöm az észrevételeket, GND-t pótoltam.
Forgolódtam rajta éjszaka.
![]() Gondolom venni nem akarsz olcsón használtat. Ez elég "húzós" igény: Idézet: „Én szeretném, ha 12 telefon egyszerre tudna beszélni.” Ez is eléggé megnehezíti a dolgot: Idézet: „A relét megpróbálom kizárni a dologból.” Nem olyan régen, még 1...3 relé volt előfizetőnként (azaz telefononként). - Elsőként, ahol a vonalat a mérő áramkörre (SULTC -> Subscriber Line Test Circuit) lehetett átkapcsolni. - Másodjára amivel a csengető feszültséget (25 Hz, 75 Veff) lehetett a vonalra kapcsolni. - Harmadjára amivel a beszédjelet rá lehetett kapcsolni a további részekre (codec, kapcsoló mező, stb.). Valamint egy transzformátor is. ![]() Tulajdonképpen az első bizonyos szempontból "luxus", a másik kettőt meg ki lehet váltani egy SLIC IC-vel. Ha nem akarsz építeni, akkor szerzel pár uraságtól leselejtezett kábelmodem-et (tutira LINUX van rajta), és meghekkeled. Vagy ha mindenképpen építeni akarsz, akkor keresel ma kapható SLIC IC-t, igény szerint: - Analóg, ekkor a kapcsolást akár egy CMOS analóg kapcsoló is végezheti. - Digitális, akkor ehhez meg van "időrés cserélgető/digitális" kapcsolómező IC.
Ha van 6 független beszélővezetékem, akkor szerintem igen, csak valamivel rá kell kapcsolódjak.
Ezt akartam szemléltetni a forgókapcsolóval, amit ki kéne váltani valami tranzisztormezővel. Telefonközpontot a hülye is tud venni, hisz én is vettem vagy ötöt. De minek venni, mikor meg is lehet csinálni. Amúgy nincs rá szükségem, csak egy érdekesség, az eredeti cikk továbbgondolása. Az ötlet jó, hogy minden kártyán van egy uC, köszi. A uc feldolgozza az tárcsaimpulzusokat, i2c-n az megfelelő kártyát megszólítja. Az hívott kártya rákapcsolja az saját triac-ját az csengőfeszültségre, kagylóemeléskor rácsatlakozik az megfelelő beszélgetősínre. És örvendezének vala..
Lehet, hogy nem voltam pontos, de nem akarnék, csak házi telefonközpontot, mondjuk egy háromszintes házba. Az, hogy 12 vagy 6, mindegy. A cikket valamelyik telefonos topikban is láttam, de nem találom, így nem tudtam belinkelni. Tárcsás telefonhoz csinálnám, van pár 811-esem, azok olyan szépek.
Akkor elegáns megoldás egy alaplap/busz kártya. Ezen lenne a táp és csengetés, valamint az egyszerűség kedvéért egy szinuszos -10 dB/425 Hz-es hang. Nevezhetjük hang és csengető egységnek is, a BHG-s elődje alapján. Valamint a processzorok közötti kommunikációra egy I2C busz.
Telefononként külön kártya, saját processzorral.Minden kártyán 4-es DIL kapcsolóval belítható a saját telefonszám. Van rajta egy CD4051, ami a megfelelő beszéd buszra kapcsolja az adott telefont, vagy rákapcsolja a jelzőhangot. No és egy trafó, a biztonság kedvéért, és vagy egy jelfogó, hogy a csengetés és egyéb nem kívánt nagy feszültségek ne nyírják ki a CD4051-et... Nekem egy jobban tetszik. ![]() Kihívásnak tűnhet az elosztott processzoros vezérlés, de maga az állapotgép nagyon egyszerűen le/meg írható. Tanfolyamon 1 nap, nulláról kezdve. A hozzászólás módosítva: Aug 25, 2019
Igen, mint rajzoltam, látszik, hogy ebben gondolkodom. A dip-kapcsolóra én is gondoltam.
Az elképzelésem az, hogy a telefon egyik pontja GND-n van, a másik pontokat kapcsolgatom valamivel a beszélősínre. Ez nem akkora feladat, de megoldom majd. Köszi mindenki válaszát.
Így jobban belegondolkodva, kezd összeállni a kép. Nincs minden pontosítva, ez csak egy elvi rajz.
Aztán hogy illik-e a fet-ekre rányitni triac-al a váltóáramot, nem tudom. De egy wc-s-nénitől ennyi tellik. A lényeg, hogy a mikrovezérlő nyitná rá a saját készülékére a különböző hangokat, jelzéseket. Nem tudom, hogy a cd4051-en átlehet-e vezetni a beszélgetővonal 13V -ját, ezért gondolkodom valami tranzisztorban.
Igen, ám, de kérdezhetnétek (ki is nézem belőletek), hogy, hogyan fog beszélni egymással a baloldali 1-8-ig telefon (vagy a jobboldali 9-16). Arra gondoltam, hogy, ha a baloldal akar beszélni egymással, akkor lekapcsolom a beszélőmadzagról a jobboldali készülék egyikét (alapból nincs is rajta egyik sem), azt kinevezem dedikált hurok-visszacsatolónak (a másik oldalon is lenne egy ilyen). Így a jobboldali fet-mezővel kapcsolnám össze őket (és fordítva).
A hozzászólás módosítva: Aug 25, 2019
Ha a te rajzodon külön egységként megoldottad a hang és csengetőegységet, azt megoszthatnád.
Igazatok van, ez nem jó megoldás, mert akkor a visszahurkolót nem lehet hívni. Kell egy különálló kártya erre.
De megtaláltam a cikket. Mindjárt kettőt is. Itt legalább jó helyen lesznek, ha közben le nem csesznek.
A hozzászólás módosítva: Aug 25, 2019
|
Bejelentkezés
Hirdetés |



















