Fórum témák
» Több friss téma |
Fórum » Philips TA 22AH793 receiver javítása
Témaindító: dollerakos, idő: Máj 16, 2020
Témakörök:
Tisztelt Olvasó!
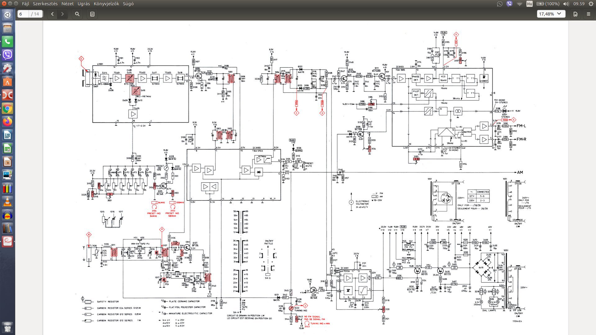
A téma címben említett készüléket szerettem volna megjavítani, de csúfos vereséget szenvedtem... Pedig már azért javítottam bonyolultabb cuccokat is. Ennek a készüléknek egy kisebb hibája keletkezett negyven x év után: a sztereó adókat nem hajlandó sztereóban közvetíteni, amit a megkísérelt javítás során fejhallgatóval folyamatosan ellenőriztem. Más egyéb dolog minden OK, az érzékenysége, a szelektivitása továbbra is hibátlan és jó erős antennajel áll rendelkezésre. Megvan a komplett service manual, amiből a 8 MB-on túli terjedelme miatt ide csak a rádió részt másoltam ki egy jpg-fájlba, amelyen látszik, hogy a demodulátor IC egy TDA1005-ös, amelyet szintén ide mellékeltem. Egy meglepetés már hamar ért is, amikor ránéztem a kapcsolási rajzra. A demodulátor IC 14-es lábára menő tranzisztoros áramkört egyszerűen kihagyták, nem építették fel a panelen, ami, ha jól látom, a térerősségjelző részére szolgáltatott egyenfesszel arányos áramot továbbítaná, de amint ránéztem a TDA1005 rajzára, láttam, nem is szükséges (meg amúgy is, 40 x évvel ezelőttig enélkül is hibátlanul üzemelt), ugyanis az csak egy sztereó-monó váltás, 0,65 V felett vált monóba, így, ha a 14-es lábat egyszerűen szabadon hagyták, mindenképp engedélyezve van a sztereó. A TDA1005 IC adatlapját kicsit tanulmányozva, utána mértem a DC feszültségeknek a lábakon. Minden stimmelt. Mit tesz ilyenkor az egyszeri szerelő? - Kicsit megpiszkálja az IC közelében lévő beállító potmétereket... Kezdtem a 7-es lábbal, a 76 kHz-es, a segédvivő kétszeresét előállító oszci beállításával. - Semmi hatás, így vissza is állítottam a rajta mért egyenfesznek megfelelő állapotba. Majd ugyanezt eljátszottam a 10-es és a 13-as lábak közelében található potméterekkel is. Ugyanaz: semmi hatás. Ezek után elkezdtem cserélgetni az IC környezetében lévő elkókat, természetesen ugyanolyan értékűekre, csak újabbakra. Az összeset kicseréltem. Majd ismét megtekertem a feljebb említett 3 beállító potit is. Semmi hatás. Ezután nagy lépésre szántam el magam. Mivel volt még 2 db TDA1005-ös IC-m, ezért az eredetit ügyesen, mindent roncsolás mentesen kiforrasztottam és betettem egy 16 lábú IC-foglalatot. Abba tettem bele az új IC-t, sőt mindkettőt belepróbáltam. Ennek se volt semmi új hatása. Ismét megtekertem a feljebb említett 3 beállító potit. Nulla hatás... Elkeseredésemben már elkezdtem kicserélni a 76 kHz VCO közelében lévő szűrő kapacokat a 7-es lábnál, de az se segített. Utána a 11-es láb (MUX bemenet) előtti összes elkót is kicseréltem a korábbi fokozatokban is. Szintén nulla hatás. Az előző fokozatok DC munkapontjai mind OK. Majd ismét a 9-es lábon lévő elkókat is kicseréltem (ezt valami kompenzáló körnek nézem). Úgyszintén semmi... Ezek után abszolút totál tanácstalan lettem... Már kezdenek olyan kényszerképzeteim lenni, hogy a sztereó adás 38 kHz-en kódolt két csatorna különbségi jele el se jut az IC 11-es lábáig? (Mármint hogy a 10,7 MHz KF-be kódolt módon.) Ha ez a helyzet, akkor ez hogy lehet??? Hova nyúljak még? Mit cseréljek, merre kutakodjak? Vagy valahol valami gerjed és kiüti a 76 kHz VCO-jelet??? Minden segítséget és építő hozzászólást köszönök! A hozzászólás módosítva: Máj 16, 2020
Szia! Rezeg a VCO oszcillátora?
Idézet: „Minden segítséget és építő hozzászólást köszönök! ” Miért kellett ehhez külön topic-ot nyitnod?
Ma is nekiveselkedtem és jelentem: sikerült megjavítani. Több tanulsága is van. Elsőként az, hogy a régi trimmereket meg kell fújkodni Kontakt spray-vel. Azután, az IC adatlapját tanulmányozva a VCO freki beállító tagjait az adatlapnak megfelelően át kellett konstruálnom, hogy csak a test felé legyenek, ami azt jelenti, hogy a tápfesz felé néző ellenállást (3195 poz. sz. 18 kohm) kivettem. Igazából nem értem, miért tették bele, de 45 évig mégis így működött... Csináltam ellenpróbát is: visszatettem a 18 kohmot, de úgy a sztereó egyáltalán nem volt hajlandó működni, akárhova állítottam a trimmereket, így hagytam a fenébe, kivettem és az IC gyári kapcsolását valósítottam, meg. Ezek után azért még nem lett tökéletes, ami azt jelenti, hogy ki-be és ide-oda kapcsolgatáskor nem mindig működött a sztereó. Ezért nekiláttam a KF erősítő kört némileg kicsit pontosabban beállítani: az 5104 és 5105-ös elemeket kellett utána állítani. Ezek után mindig stabil és jó lett.
Sorry, lehet nem néztem jól körül.. Ha moderátor vagy, tedd be nyugodtan az egészet valami javítós vagy hasonló topicba.
Nem, nem vagyok moderátor (és ha rajtam múlik, akkor ez igy is marad).
De szólok a dolog érdekében. |
Bejelentkezés
Hirdetés |






