Fórum témák
» Több friss téma |
És mégegy kérdés
Nem baj, ha a trafót a dobozba építem be? Az elektronikát elhelyezem a dobozon kívül, de a trafót a mérete miatt a dobozban kell(ene) elhelyeznem. A trafó kb 1L lehet, a doboz meg kb. 25L. Nem zavarná a trafó mágneses tere a hangszórót? Kb. 4-5cm-re lennének egymástól, viszont a hangszóró és a trafó tekercseinek normálisai derékszöget zárnak be egymással. Üdv.
Szerintem nem, bár hangfalépítésben nem én vagyok az illetékes...
Szerinted, pl. egy aktív szubláda trafója hol helyezkedik el? Természetesen belül. (az erőlködő is)
Nem azt mondtam, hogy ne legyen az erősítő, vagy a trafó a dobozban... :no:
Ne legyenek egy légtérben. Legyen elválasztva légmentesen a két kamra, és hagyj szellőzést az erősítős résznek! Üdv Inhouse
Hello mindenkinek.Na nekem van egy 5.1 esem csak az a baj vele hogy a hangfalak nem a melynyomoba mennek hanem a dvd be .En azt szeretnem megoldani hogy tudjam pcre rakotni az 5.1 et.Otleteket varok.
Megfogod, ami a DVD-ből - asszem OUT vagy L OUT stbstbstb felirattal van csati ellátva, azt a kábelt megfogod és RCA & Jack átalaktóval rákötöd a gépedre.
Hello
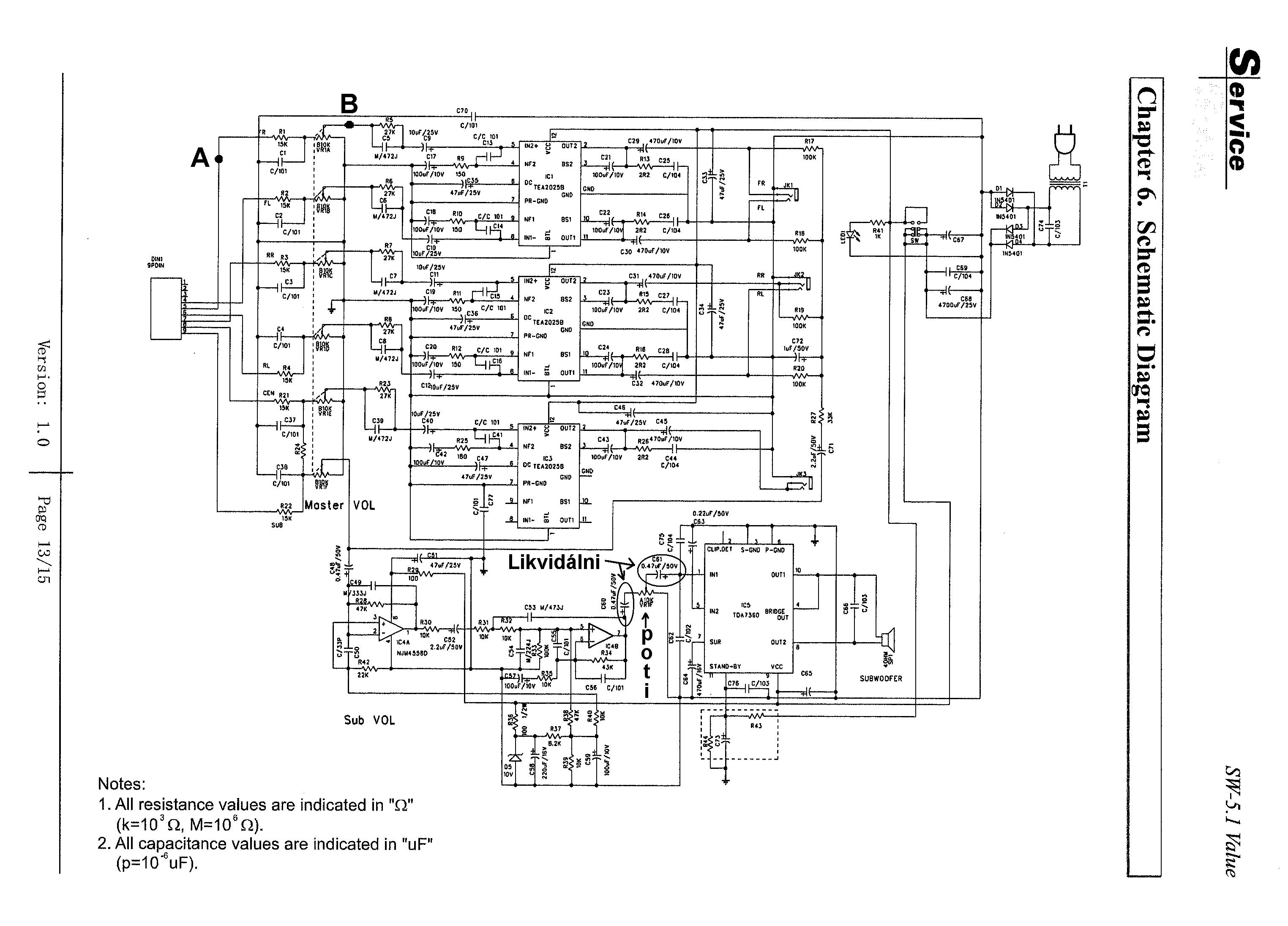
Kicsit megkésve, de már majdnem kész vagyok az új mélynyomóval. Szóval akkor a régi kicsi mélynyomóból szeretném átrakni ebbe az újba az elektronikáját, mert a kicsi mélynyomóban van a center, front, rear hangszórók erősítője is. Sikerült szereznem kapcsolási rajzot a kicsi mélynyomó elektronikájáról. Több kérdésem is lenne a megvalósítással kapcsolatban: 1. Az áramkörből kiszedném a TDA7360 IC-t, és az 1-es és a 3-as lábának a helyéről venném le a jelet az új erősítőnek. A képen bekarikáztam 2 kondit, szerintem azokat ki kellene kötni, mert az új, nagy mélynyomó TDA7293 -al felépített erősítőjének a bemenetén van egy párszáz nanos kondi. Jó lenne így? Illetve látok itt a rajzon az 1-es lábnál még két kondit (C62, C75), nem tudom, azokkal mi legyen? 2. A kis mélynyomón 2 poti volt, az egyikkel a master hangerőt lehetett állítani, a másikkal meg csak a mélynyomóét. Bejelöltem a rajzon azt a potit, ami szerintem a mélynyomó külön saját hangerőszabályzója. Érdekes, mert A jelű a poti. Valószínűleg azt is cserélnem kell, mert nem tudom átszerelni az új helyre. De akkor használhatok B jelűt, és kb 22k - 44k ohm-osat helyette? 3. Továbbá szeretnék még potikat bekötni az áramkörbe, hogy tudjam állítani külön a center, front és rear hangszórók hangerejét is. Szerinted a rajzon bejelölt A vagy B pontba lenne érdemes bekötni egy potit feszosztó-hangerőszabályzóként? Vagy mindegy? Aztán ahogy jó lesz, majd a többi helyre is megy poti. A baloldalt lévő csatlakozó a dvd-lejátszóból hozza az 5.1 -es jelet. Kicsit hosszúra sikeredett Üdv.
Hali!
3. A "B" pontba kösd. 2. Én a gyári potit használnám...biztos megoldható az átszerelése,bár látni kellene róla pár képet...mármint a beépítés helyéről... 1. A C60-at hagyd meg, ezután jön lehetőleg a gyári poti, majd annak a lábáról tovább a jel az új SUB-ra. Az eredeti végfokot kiveszed a helyéről, vagy csak a tápot kötöd le róla?
Sziasztok tod nekem valaki segíteni egy jamo design sw 5500-a mélyládárol van szó ki csapja a belső két biztit két végfok van benne c 5198 a 1941 lehet helyettesíteni?Vagy valami megoldás?
Üdv. Miért akarod helyettesíteni? Van eredeti a HQ-nál. Toshibát kérj. Öreg
Hello
Bővebben: Link A linken látható az új erősítő, a képen látható bekeretezések nem érdekesek, csak nem akartam újra feltölteni a rajzot. Viszont ezen a rajzon a bemeneten is van kondi (C1), akkor ez ugye maradhat és akkor az előző rajzon meg csak a C60-at hagyjam meg; a C61-et, C62-őt és a C75-öt likvidáljam? A dolog úgy fog kinézni, hogy az egész nyákot átrakom az új mélynyomóba, csak kiveszem belőle a TDA7360-t, és leveszem a jelet a nyákról az új mélynyomó erősítőjének. így ha elkészül, akkor az új hangfal belsejében lesz az új mélynyomó, az erősítője, meg a center, front, rear hangszórók erősítője is. Kössz a segítséget Üdv.
OK. Rendben. Még egyszer köszi a segítséget. Majd később akkor megírom, hogy milyen lett.
Üdv.
Hello
Elkészült a mélynyomó, nagyon pöpec lett. Mégegyszer köszi szépen a segítséget Észrevettem, hogy kikapcsoláskor pattanik/koppan a center és mélynyomó hangszóró. Lehet ez ellen tenni valamit. A mélynyomónál van koppanásgátló, de az csak bekapcsoláskor védi a hangszórót a koppanástól. Üdv.
Koppanás, meg mizéria ellen tehetsz, nem is keveset...
Van itt egy topic... a koppantatós, na abba olvass bele mélyen. Éppúgy lehet használlni a center esetében is, ugyebár mondjuk a táp...ámbár a ládáról megoldható szerintem az is.
Bocs, de ez kikívánkozik és a "monitoron végzi".
Szerintem az 1200W az olyasmi lenne, hogy kijönne a szádon a fülzsír. De... nincs igazam?
Sziasztok abban szeretnék segítséget kérni hogy adott egy 4-es Golf és a csomagtartójába szeretnék egy kicsi ám elég jól szóló mély ládát. Nem tudom hogy a 2X 20W vagy 40W mennyire lehet kicsi egy autóba mélynek
és hát erősítőt is magam szeretném hozzá építeni. Segítségeteket előre is köszönöm szépen.
Hello, az a helyzet, hogy minél kevesebb anyagból szeretnék kihozni minél többet. Nem igazán vagyok megelégedve a mélyládám teljesítményével, jelenleg 2 mélyláda zuhog, eredeti zárt dobozban, de úgy tudom, hogy a tölcsér jobban adja a mélyet. A kérdésem: érdemes 2 db 25cm átmérőjű, darabonként 80 wattos hangszórónak egy tölcsért építeni (tehát a 2 hangszóró egy tölcsérben lenne)? Vagy 40cm alatt nem érdemes tölcsérrel foglalkozni? Ja, és a hangszóróról ezek az adatok vannak, amiket leírtam, azt se tudom milyen márka, így ki sem tudom deríteni a többi adatot.
Köszi előre is a válaszokat, P.
Sziasztok!Kezdő vagyok szeretnék kérdezni itt látom a harmadik oldalon a TDA 7360 kapcsi rajzát és elég ennyi ha egy nyákra rá tervezem ezt a pár kondit és kész erőlködő lesz ezt nehezen tudom elhinni.
kérlek válaszolj. üdv aramis A hozzászólás módosítva: Feb 25, 2014
|
Bejelentkezés
Hirdetés |





és hát erősítőt is magam szeretném hozzá építeni. Segítségeteket előre is köszönöm szépen.





