Fórum témák
» Több friss téma |
Fórum » Napelem alkalmazása a lakás energia ellátásában
Témaindító: Router, idő: Júl 15, 2006
Témakörök:
Van egy olyan érzésem, hogy aki erre a tudja a választ, az már eladta a tudását egy megfelelő vállalatnak. Mellesleg nem hinném, hogy értékelné a szolgáltató a házibarkács inverterek hálózatra engedését. Ezt felejtsd el.
Nem véletlen drágák azok az inverterek. A kimeneti 230 V frekvenciáját szinkronban kell tartani a hálózattal és egyéb biztonsági előírásokank is meg kell felelnie. Pl. áramszünet esetén ne dolgozzon a hálózatra, nehogy az azon dolgozókat megrázó élményben részesítse.
Üdv.
A véleményem szerint a legbiztonságosabb megoldás ha a kismegszakítóknál elválasztasz egy áramkört és oda táplálod be az invertered, arra a körre pedig állandó fogyasztókat teszel.
Nem nagyon jártad körbe a kérdést ahogy látom. Házilag ilyet eleve nem építhetsz mert tilos, az eszköznek adott szabványoknak kell megfelelnie, bevizsgáltnak kell lennie.
Emellett értelme sem sok van, ugyanis semmit nem spórolnál vele. Rendes kiépítésű rendszer esetén az órád méri a meg(vissza)táplált energiát is, a hagyományos órád viszont nem fogja, azaz amikor az invertered feszültsége magasabb a hálózatinál (működik tehát spórolnál) olyankor az energiád bemegy a hálózatba de mérve nem lesz, tehát ajándékba adod másoknak. Igazán spórolni ezzel egyféleképpen tudnál, ha tennél a mért oldalra egy logikával ellátott mágneskapcsolót ami lekapcsolná a hálózatot olyankor amikor működik az inverter. Egyébként egy átlag házban vagy lakásban hacsak nem végzel ipari tevékenységet vagy nem villannyal fűtesz, akkor a számla bőven 4 számjegyű, vállalható. Ami jóval nagyobb az a fűtési költség, spórolni inkább ott lenne értelme.
Szia!
Bár elhangzott, de a nem garantálható fázis szinkron üzem miatt csak mint alternatív áramforrás használható. Néhány készülék pedig érzékeny lehet az átkapcsolásra, ezért csak olyan gépek táplálására érdemes használni, amelyek jól tűrik ezt. Legkönnyebben meleg víz előállítása a legcélravezetőbb, az nem kényes arra ha átkapcsoláskor van egy rövid áramkimaradás. Idézet: „Igazán spórolni ezzel egyféleképpen tudnál, ha tennél a mért oldalra egy logikával ellátott mágneskapcsolót ami lekapcsolná a hálózatot olyankor amikor működik az inverter.” Nálunk egy hónapot ment úgy a kész rendes napelemes rendszer, hogy ajándékba adtam másoknak. Az még mindig jobb mint a mágneskapcsoló. A betáplált energia nekem már nem kerül "semmibe", viszont a termelése alatt a rendes mérő nem forog annyit. Tehát ha 500W-ot termel, és én 1000W ot fogyasztok, az óra 500W-ot fog mérni. A te esetedben viszont vagy az 500 is megy a levesbe, vagy kompromisszumot kell kötni, mi ne működjön. Persze jelen felállásban igazad van, a két hálózat keveredése nem megengedett. Amúgy az elgondolásban az a hiba, az inverter a hálózati feszültség megszüntére/kilengésére nem szabályoz/tilt le, akkor akár a szerelőt is lehívhatja az oszlop tetejéről. Ami azért nem játék.A 12/230 invertereknél ez nem divat. A hálózati szinkronnal is lennének bajok. az hogy mindkettő 50Hz, azt nem jelenti, hogy folyamatosan szinkronba is vannak. Ha meg nem, akkor jöhet a nagy bumm.
Az órám oda vissza mér egyébként, amivel gond nem is lenne.
Bakman a lecsatolás megoldható, ha nincs hálózati feszültség, akkor átkapcsolható mondjuk szigetmódba. (Csak részlet kérdése de ez megoldható). karaj01 "a kismegszakítóknál elválasztasz egy áramkört és oda táplálod be az invertered, arra a körre pedig állandó fogyasztókat teszel". Igen ez célszerű, ilyesmi megoldást keresek, de azt egy kisebb rendszer nem fogja tudni megoldani, hogy ezt a sok fogyasztót ellássa. Ge Lee körbejártam amennyire tudtam a kérdést. Valaki más is megtervezte már, megépítette. Az szintén részlet kérdése hogy bevizsgáltatjuk és engedélyeztetjük. Nem adnám másnak az áramot mert amíg nekem fogyasztó van a házba, és az óra elé van kötve az inverter addig nekem táplál. A mérőórám egyébként 2 irányba mér. .Itt nem az a cél hogy ingyen legyen az áram, hanem hogy csökkentve legyen a hálózati fogyasztás. "Megújuló energiaforrás felhasználásáról beszélünk.". Én azt vettem észre, sajnos az a probléma hogy a magyaroknál ez a fajta "PV" rendszer nem annyira elfogadott bár nem értem hogy miért. Oké az áramszolgáltató nem jár jól mert nem az ő áramukat fogyasztom, ez egyértelmű. Egyébként lehet kapni komplett ilyen készüléket, elég húsos ára van. Bár Németországból rendelve sokkal elfogadhatóbb lenne. Nekem a problémám az hogy az általam talált kompletten vásárolható rendszernek csak ezen modulja külön nem elérhető a piacon. proba: szintén ott tartunk hogy ha az áram elmegy mert épp kezdik szerelni vagy bármi, akkor a rendszert át lehet kapcsolni szigetüzembe. Köszönöm a válaszokat. A Megoldásra lennék kíváncsi. 1-2 MPPT töltés vezérlő is képes erre bár ott már szintén 350 mátyásról beszélünk és egy bojler nagyságú dobozról. A Többiek megoldották egy 15x15cmx5cm-es dobozban ezt az egész dolgot. Találtam is pár megoldást erre a feladatra, de inkább arra lennék kíváncsi milyen ötletek jönnek, hátha közösen össze tudnánk dobni valami működő precíz dolgot, ami nem golfpálya méretű. Most tegyük félre azt hogy mit szabad mit nem. És azt is hogy az oszlop tetején lévő szerelőt megcsiklandozza. A hozzászólás módosítva: Ápr 5, 2021
Idézet: „Találtam is pár megoldást erre a feladatra, de inkább arra lennék kíváncsi milyen ötletek jönnek, hátha közösen össze tudnánk dobni valami működő precíz dolgot, ami nem golfpálya méretű. Most tegyük félre azt hogy mit szabad mit nem. És azt is hogy az oszlop tetején lévő szerelőt megcsiklandozza. ” Ha jól értem, az a feladat, hogy gyorsan, olcsón, precízen működő, kis méretű dolgot kellene csinálni. Nem sok ez egyszerre? A műhelyekben is a "gyorsan, olcsón, jól" közül csak kettőt lehet választani. Szerintem fogalmad sincs az ilyesmi tervezésekről. Precíz dolgot nem lehet "összedobni", az hosszú fáradságos munkával jár, időnként tévutakkal. Mellesleg nem tudnám félretenni, hogy miattam halna meg valaki, és esetleg börtönbe kellene vonulnom, hogy neked olcsóbban legyen áramod.
Lehet hülyeség de nincs valami áramirány szabályzó ami csak 1 felé engedi az áramot?
Az óra elé nem tudod kötni mert ahhoz a részhez csak a szolgáltató nyúlhat, azaz mögé kell kötnöd, de lényegtelen. A lényeg, hogy a termeltből elhasznált csak úgy lehet, ha annak a feszültsége magasabb mint a bejövő, mert ugye ellenkező esetben nem folyik áram. Ha viszont magasabb, akkor a megtermelt nem csak a saját fogyasztóidba fog folyni, hanem mindenki máséba is aki épp a hálózaton fogyaszt. Az órád pedig nem mérhet visszafele csak akkor ha eleve olyan rendszered van kiépítve, akkor viszont nem értem miről beszélünk.
Idézet: Ahhoz képest, hogy ezeknek kellene lenniük az elsődleges szempontoknak, lazán állsz hozzá.„Most tegyük félre azt hogy mit szabad mit nem. És azt is hogy az oszlop tetején lévő szerelőt megcsiklandozza.” Idézet: Ebben az esetben csak a terveket kell elkérni és izgulni, nehogy baj legyen. „A Többiek megoldották egy 15x15cmx5cm-es dobozban ezt az egész dolgot.”
Bakman: A Fent említett 2 idézetem alapján ezt azért írom, mert mint mondtam ezek már csak részletek kérdése. Megoldható. Nyílván nem fogom rábarkácsolni az invertert egyből a hálózatra.
A Tervek elkérése egyszerűnek tűnik de nem lemásolni szeretném más termékeit, hanem egy közös/saját megoldást szeretnék kivitelezni. Gee Lee: Így van magasabb feszültség kell ez tisztasor. A Rendszerem olyan kiépítésű. Tudja is a dolgát. A Lényeg hogy én egy invertert szeretnék átalakítani, ellenkező esetben építeni, amivel ez szintúgy megoldható, és nem egy hűtőszekrény nagyságú valami. Úgy tudom a megtermelt áramom csak abban az esetben megy máshoz, ha épp többet termelek mint amennyit fogyasztok, bár ez lehet nem így van. Ez a része nem érdekes. A biztonsági funkciók kiépítése már nem nagy feladat. Inkább a hangsúly azon van hogy csinálták ezt meg ilyen kicsi dobozba. kendre256: Nem kell gyorsan, nyílván szeretném precízen megoldani, és minnél olcsóbban, mivel ezzel mindenki jól jár. Egy kisebb teljesítményű eszközről lenne szó nem egy 5-20KW-os valamiről. Nem ingyen, de kölcséghatékonyan szeretném kihozni ezt a dolgot. antikzsolt: van de az ide nem elég.
Tegyük fel, hogy tud az invertered (plusz a napelem) 1kW-ot, felette vagy leesik a feszültsége vagy belép valami teljesítmény/áram korlát vagy akármi. Ha ennyit használsz éppen akkor nincs semmi gond, de ha mondjuk éppen csak 300W-ot fogyasztasz akkor a maradék 700W-od a hálózatba folyik. Ha ezt elszámolja az órád visszafele akkor nincs gond, ha nem, akkor odaadtad ajándékba.
A biztonsági funkciók a nagyobb falat, szinkronizáció, feszültségszintek, túlfeszültségvédelem, lekapcsolás.
Legalább 5-7KWh megy el naponta.
Az órám számol vissza fele. De ezt nem csak saját célra szeretném elkészíteni, hanem mindenki számára, hogy más is hasznát vegye. Tehát úgy kell megtervezni, hogy az mindenkinek jó legyen. (Egyértelmű a biztonsági előírásoknak megfelelően.) A hozzászólás módosítva: Ápr 5, 2021
Értelmetlen. Mintha azt akarnánk elmagyarázni neki, hogy nem a nyúl tojja a tojást (aktuális).
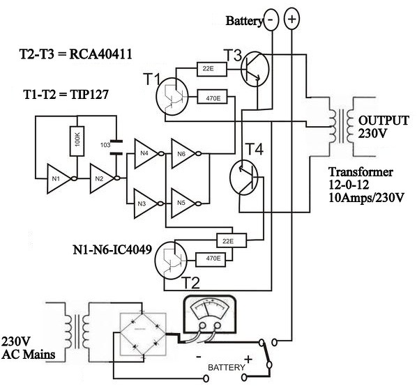
![]() Közben még azt sem tudja, mi a különbség inverter és inverter között.
Néhány kép a betápláló inverter működéséről.
A betápláló inverter nem úgy működik, mint a más célra használatos inverterek. Rádiós szakkifejezéssel az amplitúdómoduláció áll legközelebb a működéséhez. Nem kell szinkronozni, hálózat nélkül nem is képes működni. Amelyik mégis, az már egész más dolog (hibrid). De annak a rátápláló üzemmódja is ezt követi. A bejövő hálózati feszültségre ráülteti a saját "jelét". A programjában megadják, hogy a szinuszhullám melyik részén mekkora áramot engedhet meg. Ezzel akadályozzák meg, hogy a bejövő jelet torzítsa. Akármennyire torz is az, ami beérkezik. A betáplált áram további korlátjai: Mire képes éppen a napelem. Ne haladja meg az inverter képességét. A megemelt feszültség ne haladhassa meg a beállított korlátot. Ezen kívül is van még több paraméter, amit ilyen kis inverterek magukban nem tudnának módosítani, pl. a hálózat frekvenciája. De hogyha bármilyen okból eltér a tartománytól, leáll. Működéséből adódóan, bár a szolgáltató nagyobb időtartományt ad meg, de félperióduson belül reagál. Hiszen ha megszűnik a hálózat, nincs mire rátáplálni. Azonnal olyan áramokat próbálna a hálózatba nyomni, amire nem képes, így a belső áramkorlátja megállítja.
Én jelentettem a hsz-t! Teljes hiányát látom a felelős gondolkozásnak! Csak a fillérb...ó hozzáállást látom. Komoly szabványok, és törvény szabályozza a több ponton táplált hálózatok kivitelezését, és üzemeltetését. És nem akarja érteni...
Az új digitális órák számolják hogy mennyi lett visszatöltve. DE nem nézik hogy merre fojik az áram. Azaz költségként jelenik meg a számlán.
Na akkor csak félig írtam hülyeséget. Közvetlenül az óra után felszerelve sem oldaná meg a problémát? Vagy mi a probléma vele? Teljesítmény eszköznek vagy az inverter?
Az apró nagyobb frekis szinuszjel ami az 5-ös képen látszik leginkább jól látom hogy az a pwm freki? Tehát akár a félhullámnál jóval rövidebb idő alatt is képes reagálni?
És a rádió engedély még kimaradt. A gyáriak miért nem 10x10x10 cm méretűek? Olcsóbb, több haszon...Amúgy amit nálunk felraktak, az kb akkora mint egy elosztódoboz, a hűtés nagyobb rajta 10X10X5 nél...A hozzátartozó egyéb elektromos kiegészítők talán még több helyet foglalnak.
A hozzászólás módosítva: Ápr 5, 2021
Köszönöm a válaszod, pontosan erre gondoltam amit írtál erbe. Na most a kérdés már csak az hogy lehet ezt kicsiben megoldani.
Tényleg elég fúrcsa tud lenni mikor látom hogy egy pár cm-es dobozba mindezt belerakják. És ugye ez az egész nem kis árammal dolgozik, tehát mikroelektronikával irányítani az egészet belátásom szerint nehéz De akkor is kíváncsi lennék rá hogyan oldották ezt meg. Találtam egy ilyen kapcsolási rajzot: (Ez kis helyen elférne, és talán költséghatékony lenne) De itt nem látom mind azt ami ezt az egész folyamatot produkálja. Kicsit paraszt megoldásnak tűnik, de az még mindig nem tiszta hogy itt a szinuszhullámot mi figyeli, mi kezeli? Mert ha ez a kis kapcsolás akár működhetne is, és tényleg ennyire kicsiben meg lehet csinálni, akkor kisebb módosítással akár komolyabb vezérlőt lehetne belőle kihozni.
Nem figyeltél oda arra, amit írtam. Ez az inverter nem olyan inverter. Nézd meg a valódi hálózatra tápláló inverterek működési vázlatát és egy lehetséges megvalósítást.
Abban a Grid-tie inverterben, amit idéztél, nem olyan belső van, mint a rajzokon. Jobban hasonlít ehhez a vázlathoz, csak kevesebb védelmi berendezés van benne. A hozzászólás módosítva: Ápr 5, 2021
Te egy működő autót szeretnél, ezek a kapcsolások ehhez képest egy Technik-Lego szintjén vannak. Az erbe által csatolt képen lévő inverterben nem véletlenül van annyi alkatrész. Nyilván van benne elhagyható csilivili is (wifi, bluetooth, mit tudom én...), de az alkatrészek 80-90 százalékára biztosan szükség van.
Ha törlöm a kezdő hsz-t és az indított lavinát, attól nem oldódik meg a dolog. Maximum átmegy máshova és ott kérdezget. Vagy barkácsol kérdezgetés nélkül... De ezt mi nem tudhatjuk felvállalni. Viszont, ha marad, akkor olvashatóak az intések és nehézségek, melyek az esetleges hasonló szándékú emberkét józan útra terel. Ha már őt nem tudjátok.
Tudod, ha elrejtjük a problémát, attól az még ott van. Egyenlőre marad, csak ne menjetek át személyeskedésbe.
Sziasztok! Volt szerencsém és meg tudtam venni 35 tábla 275 wattos napelemet. Eddig 8 db üzemel sorba kötve és a bojlert felfűti simán viszont a gyári hőfok szabályzója sztornó egyenfeszültségről ugyanis kikapcsoláskor még 3 centis ívet is képes húzni és meg is tartja sajnos. Már csináltam egy avr-es vezérlőt Ds18b20 - al, a vezérlés működik is jól viszont a fet nagyon melegszik. IRF740 konkrétan kidurrant, IRF840 még nem de nagyon forró. 0.5 ohmra nyit ki max a fet, az adatlapja is annyit ír. Tudtok ajánlani valami megoldást?
Mekkora feszültséget kap a Gate? Lehet, ott a probléma.
Az IRF840 adatlap szerint 8A a bojler gondolom 1800W Így nem biztos hogy tartósan oda van méretezve. Jobb fet meg aranyárban. IGBT szintén melegszik rendesen, de legalább ezt a feszültséget meg áramot bírja.
Az UPS-ekben szoktak olyat elkövetni, több, 2-3 fet párhuzamosan van kötve. Lehet számodra is megoldás lehetne.
Lehet, hogy "bunkósbot" stílusú megoldás, de ha a hőfokszabályozó egy relét kapcsolna? Reléből talán létezik olyan, ami üzemszerűen is bír ekkora egyenáramot megszakítani, és olcsóbb lehet egy erősebb fet-nél.
Ha 8A folyik a fet-en (nem tudom, csak tippelek... elvileg ennyit bír maximum), és 0.5 Ohm az ellenállása, az 32W. (10 A-nél már 50W...) Biztosan elég nagy a hűtőfelülete? |
Bejelentkezés
Hirdetés |





.
A betáplált áram további korlátjai: 












