Fórum témák
» Több friss téma |
Sziasztok!
Tudna nekem valaki segíteni hogyan tudnék LEDes fordulatszém méröt építeni 4hengeres 4ütemü autóba. Találtam a fórumon fordszám mérőt 2ütemü mocihoz (http://www.szocimotoros.hu/hu/tuningfejlesztes/8). Hasonló kivitelüt keresek 4ütemre! Ha vkinek van kapcsolása megköszönném Konkrétan régi Astrába kellene.Ha lehet ne legyen túl bonyolult, mert kezdő vagyok e téren
Szia!
Többféle létezik, ezek közül egy:
2 vagy 4 ütem közt az a különbség, hogy 1 fordulatra mennyi impulzus jön be a mérőműszeredbe.
4 ütemű esetén 2szer több tehát a 2 ütemű mérő művedben lomhábbnak kell lennie az monostabilnak. Ez csak "kalibrálás" kérdése. Van ottan 1 poti annak az értéke legyen ( P1 )220 kiloohmos. R4 értéke meg 5 kOhm. Ismert frekvenciájú négyszögjel generátotrral meghajtod a bementet. Aztán addig csavarod a potit amig az a led világit ami a bejövő jel fordulatszámának felel meg. Ennyi az egész. tehát a freki kiszámítása amit be kell küldeni pl.: 1000 RPMhez 4 ütemre . tehát 1 fordulat alatt 4 impulzus jön létre. 1000 RPM az ezer fordulat / perc 1 másodperc alatt 1000/60 fordulat tehát 16.66 fordulat/másodperc .(Hz) Ekkor 4szer több impulzus 16.66*4 => 66.66 Hz Tehát ekkora frekit kell bekergetni 1 generátorból a bemenetre. pl 6000es fordulat nál tán jobb viszony jön ki. számoljál utána... Pl.: 6000 RPMnél éppen 400Hz lesz a bemenő freki értéke. Érdemes trimmerpotiból heli trimmert rakni inkább mint az ami a nyákon van esetleg ha meg van a "pontos" beállított mérő mű akkor érdemes fix értékű ellenállással kicserélni a potit akkor el se rázódhat lásd autó mód eléggé rázós üzem .No igen poti értékét meg kell mérni az áramkörből való kiforrasztás után . Ekkor már csak az összes alkatrész hőfok függésse befolyásolja mérés pontosságát.Igaz ilyen durva lépésű műszernél ez kevésbé fontos... tájékoztató értékek. R5 C9 isbefolyásolja a kijelzést.
És szeretnéd kivillantani az utolsó ledet is?
Idézet: „És szeretnéd kivillantani az utolsó ledet is?” Fúúúú, de gonosz kérdés!!!!! Mi az hogy! Sőt! A legtutibb az volna, ha még lenne 2-3 LED a soron!
Én még esetleg arra is gondoltam, hogy beteszek még 1db LM 3914es IC-t. Igy több ledem lesz de kevesebb fordulat esik egy LED-re. Ez is megvalósítható lenne! Nem?
Köszönöm a segitségeteket! Ez lesz az elsö komolyabb áramköröm amit összerakok. Remélem müxik majd!
Egy egyszerű megoldás: Kivezérlés jelző+fordulatszámmérő adapter! Asconához már utánépítette az egyik volt osztálytársam! Egységcsomagban is megvásárolható Árlista
Hello! Épp engem is hasonló téma érdekelne, csak én digitális kijelzést szeretnék. PIC-el tervezem a megvalósítást, mégpedig úgy,hogy frekimérőt építek, és elé egy négyes osztót, ha elkészül szívesen megosztom veled a tapasztalatokat.
Én is agyaltam egy ilyen fordulatszámmérőn, szintén pic-el. Egy kör háromnegyedére tennék ledeket, úgy számoltam, kb. 55-60 darab led elférne egy normál műszer kerületének háromnegyedén.
Multiplexelve meghajtva a ledeket elég egy 28 lábú pic a dologhoz. Esetleg lehet többszínű ledet használni, és a pirosnak nem feltétlen 6000-nél kell kezdődnie.
Az a baj hogy a programozáshoz totál 0 vagyok. na meg kezdő is!
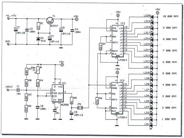
Amit én csináltam...
Nincs túlbonyolítva...
Egy kérdésem lenne:a rajzon az a rész ahol ahol a BC547-es tranyó van az egy stabilizátor???
az igen, 6-7 bemenő feszből csinál "állandó" 5v -t. sztem, ha kocsiba kell akkor tökéletes stab ic is pl: 7805
Köszi! Tényleg egyszerű, ha nem müxik amit ma raktam össze (LINK) akkor ezzel próbálkozom majd.
hi
az alábbi ellenállások ártékén nem tudok kiigazodni r9= 4,7Mohm?: r3=10Mohm? r5=1Mohm? mi az a jp jumper? , de minek?
[link=http://www.szocimotoros.hu/hu/tuningfejlesztes/8]http://www.szocimotoros.hu/hu/tuningfejlesztes/8[/link]
itt megtalálod a kérdéseidre a választ.. "A JM1 jumpernek zárva kell lennie, el is lehet hagyni egy sima átkötéssel."
én is beszállok a témába
nekem ilyen lett a műszerem félékészen 2*UAA180 van benne kaszkádba + egy kiselejtezett LADA értelemszerűen a ledek a fordulatot a fűszer meg a sebességet mutatná. csak egy normális freki/fesz kinverter kellene. jah SIMSONra csináltam csá
Szerintem
hello!
ezzel a számítással baj van! vagy Trabantnál ez nem mérv adó! ugye 3000/60 - ford/perc 50/1 ford/sec= hz de azt mondod hogy ekkor 2* impulzus, én mondom oké 555-el csináltam négyszögjelgenerátort, 100hz-re amit tudok állítani az a 4500-5000 fordulat között van.. szal ill őőőő Trabinál 2 gyújtótekercs van, 2-ő megszakítóval... szal akkor nincs 2*impulzus???
Nem lehetne ezt úgy megoldani, h. az áramfejlesztő szinuszát használja? a simsonban egy fordulat alatt 3 teljes szinuszhullám van.
én pl. ezt megépítettem, de először fordítva kötöttem be a tranyót akkor az felrobbant utána meg a vezetőpályák szartak be amikor az új tranyót tettem bele aztán egy 7805-öt forrasztottam rá csak úgy légvezetékkel de utána jöttem rá hogy minden ledet fordítva kötöttem be közben a székemen felejtettem a cuccot szóval öcsém ráült és kilapult na azóta pihen egy dobozban ![]() de nyáron meg akarom csinálni, csak lehet h. inkább a generátor jelét kellene használni, mert pontosabb, különben is a tirisztor valszeg zavarná úgyhpgy tudtok ebben segíteni, h. az alapkapcsolást hogy lehetne áttervezni? köszi
kipróbáltam! élesben..
de vmi nem jó.. 100Hzel tudtam állítani.. a jelet bekötöttem a megxakítóra + a tápot bekötöttem, de szépen fel izzik az összes led.. alapjáraton... amugy a 2,4,8 -as lább eredetileg a testen, de úgy tápot kap akkor világít az összes led, fogtam a 2, 4 és a 8 -as láb között megszakítottam tettem bele 1K -t, így müxik de nem egészen jó! (ic2 és r7nem került megépítésre..) javalat?? amugy ha a bemenőjelet a testre érintgetem akkor szépen müködik ![]() :help::rinya:
Hi!
Lehet akkor majd jobban utána nézek mivel csúsztam el ... fordulat--->>>frekvencia konverter váltásomban ... igen ezek a megszakítók meg ütemek csak zavarnak .. ... Rákéne ugrani 1 szkóppal 1 gyujtó elosztás kábelére és akkor meglesni milyen sűrű pulza jön ,... ... közbe indikálni a beépített fordulatmérő mit mutat . Rég volt már mikor csináltam ....
ha a megszakítóról szeded le a jelet akkor annak az a főtengely fordulatszámától föggően kapcsolgat.
2 megszakító van 2 üteműnél. 1ik megszakító mindig adott elfordulás helyzetben kapcsol. másik is adott elforduláshelyzetben kapcsol. 1 fordulat alatt. Tehát mindegy melyiket használod ütem adónak. Akkor 1 fordulat 1 pulza ... neeem de ?! :-S 50Hz van a falban is nem kell 555 se !!!50Hz 1 kis trafóról 6-12 Vos pl dugasztápok szekunderéről levéve pont jó referencia a 3000es fordulathoz ...
aham és mi legyen a 2 ellenállással??
6,7, 22k -val megy a 8-asra 8-ast meg húzom a föld(2, 4)re 1k val. ez így maradjon?? lehet hogy aza hengerem nem a legjobb már mint a megszakítása. hogy tudnám kipróbálni??, a megszakító a földre kapcsol nem??
Hi!
Izé nem tom már milyen rajz milyen pozicióiról beszélsz mivel volt itt már vagy 3 is emlegetve ... :-S.Elvileg igen a megszakító kalapácsa testre teszi a gyujtótrafó végét. Ekkor alaphelyzetben akku fesz van a kalapácson a trafón keresztül és lóg a levegőbe.Ennek kell lennie mert különben fogyasztaná az aksit ha nem forog a motor.Csak ha pörög akkor szaggat .... leálláskor előfordulhat hogy a kalapács zár testre de akkor a gyujtást leveszed időben ..elvileg.A gyujtási szög is kisebb mint 180/360 fok ... ![]() Tehát akkufesz értékű lefutó élű impulzus jön létre ha zár az érintkező. Plusz 1 csomó tranziens amit a tekernyőc rendez mikor megszakad újra az áramkör kicsit több fesz lesz mint az akkufesz.Ezért kell határolni zener gáttal a bemeneten. Kijelző ICnek meg kell nézni adatlap miként kell kötni pont/sáv kijelzéshez . Avagy a többi lépésköz/min-max érték beállító elemeit...
[link=http://www.szocimotoros.hu/hu/tuningfejlesztes/8]http://www.szocimotoros.hu/hu/tuningfejlesztes/8[/link]
bocsi ez az |
Bejelentkezés
Hirdetés |





.

...
mivel volt itt már vagy 3 is emlegetve ... :-S.




