Fórum témák
» Több friss téma |
Sziasztok!
Egy TS5355-tel küzdök. Az alap probléma az volt, hogy világos színeknél (havas táj stb.) fekete-fehérre váltott a kép, elkezdett sercegni a hangszóró és a zavar kiment a SCART-on is, az audio bemenettel párhuzamosan kötött erősítőn is hallani lehetett. A képen fix helyeken "pontok" jelentek meg. Lekötöttem a hangszórót, a sercegés halkult, de még mindig hallható. Ha lejjebb vettem a fényerőt, megszűnt, amúgy képváltásig nem múlt el a jelenség. Később persze újra kezdte, fényerő még lejjebb... Sorkimenőt cseréltem, a helyzet nagyon sokat javult, a sercegés teljesen megszűnt, viszont a színek néha még mindig elmennek, a kép jóval kisebb mértékben bezavarosodik, viszont 1-2 mp múlva a hiba megszűnik. Jóval fényesebb kép kell hozzá (kamerába világít egy reflektor stb.). Kérdés: mi okozhatja még? Félig megjavítottam, de...
Pár hónap elteltével és mások gyengéd lebeszélésének hatására lemondok arról, hogy a VIDEOTON TS6354TXT TV-mben egyedül megtaláljam a hibát és megjavítsam. Mellesleg volt, hogy azóta órákon keresztül működött. Ha valaki ingyen el szeretné vinni (1201 Budapest Attila utcából), akkor jelentkezzen. Nagyon keveset használt példány, a webalbumban a belsejéről és a tegnapelőtti működéséről rengeteg kép van.
Szerintem ne add fel.
A csattanás mindenképpen egy nagyfeszültségű szivárgás eredménye. Ahogy már előttem írták, sötétben kell jól szemügyre venni működés közben a készüléket. A csattanás nélküli leállás ne tévesszen meg, mert azt ugyanúgy okozhatja ez a szivárás. Nem áthúzó szikrákat kell keresni, hanem halvány, kékes derengést valamelyik nagyfeszültségű pontnál. Nem tudom, hogy pl. a képcsőre csatlakozó nagyfeszültségű cumi környékét ellenőrizted -e? Ott hajlamos letapadni a por, ami a képcső hátsó üvegének grafitozott felületéhez szokott áthúzni, szivárogni. Párásabb levegőjű helységben (pl. pince) gyorsabban megtalálható a hiba.
Sziasztok!
Videoton ts 4329 SP tv-m 2 éve lett nyugdíjazva a szekrény tetejére a szobámba. Most vettem egy hétvégi házat oda elvittem, de előtte kondikat cseréltem a tápban mert amikor elraktam a tv-t már akkor sem kapcsolt be távirányítóval csak főkapcsolóval. És most azt produkálja, hogy magától belépked az opció menübe és megy benne végig szépen mintha én nyomnám, de úgy, hogy távirányító a közelbe sincs. Aztán van mikor ki is kapcsolja magát mint mikor opciózásból távval kapcsolom ki. Van amikor 1 napig hibátlan aztán előjön. Mit nézzek mégvát rajta? A táv vevőt?
Sziasztok! Adott egy Videoton TS-2630 típusú tv ami képen látható jelenséget produkálja. Mi lehet a hiba? A válaszokat előre is köszönöm!
Sziasztok. Van egy Videoton TS 4317 tv. A színek nem az igaziak. Lengyel képcsöves. Fényerő van de kontraszt és a színek elég gatyák. Ezek a lengyel csövek állásban is legyengülnek? Bárkinél néztem ilyen Régi tv-t mind ilyen volt amiben lengyel cső van. Ha mondjuk lenne egy 0km-es lengyel csövem ami ugyan úgy 30 éves az se lenne jobb?
Mihez képest gyengék a színek? Ha van TXT-adás, azzal is lehet ellenőrizni a színek helyességét.
Úgy kellene beállítani, ha van színsáv-generátor, akkor azzal, hogy a fekete az fekete, a többi szín pedig a sávjának megfelelő és elég erős. Nem erős napsütésben, hanem fél-árnyékos szobában, nem az ablak melletti elhelyezésnél. A TV-képcsövének nem kell bevilágítani a szobát, nem az a feladata, tehát a fényerőt vissza kell venni, amennyire lehet. Ha így is gyengék a színek, akkor ott más probléma is van, lehet hangolási hiba, lehet színdekóder, vagy AGC-fokozatban hiba, ha túl nagy jelet kap a TV, akkor az AGC leszabályoz, elhangolhat, képtorzulás is lehet, színhiba, színek hiánya is előfordulhat. Az öreg képcsőnél inkább egyes alapszínek hiánya, vagy gyengesége okoz színi hibákat. Ha a TV-képcső lemágnesezője rossz, az is színhibát okoz, lilás-zöldes lesz a kép, "hullafoltos", ekkor a PTC hibája miatt, vagy egyéb okból nem megy a lemágnesezés és a színek rosszak, nem olyanok, amilyennek lenniük kell. Sok minden befolyásolja a helyes színeket és a szubjektív-látás, a jó színlátás is eltérő egyénenként. Az új képcső mindenképpen jónak mondható, ha a TV-áramkörei is jók és a képcső megkapja a szükséges feszültségeket. Üdv!
Inkább azt mondanám hogy élettelen a képe. Mindegyik hasonló korú Vidi ilyen már. Gyerekkoromban nagyon jó képe volt.
Szia!
Ez csak a lengyel képcsövesekre igaz többnyire. Nekem egy 22 éves Hitachi képcsöves volt gyönyörű képpel akkor cseréltem digitálisra alkalmas készülékre. Vidékre költözött és a mai napig kifogástalanul üzemel. A lengyel képcsövek nem voltak a tartósság mintaképei. Képcsőregenerálással még 1-2 évet lehetett nyújtani az életén de utána totálkár. Üdv: Gábor
Az lenne a megoldás ha tennék bele Hitachi 560 EBG csövet csak akkor ez egész eltérítő alaplemezt és a tápot is ki kell cserélni.
Emlékeim szerint az eredetileg japán csőhöz tervezett áramköröket kiegészítették nagyobb áramú eltérítő végfokkal a már akkor is korszerűtlen, de nem tőkés import lengyel képcső miatt.
Persze mert a japán az 90 fokos volt a Lengyel 110 fokoshoz meg magyobb eltérítő teljesítmény kellett, főleg a nagyáramúhoz. Oda még a TDA1170-et meg kellett toldani egy komplementer tranyópárral. Az enyémben kisáramú cső van. Pár óra járatás után egész elfogadható képe lett. Érdekes hogy jobb a kép VCR-ről mint az RF kimenetes Settop boxról.
Sziasztok !
Egy TS3307 javításával foglakozom (ami nagyon hasonlít a TS4317-re). Az egész úgy kezdődött, hogy bekapcsoltam, megjelent a kép, majd elkezdett sercegni, és büdös lenni, majd végül a kép is elment. Ebből arra következtettem, hogy a sorvégfok környékén van a hiba, sajnos megégett a sokszorozó. (Később a sorvég tranyót megmérve az egyik irányba átvezetett, szóval ezt is cseréltem. Ezek mellett biztos ami biztos alapon egy teljes elkócserét is végeztem.) A tv-ben egy lengyel TPN-32 sokszorozó volt eredetileg. De ilyet sehol nem kaptam újonnan, ezért TPN-31-ből rendeltem tartalékba is. Elméletileg ez is megfelel, viszont olvastam, hogy a fókuszfeszültségek között van csak különbség a két típusban: TPN31: 6,3-7,6 kV és TPN32: 5,5-6,5 kV. Az lenne a kérdésem, hogy a fókuszpotméterhez szükséges lenne-e egy ellenállást beforrasztani sorba kötve, vagy akár a régi potmétert is betehetem? Ha szerintetek mégis csak kellene (én is így gondolom), akkor hány ohmos és wattos ellenállást javasolnátok? A másik kérdés: Sajnos a sokszorozó beépítése közben túlmelegítettem a sorkimenő trafó forrszemét, így leesett. Némi ügyeskedéssel visszaforrasztottam a leszakadt vezetéket is. A forrszem rögzítéséhez mit javasolnátok? Most ideiglenesen egy gyorskötözővel fixáltam.
Egy kérdést csak egyszer, egy helyen teszünk fel!
Sziasztok,
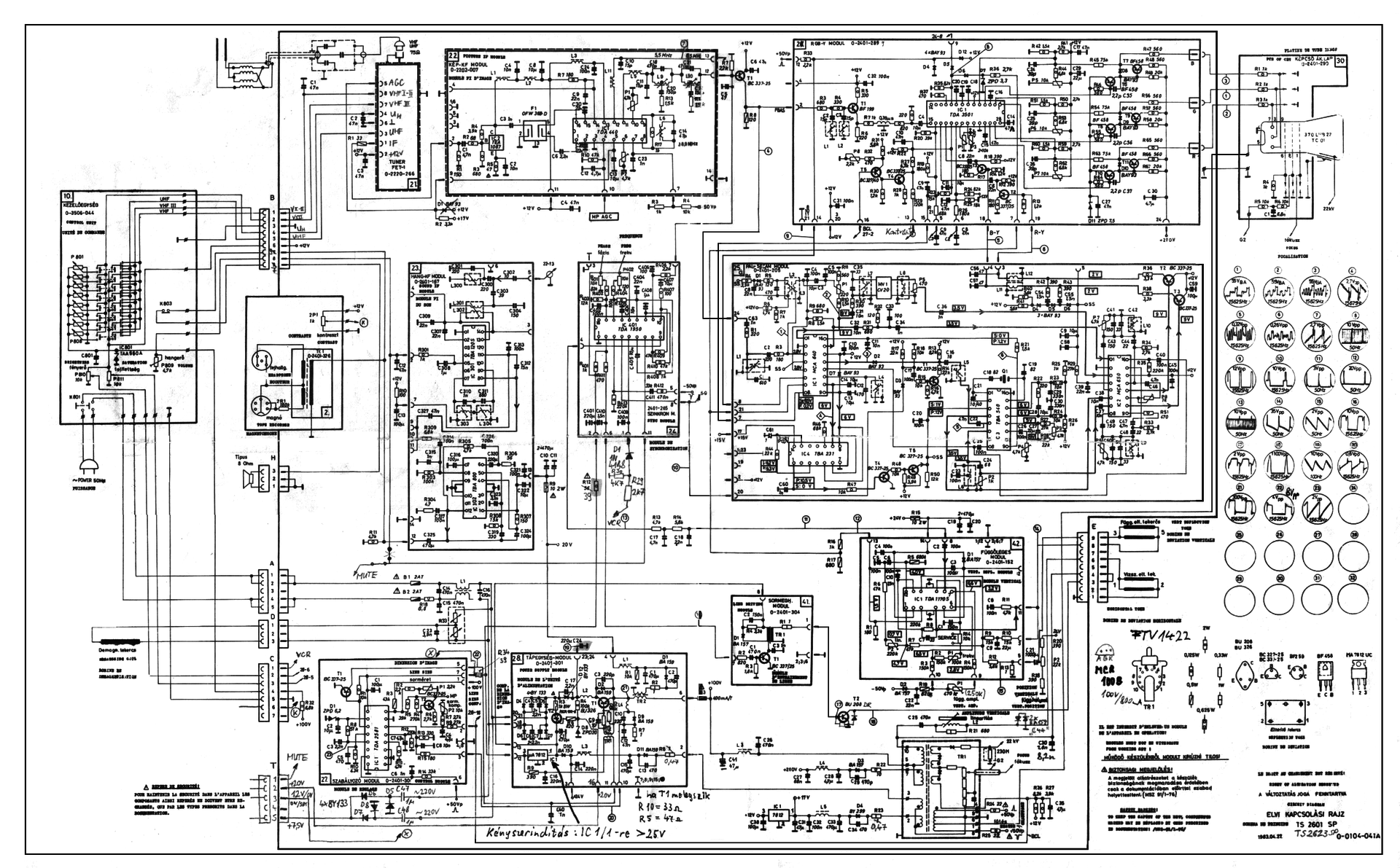
TS2601 SP tv-m csak fekete fehér képet ad. Kábeltévén jön még néhány analóg csatorna, ezeket szépen befogja, de sajnos nem színes a kép. Ugyanez a probléma, ha commodore számítógépet kötök rá. Mit kellene megnézni, állítani rajta? előre is köszönöm a segítő válaszokat. A kapcs. rajzát már korábban feltették, ezt linkelem: https://www.hobbielektronika.hu/forum/topic_post_998448.html#998448 A hozzászólás módosítva: Máj 20, 2022
Kedves fórumtársak, van itt valaki, aki ért ezekhez a régi képcsöves vidikhez?
Itt egy rajz. A TDA3501 környékén kell keresni a hibát. Lehet, hogy csak kontakthiba: próbáld meg kihúzni - visszadugni a modult, hátha csak a csatlakozó oxidos.
Köszönöm, a segítséged, ezt megpróbálom, sőt az összes modulnál kontakt tisztítós befújással együtt. Sajnos ezt csak a jövő héten tudom már megtenni. Ha mégsem oldaná meg, akkor kereshetlek a hogyan továbbal?
Ha jól emlékszek ezeken a tévéken , volt egy olyan nyomógomb, amivel fekete fehér , és színes módok között lehetett választani .Tehát volt csak fekete -fehér , és színes lehetőség a nyomógomb kiválasztásával .Ezt sem ártana megnézni hátha csak át van nyomva a fekete-fehér nézetre. vagy maga a nyomógomb hibás , vagy ennek a nyomógomnak az áramkörét kellene megnézni.
Semmivel NE fújd be! Az sok más bajt okozhat.
kontakt chemie maradék nélkül száradó tisztítóra gondoltam, de akkor megpróbálom anélkül.
Ezt a gombot már kerestem, de sajnos nem találtam rajta.
Pedig nekem is rémlik egy kis tolókapcsoló (nem gomb!).
A használatiban még talán külön fejezet is van róla: Idézet: „TARTALOM Bevezető 1 A készülék üzembe helyezése 1 Antennacsatlakoztatás 3 Bekapcsolás 3 Állomásbeállítás, kontraszt, szín telítettség 4 Fekete-fehér kép 6 AFC kapcsoló 6 Fülhallgató csatlakozó 6 Magnetofon csatlakozó 7 Műszaki adatok 8”
ez nem pont az a tv, mert az enyém a kicsi TS2601, de elképzelhető, hogy itt is van ilyen. Mondom, kerestem is, de nem találtam. Meg fogom nézni alaposabban.
Amivel én találkoztam, annak a hátlapján volt egy kerek fekete nyomógombja...
Bocsánat, túl régre olvastam vissza a történelemben.
Ez érdekes, van a hátlapon egy poti, ami olyan hatású, mint a gamma a számítógép videó beállításnál. Lehet hogy ez nyomógomb is?
Szia,
Az a kontrasztot állítja, nincs a készüléken szin killer kapcsoló se elöl se a hátlapon.
Esetleg tudnál abban segíteni, hogy mit nézzek meg először? Persze a kontakthibákon kívül.
Szerencsésebb volna a pal-secam modult kicserélni. Sajnos a hibát okozhatja kvarc, művonal, IC hiba, vagy a sorvégfokozatból származó homokvár impulzus hiánya, de el is tekerhettek benne mindent. Gondolom színsegédvivőt és jelalakokat nem tudsz mérni, műszerek nélkül csak a "megpiszkálom vagy jó lesz vagy nem" marad sajnos.
|
Bejelentkezés
Hirdetés |







