Fórum témák
» Több friss téma |
Fórum » Napelem alkalmazása a lakás energia ellátásában
Témaindító: Router, idő: Júl 15, 2006
Témakörök:
Sajnos, így járt nálunk is az egyik utcabeli. 6 kW, 3 fázisra váltás után az előző 3 kW-os invertert nem tudta eladni.
Tévedés. Nem engedélyköteles. Azaz egy mezei villanyszerelő is felteheti. Sőt mivelhogy nem is tölt vissza így semmi közük hozzá. Jah és cserébe ha áramszünet esetén is van villany nem úgy mint sok rendszernél hogy süt a nap de leolvad a hűtő.
A hozzászólás módosítva: Dec 30, 2022
Egy fázis esetén a három áramkör ("alkörök") a lakáselosztóban össze van kötve. A vezetékek mindkét irányban engedik az energia áramlást. Az szinte mindegy, hogy hogy a napelem energiája az egyik áramkörről a lakáselosztón keresztül jut el a másik áramkörre, vagy csak a lakáselosztóból.
A helyben fogyasztáson az átkötés nem javítana. A nagyobb helyben fogyasztást akkor tudnád elérni, ha bizonyos fogyasztókat a napelem termelésének maximumára időzítenéd. Például ha a hűtők, fagyasztók, villanybojler, klíma főleg nappal lennének bekapcsolva. Ezeket időzítőkkel valamennyire meg lehet oldani, de ez sem teljesen egyszerű.
Nem időzitő kell hanem napfény figyelő. Bővebben: Link HE storban megfelelő alkatrészek megvannak hozzá.
Én is abban gondolkodom a magam hibrid (sziget üzemben is működő, akkumulátoros) rendszerére, de az sokkal bonyolultabb. Már a régi napkollektoros rendszerem is méri a sugárzott energiát egy PLC-vel, akár azzal is kapcsolgathatnék kiegészítő (és változó) terheléseket. De figyelembe kell vennem a fixen rákötött hűtő-fagyasztó éppen aktuális fogyasztását is. Magamnak meg fogom csinálni, de átlagembernek nem ajánlom...
Anno a vegyestüzelésű fűtés pufferes kiegészítése hasonló megoldást adott az egyenetlen energia viszonyokra.
Az ukkumulátoros kiegyenlítést viszont drágábbnak találom jelenleg.
Én is ilyen rendszerben gondolkodom hogy télen rásegít a fűtésre. Jelenlegi árak mellett a tisztán elektromos fűtés halott. Bár ha azt nézem hogy nem is üzembiztos megoldás(áramszünet) akkor még mindig a vegyes tüzelés a jobb.
Fűtés gázalapú, pont jól belefér melegvízzel együtt a plafonba, a vegyestüzelést az ÁFA megölte, van klíma, ami nem teljeskörű megoldás, áramszünetre, egyébre a szigetelés a végső megoldás.
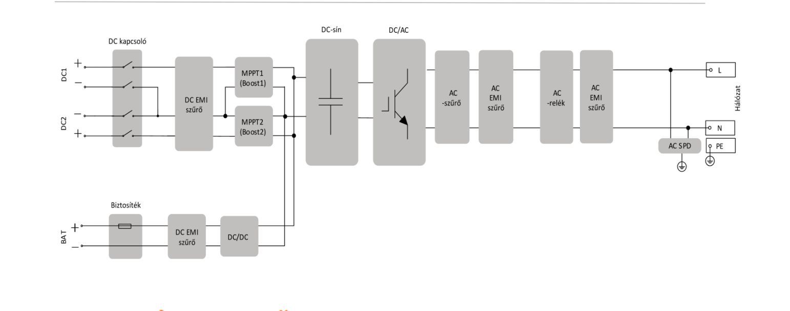
Van kisteljesítményű szünetmentes a gáz/vegyes kazánhoz. Egy DC töltő csak külön csatlakoztatható a napelemekhez, vagy párhuzamosan az inverter DC bemenetével?
Az inverter DC bemenete nagyfeszültségű. 200-700 V-os is akár. Ha az inverter transzformátor nélküli, akkor a DC kapcsokon is ott les a fázis. Sokkal olcsóbb akkutöltésre feltenni egy táblát, akár használtat is. 30-40 V, ami könnyen illeszthető akkumulátorhoz. Akár házilag is. De vannak a napelem teljesítményét gazdaságosan kihasználó MPPT töltők is, nem túl drágán.
Az a gond hogy jelenleg egyszerre nem megy minden. Egymagam vagyok. Jelenleg 2 helyen fűtök. Ezt akarom lecserélni központira(konyha marad a kályha. De az már csak inkább vésztartalék + főzésre. Fűtéskorszerűsítés, napelem, padlás szigetelés, Ajtó ablakcsere/folyosó zárttá tétele. falak szigetelése. Sajnos a gáz nem megoldható. Kb 20km csövet kellene lefektetni a gázhoz. Vidéki élet hátránya. pár év múlva saját erdőm lesz. A szántót amit nem használtam sosem teleraktam akáccal. Így a fa ingyenes lesz részben.
Szerintem DC elektromos autó töltőre gondolhat, de majd pontosítja... Annak meg a kimenete DC, a bemenete AC
Ha elektromos autó DC töltőjére gondolsz, azt AC-ról kell működtetni, a kimenete DC.
14x265W panel van fent, egy sztringen, a napi átlagfogyasztás 8 kWh.
A töltő/akkumulátor választás hatásfok függő. Egyszerre csatlakoztatni egy mezőre két mppt invertert? Nyilván a megosztás járható. Az ac töltő már hordoz némi hatásfokcsökkenést, + a visszakonvertálás az akkuról 230V-ra. A hozzászólás módosítva: Dec 30, 2022
Kimaradt, hogy E-autó, vagy kisfesz. akku.
Egy mezőre egyszerre nem lehet két MPPT invertert csatlakoztatni. Az MPPT tőltőt kisfeszültségű akkuhoz és egy külön panelhez írtam.
Idézet: „Mivelhogy a visszatöltött kw után is kell rendszer-használati díjakat fizetni” Ezt hol olvastad? Érdekes lesz ha paksnak, is kell fizetni 20 Ft rendszerhasználati díjat, és megveszik tőle az áramot 10 Ft-ért. ( szabály az szabály, aki használja a hálózatot fizet alapon) Azt értem hogy amit én vételezek az után mint végfelhasználó fizetni kell, de hogy az 5 Ft-ért átvett betermelt után még én is fizessek 10-20 ft díjat, ne csak a szomszéd aki felhasználja, azért egy kivándorlásra felhívó tett lenne. Szerintem amire te gondolsz, az a havi 100-150 ft fix költség, amiért az óra a falon van, és bemegy a vezeték....
Ezt újra próbáld le magadban először aztán fuss neki még 2x. ki beszélt itt paksról. napelemről volt szó és az általa visszatöltött kw árról. Pedig fizeted kőkeményen. Ezért is csak 5ft 1kw. Miközben 70ft veszed a kw
2022. június: nettó 13,17 forint/kilowattóra 2022. augusztus: nettó 5,11 majdnem a harmadát kapod meg mert a kw ár lement a használati díjak megugrottak. És nem a havi fix 270ft rendszerhasználati díjak viszik el a dolgot. Hanem a kw után amit elszámolnak + a szja bár az bizonyos kw alatt nem kell fizetni.
Magyarázza már meg nekem valaki, miért akarnak sokan akkus energiatárolást csinálni? Ha havi szaldó lesz nem mindegy? Vagy ennyire nem bíznak a villamos hálózat jövőbeni működőképességében? A nyári energiát úgysem tudja télire eltenni. Talán 1-2 napra megoldás lehet, de milyen áron.
Szia
Szerintem sokan átverve érzik magukat, illetve úgy vannak vele, hogy az ő drága rendszere által megtermelt energiát fillérekért nem adják oda az áramszolgáltatónak, hogy aztán az többszörös haszonnal eladja pl a szomszédnak (dögöljön meg a szomszéd tehene is). Az is benne lehet, hogy ha már költeni szeretnének ilyesmire, akkor egy olyan rendszert szeretnének, amibe nincs beleszólása senkinek, még ha ráfizetéses is.
Ha jól értem a hibrid inverter akku része különbözik a visszatáplálóstól, nomeg a szoftver.
Egy szünetmentes táp töltés módja szintén használ hálózati és inverteres energiát, nem 100%-ban csökken a kitáplálás vesztesége.
A kitáplálás vesztesége töredéke a DC-ről táplálásnak. Kivéve, ha 300+ V-os akkutelepet használnak.
Köszi, tehát az energiatárolás szerinted is szembe megy a józan ésszel. Természetesen nem sziget üzemről beszélünk. Lehet olyan fogyasztási/mérési kombináció amely esetén hasznos lehet az energiatárolás?
Szerintem locsoláshoz ültetvényen lenne értelme, de nem tudom a mostani üzemanyag árakkal számolva mi éri meg jobban, egy dízel szivattyú, ami felhúzza a vizet, vagy egy napelemes rendszer akkumulátorokkal. Bár ez már sziget üzem lenne... Úgy gondolom, elérték céljukat, semelyik napelemes energia termelés nem éri meg, vagy olyan hosszú a megtérülés, hogy közben cserélsz még invertert is, vagy az akkuk élettartama (bár a LiFePo4 akkuknak elég magas élettartamot ígérnek, idővel fog kiderülni valójában mit bírnak) miatt nem éri meg. Úgy gondolom egyenlőre megmarad ez a dolog egy drága hobbinak...
Szerintem az akkus tárolásra csak rábeszélik az embereket. A tesóméknál is meg akarták magyarázni az milyen jó. Illetve talán a támogatott pályázatoknál előírás a hibrid inverter. Erre azért számításokat kellene végezni, havi szaldó esetén némi akkus támogatással hogyan alakulna a számla. Valamennyit biztosan jelent, mert a fogyasztás jellemzően akkor jelentkezik, amikor nem süt a nap. Az akkuk szerintem is a a szolgáltatónak a leghasznosabbak, ha véletlenül még a távvezérelhetőséget is előírják. Így a hálózati csúcsokat tüntetné el, a felhasználók költségén.....
Én nem tudtam te hogyan gondolod, Amit írtál azzal egyet értek, de volt már olyan aki azt írta, a rendszer használati díj miatt létesít szigetüzemű rendszert, nehogy véletlen visszatápláljon, ezáltal veszteséget termeljen magának. Gondoltam megkérdezem, miről maradtam le...
Csak azokat sajnálom akiket búcsúzóul beugrattak....Bár a részletek még változhatnak, mert elég sok embernek keresztbe tesznek, szerintem finomodik ez még....
Netto 5.11ft amiért átveszik(szolgáltató függő) jelenleg az áramot. x kw felet még szja is levonásra kerül. Persze ez lehet azóta változott valamelyik éjszaka. Ha azt hozzávesszük hogy havi elszámolás lesz és éve szinten legalább 4-6 hónapban rászorulok villamos hálózatra tényleg feleslegesnek látom azt hogy visszatáplálós rendszerem legyen. Esetleg csak úgy ha biztos nyerek a pályázaton és rövid időn belül meg is kapom a pénzt rá. Nem úgy mint az idei pályázati pénz sem érkezett meg sőt még rengeteg tavalyi is bent van.
Jelenleg a nem visszatáplálós elég sok előny élvez. Szettben lehet venni a konzolt hozzá. Kevesebb napelem kell mert feleslegesen úgy sem termelünk. Azaz olcsóbb. Nem kell engedélyeztetni ha off gird invertert tetetsz fel csak be kell jelenteni. kevesebb papírmunka. A hálózatra kötést és elektromos szerelést E.szaki kell hogy végezze. Ha jófajta invetert választ az ember akár aksi és hálózat nélkül is vígan nézi a vasárnapi misét délben a tévében és eszi az elektromos sütőben készült sült húst. A munka javát akár saját maga is meg tudja csinálni. Bár ehez tetőre kell menni. Bár egy öreg cserép átforgatás keretében fel is lehet szerelni a tartó konzolokat a helyére. Amíg a visszatáplálós ott már kicsit elereszti az ember a gyeplőt. Többnyire nem lehet bővíteni utólag. Havonta ugyanúgy vár a számla. Sok inveter nem üzemel hálózati áram nélkül. Drága és nehéz ügyintézés. Cserébe nem kell szenvedni a szereléssel, de a tetőt meg kell csináltatni ha régi. Fajlagosan drágább. Éves szaldó megszűnés. Drága aksi csomag sokszor inverter cserével. Extra fogyasztó kiépítések: Na ez mindenhol kellhet. pl hűtő/klíma vegyes tüzelésű kazán mellé elektromos rásegítésű puffertartály. időzítők szabályzók hogy egyes fogyasztók mikor kapcsoljanak be. stb.
Nyugi van olyan pályázat ami már 2 éve bent van és hiába nyertes de még pénzt nem láttak. Nem egy sajnos
Nézegettem a rengetek kulcsrakész rendszereket. jó pár embert megkérdeztem már volt akit személyesen volt akinek interneten át. Aki nem igazán érdeklődött utána nem volt valamilyen szinten felkészült úgy át lett reptetve a palánkon mint az a bizonyos.
Majd 40 rendszer után érdeklődtem és tudod mennyi volt az olyan aki azt se tudta hogy mikor elmegy az áram fényes nappal ő is csak ülhet és várhat a villanyra hogy megérkezzen? Első áramszünetkor jött a felismerés. Aksit nem támogat. Vagy hogy felszerelt egy klímát de az a böszme kivitelező olyan kis teljesítményű rendszert tett fel hogy a klima, hűtő, bojler és a tv már sok volt neki. Aztán mikor bővíteni szerettek volna jött a fekete leves. Nem lehet azt csak úgy. 2 vagon papír kérvényezés stb. 3 fázisra kiépítés Hát nem tudom ha én aksi nélkül fel akarok rakni egy nem visszatöltős rendszert Az 5kw invertert 230.000ft megkapom. A hozzá a napelem 450w 80,000Ft. Ebből kell nekem 6 480.000. Tartószerkezet 115.000ft. Eddig 825.000ft járok. 2.7 kw a rendszer ami majdnem a duplájára lehet bővíteni. Egy 3kw rendszer bővíthetőség nélkül másfél millió meg egy talicska papírozás és futkosás. Természetesen a kivitelezés nincs benne az árban. Azt külön kellett megoldani. Teljes kapacitáson a rendszer nekem 1.32 millióba van. Na jó ebben még nincs vezeték ami kb még 30.000ft. 1.6 millió a vége egy olyan 5kw rendszer ami nem tölt vissza. Látod érted miért mondtam azt hogy a visszatöltős drága? A hozzászólás módosítva: Dec 31, 2022
Még mindig nem értem, mire akarsz kilyukadni. 9,5 éve raktam fel a saját 3 kW-os rendszeremet. 8 év alatt megtérült. Időközben volt egy elég hosszú időszak, amikor sokkal olcsóbban lehetett napelemet és invertert kapni, mint amiért én vettem, vagy amennyibe most kerül. Rövid idő alatt összesen 5 rendszert raktam fel. Tervezés, engedélyeztetés kb. 1 hónap alatt lefutott. Készrejelentés után átlagban 1 héttel óracsere és mehet. Közben híre-hamva nem volt a támogatásnak. Tulajdonképpen már mind megtérült, pedig volt, amit közben 1-ről 3 fázisra, 3-ról 6 kW-ra bővítettünk.
Bármiféle támogatás az érintett termékek jelentős drágulását hozza, miközben sokminden elfajul. Ne arra hisztériára alapozz, ami most van. Majd ha normalizálódik a rendszer, akkor lehet újra elfogadható tempóban és áron szerelni. Idézet: „Havonta ugyanúgy vár a számla.” Évente számlázom a szolgáltatónak a többlettermelésemet. Akinek nem jelentős a többlet, nem is foglalkozik vele. Egyik utcabelinek a havi 30 000.-Ft-os számlájából ~20-at váltott ki a 6 kW-os rendszer. Még most is belefér a rezsicsökkentett keretbe. A visszatáplálós inverterek ,kivéve a hibrideket, mind csak akkor képesek termelni, ha van hálózat. Ennek fejében nem kell akku és sokkal olcsóbb. Minket már nem érdekel a szaldó változása. Ha jó invertert választott valaki, bővíteni könnyen lehet újabb terv, engedély nélkül. Túlnapelemezésnek hívják. Az inverter műszaki paramétereit nem szabad átlépni, közben vannak olyan inverterek, amire a gyártó megenged 200% napelemet. Költség csupán a napelem és szerelvényei. Ennek előnye ráadásul, hogy bár az inverter által leadott teljesítmény nem nő, de a termelés egyenletesebb és hosszabb idejű lesz. |
Bejelentkezés
Hirdetés |











