Fórum témák
» Több friss téma |
Hy all!
Szeretnék egy zizegőt megsípoltatni egy áramkörrel. Addíg kéne sípolnia míg kap áramot. Kérlek adjatok kapcsolási rajzot!
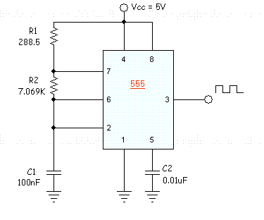
sztem ez jó éesz 1kHz-en fog zümmögni.
(az ellenállásokat természetesen csak naggyából találd el) az ic pontosan ne555 vagy az újabb a lm555 ua.
"Addíg kéne sípolnia míg kap áramot."
tovabb tuti nem fog...
amúgy nemértem honnan jön az embereknek ez az 5v! honnan szerzek én 5v-ot?
jah az más
de nekem most nincs olyanom ![]() csak 6v-os
A digitális technikában az 5V olyan mint a valós életben a levegő
![]() Ezért 5V, mert az elektronikai eszközök kb 90%ában van valami vezérlő rendszer. És a mikroprocesszorok, TTL kapuk (logikai áramkörök), mind a könnyen előállítható 5V-ra tervez. Mivel ez a TTL szabvány. Minden kütyüben találni fogsz valahol 5V-ot. Ez legyen egy DVD lejátszó, digit fényképező, erősítő, video, tv stbstb. Szal azért 5V-mert ez egy szabvány. Egyébként nem kell 5V. Simán mennek a TTL áramkörök is 4V-4,8V-al. 4,8V = 4db ceruza akksi.... Ha a fennt említett kapcsolást akarod megépíteni nyugodtan használhatsz 6V-ot. a Frekvenciát nem fogja befolyásolni mivel az 555-ös IC-kben komparátorok vannak. Nem konkrét fesz. értékeket néz, hanem arányokat. Így 6V-ról is ugyanúgy menni fog. De ez nem minden áramkörnél van így!!! Az NE555 ös IC-vel szerencséd van, mert az azt hiszem 15V-ig képes működni. Idézet: „NE555 ös IC-vel szerencséd van, mert az asszem 15V-ig képes működni.” igen így van, úgyhogy nyugodtan használhatod az áramkört 9V-os elemmel is, semmit nem kell megváltoztatnod.
5V-ot egyebkent tudsz nyulni a PC bol
piros es fekete
Sziasztok
En vettem elektronikai boltban egy zummert(350Ft)ert Kis fekete kutyu 2 kivezetessel es ha feszultseget kap akkor sipol Szerintem neked is ilyet kene venned(vagy csinalni de sajnos nincs hozza komplett kapcsolasom |
Bejelentkezés
Hirdetés |











