Fórum témák
» Több friss téma |
Fórum » Napelem alkalmazása a lakás energia ellátásában
Témaindító: Router, idő: Júl 15, 2006
Témakörök:
Nem ez sajnos nem tudja
De ez igen 5kw(jobb vétel lesz benne tartalék. Hátrány drágább. A 3 kw inverter csak kb tartósan két kétésfél kw lehet terhelni. Bővebben: Link Google crom jobb egérgomb fordítás
Ezt nálunk fel lehet tenni? Az az van rá engedély?
Ezek a hálózatra ugyanúgy csatlakoznak, mint egy PC szünetmentes tápegység. Azokra sem kell engedély az áramszolgáltatótól, mert csak fogyasztani tudnak. Csak ezeknek az akkumulátorát nem csak a hálózat tudja tölteni, hanem napelem is.
Rendben, köszönöm az infót. Ezek szerint nem figyeltem mindenre.
Sajnos nem kapott egyik sem engedélyt mivelhogy offgird hibrid invertereket még sosem tesztelte senki sem. Engedély nem kell rá csak bejelentés köteles.
A hozzászólás módosítva: Márc 20, 2023
Szia!
S akkor kezdődik a tortúra --Ha bejelented ! Kijön két épkézláb szagember? Nálam (pék+ gipszkarton szerelő)ÉMÁSZos , felvilágositottak, hogy mindent "levágni,megterveztetni, s hozzáértőkkel újra szereltetni ! talán akkor átveszik! mutattam a tervet , de nem hatotta meg őket." mert 12V egyen csak autóban van --lakásban nincs!"
LOL!
Annyira szeretem a magyar burokráciát! Lehetőségek szerint minden tevékenységből kihagyom a ható-ságot!
Mondom másként. Mivelhogy vissza nem termelő itt azért kell bejelenteni hogy ne adj isten tűz van nálad tuják hogyan fogjanak hozzá. Megfelelő főkapocs doboz, hol található. Nem engedélyköteles mivelhogy nem termel vissza. Akkor a pék cukrász nem jól tudta
Üdv mindenkinek. lenne egy kérdésem ami ép most nálam nem függ össze a napelemekkel de egy napelemesnek is érdekes lehet. Lényeg ép most műanyag hegesztő minősítés szerzek és tesz lapon volt egy olyan kérdés , hogy az aggregátoról működő hegesztőgépek érintésvédelmét hogyan kell megoldani...
A; Válasz hülyeség volt B; Le kell szúrni egy földelést és a gépek földjét ahhoz kötni C; Fi relét keresztül kell a gépeket a generátorhoz kötni, és üzembe helyezés előtt ellenőrizni a fi relé működését. Én kapásból a B mondtam de az aktató javítva azt mondta C. Rendben mondom ok de a szóban forgó generátort is le kell földelni , mondtam neki erre ő azt mondta azt nem szükséges leföldelni csak a fi relé kell a generátorra. Fogalmam nincs szoktak e generátoron Fi-relét alkalmazni, de szerintem az csak akkor működik ha a generátor nullája is le van földelve... Vagy rosszul gondolom? Mi ennek a hivatalos menete földelik a generátort vagy sem?. és igen itt a szigetüzemű inverterre is gondolván ha generátor is van rá kötve ott hogyan oldják meg. köszi a válaszokat előre is.
a FI relé akkor kapcsol ki ha a "befolyó" és "visszafolyó" áram különbsége eléri a küszöböt, szakszerűbben mondva a fázison és a nullán folyó áram különbsége... köze nem sok van a védőföldhöz, max annyi hogy esetleg arrafelé is folyhat a különbségi áram, ha a generátor is földelve van. A fi relébe be sincs kötve a védőföld, hogyan is figyelné
Mikor katona voltam úgy tanultuk hogy az aggregátort le kell földelni egy földelő nyárssal, de nem közvetlen mellette hanem egy kb 10 méternél hosszabb vastag vezetékkel.
A válaszok közül azért a C a jó mert az véd leginkább, hasonló okok miatt mint amikor egy épület szerelésnél mondjuk pen szakadás van, meg van egy testzárlatos készüléked, és abban a pillanatban a fázis a készülék testére kerül. Egy leszúrt földelés vagy megvéd vagy nem, a Fi relé meg leold. Mellesleg az aggregátor kialakítástól függően tekinthető földfüggetlennek is, azaz inkább csak ártasz vele ha földeled. Épület esetén más a helyzet, ott minden fém felületet EPH-ba kell ma már kötni ami pedig földelve van.
Emlékeim szerint a katonaságnál feszültség védelem volt a hiradós kocsiknál, ami a kocsiszekrény és és a segédföldelés kozott feszültséget figyelte.
Kitelepülésnél elsőként a segédföldelést tekertük le, és kötöttük be. Ezután csatlakoztatuk a bejövő erősáramú kábelt. Utána leoldási próba. Minden más csak ezek után... Jó cikk: Aggregátorok és az ÁVK
Hogyan folyna áram a föld felé, ha az aggregátor földfüggetlen? Megfogod az egyik vezetőt, semmi sem történik. Megfogod a másikat, ismét semmi. Megfogod mindkettőt egyszerre, áramkör zárul, a két áram azonos mindkét vezetőn, FI nem old le, ember meghal. Ha az egyik vezető le van földelve, akkor az ember az FI-vel védve van mindkét esetben, akármelyik vezetőt érinti meg. Többen is életveszélyeset írtak/tanácsoltak, hogyan lehetséges ez?
"Mellesleg az aggregátor kialakítástól függően tekinthető földfüggetlennek is, azaz inkább csak ártasz vele ha földeled" - ha nem földeled, hogyan oldana le az FI? És itt nem csak a készülékház földelésére gondolok, hanem arra, hogy az egyik kimenet a földeléssel össze van kötve.
A hozzászólás módosítva: Márc 24, 2023
A C megoldás akkor jó, ha a generátortól a fázis-nulla vezetőkön kívül védővezeték is jön. Ami ugye a generátor fémvázára van kötve. Ezt meg mindenképpen célszerű földelni. Kézi szerszámgépek legtöbbje kéteres kábellel szerelt. Egy földelés és a FI ennél is meg tud védeni, ha pl. vízbe ejtik. Ha nincs leföldelve a generátor fémháza, akkor a zárlat is csak "lebeg."
Szia!
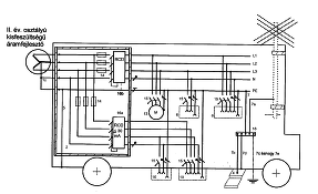
Földelés nélkül működik sok helyen. Ha a generátor megfelel a II ÉV osztály követelményeinek. Van rá szabvány előirás -kb 8-10 helyen is (több mint 7 oldal magyarázat ) A rajzon látható ,hogyan kell kialakitani. A másik helyre elemenő vezetékek dugalját másik FI/RCD relé védi. Az AC elosztó hálózaton van földkapacitás is! Emiatt ráz is a Földeletlen vezető!!(mert van földáram is ) De ez egyúttal lehetővé teszi a szünetmentes táp , meg a napelem inverter kimenetre rakható FI/RCD relé működését is.......! Van másik lehetőség is ; Állandó szigetelés ellenőrzés! A határérték alatt lekapcsol. https://stopvill.hu/termek/im20-szigeteles-figyelo-keszulek-3606480...gi_uzl A hozzászólás módosítva: Márc 24, 2023
Egy generátor (vagy leválasztó transzformátor) kimenete, hacsak nincs belül összekötés a fém házra és az földelve, földfüggetlen. Addig nincs is gond, amíg csak egy gépet hazsnálsz róla és az nem testzárlatos mert a hiba hatására azonnal földeltté válik a rendszer.
Ha a generátornak földfüggetlen kimenete van, érdemes belőle földelt hálózatot készíteni. Az egyik vezeték lesz a PEN. Ezt alaposan leföldeled, kétfelé ágaztatod. Egyik lesz N, a másik PE. N és L átmegy a Fi-relén stb.
Idézet: „generátornak földfüggetlen kimenete van, érdemes belőle földelt hálózatot készíteni” Ekkora hibát én nem követnék el!! Van olyan gyár, nem is kicsi, aminek az egész villamos hálózata földfüggetlen! DE! Van hozzá földzárlat figyelés!! Ahogy az jelez, azonnal megkeresik hol sérült a szigetelés, és megszüntetik a hibát! Mert a következő földzárlatnál pukk lenne és leállás, de a gyár nem állhat le egyetlen másodpercre sem, csak tervezetten.
Idézet: Én sem a helyedben.„Ekkora hibát én nem követnék el!!” Idézet: Feltesznek egy tök egyszerű kérdést egy tök egyszerű helyzetre vonatkozóan. Erre te egy attól masszívan eltérő helyzetet vázolsz, hogy ahhoz tuti nem jó. Hát nem. „Van olyan gyár...”
Idézet: „Feltesznek egy tök egyszerű kérdést” Egy deka kérdőjel sincs a hozzászólásodban! ![]() Idézet: Ki hogy érzi! Szerintem pont a témába vág, pontosabban a hozzászólásodhoz!„masszívan eltérő helyzetet vázolsz” De ezt majd a többiek eldöntik! Nem kell egyet értenünk! De mindentől függetlenül egy villamos berendezést csak komoly megfontolások után alakítanék át másik érintésvédelmi megoldásra!! Én is tudok diszlájkot nyomkodni...más dolog, hogy van annyi eszem hogy nem teszem A hozzászólás módosítva: Márc 24, 2023
Az én hozzászólásom a témába vág, a tiéd nem. Példának a nemzetközi űrállomást is felhozhattad volna, miszerint oda nem jó. Ha annyi eszed lenne, értelmeznéd is, amit és amire írtam. Segítek: feltesznek, tehát nem én kérdeztem. Remélhetőleg a többi menni fog.
A hozzászólás módosítva: Márc 24, 2023
Idézet: „feltesznek, tehát nem én” Ha arra a hozzászólásra akartam volna válaszolni, akkor arra is fogok! Hidd el ez menne ![]() De én a tiédre válaszoltam, akárhogy nem tetszik ez neked.
Speciel én értem azt hogy fi-relé kell . Azt is értem , hogy a fi-relé a két vezetéken folyó áramerősség különbségét nézi és a szerint old le. De ha egy generátor nincs leföldelve de ezalatt nem a generátor fém házát értem mert annak ugyan nem sok köze van a generátorok 3 fázisához. Ez nem ügy működne hogy a generátor csillagpontját kellene leföldelni a generátoron kivül ami egyben a nulla is lenne. De beszélhetünk 230V generátorról is, tehát a két vezeték közül valamelyiket kellene lekötni földre? Mert igy lenne egy nulla ill egy fázis és én naiv megérinteném a nullát nem történne semmi mert a nulla vezeték alapból le van (vagyis lenne ) földelve viszont ha a fázist fognám meg rajtam keresztül záródna a nulla és fázis és lekapcsolna a fi-relé? Nem szeretném , hogy bárki is vitázzon bárkivel is de szerintem nagyon nem egyértelmű ha mindenkinek van saját véleménye és nem egyeznek ezek a vélemények. Ha véletlen mégis úgy gondolja valaki hogy ez nem napelemes téma azt is megértem és elnézést.
Itt leírtam: Bővebben: Link. Az utca végén lévő trafó csillagpontja is földelve van, csak le kell másolni az elvet.
Ha csak egy fázisú a generátor és egyik pontja sincs a házra kötve, akkor önkényesen kinevezheted az egyik kimenetet PEN-nek, csak aszerint is kell kezelni (földelés, szétválasztás, FI-relé, mint a lakásoknál.
Teljesen megértem a problémádat!
Ez egy b@..om kérdés! Nem vagy villanyszerelő, nem is villanyszerelésről vizsgázol. Az aggregátornak pedig meg kell felelnie az érintésvédelmi szabályoknak, tehát valamilyen érintésvédelmi megoldás alá tartozik a készülék. Egyébként forgalomba sem kerülhetne!! Tehát ha az aggregátoron szabványos aljzat van, akkor azt elviekben simán szabadna használni! Földfüggetlen aggregátor esetében pont halottnak a csók a Fi relé, de szerintem minden aggregátoron előírás a földelő nyárs! Innentől nyer értelmet a FI relé További példa a "túlzott" óvatosságra: Angliában építkezésen előírás a leválasztó trafó használata
Hm csak elméletben akartam helyre tenni a kérdést tulajdonképpen ( mint oly sok sok elektronikai elméleti kérdést) , nem létszükséglet. köszönöm a válaszokat.
Több vagyok mint egy villanyszerelő, Akkreditált Hobbielektronikai fórum tag. A hozzászólás módosítva: Márc 24, 2023
Tanácsot szeretnék kérni. A szüleimnek szeretnék fűtés részben kiváltani hogy spóroljanak a fával. Fa tüzelésű kazán van radiátorok.
Nem a pénz megtérítését számolom hanem hogy segítsek nekik. 10 köbméter megy el télen. Ha csak 1 köb megmarad nem bánom megérte. Arra gondoltam hogy egy bojler teszek rá és némi napelemet keringető szivattyú tessékeli át a meleg vizet a központiba. A fő kérdés hogy legyen. Közvetlen DC meghajtás. Vagy inverteres legyen. Melyik az olcsóbb/egyszerűbb/Biztonságos rendszer. 5x400 w panelt szándékozók venni. Inverteres nem kell piszkálni a bojler vezérlését de az inverternek(mppt) van vesztesége. Amíg a DC meg közvetlenül mehet a cekaszra de a DC megszakítás baromi drága.
Mekkora teljesítményű a kazán? 20 kW-os mellé 2 kW napelem kb. felesleges pénzkidobásnak tűnik. Pláne akkor, ha nagyobb a kazán. 20 kW-os vegyestüzelésű viszonylag kicsinek számít.
Vizet napkollektorral sokkal jobb hatásfokkal lehet felmelegíteni, mit napelemmel...
Más kérdés, hogy amíg langyosabb a nap melegítette víz, azt hogy "tolod" bele a sokkal magasabb hőmérsékletű "központiba"...? |
Bejelentkezés
Hirdetés |






