Fórum témák
» Több friss téma |
Szia!
Na a képen az alsó tranzisztor bázisán= amikor ég: 0.16V , amikor nem ég: 0.0V ; a kollektorán= mikor ég: 3.4V, amikor nem ég:7.44V ; a felső tranzisztor bázisán= amikor ég:7.56V , amikor nem : 8.22V ; a kollektorán= amikor ég: 11V, amikor nem : 11.48V, az emitterén= amikor ég: 6.82V , amikor nem: 7.48V. Az NE 2- es lába= amikor ég: 6.6V, amikor nem: 7.42V. NE 4-es láb= amikor ég: 6.8V, amikor nem: 7.5V. A BC182-k jól vannak bekötve, ugyanígy a 22µF-os kondik is. A 820, és a 220 Ohm-os ellenállások is jók. Üdv.
Hello!
Nos, hát elég egyértelműen a bemneti 100kohm, vagy 1kohm-os ellenállással van a probléma. Tekintve, hogy a bemenő trranzisztor előtt más már nem igen van, és az első tranyó bázisában jelentős eltérést mértél. Véleményem szerint még mindíg a 100kohm megnyúlása-szakadása a legvalószínübb. Mint ajánlottam, tegyél helyette két db. 47kohm-os ellenállást sorba. Egy ellenálláson, nem túl jó ötlet a 400V-os impulzus. Az ellenállásoknak, nem csak ellenállásuk és teljesítményük van, hanem maximális feszültségkorlátuk is. Még akkor is, ha az a teljesítményt nem haladja meg. Ezt néha tervezők sem veszik figyelembe. A tápegységed még mindig nem tetszik. A ZPD 9,1 zéneren illene minden esetben 9,1V feszültséget mérni. Mivel a 820ohm és 220ohm soros eredője közel 1kohm, és a tápfesz mérésed szerint csak 11V-van, az ellenállásokon csak 2mA áram folyik. Ennek kell táplálnia a zénert, és a BC bázisáramát. Hát ez elég csekély, a zéneren illene kb. 5mA áramnak folyni, hogy a feszültsége megfelelő legyen. Javaslom, hogy a 820ohm ellenállást cseréld ki 330ohm értékre. akkor ebben az esetben is kb 4mA-re számíthatunk, és 14V táőfesz esetén sem megyünk 10mA fölé. (Ja és a ZPD ne egy ZY vagy más "bika" zéner legyen, mert azok könyökfeszültségéhez, nagyobb áram szükséges.) A tápfesz stabilitása azért fontos, mert ez táplálja az NE555-öt, ami az integrálandó impulzusokat állítja elő. Kimeneti jelének átlagértékét, az impulzusok kitöltési tényezője befolyásolja, de az impulzusok amplitudója is. Ez a mérési pontosságot is befolyásolja. És ha ez változik azzal, hogy hány led ég, akkor....? Szóval az NE tápja legyen mindig 9,1V-0,65V azaz kb. 8,45V de mindenképpen állandó! üdv! proli007
szevasztok:van egy thomzon 2939 tv-m londonból lett behozva olyan érdekes hibajelenséget produkál,ha kb 150v-ra leveszem a feszültséget aránylag jól müködik,ha viszont 230-on van ki-be kapcsol.ésolyan mintha függöleges hiba lenne,ha 150v-tal müködik semmi nem melegszik,egyébként a hang részében volt egy tök zárlatos kondi söt megszakadt egy ellenálás is ,ez egy18v-os tápban volt,mit nézzek ,merre induljak a panelom üdv:lali
Üdv!
Szerintem a tápkörben levő elkókat cseréld ki első körben. Utána méregesd ki at ellenállásokat nem nyúlottak-e.
Ja szerintem is a tápnál lehet baj!Milyen fesztartomány van ráírva gyárilag??
szevasztok:igen erre én is gondoltam 3db kondi van a tápban azokat kicseréltem, söt végigmértem az ellenálásokat is,de nincs változás,az alaplap tipusát se látom megprobálom feltenni a rajzát üdv:lali
Ha az optocsatoló 3-4 lábát rövidre zárod akkor is kikapcsol?
szevasz:igen megjött a teljes kép,probáljak valamilyen tápotnézni ami meghajtja az optot,vagy van valami jó lehetőség üdv:lali
Valószínű, hogy valami tulterheli a tápot és leold a védelme. Próbáld meg a sorkimenőt lés a nagyfesz trafót leválasztani és egy 220/60W izzót bekötni. Ha igy stabilan üzemel a táp akkor valószínű ebben a körben lesz a gond.
szevasz:sajnos a sorkimenöt tudom vizsgálni és az jó,az égös megoldást probáltam,de akkor is leold,furcsa modon probáltam járatni de semmi melegedő alkatrészt nem találtam,egyetlen egy fucsa hogy tudom szabályozni a feszültséget,és150v-tól lefelé jól müködik,azután nekem a gyors javitás megszünt és itt a bukta,fog müködni csak rengeteg idővel amiből kevés van,egyébként köszi a segitségeteket üdv:lali
szevasztok:vasárnap éjfélre megszületett a mü,a rajzon lévő R822-es ellenálás a tápban olyan szépen hiányzott,hogy felse tünt hogy ott volt valami,ez egy 10-ohm 5w-os,annyira nagy hogy nem tünt fel hogy hiányzik,köszi mindenkinek hogy legalább lelkiekben és természetesen,szakmailag segitettetek köszi m indenkinek és üdv:lali még csak annyit hogy a táp kikapcsolt égös terhelésnél is,a sort tudtam ellenörizni hogy jó-e
Sziasztok!
Lenne egy olyan kérdésem nemtudom hogy volt róla szó de van egy Simson s51/b motorom és csinálnák hozzá egy fordulatszámmérőd(ezt gondoltam:kép) csak az az egy problémám hogy a motorom 6v-os ez a mérő meg 12v os rendszerröl fut. Mit tegyek hogy mennyen kell hozzá valami áramerősítő vagy csak át kell számolni az ellenállásokat? Szeretném ha segitenétek, megvan hozzá az összes anyagom ja és megszakító kalapácsos tehát mással nincs problémám. elöre is várom az ötleteket.Üdv.:Tomi
Szia!
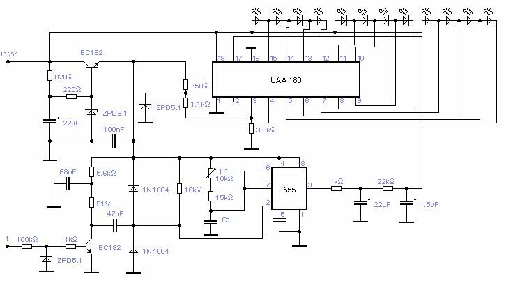
ez a kapvsolas valójában 8,4 V ról megy szerintem minden további nélkül mehetne 5V ról is. A 9,1V zénert 5,6V sra cserelni az 5,1est meg 4,7--4,1 Vta az ehhz tartozó osztón állitani kell-----nemérésnél. a Leedeket a sorosról párhuzamosra kell átkötni+ ellenűállás 12 db... másik módszer : a töltó--világitó tekercshez cinálsz fesz 2X kapcsolást -- megfogod 1 nagyobb zénerrel 15V-on -és kész van . ez az 1Xúbb + olcsóbb is.
Én az UAA (infineon) -ról azt találtam ,hogy a min táp 10V bár nem tudom a párhuzamos ledekhez mit szól,mert ott is sorban voltak.Szerintem is a fesz kétszerezés marad.
Szia! Azt hogy gondoltad, hogy az UAA kimenetein lévő LED-eket párhuzamosan kötöd?
oké köszönöm mindenkinek elöször kipróbálom a másik alkatrésszel utána megépítem az invertert
Köszi mindenk
Sziasztok!
Hát abban kérném segítségeteket hogy van énnékem egy olyan szerkezetem aki villanykörtéket vezérel ütemre. Na és van őneki 3 kimenete (közép mély magas) amin a feszültséget szabályozza ugye az áramkör! Na most nekem csak az egyik kimenet működik a többin mindig 230V van, Akármerre is tekerem a potit! Van rajta visszajelzés (ledek) azok villognak ütemre! Na és vajon mi szállhatott el! Én a triac-ra tippelek, de azt nemtom hogy lehetne megmérni! Szerintetek!??????????, Ja itt egy rajz az enyém is ehhez hasonló: http://www.freeweb.hu/bss/index.php?id=121
Heló!
A két triakot cseréld ki benne, valószínű hogy az a baja. Ha úgy sem lesz jó, akkor az optocsatolókat is, úgy már jónak kell lennie.
Hello!
A Triac kipróbálásában szeretnék segítséget nyújtani, ezzel a kis "áramkörrel". Működése: - Ha ráteszed a tápfeszt, a lámpa sötét. - Ha megnyomod a "ON" gombot, a lámpa ég. MÉg akkor is, ha már elengedted a gombot. - Ha megnyomod az "OFF" gombot, a lámpa elalszik. Még akkor is így marad, ha a nyomógombot elengeded. (vissza kapja a tápot) - Ha mindent rendben találsz, akkor megfordítod a telep polaritását, és előlről kezded a vizsgálatot. (tekintve, hogy a triac mind két irányban működik) Természetesen ezzel a kapcsolással tirisztor is vizsgálható, de az csak egyirányban működik. A tápfesz és a lámpa feszültsége lehet más is. De a lámpa áramának a triac/tirisztor tartóáramánál nagyobbnak kell lenni. (egy ellenállás/Led-es jelzéssel , nem biztos, hogy jó) Ha a 100ohm-os ellenállással sorbakötünk egy 1kohm-os huzalpotit, akkor azzal a triac/tirisztor Gate érzékenysége is ellenőrizhető. üdv! proli007
Hi
Emberek kellenne egy kis segítség. Megcsináltam a 2 képen látható gyujtást. Visszont nem akkar pörögni a motor, 2,5e Rpn-nél meghal ![]() Hall kapcsolását pedig egy forgó lemezzel/tányéral kapcsolom. A hall szenzorral szembe van egy mágnes és e közzé reaktam be a "perforált" lemezt. A lemez kivágását próbáltam elösször 40%-60% ba csinálni, tehát a kör alakú lemez 40% kivágtam 60% pedig ugy hagytam. Aztán próbáltam a 10%-90%-est és a 60%-40% arányt is, de ugyanaz. Sőt itt már löt is vagy ketött. Szóval a gyujtáson IFRBC30 as FET-et találtam csak ithon, nem a legjobb de próbának gondolom jó. Vagy ez lenne túl lasú kapcsolni a buy69-et? A rajzott egy ittenni Mester csinálta, de Őt pár napja nem tom "elkapni", ugyhogy ha van bármi véleményetek örülnék neki Ja még annyí hogy kapot egy 15V supressort a táp elején, de ez szerintem akkár melékes is lehet. A kondi 220n/600v, ellenállás 2,2M és zy200 diodák vannak a végén. Ez a gy.modul (a kapcsolás vége) már ment egy transzisztoros meghajtással csak az jóval macerásabb és melegedösebb volt, és persze még megszakítós.
Ráírhattad volna az értékeket a rajzra... A trafó alatti két ellenállás helyből nem tetszik.
Pontosan melyik tipusszámú hall-t használtad fel?
Másképp kérdezem:mikor világit a led? Ha a lemez a mágnes és a hall közt van,vagy akkor ha nincs közte.
Unipolárist a 4905-öst, a led pedig a akkor vill. ha a mágnes tér éri, azaz ha kivágot résznél van.
A válaszod szerint akkor ha a kivágott rész ér oda a hall-hoz kezdetét veszi a bekapcsolás,a fet vezet,és bekapcsolja a BU 69-et is,és elkezd folyni az áram a gyújtótrafón keresztül,és növekszik a vasmagjában tárolt mágneses energia. Ez az energia akkor alakul át induktiv feszültséglökéssé, amikor a kivágott részt felváltja a zárt, magyarul ekkor keletkezik a szikra. A hallt úgy kell beállitani az alaplap forgatásával,hogy a szikra keletkezése a felső holtpont előtt legyen pár fokkal. A jeladó lemez takart és kivágott részeinek arányával tudod a kapcsolás áramfelvételét,teljesitményét beállitani. Véleményem szerint egyhengeres kétütemű motornál bőven elég a 40% kivágás is.
Hi
Ez tiszta, tsak az a baj hilyába beállítom a pl.:2,7mm, 3mm elögyujtást (fokban nem tom) akkor se pörög többet 2500-tól. Vissza leesik a fordulat s ha van kedve vissza jön töbnyíre meg leáll. Ezért játszottam a lemezzel/kivágással. Igy jutottam arra hogy talán a FEt lenne a ludas, de nem tom. Egyépként 250 ETZ-be van. A 2.7mm-3mm előgyujtás biztos jó mert Én evvel jártam velle, igaz megszakítóval tsak nem gyöztem utánna állítani. Meg idövel s föleg pénzel rakni akrok bele IGC 60-as elögyujtás szabályzót, de ez egy másik történet |
Bejelentkezés
Hirdetés |




ja és megszakító kalapácsos tehát mással nincs problémám. elöre is várom az ötleteket.









