Fórum témák
» Több friss téma |
Hi
Megvettem a 2N3055-öst, de csak 2db lába van . A rajzon "szerinet" 3 lábat kell bekötni. Akko most hogyis van?Segítsetek.
Hi Mindenki
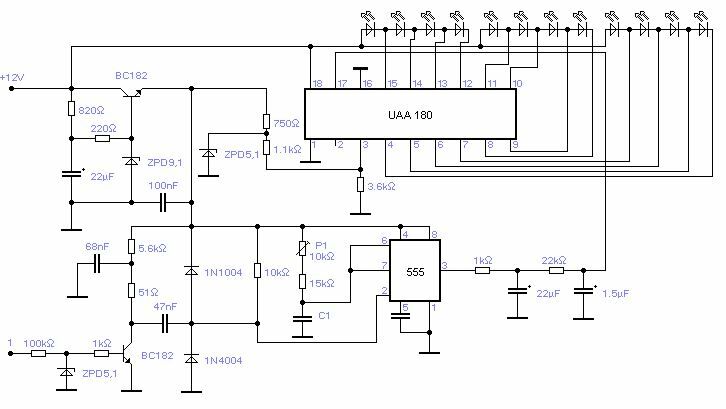
Összeraktam a fordulatszámmérőt , mivel nem akkartam egyből a gyujtásmodulomat reckiróztatni(új) ráraktam a 2ütemű motromra. Itt 3000 fordulatnál világított a másodig led, tom hogy játszani kellet volna a 10K potival, de csak tesztelni akartam. Szóval müködöt !A kocsiba berakásnál elkapkodtam ergo elb*sztam Felcserélt tápot kapot és nem mükszik. Anyíra már rájöttem, hogy a 2N3055 és a zéner tutti hogy kiment. Így ezeket kihagyva (az eredetin nincs) kipróbáltam, de semmi, pedig amikor tápot kap végigvilog az öszes pilla az egész. Amikor leállítom a kocsit akor az utolsó motorhangnál felvilan kb.: 3-4 led. Tipeket várnék hogy mi mehetett még tönkre ? Talán transziztorok(bc182) és IC-k(555,UAA180) vagy még a Z. diodák is ? Sajnos még a miértekhez nem nagyon értek, lassan már egy rajzból összetudok rakni egy kapcsolást, de ennyi a tudomány. Ja igyen néz ki, a ledeket még csak összehajingáltam hogy mükszik-e egyáltalán. Az utolsó képnél a fokusznak jobban tetszet a szines vezetékek
Profi módon úgy lehetne ezt letesztelni, hogy készítesz egy "motorszimulátort", egy 555-ből felépített oszcillátort. Jó ha van ilyen otthon, jó lesz ez másra is!. Na ennek az impulzusait rájuttatod a bemenetre (vagy csak az 555 bemenetére) s a kapcsolásban levő 555 kimenetén megnézed, hogy vannak-e impulzusok. Ezt egy akármilyen piezo hangszóróval meghallgathatod. Ha jó, akkor méhetsz tovább, az UAA csak egyenfeszültséget kap a bemenetén, cerkaelem rá, s mit okoz.
Egy zener dióda szerintem nem valószínű, hogy tönkremegy, mert gondolom ott van sorba vele egy áramkorlát, amely nyitóirányban is működik. Vélemény?
Hi
Kicserléltem a BC-ket, az 555-öst és a 2N3055-öst, újra él. Mivel újra cserélgettem a kütyüket rájöttem hogy kimaradt a 100K ellenállás a trafó bemenetről(hupsz), de viszont müködöt, amig megnem kapta a fordítot feszt. Naszóval összeraktam a 100K ellenállásal de semmi, nem villan be egy led sem. Ugyhogy vissza leszedtem a 100K ellenállást, be se indul a motor ha rajta van a fordulatszámmérő. Amikor leszedtem beindul, megpróbáltam menetközben rárakni, szikrázik az 1 pontnál s leáll, de ahogy áll lefele a ledek elkezdenek vilogni. Szerintem jól. Na szóval mi engedtheti át azt az áramot ami miatt nem indul a motor, ha pedig rárakom menet közben leáll. S miért szikrázik, letestelem az áramkörrel a trafót? Valami kondi purcanhatott még ki? De annak külső nyomai vannak nem? Segítsetek.
Az "alsó" BC-vel, vagy attól kifelé van a gond. A bemeneti fokozat nagy terhelést ad a gyújtásodra. Ellenőrizd le az alkatrészeket, a kapcsolási rajz szerint működnie kell. Jó a zener? Ha 100k nélkül teszed rá a gyújtást, azt igencsak megviseli.
Hi
Megnéztem amit mondtál(kicserléltem az összest) működik. Már csak annyi bajom van vele hogy nem hiteles! A 10K potit kicsutkáztam ahogy kétüteműre kell. A moci fordulatszámméröje bőven 4000rpm felet volt a ledből pedig csak a negyedik vilant fel. Gondolom mivel 12 db led van és 500-tól 6000rpm-ig mér igy 500rpm-enként kellene egy lednek felvilanija. Szóval mitlehet ezen még bütykölni, hogy igy müködjön? Gondolok Én valamijen kisebb ellenálásokra stb.
A LED-ek közti feszültséglépcsőt az UAA felső és alső referenciafeszültsége határozza meg. A kettő közötti feszültségkülönbséget 13 (11?) egyenlő részre osztja. Az alsót célszerű a testen hagyni, elég csak a felsőt változtatni egy trimerrel pl. Feltételezem, hogy az 555 időzítése és az azutáni szűrő be van lőve, igy az lineáris.
Hi
Hát hogy is kezdejem, mi az a trimer?Az potméter lesz gondolom Én. :A kapcsolásom igyen néz ki A ledeket iga ugy kel bekötni hogy a pozitiv lábukat összekötöm a negativara pedig 1-1 Ic láb megy? Mondjuka 555 után lévő 1,5µF kondi nem volt s kapot helyette 2,2µF-ost, de azt hiszem hogy erre Te válaszoltál. Tsak nem ez a gond mi?
Sziasztok!
Az mitől van, hogy működik rendesen a fordsz.mérő, és néha egy pillanatra megszűnnek a ledek. De ez tényleg csak egy pillanat, és már vissza is tért a normál kerékvágásba. Ilyet nem vettem észre, amikor még nem volt védelemképpen a +12V és a GND közöztt egy 15V-os zéner. Lehet, hogy az okozza( Lehet, hogy ilyenkor véd a tranziens áramok és a túlfesz ellen?) ? Üdv.
Hi
Kész van, s beis van hitelesítve!!!! Kicseréltem a 68n kondit, nem adot át elegendő "jelet" 22n-osra biztrosabban vilognak a ledek. A kalibrálást pedig az UAA180 3-es lába elöl kiszedtem a 3,6K ellenállást és beraktam egy 5K potit. A moci fordulatszám mérőjéhez pedik belöttem a két potival(10K,5K) segítségével. Igy nagyon pontosan lehet játszani vele. Nekem csak így mükszik jól. Az autóba berakás elött majd ugyanezt fogom eljátszani, azaz olyan kocsiba fogom letesztelni amiben van fordulatszámmérő. Lesz az enyében is
Bocs, rosszul írtam: trimmer és helyes az elképzelésed, csak épp nem üzemszerűen állítjuk, hanem csak egyszer. Jó esetben. Bővebben: Link
Bancsi, szerintem ez kontakthiba.
Hi
Ezt nem értem: "csak épp nem üzemszerűen állítjuk, hanem csak egyszer. Jó esetben." Azaz nem lehetne üzemközben állítgatni, vagy valami ilyesmi? Ja beraktam az autoba és nagyából jól vilogot 2 led alapjáraton, szabálynál pedig az utolsó, szerintem ez igy jó lesz ![]() Rakok fel képet a kész nyákró s hova lesz berakva.
Tehát pl egy trimmerrel, nem úgy bánunk mint mondjuk egy hangerőszabályzóval a hifi tornyon, henem beépítjük, az élesztés során beállítjuk azt, majd elfelejtjük. Később esetleg finomíthatunk rajta, ha valami elmászott. Jó példa lehet a Te kapcsolásodban az IC "méréshatárának" beállítása. Biztosan nincs pont olyan fix ellenállás, amilyen kell, hát be kell tenni egy trimmert, azt beállítani épp akkorára amilyen kell és úgy hagyni. A mindennapos használat során lehet ugyan állítgatni, csak nem erre találták ki. Valószínűleg nem is bírná a sok tekergetést...
Hi
Ok, értem. Kész van. Belöttm egy másik kocsiról ugyhogy ugymaratd ahogy van. Köszi mégegyszer.
Sziasztok!
A múltkor már írtam erről a problémáról. Működik rendesen a fordulatszámmérő és egyszer csak megyszűnik az összes led, majd visszajön. A múltkor ez még csak egy pillanat volt, most már egy jó pár másodpercre nyúlt ez az idő. Azt írták, hogy kontakthiba. Biztos ez? Ha igen( ha nem) mit tegyek? Üdv.
Hali!
A kontakt hiba keresése, elég háládatlan feladat. Ha van rá módod, először mérjél tápfeszültségeket mikor még működik, meg amikor nem. Ebből megtudhatod, mi áll le. Ha nem férni hozzá üzemközben, ideiglenesen vezesd ki a pontokat. üdv! proli007
Sziasztok!
Most már olyat is csinál, hogy több percig sem világít. Reggel indításkor indult a kocsival, majd kialudt, és egészen a suliig nem csinált semmit(kb. 4-5 perc). Aztán visszafelé a sulitól újra működött. Mint már írtam az eredeti kapcs.hoz mérten a +12V és a GND között van egy 15V-os zéner záróirányban. Ha ezt kiveszem, segíthet valamit( biztosan nem ez okozza)? (Amíg nem volt ez a zéner, addig ilyen nem volt vele, gyönyörűen működött, csak 2,5 hónap után elpatkolt az UAA180. Ezért raktam be a zénert.) Üdv.
No Comment. Az-a zéner nem-ér egy vödör moslékot, hacsak úgy rákötötted a tápra, (láma megoldás)
Amgy egy képet nem szúrunk be kétszer, ugy-e? Hivatkozhatunk rá Link -el is,..
Hello!
- A zéner biztosan nem okozhat ilyen problémát, mert ha igen, akkor annak "maradandó nyoma lesz"! - Egyébként a rajzon nem tüntetted fel az ominózus zénert! - Legnagyobb valószínüsége, egy kontakthibának van, ami pld. esetleg hőre változik. Nézd meg mi melegszik, és ott kutakodj. Lehet simán szemmel is látható a probléma. - Nem írtál semmit, hogy mértél-e valamit, vagy sem. - pld. UAA 18-as lábán, NE555 4-es lábán... - Probléma lehet, ha a bemeneti 100kohm pld. megnyúlik a gyújtásfesz hatására, mely kb. 400V-os impulzus. Ezt egyébként - a biztonság szempontjából - célszerű két részből elkészíteni, és az egyiket közvetlen a gyújtótrafónál elhelyezni, másikat a bemenetnél. (pld.: 47-47kohm). De okozhatja a kimaradást, a P1 poti kontakthibája is. (Csak tippek!) - Mérhetsz még az NE utáni 1,5µF-os kondin is, ahol a fordulattal, közel arányos analóg feszültség mérhatő, így eldöntheted, hogy a jel előállításánál (NE555) , vagy a kijelzésnél (UAA) képződik a hiba. üdv! proli007
Valve!
Légy egy kicsit elnézőbb!! Bancsi kezdő, és nem lebaltázást, hanem segítséget kért. köszi! proli007
Szia!
Hát jobban megnéztem a műszert. Kicseréltem egy vezetéket, ami a (+) ágat hozza, mert kicsit szét volt már a vége( gondoltam nem-e ez mozgott és azért volt ez), egy friss, vastagabb vezetékre. Megnéztem a kapcsolást( bár kicsit nehézkes hozzáférni, úgy, hogy be van kötve), szemre nincs vele semmi, minden szép tiszta, semmi se feket v. szürke. Az alját is megnéztem, de a forrasztások is jónkak tűntek. Bekötve mértem a következőket: A tápfesz a kocsiban a motor járása nélkül kb. 12.9 V. Miközben jár a motor és égnek a ledek( csak 1, mert alapjáraton ennyi ég) akkor a tápfesz. kb. 13.7V de ennek a tizedesjegyei ingadoznak egy kicsit, mert alapjáraton jár a kocsi, amikor elaludt a led a tápfesz. kb. 13.6V de ennek a tizedesei szintén ingadozik, mint azt előbb már írtam. Ha felpörgetem a motort akkor a tápfesz.( értelem szerűen) megugrik 14V környékére. Nem tudom ez mennyit segít. A diódát kivettem, mivál állítólag magában úgy sem ért volna sokat. Próbáltam "rákoppintani" az alkatrészekre, mikor nem égett, de változó esetekben jött vissza a led működésbe. Hol éppen a pot.méterre koppintottam, hol éppen egy kondira, szóval szerintem ebből nem sok minden derül ki. Többször beindítottam a kocsit, már volt, hogy azt hittem, hogy működik, mikor elment újra minden. Az utolsó próbánál elég sokáig égett, s úgy állítottam le a kocsit, hogy égett. Remélem tudtam valami hasznosat írni amivel előbbre kerülünk. Üdv.
Először megpróbálnám lefogni a hozzámenő vezetékeket (hogy csak a panel mozduljon kopogtatásra) ,azután ha így CSAK a panel kopogtatására változik valamit a kijelzés akkor a vezetékek bekötését ellenőrizném,ha ez sem vezet eredményre akkor bizony a panelen az előbb említett (proli007) pontokon mérném a feszültséget .A jel útjában ahol legelőször kopogtatás hatására jelentősen változik a feszültség , az az előtti alkatrész csoport a ludas.
Hello!
Vedd ki azt a vacakot a kocsiból, és az asztalon kínozzad. Lehet többre mész. Egy Ne555-ből készíthatsz hozzá jeladót a gyújtás helyett. Vagy egy kistrafóra egy greatz és azt tedd a bemenetre. (kondi ne legyen benne!) A bemeneti ZPD5,1-el párhuzamosan tegyél egy 10kohm-os ellenállást. Lehet, hogy a bemenet rossz kialakítása miatt van bizonytalanság. Mérni nem fogsz? üdv! proli007
Szia!
Na mértem! Kis trafó egyenirányításával és annak jelével 2db led ég. Amikor ezek égnek: UAA 18-as láb 11.2V ,NE 4-es láb 6.87V , az 1.5µF-os kondi lábain : 0.63V Amikor a ledek nem égnek: akkor az UAA 18-as lábán a fesz. egészen 11.65V-ig ment fel, az NE 4-es lábán 7.5Vra. Vizsgálódtam tovább és azt vettem észre, hogy a kapcsolásnak a bal alsó sarkában lehet valami, mivel ha ide koppintok, akkor elmennek a ledek, ha máshova akkor viszont nem.( a képen látszik a) Sőt ami még érdekesebb, hogy az NE 3-as lábán( ami ugye a kimenet) amikor égnek a ledek akkor a fesz. közel azonos az 1.5µF-os kondi lában mérthez/ talán 1-2 tizedV volt néha a különbség/, ám amikor nem égnek a ledek akkor abszolut nincs feszültség( 0.00V) se a kondin , se az NE 3-as lábán. Üdv. ui.: akkor ezekszerint nem a kijelző résszel van a gond szerintem.
Próbáltad már átforrasztani a lábakat? Lehet, hogy ilyen jellegű kontakthibád van. Esetleg, bár elég durva ötlet, a potid csúszóérintkezője el tud emelkedni a vezetősávtól.
Szia!
Nézelődtem már e téren, de kézzel nézve nem mozogtak a forrasztások, de megnézem mégegyszer, kitudja, hátha átfutottam valami felett. Üdv.
Ne kézzel mozgasd, azaz ne légy biztos abban, hogy ami szemre stabilan tart, az jól is vezet. Nem nagy munka szippantóval lekapni azt a pár forrasztást, és újrarakni, ha arról van szó.
Persze nem biztos, hogy ilyen hibád van. Egyszer javítottam egy panelt, amin egy elkónak a lába volt kontakthibás, de a kondin belül, valószínűleg feszegetés következtében megszakadt benne a kötés.
Hello!
Na látod, ez már valami. - Akkor villany az van az áramkörökben. - Ha a kondin nincs fesz mikor nem megy, akkor az azt jelnti, hogy az NE bemenetére már nem jut jel, amikor nem megy. A sarokban is ezek az alkatrészek vannak. - Tovább kell méregetni. Tranyó bázisban, kollektorában, NE 2. lábán, mert valahogy a bemenetről nem jut el a jel az NE 2-esére. (úgy néz ki) Idézet: „Sőt ami még érdekesebb, hogy az NE 3-as lábán( ami ugye a kimenet) amikor égnek a ledek akkor a fesz. közel azonos az 1.5ľF-os kondi lában mérthez” Ebben semmi különös nincs. Az NE 3. lábán impulzusok vannak, és erre csatlakozik a két integrátor fokozat, minek kimenete az 1,5µF-os kondi. Az integrátor, átlagértéket képez a jelből. Viszont a műszer is átlagértéket mér, tehát hiába kap impulzusokat, annak is a kitöltés szerinti átlagát méri, ugyan azt, mint az integrátor után. Ezért egyforma. Szkóppal, már mást látnál. Viszont, ha a fordulatmérőd négyütemű négyhengeres motorhoz készült, akkor a kistrafóval és greatz egyenirányítóval hajtva, 3000 fordulatot kellene mutasson. Mert négyütemű motornál, két körülfordulásonként van egy gyújtás. Viszont mert 4 henger van, az két impulzus, per körölfordulás van. (4*0,5) 3000ford/perc = 50 impulzus/sec (3000/60) De mivel fordulatonként 2 impulzus van, ezért ez 100impulzus/sec azaz 100hz. A kétutas egyenirányító után, pont 100Hz van. Ha nem ennyit mutat, akkor vagy a monostabil ideje kicsi (NE555 P1-15kohm-C1), vagy az UAA referencia feszültsége nem jó. (az első tipp valószínűbb) Ha tényleg négyütemű négyhengeres motor van, és a fordulatmérőd vége 6000, akkor a referenciát (UAA 3. láb=4V) figyelembevéve 100Hz mellett, az 1,5µF-os kondin 2V feszültségnek kellene lenni. (ha a számításaim jók.) A tápfesszel is van némi bajom. Ha a zéner 9,1V-os, akkor az NE 4. lábán, minden esetben, kb. 9,1V-0,65V (BC128 B-E) feszültségnek, tehát kb. 8,5V-nak kellene lenni, ráadásul bármennyi led ég is. Nézd meg, hogy a 820ohm-220ohm jó-e. BC182 jól van-e bekötve, vagy a 22µF-os kondi nics-e fordítva. (A testen kell a minuszának lenni!) üdv! proli007 |
Bejelentkezés
Hirdetés |




. A rajzon "szerinet" 3 lábat kell bekötni. Akko most hogyis van?
A harmadik láb a ház. Az a kollektor.












