Fórum témák
» Több friss téma |
Mielőtt kérdezel, a következő két dolgot ellenőrizd!
I. A helyes tápfeszültségek megléte.
II. A kimeneten van-e egyenfeszültség.
Élesztés.
Pontosítok , a munkapontot a bázis ellenállásokkal állítjuk be , a tranzisztoron folyó áramot állítjuk az R9-R10 értékével ?
Ne hagyd figyelmen kívül D1, D2 Zener-diódákat, melyek 15 V-ra korlátozzák a feszültséget. A T1, T2 nyugalmi árama R11, R12 ellenállásokon jön létre, értéke 3,5-4 mA. (szerk. sőt még ennél is kevesebb mert az R27, R28-on is elfolyik 0,3 mA)
Az R9, R10-en folyó áram ebből és a Zener-eken folyó áramból tevődik össze. A hozzászólás módosítva: Dec 19, 2024
Szia , köszi figyelek ezekre is.
Hétvégén lesz időm ezzel a projektel haladni , berajzolom Tinába , kíváncsi vagyok hogy milyen mérési eredményeket produkál a kapcsolás szimulátor környezetben,a módosított tápfeszültséggel illetve mai modern félvezető készletre szeretném cserélni azokat ,ami benne vannak
A szimulátor nagyon hasznos lesz. Rajzoltass vele AC Transfer karaktirisztikát!
Látni fogod mennyire el van méretezve a bemeneti R2-C2 aluláteresztő.
Ha jól számolom a C1 -R1-el felépített felüláteresztő szűrő 15,915Hz feletti frekvenciat engedi át. Az R2-C2 aluláteresztő szűrő pedig 3,386kHz alatti frekvenciát engedi at.
Ez igy valóban kicsi sávszélességet ad. Viszont az eredeti cikkben nem tértek ki rá, miért ilyenre tervezték. Egyáltalán nem elég egy aluláteresztő? Miért keleltt utána egy másik szűrő
Köszönöm!
Ezek szerint elírták. Még egy kérdésem lenne , cikk szerint 8-16 Ohm-os hangfalakhoz lett méretezve a kapcsolás. Nekem 4-6 Ohm-os hangfalaim vannak , így érdemes lenne ehhez igazítani. A nagyobb áramok miatt szerintem R19-R20 ,R18 ,R23-R24 ami módosításra szorul ? Vagy ha rosszul gondolom elmagyaráznád hogy számolandó?
Az R19, 20 a C3, 4-gyel alkot szűrőt az első fokozat táp számára, nincs vele teendőnk.
Az R18 biztosítja, hogy nullátmenet közelében a T7, T8 tranzisztor részben nyitva legyen, ezzel csökkentve a keresztezési torzítást. Ezt sem kell módosítanunk, ha nagyobb kimenő áramot szeretnék elérni. Az R23 és R24 értékének csökkentése valóban észszerű lenne 0,22 Ω-ra. Ha a T11 jó termikus kapcsolatban lesz a T9, 10 végtranzisztorokkal akkor így is kellően stabil marad a nyugalmi áram. A C13, 14 reaktanciája 3 MHz felett mérhető össze a végtranzisztor emitter-ellenállással, nem tudom érdemes-e foglalkozni vele. Mivel az R23, 24 valószínűleg számottevő induktivitású huzal-ellenállás, nem kötnék vele párhuzamos kapacitást, nehogy rezgőkör alakuljon ki belőle. Ha fázistoló szerep szánt neki a szerző, az az áramkör más pontján lehet praktikusabb lenne.
A tápfeszültség ±40 V-emeléséhez még hozzátenném, hogy a C3, C4 kondenzátorok feszültségtűrése legyen legalább 50 V.
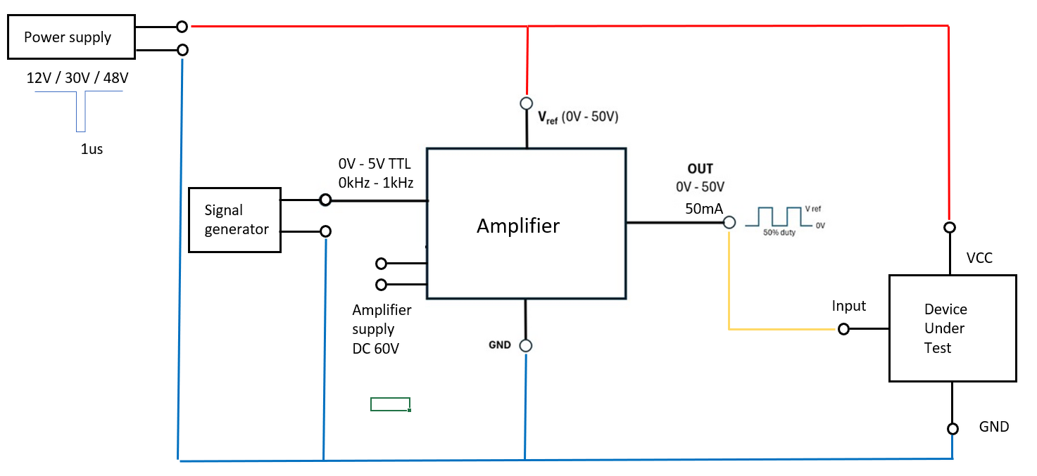
Négyszögjel erősítése referencia feszültségreSziasztok,Egy másik elektronika táp zavar tesztelése miatt építenem kellene egy olyan négyszögjel erősítőt amelynek két bemenete és egy kimenete van: bemenetek: 1) az erősítendő négyszögjel TTL 0-5V (0 - 1kHz) (védelem a jelgenerátor felé) 2) referencia feszültség 0 - 50V (sebesség >1us) (nagy bementi impedancia mely nem zavarja a referencia feszültséget a feszültség "levételekor") kimenet: négyszög jel amely ha a bemenet aktív akkor kiadja a referencia feszültséget. A tesztelendő áramkör kb. 2kOhm terhelést jelent. A referencia feszültség időben gyorsan változhat pl. stabil 12V (1s) után 0V (1us) majd megint 12V. De sok más-féle teszt van amiben a tesztelt eszköz táp feszültsége időben változik és ezt követni kell a bemenetére adott jelnek. Természetesen az erősítőnek saját megtáplálással kell rendelkeznie, hogy ne jelentsen terhelést a másolandó áramkörre. (pl DC 60V amit egy labortáppal meg tudok neki adni)
Kicsit zavaros a megfogalmazás. Mi a cél konkrétan? Mit kell erősíteni? Az 5V-os bemenetet?
Vagy az csak kapuzza az erősítőt? - " ha a bemenet aktív" Egy "referencia" feszültség nem változik, attól referencia, hogy időben nagyon stabil. Vagyis az inkább egy másik bemenet. Amit erősíteni kell 50V-ra a 12V-ról, ha TTL bemenet aktív? Vagy az a bemenet lehet akár 0-50V között bármi, és 50V-ot kell kiadni, ha a bemenet aktív? Sajnos nem egyértelmű, hogy mit is szeretnél.
Igen, a Vref bemenet lehet akár 0-50V között bármi, és pl 50V-ot kell kiadni a kimeneten, ha a jelgenerátorral kötött bemenet logikai 1.
Igazad van, a referencia nem jó szó ide.
Az eszköz egy analóg-jelvezérelt kapcsoló, amely egy analóg bemeneti feszültséget ad ki a kimenetén, amennyiben egy digitális vezérlőjel (TTL szintű négyszögjel) aktív állapotban van. Az analóg bemeneti jel szabályozza a kimeneti feszültség szintjét, míg a digitális vezérlőjel határozza meg, hogy a kimeneten megjelenik-e az analóg jel, vagy sem. Az eszköz egy digitális vezérlésű analóg kapcsoló, amely az analóg bemeneti feszültséget továbbítja a kimenetre, ha a vezérlő bemeneten aktív TTL jel található.
Így már érthetőbb egy csöppet.
Hogy érted, hogy az analóg bemeneti jel szabályoz? Ha csak ugyanaz az analóg bemeneti jel jelenik meg a kimeneten, akkor nincs erősítés, nincs szabályozás, csak egy kapcsoló elem, ami átenged, ha 5V-van a vezérlő bemeneten, és lezár, ha 0V. Ez az elképzelésed?
Az én olvasatomban az analóg bemenőjel (a "referencia") nem terhelhető.
Idézet: Tehát szerintem azt nem csak kapuzni kell, hanem "impedancia-illeszteni" is.„2) referencia feszültség 0 - 50V (sebesség >1us) (nagy bementi impedancia mely nem zavarja a referencia feszültséget a feszültség "levételekor")” Mekkora teljesítményt kell tudnia? 50 V / 2 kΩ -> max. 25 mA -> 1.25 W De csak akkor, ha a terhelés tisztán Ohmos! Ha nem az, akkor ennél lényegesen nagyobb pillanatnyi teljesítmény-igény is lehet. A tápegységét is fel kell rá készíteni, de az áteresztő / kapcsoló elemnek is el kell bírnia. Kapacitív terhelés esetén az átkapcsolás pillanatában nagy áram. Induktív terhelésnél pedig a visszarúgást kell kibírnia. Különösen, hiszen gyorsan kell az átkapcsolást véghezvinni. Első körben emitterkövető - de az a kimeneti feszültségből elvesz egy nyitófeszültségnyit. Második megközelítésben - kell egy 60 V-os tápfesszel (±30 V - így már nem annyira extrém) működő, és kellően gyors műveleti erősítő. Mivel a feszültségerősítése 1-hez közeli, így nem lesz kihívás elérni az 1MHz körüli határfrekvenciát (1 µs). * Harmadik nekifutásra - áteresztőelemnek én FET-et használnék. Végül - a TTL szintre történő ki- és bekapcsolás egyszerűen megoldható a műveleti erősítő miatt. * Vagy mégsem lenne elég? Idézet: „2) referencia feszültség 0 - 50V (sebesség >1us)” Idézet: „A referencia feszültség időben gyorsan változhat pl. stabil 12V (1s) után 0V (1us) majd megint 12V.” Ha a sebesség > 1 µs, akkor a 12 V-os szakaszok közötti 1 µs hosszú 0 V -os részből nem sok észlelhető... Vagy én értek félre valamit... Egyébként mi lenne a tesztelendő áramkör? Kapacitív, induktív vagy tisztán Ohmos?
Hello. Megjött pár kondenzátor. Cserélném ki a 47mikrós kondit. De amit küldtek az nem 25V-os, csak 16V. Jólsejtem hogy az nemfogja sokáig bírni?! Jobb, ha marad a 25V os?!
Biztos vagy benne ,hogy kikell forrasztani a 16os lábra csatlakozó 470nF os kondi GND re menő lábát? Nem elég csak egy extra vezeték darabbal a a bemeneti jel föld pontjára (közepre) kötni?
(Rövidre van vágva a lába szegénynek)
Mérj ráapanelen, hogy valójában mekkora feszültség vanazon a kondin. Lehet, hogy kisebb mint 16V. Ráadásul az elkók maximális feszültségét kis mértékben túl lehet lépni. Én tévedésből 55V-on üzemeltettem az 50V-os elkót. Eredetileg 63V-ost akartam betenni, csak az asztalon ki volt rakva az 50V-os. Egy fél év múlva vettem észre, mikor egy jack aljzatot kellett cserélni az erősítőben. Semmi baja nem lett.
Mivel a GND körbefut a panelen, az is megoldás, hogy azt a szakaszt ahol a negatív lába van, két oldalról kimetszed, de ezt inkább le fogom rajzolni.
Mértem a kondit. Elvileg 8V körül van. De mikor elkezdtem mérni 16-17V ról kezdett csökkenni és 8V nál állt meg. Azota 8V körül van.
Szerintem nyugodtan mehet bele a 16V-os.
Hello. Kicseréltem és átvariáltam a nyákon amiket mondtál. Szerintem jobb lett. Viszont ha nincs jelforráshoz csatlakoztatva erősen búg ,ahogy eddig is. Ezzel lehet valamit kezdeni?
Ha jól látom, a készülék dobozán a hangszóró csatlakozók, a bemeneti rca aljzatok, valamint a hálózati csatlakozó és a bekapcsoló gomb van. Hangerő potikat nem látok. Ha így van, akkor teszteld meg, hogy a bemeneti rca csatikat zárd rövidre. Ha a búgás megszűnik, akkor azt minden bizonnyal a magas bemeneti impedancia okozza. Az IC ugyanis 100kOhmos bemeneti impedanciájú. Nem tudom mi a jelforrásod, de ha például hangkártya, akkor annak a kimeneti impedanciáját alapul véve módosíthatod az erősítő bemeneti impedanciáját. Bár elvileg az a legjobb, ha a jelforrás kimeneti impedanciája a legkisebb, az utána csatlakoztatott valaminek pedig a bemeneti impedanciája a legnagyobb. Viszont ebben az esetben nyitott bemenetű végfok búgni fog. Ha a jelforrás kimeneti impedanciája magas, a jelet fogadó erősítő bemeneti impedanciája alacsony, akkor az úgy leterheli a jelforrás kimenetét, hogy annak a jelszintje lecsökken. Professzionális rendszerekben a jelforrás kimeneti, és az erősítő bemeneti impedanciája szabványosítva van. Például 600 Ohm mind a kettő. Otthoni szórakoztató elektronikai rendszerben nincs ilyen szigor, ott a forrás kimeneti impedanciáját úgy illik kivitelezni, hogy az maximum 1 kOhm legyen, az erősítő bemeneti impedanciája pedig minimum 10 kOhm. Tehát nem követsz el hibát, ha az erősítő rca aljzataira párhuzamosan ráforrasztasz egy-egy 10 kOhmos ellenállást. A szabadon hagyott magas bemeneti impedanciájú bemenetek ugyanis szépen összeszedik a statikus búgást.
Egyéb dolgok is közrejátszanak a búgásért, de mivel nagyon keveset láttam az erősítőből, ezért nem sok dolgot tudok javasolni. A plexi doboz bár nagyon szép, statikusan nem árnyékol semmit. Az rca csatlakozókig menő bemeneti vezetékek árnyékolása is lehet kérdéses, mert nekem volt olyan árnyékot vezetékem, amivel búgott az erősítőm. Valójában nem is volt árnyékolás, hanem csak néhány szál rézdrót futott a vezetékben árnyékolás helyett. Ilyen színes rca kábeleket csomagoltak a dvd játszó mellé. A hozzászólás módosítva: Dec 26, 2024
Igen, bontott rca alljzat van felhasználva. Ugy van bekötve hogy ha nincs 4 csatornás jelforrás csak 2 csatornás mint altalában minden az ,akkor egy billenőkapcsolóval párhuzamosítom a jobb és bal RCA bemeneteket. Így 2 csatorna a jobb es 2 csatorna a bal jelet kapja . A búgás mindenképpen jelen van akár párhuzamosítva van akár nem ,amíg nincs jelforrashoz csatlakoztatva. Jelforras ebben az esetben egy telefon ,de ez mindegy mert nincs rácsatlakoztatva amikor búg. Valóban nincs rajta hangerőszabályzó mivel a jelforras hangereje állitható.
De egy hangszínszabályzót nagyon elbírna. Tulsok a közép és magas taromány a mélyhangok elvesznek. A telefonon mindent minimumra kell állítani kivéve a ~100Hz alatti hangokat. Abban bízok az extra pufferkondik majd adnak egy kis öblösséget a mélytartománynak.
Szia! Úgy látom a hálózati kábelt összekötegelted a jelvezetékkel - nem szerencsés búgás szempontjából.
A tápszűrésed hatásfokát rontja, hogy a tápáram meg tudja kerülni a pufferek lábát és a graetz-puffer közötti vezeték még külön intenzíven megszórja a jelvezetéket. A tápot és az erősítőt jól el kéne különíteni!
A bemenet rövidrezárását lehet hogy félreértetted. Nem két bemenetet kell rövidrezárni, hanem minden bemenet jelvezetékét az árnyékolással. Azaz az rca csatlakozók belső és külső érintkezőit.
Még azt szeretném megnézni, hogy vannak bekötve a 10000µF-os kondik. A trafó szekunderén megy a dióda hídra, onnan fehér vezetékpár megy valahova, azt már nem látom.
Nos. Kipróbáltam a bemenetek rövidrezárását ahogy irtad rca külső és belső erintkezőit. És aztvettem észre ,hogy igazából csak akkor búg nagyon ,ha a kabel ami a telohoz menne, rávan dugva az rca-ra de a telora nincs. Ha kihuzom a kabelt szinte nem is búg, de ha rövidrezárom..., akkor meg végképp nem is búg semennyire. Lehet ,hogy az olcsó kábel az oka?!
Szia. Nincs összekötegelve de ott fut mellette az igaz. A többit amit irtál még felkell fogjam.
Idézet: „Nincs összekötegelve de ott fut mellette az igaz. A többit amit irtál még felkell fogjam” Elsőként a legfontosabb kérdés - le tudnád rajzolni a belső vezetékezést? 1, jelvezetés 2. testvezetékezés 3. tápáramvezetékezés (akár három teljesen külön lapon) TJ.
Ha csak telefonról használod, akkor a csupasz drót is elég lehet, nem kell beruházni semmi extrára. Mivel a telefon füles kimenete kisebb mint 32 Ohm impedanciájú, az erősítő rca aljzatára akár 100-1000 Ohm közötti értékű ellenállást is forraszthatsz, utána nem lesz gondod abúgással.
|
Bejelentkezés
Hirdetés |













