Fórum témák
» Több friss téma |
Mielőtt kérdezel, a következő két dolgot ellenőrizd!
I. A helyes tápfeszültségek megléte.
II. A kimeneten van-e egyenfeszültség.
Élesztés.
Mit látsz azon az emitter ellenálláson? Megtévesztő lehet, hogy át fut felette az egyik jelvezeték. Ezek egyébként 2 Wattos ellenállások a dokumentum szerint. Nálam ez az erősítő sok-sok órát ment már, clip határon, sztereóban és hídban is, a saját passzív bordájával. Ahhoz képest viszont nincsenek égésnyomok, vagy egyéb elváltozások.
Gondolkodok még egy kiegészítő bordán, de nem a jobb elrendezés okán. A hőkompenzálást szeretném vele üzembiztosabbá tenni. Az 565-nél a predriver-ek és driverek egy bordán vannak a végtranzisztorokkal és melegen borzasztóan lehúzzák a kimeneti lánc Vbe értékét. Nem vagyok biztos abban, hogy ez nem vezethet e majd instabil működéshez, passzív hűtés mellett. Amint látszik, ez gyárilag is így van többé kevésbé.
Elvileg ez is ugyanaz a kapcsolás, ha nincs nagy teljesítmény igény akkor kb. másfél gyufásdoboznyi méretben elfér, hidalva meg a duplája. Ha nincs rajta terhelés 52Vpp jön ki belőle egy csatornán.
Nem fog. Ha az emitterellenállások nem extrém alacsonyak, akkor nincs vele gond. Az nem érdekes hogy mennyire megy le a Vbe, csak a nyugaémi áram értékét figyeld! Én külön csatlakozót tettem erre a célra és így könnyen lehet figyelni folyamatosan, komolyabb igénybevételnél is.
Szerintem felesleges a külön borda. Csak komplikálja az életed. A képen 8 pár végtranzisztor és a két meghajtó fokozat közös bordán. A borda maga a tápsín is. +/-90V üresjárati táp, 600W/4ohmon.
Itt a kisebb modell 145/270/400W, a nagyobb pedig 270/425/750W. Ezért a 4 pár végtranzisztor.
Külön bordát használni a pre driverekhez csak akkor érdemes, ha már semmi más módon nem lehet felszerelni a végtranyók mellé. Akkor viszont külön kell figyelni annak a bordának is a hőmérsékletét, ami bonyolítja a nyugalmi áram beállító áramkört. Mivel minden tranzisztor egy PN átmenetet jelent, nálad a hármas darlington esetében a vég- és a driver tranzisztorok 4 PN átmenetet, a pre driverek 2 PN átmenetet jelentenek. Elméletileg ekkor kellene egy 2X-es BE sokszorozó a kiegészítő bordára, valamint ezzel sorosan egy 4X-es BE sokszorozó a fő hűtőbordára.
De mint írod, nem ez a gond, hanem szeretnéd pontosabban monitorozni a nyugalmi áramot a pontosabb nyugalmi áram stabilizálás érdekében. Elég nagy emitter ellenállások esetén nem fog megfutni az erősítő, de ha szőrszálhasogatásig szeretnél foglalkozni a dologgal, akkor engedj meg néhány észrevételt. Elegendően nagy hűtőborda, aktív hűtés és rossz hővezető szilikon gumis szigetelő alátétek esetén a hűtőbordára szerelt BE sokszorozó nem tudja pontosan monitorozni a végtranzisztorok lapkáinak hőmérsékletét. Ebből adódik, hogy üzem közben nem marad stabil a nyugalmi áram. Meg lehet próbálni a BE sokszorozó felszerelését az egyik végtranzisztor hátára, mivel ott gyorsabban és pontosabban lehet monitorozni a lapka hőmérsékletét. Ebben az esetben viszont adódik egy túlkompenzálási probléma, mivel az egyetlen BE sokszorozó a driver és a pre driver átmeneteket is a végtranzisztorok hőmérséklete alapján fogja kezelni. Mivel a driverek és a pre driverek viszonylag alacsony disszipációs szinten vannak, ezért vélhetően a köztük és a hűtőborda közötti hőmérséklet különbség is csekély marad, így azok monitorozása nyugodtan mehet a hűtőbordáról. Két soros BE sokszorozó lesz így, amiből az egyik lehet fix, a másik pedig trimmerrel állítható. Természetesen nem kell ennyire mélyen belemenni, de mivel nem igazán lesz tőle drágább az erősítő, nem okoz többlet költséget. Amit lehet nyerni egy stabilabb nyugalmi áramtól, az az alacsonyabb keresztezési torzítás. Van ugyanis egy optimális nyugalmi áram, ahol ez a legalacsonyabb. De ez is már csak szőrszálhasogatás.
Ennél az erősítőnél a predriverek egyáltalán nincsenek bordára szerelve. A-osztályban mennek és nagyon alacsony disszipáció mellett. A driverek gyárilag kiegészítő bordán vannak. Nem tudom, hogy mi volt az oka, de gyanítom hogy az amire gondoltam. Ez utóbbi volt a kérdéses. Viszont ha nincs értelme a leválasztásnak, akkor mennek a végtranzisztorok mellé. Nem akarok szőrszálakat hasogatni. Még mindig az egyszerűbb és ésszerűbb megoldást keresem.
Rendben.
Értekeztem a kereskedövel, szerdán tudom meg milyen méretü csévéjük van 84es vashoz. Ugy emlékezett a nagyobb méretü van de jelentkezni fog. Még egy kérdés hogy jött ki a 2000 primer menet.? Gondolom ez már rutinbol megy de érdekel.
Nem a Vbe figyelése volt a célom, csak fura volt, hogy a multiplier minimumán sem tudtam kikapcsolni a nyugalmi áramot. Kiderült, hogy a szabályzás a megadott intervallumon belül működik, a Vbe viszont alacsonyabbra csökkent a vártnál. Márpedig a két meghajtó fokozat túlmelegítése bizonyosan eltolja Vbe értékét. Itt viszont az előmeghajtót már kiejtettük a képletből, úgyhogy hiszek abban, hogy akár jó is lehet a két utolsó fokozat a közös bordán.
Én sen a Vbe-t figyeltem, hanem a nyugalmi áramot az emitter ellenállásokon eső feszültség mérésével.
Az, hogy le tudod e tekerni a nyugalmi áramot 0-ra vagy sem, az hidegen a fokozat méretezésén múlik. Ha melegen nem lehetséges, az semmit sem jelent, nem probléma. Az a fontos, hogy a melegedésre stagnáljon vagy enyhén csökkenjen a nyugalmi áram. Ha a predrivert nem rakod a bordára, akkor mindenképpen figyelned kell a környezetének a hőmérsékletét (például a közelébe telepített diódával), ez pedig része kell legyen a Vbe multiplier fokozatnak. Lásd. D3 és D4 a képen. A hozzászólás módosítva: Jan 5, 2025
Úgy, hogy sokkal több nem fér bele (neked a vékonyabb huzalból igen), illetve nem jó a sok menetszám mert alacsonyabban lesz a trafó saját rezonanciapontja. Látni láttam már kimenőt 1200 menetes primerrel is meg 3600 menetessel is, de egyik se volt jó.
A trafószámoló képlet meg nem változott az évtizedek alatt n= 1/(4,44xBxAxf).
Miért kellene figyelni az előmeghajtókat? Elméletileg kevesebb mint 500mW-ot disszipálnak maximum. Ráadásul a VAS és az előmeghajtó fokozat is 2SC3467, 2SA1370 tranzisztorokkal van megoldva, mindenféle hűtés, vagy érzékelés nélkül.
Mert melegednek és ettől változik a Ube feszültségük. Ha a disszipációjuk konstans, akkor a környezeti hőmérséklet emelkedése miatt fognak melegedni, ahogy a végfok melegíti a levegőt a dobozban.
Tapasztalatból beszélek.
Erre mondjuk nem is gondoltam. Így már értem, hogy miért is került olyan messze az előmeghajtó a bordáktól. Ilyenkor azért szépen körvonalazódik, hogy a mérnökök miért úgy csinálták ahogy...
Idézet: „Látni láttam már kimenőt 1200 menetes primerrel is meg 3600 menetessel is, de egyik se volt jó.” Pedig mind a ketto lehet jo, csak megfelelo csovel! Pl. 6C33C triodahoz az 1200 menet ok, megfelelo magon. Nagy belsoellenallasu pentodak, terodakhoz nagyobb menetszam szukseges.
Mekkora gerjesztéssel számoltál? Vagy inkább mennyivel szabad ezt a mezei trafovasat gerjeszteni.?
Az általad építeni szándékozott topológia megtalálható az Alesis RA500-ban.
Csatolom az SM ide vágó ábráit, hátha tudsz belőle ötletet meríteni. Mindig megcsodálom a szigetekre vágott fóliasávokat, magam még nem próbálkoztam vele. Az "öcsi panel" is érdekes megoldás. Ez a készülék termisztorral figyeli a hűtőbordát, a kapcsolódó ellenállások biztosítják a megfelelő karakterisztikát.
Érdekes elgondolás. Hazudnék ha azt mondanám, hogy jobban tetszik mint a hagyományos vezetékelés. Viszont azt sugallja számomra, hogy egy ilyen kategóriában versenyző erősítőnél nem kell olyan komolyan venni a tervezés ezen részét. A gyári adatok bőven hozzák itt is a régi erősítő értékeit. Ahogy elnézem, főleg a kapcsolás elejének az elrendezésére fektettek nagyobb hangsúlyt.
Ott ilyen 1,4T körül a legalacsonyabb (25Hz) frekire.
A több száz MHz-es nagyfrekis dolgok (tunerek, erősítők szűrők) azok általában úgy vannak szerelve. Nekem tetszik, de nem vasalás barát mert rengeteg tonerpor kell hozzá.
Viszont egyszerű erősítőkhöz jó, ugyanilyen szigetes módszerrel akarom most megcsinálni bakelit nyákra az átfogó visszacsatolásmentesített HTA-mat. Nem kell nyákot tervezni se nyomtatni se furkálni, leragasztom öntapadós fóliával, tapétavágóval belevágok néhány szigetet és csak maratni kell. Annyi, hogy én hagyok legalább 2mm-t köztük hogy kisebb kapacitás legyen a szigetek között. Az alkatrészek pedig a fóliaoldalra lesznek tetszőlegesen felforrasztva afféle félig meddig légszereléssel.
Bár ez nem nyákos topik, de talán belefér egy-két mondat.
Nagy szigeteket amúgy sem szereti a tonerpor, nekem ott mindig porózus lett a takarás. Ha viszont csak körbefutó vonatat nyomtattam, akkor az jó volt. A vonalak határolta területeket utána ki lehet tölteni bármilyen maratásálló anyaggal. Benzinben oldott bitumen, gyerektől örökölt üvegesték, feleségétől lopott körömlakk.
Tizenéves koromban így csináltam én is nyákot. Meg ugye a minifor páka...Még ma is van néhány darab, kisebb áramköröket nagyon gyorsan ki lehet velük próbálni. Ez az smd technika '64-ben.
![]() Aztán a cégnél bevezettük a fejlettebb változatát, voltak rajta ic tokok, meg gamók, meg "tápsinek". Ezek már fotóeljárással készültek, nyáklemezre. Akkoriban minden cég magának csinálta a nyákot, nem voltak erre szakosodott üzemek. Azért van még megoldás, ugye azt mondjuk, hogy csinálunk egy deszkamodellt. Ezt komolyan kell venni! Kell egy darab deszka, mondjuk vastagabb laminált padló darab, ebbe belecsavarozunk 2,5 mm fejátmérőjű csavarokat és már mehet is a "panelbeültetés". Itthon az összes lámpa LED-es, egyszerű elektronikával. Először csináltam egyet,- a doboza fából van, - annak az aljába hajtottam bele a csavarokat. Aztán láttam, hogy milyen jól működik és mindenhova ilyet építettem, persze különböző méretekben, teljesítményre. Már vagy 4 éve mennek. db operaSziasztok nem ismeri valaki ezt a végfok modult?
Első látásra valamelyik Powersoft modul lehet, de ha küldesz több képet többet tudunk mondani.
Nem Powersoft, ők nem ilyen csavarokat használnak. Az elkók márkája is eltérő.
Szia ez egy dB Technologies Opera 15 Aktív hangfal erősítőmodulja ehez keresnék kapcsolási rajzot
Már a rajzkereső témában megbeszéltük, hogy nálam Cromo modulok vannak.
Annak javítási kísérlete során tapasztaltam, hogy a végfok IC az adatlapi ajánlás szerint volt körítve. Javaslom ezt kiindulási alapnak, ha nem kerülne elő a dokumentáció.
Kétszer kell rányomtatni, utána már nm lesz porózus.
Ennek az az ára, hogy lehet hogy csak többszöri próbálkozás után fog illeszkedni a két nyomat. Viszont utána tökéletesen lehet nyákot készíteni. Én így készítem a nyákokat lézernyomtatóval nyomtatható fóliára, amivel egyből meg is van a pozitív film.
Nyomtatható fóliára lehet kétszer, mert az elég merev. Az viszont vasaló alatt zsugorodik, így azonnal elkeni a mintát. Fotózni meg már nem akarok. Majd ha nyugdíjas leszek.
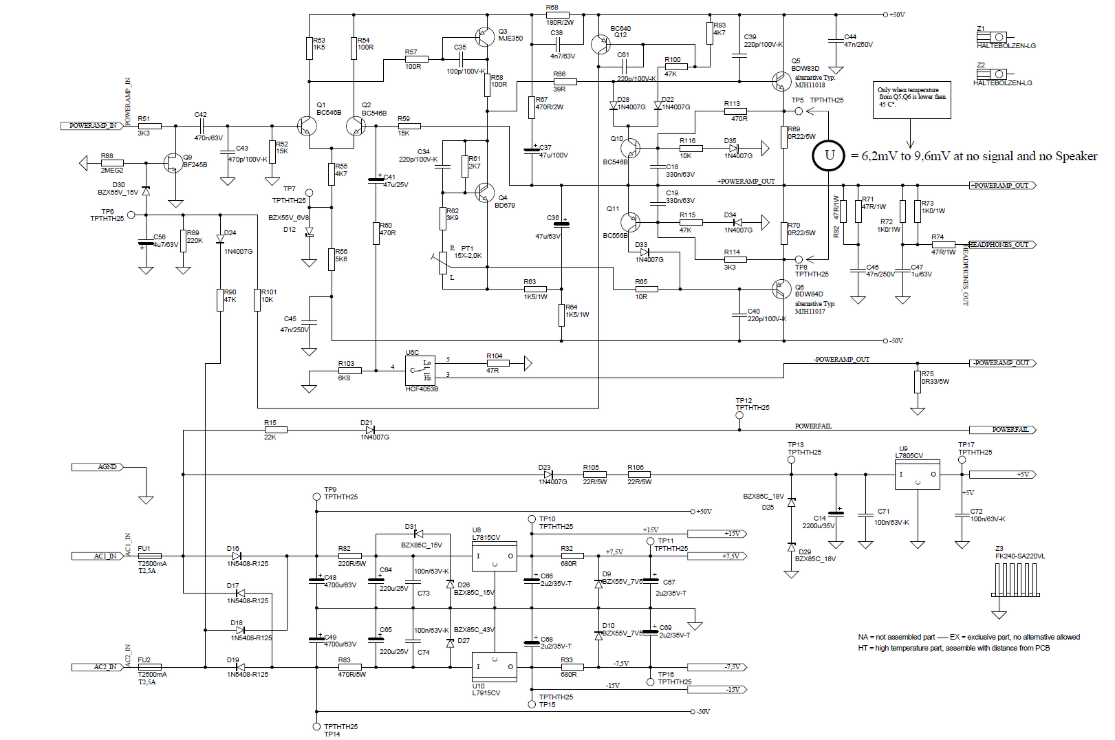
Erősítő kapcsolás értelmezéseSziasztok,Egy erősítő kapcsolást próbálok értelmezni, ebben kérném a segítségeteket mert kezdő vagyok még ezen a téren . Ha jól sejtem, akkor a Q10 és Q11 tranzisztorokkal oldották meg a kimeneti tranzisztorok túláramvédelmét, míg Q4 tranzisztor a bázisok előfeszítésére használt feszültséget állítja be. A Q2, Q3, Q9 és Q12 tranzisztorok feladatáról azonban fogalmam sincs, szívesen venném a hozzáértők segítségét, hátha tanulhatok valami újat! A hozzászólás módosítva: Jan 7, 2025
|
Bejelentkezés
Hirdetés |














