Fórum témák
» Több friss téma |
Mielőtt kérdezel, a következő két dolgot ellenőrizd!
I. A helyes tápfeszültségek megléte.
II. A kimeneten van-e egyenfeszültség.
Élesztés.
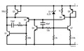
Feszültség referencia tápfeszSziasztok,Ismét visszakanyarodva az egyik előző projektre, hogyan oldanátok meg a következő problémát? Adott a képen látható, 2-2db Lm29-ből felépített táp. Ez látja el az LTP kaszkód tranzisztorokat, illetve a szervo ic-t, +-13,8Voltos feszültséggel. A gyári tápfeszültsége az erősítőnek +-85V. Az LM-ek adatlapja szerint már ez is nagyon ki van számolva, mivel elvileg 40Voltig lehet használni ezeket. Beszereztem egy trafót, ami teljesítményben kb illik a kapcsoláshoz, viszont közel +-90V DC jön le róla. Mi lenne a legpraktikusabb megoldás arra, hogy a megfelelő feszültségen belül maradjanak az LM-ek? Ezek precíziós, alacsony zajú referenciák, ami némileg bonyolítja a helyzetet. 2,6mA körül alakul az áram. Plusz egy Lm329 megoldaná a problémát, de hátha van valami gazdaságosabb megoldás. A zaj miatt gondolkodtam soros ledeken is. Elméletileg elég lenne 85V alá menni és úgy nem kell 10Voltot ejteni.
Félre érted a sönt stabilizátorok lényegét. Itt nincs olyan, hogy max 40V-ig használható.
Olyan mint egy zener dióda, csak belül egy komplett integrált áramkör van. Vagyis a működési határa a maximálisan megengedett áram, hiszen a feszültsége mindig a megadott érték. Ezt az áramot meg az előtét ellenállással lehet beállítani, és elmehet akár 1000V-ról is, ha az előtét ellenállás, ( vagy több sorba kötött ellenállás ) által korlátozott áram a működési feltételeinek megfelel. Nyilván ilyenkor sokkal fontosabb a megfelelő átütési szilárdság, szigetelési biztonság. A hozzászólás módosítva: Jan 17, 2025
Erre én is gondoltam, de akkor mi értelme az adatlapján megtalálható ajánlásnak?
Mivel a 85V egy 27kohmos ellenálláson át táplálja az LM329-eket ezért ebben a helyzetben sosem lehet rajtuk nagyobb feszültség. Zénerként kell kezelni őket. 6.9Vnál kinyitnak és elnyelik a fölös áramot. Szerintem egyébként felesleges ezeket használni oda. 2db 15V-os zener ugyanolyan jó.
Nem tudom hol találtad a 40V-ot, mert az LM329 adatlapján én nem találom.
Nincs megadva mint max adat. A lap alján van feltüntetve a rajznál. A benne alkalmazott aktív elemeknek csak van valami max határuk. Mi van akkor, ha esetleg bekapcsoláskor sokkal nagyobb ellenállást, illetve impedanciát képvisel, mint az előtét ellenállás? Nem igazán találtam ezzel kapcsolatban túl sok infót.
Az csak egy tipikus felhasználási példa az elektronikában szokásos feszültség tartományt jelezve. Mivel ez egy precíziós sönt stab, így általában precíziós műszer áramkörök számára fejlesztették, azokban meg nagyjából ez a szokásos tartomány. Az adatlapján viszont nem szerepel működési határfeszültség, ami mindenképpen rajta lenne ha számítana, mint az egyéb általánosabb áramkörök esetén.
A bekapcsoláskor, ahogy kialakul rajta az áram, rögtön zénerként viselkedik. Az emelkedő áramerősséggel emelkedik rajta a feszültség, míg eléri a 6.9V-ot, ahol megáll. Ennyi.
Rendben, köszönöm a válaszaitokat. Akkor ezen a részén nem problémázok. Szerintem mondjuk kissé félrevezető ilyen formában az adatlap...
A benne használt aktív elemek, mint a tranzisztorok stb a bekapcsolás pillanatában sem lesznek kitéve nagyobb feszültségnek, mert a zener hatás azonnal érvényesül.
A két végerősítő csatorna alkatrész-elrendezése azt mutatja, hogy a kettő egymáshoz képest 180°-kal van elforgatva. Felmerül a kérdés, hogy a 220 µF kondikat jó polaritással ültetted be?
Ha megírod az IC típusát remélem a kondik funkcióját is be tudjuk azonosítani.
Nyilván ha rossz lenne a polaritás eldurrantak volna de szétszedem újra és megírom az IC-k tipusát
A kondik elődjének eldurranása miatt lehet a csere kondik nem is kapnak töltést.
Egy éles fotó a panelről hasznos lesz.
Szia Ic Irs2092s A panel melyik részéről kellene éles kép?A kondikat fotóztam a panelon látszik a negatív jelölés tehát azok jól vannak beforasztva
A hozzászólás módosítva: Jan 17, 2025
Az IRS2092-höz bőségesen van rajz. Elsőként azt nézném meg, hogy a recsegés a végerősítő bemenetére érkezik, vagy maga állítja elő? A 3-as láb az invertáló bemenet, a jelet a vele soros tipikusan 3-3k3 ellenállás és 10-20 µF kondi előtt tudod elérni.
Mekkora a feszültség a 220 µF/63 V kondikon külön-külön mérve? Valószínűleg ez a magassugárzó végfokának tápszűrője. Melegednek ezek a kondenzátorok? A hozzászólás módosítva: Jan 17, 2025
Megtekertem a kimenöt. Annyit b..tam el hogy a legelsö szekundert (4 Ohm résznél) egy menettel többet hajtottam. Nem tudom hogyan sikerült de ez van. Letekerni nem fogom az biztos. Adtam 100V ac-t az egyik primerre és méregettem egyformán jön-e ki feszültség a szekunderokon. Igy bukott ki 0.083 V töblettel. Ami pont 1 menetre rug ki.
Kérdésem hogy tekerjek egy menetet kivülröl visszafele vagy ne kössem be a legalso tekercset.?
Köszönöm szépen a választ.
Ugyanazon gyártó hasonló kapcsolású erősítőjének javításával küzdök épp, amiben Q3 szintén MJE350 és Q4 szintén BD679. Az előfeszítés feszültsége 2V Q4 kollektora és emittere között, viszont Q3 rettenetesen melegszik üresjáratban, eléri a 180°C-ot is. 46V feszültséget mérek a Q3 kollektora és emittere között. Vajon mi okozhatja ezt? A végtranzisztorokat kimértem, nem tűnnek zárlatosnak.
Most utólag inkább tekerj rá egy mínusz menetet, de legközelebb szerezz be egy könnyen szétszerelhető vasat. Én ilyen esetre valami tekercselt/vágott magot szoktam használni. Azt fél perc alatt be lehet tenni a csévére, és szinte minden rétegnél mérhetsz valamit. Volt amikor ugyanígy jártam, mert átugrott a menetszámlálóm.
Rálestem a trafo átvitelére. Jelgenerátorom nem tökéletes (korlátozva vagyok).. 60Hz, 600Hz es jelalakokat néztem és érdekes hogy négyszög jelnél összekötve az 5 darab szekunderral elég szép az átvitel. Viszont egyenként a szekundereken már más a helyzet. Szinusz elég jo. Trafolemezek nincsenek még összeszoritva rendesen.
Természetesen más, mivel ha csak egyetlen szekundert kötsz be akkor nagyon rossz lesz a csatolás (nagy lesz a szórás), és minél többet kötsz be annál jobb. Ha lenne valami értelmes műszered amivel tudsz induktivitást mérni, akkor meg is tudnád mérni minden esetben hogy mekkora az adott elrendezés szórási induktivitása.
Van induktivitásméröm.
A hozzászólás módosítva: Jan 20, 2025
Erősítő élesztése izzóvalSziasztok,olyan témában kérném a segítségeteket, hogy hogyan indítható izzón keresztül egy javításban lévő erősítő, amelyben egy standby trafó, relén keresztül kapcsolja a főtrafót. 40 W-os izzóval sorba kötve csak villog az izzó és kattog a kapcsoló relé. (Szerintem a tápkondikat nem tudja elég gyorsan feltölteni és a standby trafó az izzó miatt elengedi a relét). Végfok zárlatos volt az erősítő, amik cserélve lettek, meghajtó IC-vel együtt, de még nem merem közvetlen hálózatra kötni, nehogy maradjon benne még hibás alkatrész.
Szia!
STANBY relé kapcsoló érintkezőjét kösd át a próba idejére, nem fog kattogni.
Eszembe jutott honnan ismerős a modul amit javítasz. Ez egy jó példa arra, milyen banális hibák keletkeznek egy aktív hangszóróban.
300W 3+3 3055_2955 monó erősítő építéseÜdvözlet az uraknak!Elakadtam egy 300W 3+3 3055_2955 monó erősítő építése közben , a segítségetekre volna szükségem. A tesztáramkör próbakész , bekapcsoláskor viszont az R11 100ohmos ellenállás elfüstöl. Mi lehet a baj? Nincs rá garancia , hogy a rajz működőképes , kérlek nézzétek át a mellékelt rajzot , szerintetek rendben van e minden a kapcsolással!? Segítségetek előre is köszönöm! Tranzisztorok 2N3055 tranzisztorok = 3 MJ2955 tranzisztor = 3 TIP42 tranzisztorok = 2 TIP41 tranzisztor = 1 2SC2229 tranzisztor = 2 A1015 Transistor = 2 Kondenzátorok 100µF/50V elektrolitkondenzátor = 2 470nF (474) nem poláris poliészter kondenzátor = 1 100pF (101) nem poláris kerámia kondenzátor = 2 470pF (471) nem poláris kerámia kondenzátor = 2 10pF nempoláris kerámia kondenzátor = 2 100nF (104) 100V nempoláris poliészter kondenzátor = 2 Ellenállások 0,33 ohm / 5W = 6 10 ohm / 1 W = 1 100 ohm / 1W = 2 33 ohm – 1/4W = 1 150 ohm – 1/4W = 3 10K ohm – 1/4W = 1 1K ohm – 1/4W = 1 4,7K ohm – 1W = 1 68K ohm – 1/4W = 1 56K ohm – 1/4W = 1 33K ohm – 1/4W = 1 3,3K ohm – 1/4W) = 2 Diódák 1N5404 3A dióda = 2 1N4007 1A dióda = 3 Zener diódák 20-24 volt = 1 Vegyes Elég nagy hűtőbordák Transzformátor 35v-0v-35v / 3A 4700 µF/63V kondenzátor = 4 Híd egyenirányító 15 A = 1 Az 68K ellenállás (R30) az erősítési ellenállás. Akár 100K-ig változtatható az erősítés növelése érdekében, vagy 22K-ig, hogy csökkentse.
A két 2sc2229-re nézz rá. Kétféle lábkiosztásút is találtam.
Ez a kapcsolás abszolút működésképtelen. A 2N3055-ös csak 60 V-os, 100V-nál gyorsan tönkremegy.
Mi a jó abban, hogy az abszolút kezdők találnak egy szép, színes rajzot a neten és mindjárt megépítik. És még csak nem is értik a működését... Aztán csodálkoznak, hogy nem működik. Itt a HE-n pont az a jó, hogy lehet kérdezni. Lehet találni rajzot. Erre lett létrehozva. Persze, kérdezni előtte kell, nem utólag. A hozzászólás módosítva: Jan 25, 2025
|
Bejelentkezés
Hirdetés |





























