Fórum témák
» Több friss téma |
Fórum » Ventilátor kapcsolótábla PC-hez LED-es visszajelzéssel
Témaindító: Emberfej, idő: Szept 7, 2008
Témakörök:
Sziasztok!
Számítógéphez szeretnék kapcsolótáblát, amin a ventillátorokat lehet kapcsolni, és minden ventillátorhoz tartozik 1 db led ami mutatja bevan-e kapcsolva. Van kétfajta led: 4-4.5V 600-800mA 3V 20mA A szgép táp ezeket adja le: 5V 28A 12V 14A (A táp aktív pfc-s így csak +/-1% eltérés van a leadott teljesítményben.) Azt szeretném tudni, hogyan lehet 1 ledet világításra bírni úgy hogy else romoljon.
ATX mert ha igen akkor szerintem + 3.3 v t is lead ezt a 0.3 tized v s eltérést "kiellenállásozod".Meg a led elé előtét ellenálás.Szerintem.De hallgass azokra akik profik.
Bővebben: Link Már csak be kell írni az értékeket.
ATX2, a 3,3v-t inkább nem piszkálom mivel az összes ilyen az alaplapra megy és kitudja mire használja. 5és 12v -osból van amin még semmisincs.
Lehet, hogy hülyeséget kérdezek, de azzal nemkell foglalkozni, hogy a táp áramerőssége nagyságrendekkel nagyobb?
Kell a led elé ellenállás. mert a led olyan falánk hogy több áramot vesz fel mint amire szüksége van és egyszercsak megöli saját magát. .Az előtét ellenállás leálítja az öngyilkos hajlamú ledet
Legalább is én igy fogtam fel amit a neten sokszor is olvastam.Itt az a remekmű a mellékletben.
De számolni nemnagyon tudok.Még nemtudom hogy kell kiszámítani az ellenállást.Nembaj majd nyolcadikban.12 v sek a hűtők mert akkor a melléklet nem jó.Lassúk lesznek.
Örülünk nagyon, hogy ilyen idősen már megfogott ez a "szakma" és hogy ennyire belelkesültél manapság a segítségnyújtásba is, VISZONT amit most írni fogok, azt nem bántásból írom.
Ügyelni kéne valami minimális szinten a megjelent rajzok minőségére. Az nem baj, ha valaki Paint-ben rajzol, de azért itt is el lehet/kell várni valami alap szintet. Szóval a jövőben legyél szíves valami elektros programmal rajzolgatni, vagy ha mindenáron Paint-ben dolgozol, akkor azért figyelni a küllemre és olvashatóságra/értelmezhetőségre!
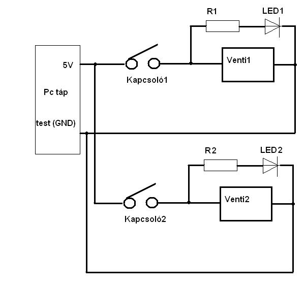
Itt lenne a rajz. Értelem szerűen akárhány ilyen modult összeköthetsz párhuzamosan, most csak kettőt rajzoltam fel. Sok sikert az építéshez!
Már csak annyit szeretnék tudni, hogy az ampererősségől eltekinthetünk? Tápé 28A led legfeljebb 1amperes. Abból nemvesz föl többet vagy valami hasonló?
(tudom hogy tudnomkéne a választ, de már nagyon rég voltak azok a fizikaórák)
Szia!
Egy lednek álltalában 3V és kb 20-30 mA szükséges, a nagyfényerejűnek kb 50mA :yes: szóval ha használod a kis progit akkor könnyedén megtudhatod az előtét ellenállás értéket. Pl: Tápfesz:12V, Led-en eső feszültség:3V, Led-en átfolyó áram:20mA, Led-ek száma:1 =470Ohm
Igen, el lehet tekinteni a tápegység nagy áramától, a LED előtét ellenállása korlátozza a LED által felvehető áramot.
Köszönöm mindenkinek a segítséget, a pontot Tomi20 kapja.
Én úgy oldottam volna meg, hogy a led külön áramkört kap(fő gond az ellenállás kiszámítása volt), és a kapcsoló egyszerre 2 áramkört zár(venti, led) de Tomi megoldása egyszerűbb. |
Bejelentkezés
Hirdetés |











