Fórum témák
» Több friss téma |
Mielőtt kérdezel, a következő két dolgot ellenőrizd!
I. A helyes tápfeszültségek megléte.
II. A kimeneten van-e egyenfeszültség.
Élesztés.
Hy!nem tudom,jó helyre teszem-e fel a kérdést,remélem igen.egy gyári készülékkel van gondom.nemrég került hozzám egy dual erősítő.annyi a baja,h kivették belőle a végfok ICt.aki rendelkezik ilyen készülékkel,vagy tud róla érdemi infót,írja már be,legyen oly kedves.a végfok típusszámát szeretném tudni.esetleg,h mennyibe kerül.
Ha jól látom a képen akkor ez Dual CV1180.Utána néztem és STK4171II-es végfok IC volt benne de szerintem érdemesebb STK4171V-et venni mert jobb a THD-je...AM a HQ-nál bruttó 2052Ft+postakültség...
A 4050V 4Ohm-ra 50V-ig nekem megy már egy ideje, de 66V-ra nem tenném
.Az audiofil valami olyan jó minőségű elektronikus hangeszközt takar, aminek a hangleképzése nagyon megközelíti az eredeti környezetben hallott hangélményt.
Nem értelek hiszen STK4050V-nek az 66V az előírt tápfesz, az STK4048V-nak +-60V és így 150W/200W 8/4Omh-on...
De csak 8 ohm-ra! Azt vedd figyelembe hogy 4ohm-os terhelésre kétszer akkora teljesítményt ad le az erősítő!
Ezt figyelembe véve az a +-50V pont ideális!
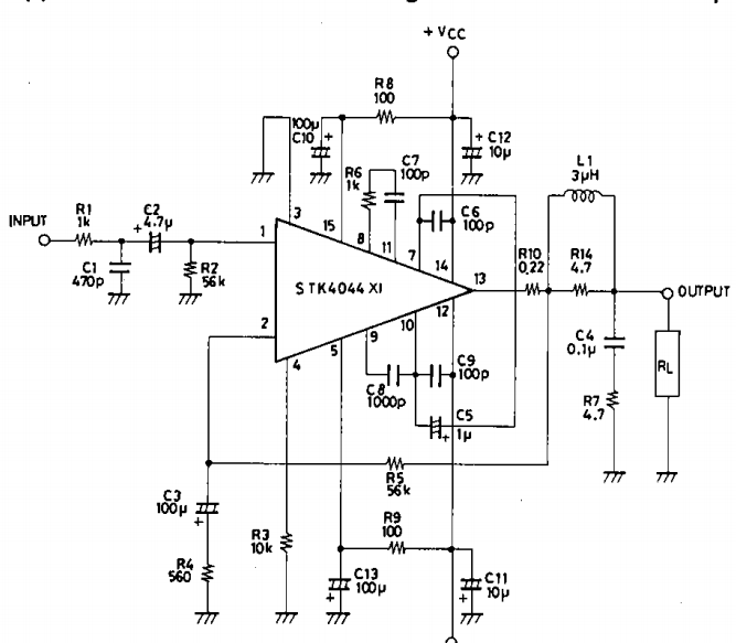
Vagyis nagyobb táppal 4Omh-on lehet hogy elmenne az STK?Akkor nem értek valamit.Van egy Grundig erősítőm és eredetileg STK4036X-volt benne de sajnos rossz volt mind a kettő...A HQ-nál és egyéb helyeken nem találtam csak II végződésűt de azt nem akartam meg venni a nagyobb THD miatt.Végülis vettem helyette 2db STK4044XI az adatlap szerint a külsű kapcsolása mind két STK-nál megeggyezik csak az STK4044XI-nél a kimeneten van egy 0.22Omh ellenállás.Ezt elé is tettem de az erősítő KB 2-3 hangnál jobban felveszem a hangerőt egyszerően elhalgat mind a két oldal. Ha ismét lentebb veszem akkor visszajön a hang na erre varjatok gombot.Abba bíztam hogy kevés a táp +-45V de szerintem meg amit írtatok összevetve már nem hiszem hogy ezért csinálná de vajon akkor mi okozza ezt nem hinném hogy gyárihibás lenne mindkét STK.Van benne még két relé ami a hangfalakat kapcsolja de nem az kapcsol le olyankor,nem értem a panelba minden tranyó,dióda,ellenálás jó...
Üdv mindenkinek!
Lenne egy kérdésem hozzátok! Az a helyzet, hogy tavasszal szeretnék venni, egy Ladát 2107, amit hangtechnikailag egy kicsit felszeretném piszkálni. A probléma a következő! Egy többcsatornás erősítő (-k) kapcsolási rajzát keresném ami: 1X500W 1-250Hz ig, (110-120dB) 4-8 Ohm 2X2X150W 100Hz-16Khz 4-8 Ohm -ra Azért kérdezek itt, mert nem tudom, hogy milyen hangszórót (minőségre) érdemes venni (és hol) ahhoz a kapcsoláshoz (ha lenne ilyen amit leírtam), amit tudnék hozzá használni. Aztán a következő probléma, hogy ha van is ilyen kapcsolás, az minimum 2X25V -ot eszik, nem kicsi teljesítményfelvétel mellett, persze, miközben az akkumlátor 12V -os, járó motor mellett a generátorról 14,4V jön le megközelítőleg. Az a helyzet, hogy kocsiba még erősítőt építeni még nem építettem egyáltalán. Többek között, az üzemelési hőmérséklet, páratartalom, feszültég/áramkorlát, igen bekorlátolja egy erősítő megépítését ebben az esetben. Akinek ebbe nagy tapasztalata van, annak szívesen venném a segítségét, amit előre is köszönök!
A 4036 50W-os, a 4044 meg 100W, vagyis kétszer akkora.
Ennyire azért nem méretezi túl a Grundig a tápegységeit
Tapasztalatom nincs autós erősítők építésében, de ott a legnagyobb "problémát" a megfelelő tápfeszültség előállítása jelenti.
Van 12V illetve valamivel több egyen áramod. Ezt valahogy fel kell transzformálni, és ráadásul egy szimmetrikus tápot kéne belőle előállítani. Mindezt nagy teljesítmény leadása mellett. És onnantól milyen végfokot raksz a tápod után az már majdhogynem mindegy és a te dolgod. Ja! 1X500W...tudod az mekkora teljesítmény? főleg 1-250Hz-ig. Ez egy aktív hangváltót jelent. És képzelj el mondjuk "csak" 50Hz-es hangot 4-500W teljesítménnyel! Nincs az a hangszóró ami ezt kibírja. Gyakorlatilag mind azt a 4-500W-ot a mély hangok elkészítésére fordítja a végfok, és ez brutális teljesítmény. Há leszakad a fejed tőle...! De hogy a ladád szét fog esni két út után az már biztos ha ilyen cuccot teszel bele.
Lenne, egy elég buta kérdésem!
Mit jelet az, hogy 100W/150W egy hangszó? Pontosan mit jelent ez?
Ezeket az eszközöket meg kell vásárolnod, ami annyiba kerül mint a Lada. (vagy többe) Ilyet fehér ember nem épít, mert drágább mint a gyári.(és macerásabb) :yes:
hello
Idézet: „100W/150W” névleges 100W zenei 150W Üdv
Ezt így nem lehet rajz nélkül megmondani!
Ezekbe az erősítőkbe külső védelmet építenek be, mivel az STK-ban nincs védelem. Ha figyelik a végfokok áramát, akkor az általad beépített ellenállás már meg tudja hülyíteni a védelmet!
Köszi az infót!nem is gondoltam volna,h valaki tudni fogja... az STK IC-ket csakis a saját típusszámukra szabad cserélni,ahol az utolsó római számnak is jelentősége van!egyszer régen vettem egy telefunken végfokot,fél oldala IC-hibás volt.gondoltam,mi sem egyszerűbb,alk-csere,és már ketyeg is a masina.már nem emlékszem,milyen típus volt benne,de a végén egy római 10-es állt.ugyanolyan típusút kaptam olcsón,csak éppen római 2-essel a végén,feltételeztem,nyilván ugyanaz a kettő.beforrasztás után minden jó lett....VOLNA,csak éppen az új IC kimenetén állandóan jelen volt 3-400mVnyi offszetfeszültség,amit semmiképp nem tudtam megszüntetni.kis idő elteltével kénytelen lettem volna ebbe is belenyugodni,de kb.3hét teljesen üzemszerű működés után a javított csatorna egy kisebb"megkergetés"következtében tönkrement.vagyis a cserélt IC mégsem PONT UGYANAZ lehetett...vagy hamisítvány volt.a te eseted azonban egészen más mert a típusszám sem egyezik,az elhallgatás elég durva... mégsem lehet egyforma a két IC,vmi munkapontbeállító ellenállás hiányozhat,s a vezérlés következtében"leülteti"az erősítőt egyenáramúlag.másra nem tudok gondolni.próbáld megszerezni az eredeti típust,csakis azzal lesz garantálható a helyes működés! :yes:
Mindenkinek köszönöm a segítséget,de ez még csak egy oélda volt! Nekem a legnagyobb probléma annak a tápegységnek az elkészítés jelentene, ami feltranszformál.
Köszönöm az információkat, és neked is szabi83 .
Egy éve feltettem az STK topikba a sorozatszámok és az utótagok jelentését táblázat formájában. Valóban nagy a hangzásbeli különbség a II és aXI között.
Esetleg valami jó ár/teljesítmény hangszórót, erősítőt merrefélé lehet vásárolni a weben ami 12V -ot tud működni?
Először hallgass meg egy pár típust élőben , aztán vásárolj. :yes:
Majd, így lessz! Az sem mostanában lessz, mert sajnos itt a közelben ilyen bolt nincsen...
Hallottam már ilyeneket szólni, így az értékük alapján megtudom állapítani, hogy mit tudhatnak hangzásra is megközelítőleg. Pionier,JBL,SAL, és még sok mást kötöttem be. Elég szépen szóltak, pont ezért szertnék én is egy kis bökőt beszerezni, vagy építeni.
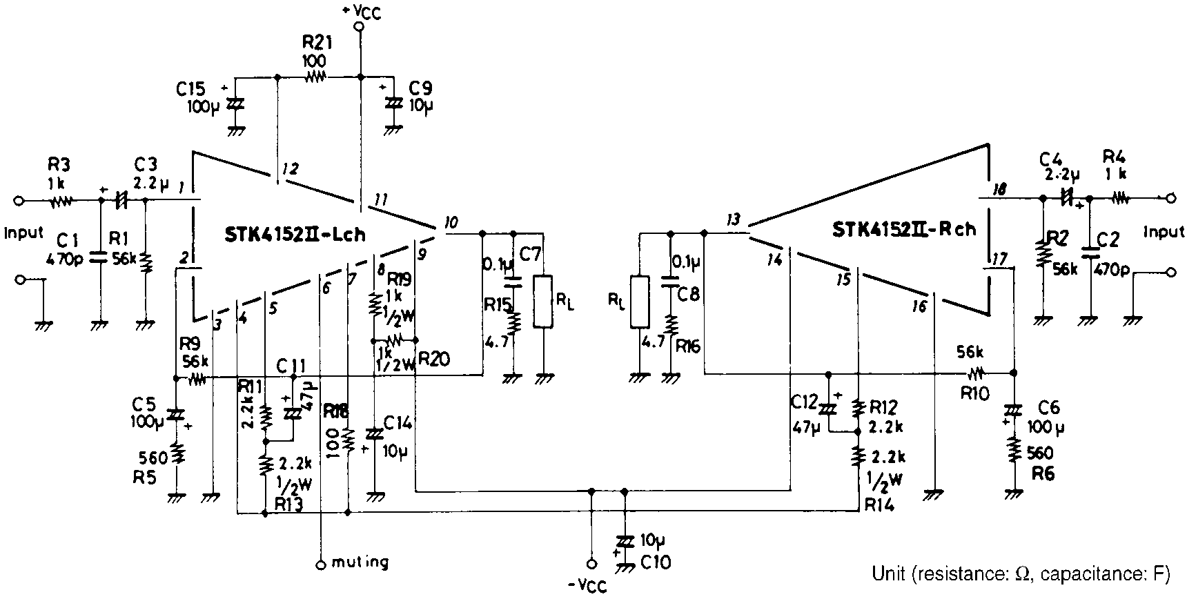
szamóca!úgy ítélem meg,Te nagy szakértője vagy az STK IC-knek.van nálam két típus:STK 4141 II-es,és STK 4152 II-es,ezekhez kellene konkrét kapcsolási rajz.ha van ilyened,tedd már fel,légyszi.nem találok sehol...
Már nem emlékszem, ezért....
Ez szép,de hogyan lehet erről kapcsrajzot lehámozi?csak az ic belső rajzát találtam...
Vegyél nagy teljesítményű végfokot, és nagy teljesítményű hangszórókat hozzá, így ha ésszel kezeled a hangerő potit, akkor nincs torzítás, így nincs egyen áram a kimenete, és nincs hangszóró leégés.
Mivel kellően nagy a teljesítmény a végfokod sem fog izzadni, me leszakad a fejed ha feljebb tekered és kiugrik a hangszóró a helyéből. Arra ne adjál, hogy mi van írva a hangszóróra, az csak egy dolog, és csak a tényleg jó minőségű hangszórók tudják azt ami rá van írva. A kisebb szám a szinuszos teljesítményt a nagyobb szám meg a zenei teljesítményt jelenti. A zenei teljesítményre pillanatokra képes csak, a színuszosra meg hosszútávon folyamatosan. De csak gondolj bele: egy somogyi szutyokra 13cm-es ráküldesz 70-100W szinuszt.... pár óra múlva ránnézel talán látni fogod a füstben a hangszóródat is. Autós erősítőknél is ez a helyzet, csak a nagyon jó minőségűeknél hihetsz nekik, hogy mi van ráírva. Ott nézd, hogy mekkora biztosíték van benne és számolj, hogy kb mekkora teljesítményű lehet. De ez is csak saccolós eredmény lesz. Persze biztit is rakhatnak bele akármekkorát még gyárilag is. De ha mindenből nagyot veszel akkor nem érhet meglepetés.
Ott van alatta
De akkor felteszem
Ha elhagyom a 0.22Omh a kimenetről attól még nem mehet tönkre az STK igaz?Hátha ezért tilt le a hang...
|
Bejelentkezés
Hirdetés |






.




