Fórum témák
» Több friss téma |
- Ez a felület kizárólag, az elektronikában kezdők kérdéseinek van fenntartva és nem elfelejtve, hogy hobbielektronika a fórumunk!
- Ami tehát azt jelenti, hogy a nagymama bevásárlását nem itt beszéljük meg, ill. ez nem üzenőfal! - Kerülendő az olyan kérdés, amit egy másik meglévő (több mint 17000 van), témában kellene kitárgyalni! - És végül büntetés terhe mellett kerülendő az MSN és egyéb szleng, a magyar helyesírás mellőzése, beleértve a mondateleji nagybetűket is!
nincsmit
Hello!
Hát most már egy szkóp és egy geneátor kellene. Mert itt valami árulás van. Esetleg próbáld meg a szűrőt áthangolni másik ferekire, és megnézni egyformán viselkedik-e a párjával. (Érdekes, hogy a BSS rajzok alatt, az első hozzászólásból is valami ilyen hiba hámozható ki.) Az IC-nek ezen a frekvencián, már nem túl sok nyílthurkú tartalék erősítése van és ez instabillá tehti a szűrőt. Lehet, hogy csak bemeneti jel inzultálására gerjed be. De ezt csak egy szkóppal tudod ellenőrizni, ha változtatod a generátor frekijét és amplitudóját. üdv! proli007
Sajnos nincs szkópom és a környéken egyik ismerősömnek sincs...
Nem tudom tényleg mi lehet a baj, mert azelőtt működött. Ma amúgy arra lettem figyelmes, hogy: Van ez az "elromlott" 16KHz-es freki, rákötöm a kivezérlésjelzőt (amin a ledek meg az uaa180 van) és a kezemmel fogom a jelnek a kábelét és megfogom a dobozt (GND) és ha a zenébe nem maximális a 16KHz-es jel, akkor elkezd valamennyire járni a ledsor, ahogyan kellene, csak egy-egy nagyobb impulzus hatására több másodpercig "fentmaradnak" a ledek, tehát a maximális jel után csak másodpercekkel később kezd visszaereszkedni a ledsor... Minnél erősebb fogom a dobozt, annál kevesebb led világít... Ez valamilyen földelési probléma lenne? Dez az nem lehet, mert eddig működött, most meg átvizsgáltam a panelt, és jónak kellene lennie...
Hello!
- A mechanikai kialakításban. (membrán forma és anyaga). - Igen arra a párnára gondoltam. - Hát gyanítom, hogy az ilyen hangszórók frekvencia menete azért elfogadható, mert megmérték az átvitelét és valami korrekció van a loptopban. - Egy mezei soros kondival csökkentheted a mély hangokat. Vagy ha zárt a hangszóró háta mögötti tér csillapító anyaggal feltöltheted. Lehet, hogy nem sok a mély, csak rezonancia van valahol az átvitelben. üdv! proli007
Hello!
Hát ez elég varázslatosan hangzik. Mert ha az 50Hz-bejut a 16kHz-es szűrőbe az nem semmi. A készülékház rá van kötve a GND-re? Mert ha nem azon keresztül is tudna gerjedni a szűrő esetleg. A hosszú másodpercek is elég fura, mert 10µF/47kohm időállandója kb. 0,5sec. Tehát fél másodperc alatt már vissza kellene jönni a jelnek 9V-ról 5V-ra. Esetleg a 47kohm alja szakadt? (panel-forrasztás) üdv! proli007
Igen rá van kötve. PC tápról kapja a feszültséget. A GND és a hálózat földje egy pontban van a házra kötve, elkerülve a földhurkot...
Nem, sanos nincs szakadás a panelen, sem a forrszemeknél Most akkor mit tehetek? Ki kell cserélnem a teljes sávszűrőt, azaz azA4-es nagyságú panelt? :no: Amúgy egyik kondin sem mértem 5V-nál nagyobb feszt, csak a "hibás" 16KHz-s résznél...
Hello!
Próbáld meg ezt a csatornát más frekire hangolni, azt meg a 16kHz-re. (De ha lehet ne igyan azokkal az alkatrészekkel, ami benne van.) De ez már a "vaktyúk" kategória, de sokat nem veszítesz vele. üdv! proli007
Oké, jólvan, valószínűá csak hétfőn fogom tudni megvenni az alkatrészeket...
Ha nem jönne össze akkor meglehet úgy oldani, hogy valami ellenállást vagy valamit teszek a jel kimenetére, és akkor a 9V-ot lecsökkenti a szükséges 5V-ra... Amúgy mértem feszültséget a jel és a test között.. 9V te ha elkezdem szorítani, akkor lemegy 5V alá és akkor kezd el "járni" a fénysor... A segítő válaszaidat köszönöm! Remélem, hogy sikerülni fog, mert már sok szenvedés van ezzel az egésszel
HALLOD!!!! WÁÁÁÁ
Nem hiszem el!!!! Nem fogok tudni aludni örömömben!!!! Sikerült megcsinálni!!! Mondtad, hogy szakadás vagy bármi... nem látszott egyátalán.... semmi sem! Mondom nincs vesztenivalóm... beónoztam a vezetősávot a potméter körül mind a 3 irányba (3 forrszemétől) kb 2 cm-es távon. És működik!!!! Örök hála!!! El sem tudom modani, hogy mennyire örülök!!! kb 5-6 napja hazajövök suliból és nézem a panelt, próbálkozom, potit cserélek, állítgatom, paneleket cserélek, IC csere, mérek már mindenen mindent, sokszor teljesen irreális értékeket kaok stb... De most!!! Tényleg mégegyszer nagyon szépen köszönöm, hogy felhívtad rá a figyelmem! Pedig ténylegn em lehetett látni semmit! Igaz nem nyitottam új topicot a problémám miatt, de én szívesen adnék neki nem is 50 hanem 100 pontot is!
Sziasztok!
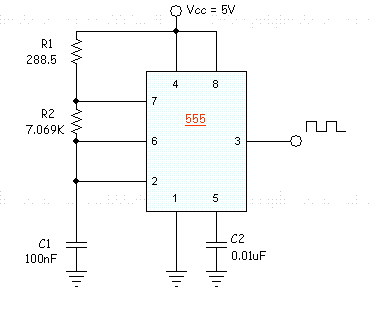
Ez a kapcsolás így ahogy van, megszólal 5V-ról? Ha nem, akkor megoldható úgy, hogy valamelyik alkatrészt lecserélem más értékűre? Melyikek lennének ezek? Ha ez túl nagy kérés, akkor hagyjuk. Köszönöm előre is! ui.: Ha a kis hangszórót (piezzo) egy buzzerre cserélem az is fog sípolni? Ja egyébként ez egy tolató csipogó állítólag. Valójában egy olyasmi hangra van szükségem, ami egy gomb lenyomása után sípol röviden.
Bocsi, találtam megoldást a KERESŐVEL :bummafejbe:
Idézet: Látod, mondtam, hogy valami hasonló lehet... mégis csak sok az az 1% „Tervezési hiba meg rövidzár 99% hogy kizárható, minden nagyon részletesen ki lett dolgozva...”
Köszi. Kipróbálom a javaslatokat. A soros kondival csak az a baj, hogy úgy tűnik, kb 200-300Hz-re kéne méretezni, és ha jól számolom, ahhoz 8ohm mellett 100µF jön ki. Fóliakondiban az kicsit bajos.
Üdv
Most vettem egy dugaszolós próbapanelt, azt szeretném kérdezni hogy ez hogy működik? Ilyet Ennek hogy vannak az összekötései és mi az a 2 tetején a W feliratú rész? Köszi
A funkciója benne van nevében: dugaszolós próbapanel. Tesztelni, próbálgatni lehet vele áramköröket anélkül, hogy nyákot kéne hozzá tervezned és forrasztót sem kell használnod. Használata egyszerű, de nagyszerű az alkatrészeket egyszerűen csak bele kell dugdosni, vékony drótokkal összekötögetni. A tetején a két sávot a tápfeszhez szokták használni, a W betű nem tudom mit jelent de ott ketté van osztva a tápsáv. Az összekötések pedig a képen láthatók.
Thx a képet.
Tudtam h mire jó, azért vettem, csak a kapcsolását nem tudtam. Tehát a fönti W az kétfele van osztva, és a W választja szét. Ok Köszi.
Igen, de erről egyszerűen megbizonyosodhatsz, bedugsz két alkatrész lábat vagy drótot a felső sor két végébe és kisipoltatod digimultival.
"Pont megoldva." - Nagyon szépen köszönöm! Rengeteget segített! (és köszi a pontokat is, mármint, hogy adtál neki)
Üdv!
Van egy HEF40106B Schmitt triggerem. ennek bemenetére 3 szenzor fog kapcsolodni amik egy fehér sévot érzékelnek egy zöld szőnyegen. Azt mlyen áramkörrel tudom szabályozni hogy hol legyen a trigger alacson illetve magas letörése? Mert ugye ttől fog függni a szenzorok érzékenysége. Én egy potira gondoltam hogy könnyü legyen állitani, de azt hogy és hova kell kötni? Köszi!
Halihó! Megépítettem a mellékletben csatolt kapcsolást, de a buzzer olyan kis halkan szól. Az lenne a kérdésem, hogy miért és hogyan lehetne rajta "hangosítani"? Köszi!
Rakj rá még egy npn t.és ugy a speakerre.
Így gondoltad? Egyébként, az nem lenne megoldás, ha az 555IC-re magasabb (maximum) feszültséget adnék?
Megcsináltam az előbbi rajzom szerint, nem lett hangosabb
Viszont kivettem a 288ohm-os ellenállatkát és jó magas hangon sípol a szerkli, így már jobb.
Hello!
Örülök, hogy végül is sikerült, mert így már kezdett reményvesztetté válni a dolog. Kicsit kezdtek a szálak szétszaladni. Ja, köszi a pontot, bár fogalmam sincs, mire jók. üdv! proli007
Egy bizonyos ponthatár fölött ingyen belépőjegyet lehet kapni a Fővárosi Állat- és Növénykertbe :crazya:
Meg akartam mérni, hogy mennyi áramot vesz fel a PIC-el vezérelt szerkezetem. A tápból jövő pozitív ágat kicseréltem a multiméterem-re és a piros kábelt átdugtam amper mérőbe. Ha DCA-ban mérnek, akkor vagy nem mutat semmit, vagy egy folyamatosan csökkenő értéket mutat, attól függetlenül, hogy mennyi LED és sipoló kapcsol ki-be. Ha meg ACA-ban mérek, akkor nagyjából fix amit mutat, de ugrál, mondjuk 500mA és 526mA között, még akkor is, ha nyugalmi állapotban van a szerkezetem.
Na jó nem kertelek tovább. Mit csinálok rosszul? ACA-ban kell mérni egy PIC és a ráaggatott szutykok fogyasztását? Segítsetek tanult kollégák, kössz!
AC váltakozóáram - DC egyenáram. Mivel a pozitív ágról beszélsz, ez nem lehet váltakozóáram, csakis egyen, akkor pedig a DCA a megfelelő műszerállás. Ami még bevihet az erdőbe, az az, hogy a multiméternek 3 hüvelyét tudod árammérésre használni. Általában 200mA (0,2A)-ig használható az A feliratú, míg a 20A feliratú csakis 20A-es méréshatárban. Ennek figyelembevételével ismételd meg a mérést. (500mA már a 20A-es állásban a 20A-es hüvelyben mérendő. A műszer negatív kivezetése minden esetben a COM hüvely.)
Sziasztok!
Van egy ilyen motorom (csatolmány) tegnap raktam össze (felújítottam új zsírozás meg stb) most megy szépen meg minden.. Járattam 10 percet (szénkefe bekoptatás miatt) mikor leállítottam éreztem hogy langyos... Megmértem (a szoba hőmérséklet 21Cfok) a tekercs 39C fokos a kommutátor 41Cfokos.. Kérdésem: ez a melegedés üzemszerű? Vagy azért csinálja mert a szénkefének kb a 3/4 -e van még bekopva és a nem hozzáérő részen ívet húz? Vagy mi okozza ezt? Ez egyébként ha jól tudom akkor IFA ablaktörlő motor.. Előre is köszönöm üdv! |
Bejelentkezés
Hirdetés |















