Fórum témák
» Több friss téma |
Fórum » Kettős táp készítése
Sziasztok
Segítségre van szükségem!!! Egy kettőstápot kellene stabilizálnom. Nincs valakinek egy olcsó, egyszerű megoldása? +/- 18V-hoz kellene stabilizátor, áganként kb 2,5-3A mellett. Help me!
Az lenne a kérdésem, hogyha én egy ilyen kapcsolást megmutatok valami komoly embernek akkor nem fog kiröhögni?
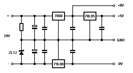
![]() A bemeneten egy 24V-os adapter lenne... Meg ha ti is úgy gondoljátok, hogy ez így működhet, akkor esetleg bekapcsoláskor nem lesznek nem kívánt tranziens jelenségek, amik a processzor életét követelik a +5V- os kivezetésen???
ott a gnd és a -8V körül valami sántít..sztem
úgy gondoltam, hogy a GND1 és a GND nem nagyon lesz összekötögetve... tehát a GND az valójában +8V, csak mi a továbbiakban azt vesszük földnek, és ahhoz viszonyítva lesz +8 +5 -8
mondjuk az eagle élből összekötötte őket, de az most nem számít, csak az elv lenne a lényeg...
Van egy hasonló kapcsolásom megépítve.. mégpedig egy pic égetőben. Ott egy 7805L és egy 7808L van így egymásrakötve, és működik. Így van 3 kivezetés GND, +5V, és +13V kivezetések. Még ki van egészítve egy-egy 100n kondenzátorral az IC-k előtt és után a GND-re húzva. Sztem a kondik kellenének.
jaja persze kondi az kell, csak nem voltam benne biztos, hogy ilyent szabad csinálni...
Naszóva a kondikkal valami ilyesmire gondoltam....
Még egy kondenzátor kell az IC1 és a KI-4 közé. Én is csináltam már ilyet, arra figyelj, hogy a KI-3 és KI-4 kivezetések között nagyobb (vagy legalább ugyanakkora) áram follyon, mint a KI-1 és KI-2 kivezetéseken folyó áramok összege.
kösz... azt kifelejtettem...
miért kell akkora áramnak folynia???
Mert a szabályzó úgy szabályoz, hogy a kimenetén kifele folyik áram. Ha a KI-1 és KI-2 közé nem teszel fogyasztót, akkor a KI-3 és KI-4 lábakon kifele folyó áramnak befele kellene folynia az alsó 7808 szabályzóba, ami lehetetlen, ebből kifolyólag pedig az egész kapcsolás működése borul.
nem inkább úgy, hogy a ki3 és ki4 közé kell az a fogyasztó? Ez mondjuk szeirntem gáz lesz, mert úgy terveztem, hogy a kimenten a ki3 lenne a referencia pont, és ahhoz képest lenne +-8V amire műverősítő menne, és akkor lenne még a ki2-n +5V amin meg egy processzor lenne... de akkor ez így nem okés... ami azért baj, mert nem nagyon van hozzá középmegcsapolású tápom, máshogy meg nem tudom hogy tudnék előállítani szimmetrikus tápfeszültséget a műverősítőknek.
Én inkább így oldanám meg...
Ez a kapcsolás is csak addig életképes, míg a GND vezetéken csak pár miliamper szállingózik !!! Mert ha nem akkor lehet hogy a füst fog szállingózni !
A virtuális földet célszerű 1 hangfrekis tenlesítmény erősítő (pl:TDA2003 vagy inkább 2006) kimenetéről (amit féltápfeszre állítunk)venni, mert az terhelhető bármilyen irányú árammal, és pár amperig is!
Na, ja ebben igazad van, de itt valami műveleti erősítők meg proci táplálásáról volt szó...
Azért írtam ZL-es zenert, mert azért az bírja a strapát és arra számíthatunk, hogy majdnem szimmetrikus a terhelés. Természetesen műterhelésekkel célszerű előbb beállítani a munkaellenállás értékét a várható "igazi" üzemmódnak megfelelően. Ugyanígy azt is meg kell oldani, hogy kapcsolni csak a 24V-os bemenetnél legyen lehetőség.
aha merőben más megközelítés... teccik köszönöm szépen...
és ha jól értem az a probléma, hogy az összes áram ami folyik az mind a zeneren keresztül menne, és az nem biztos, hogy teccik neki...
Mennyire szükségesek a stabil feszültségek, és kb. mekkora lenne a terhelés az ágakon? Szerintem célszerűbb lenne kapcsolóüzemű átalakítót használni. Holnap rajzolok egy egyszerű kapcsolást.
hát a +5V és a virtuális öld közt lenne 4 db feszültség követő műveleti erősítő, és egy mikroprocesszor, valamint ez lenne a mikroprocesszor A/D konverterének referenciája is. A +-8V közt pedig lenne 2db feszültség összegző erősítő...
Nem az összes áram folyik át a zeneren, csak a pozitív tápokból kivett áramok + a munkaellenállás árama. A negatív oldalról kivett áram kivonódik a zeneren folyó áramból!
Az áramköreid - nagy valószínűséggel - szinte állandó fogyasztást képviselnek, tehát beállítható az optimális munkaellenállás-érték. Persze ha hozzáférhető lenne a 24V-os táp váltóáramú része, akkor a graetz-híd kiegészíthető lenne egy negatív feszkétszerezővel (középleágazás nélkül), de akkor megnőne a disszipáció valamennyi stabkockán, hiszen 24V-ból kellene gyártani 8V-okat. Az biztos, hogy amit itt ketten alkottunk az működik és nem lesz túl meleg (az "L" stabokból adódik, hogy nem számítasz + - 50...70mA-nál nagyobb terhelésre), de persze el lehet gondolkodni potyo javaslatán is, amit én ebben az esetben úgy szoktam megoldani, hogy egy buck-konvertert használok a pozitív fesz előállítására és az induktivitására rátekerek kb 10menetet (típusfüggő) ami ugye földfüggetlen feszt állít elő egy schottky diódával. Ennek viszont előfeltétele, hogy a pozitív ágon legyen terhelés, különben nem lesz negatív oldali fesz... de ez többnyire nem gond és fele a költsége. (LM2675 1kHUF)
ez hogy tetszik??
sztem jó.
hát az sajnos nem elérhető, mert úgy akarom megcsinálni, hogy bármilyen 24V-os adapterről menjen...
Hát szerintem hacsak potyo nem rajzol még valami ennél is egyszerűbbet, akkor marad a jelenlegi állapot negatív stabicvel, meg zenerrel, és akkor majd vizsgaidőszak után ki is próbálom
A rajzod csak váltakozófesz esetén működik, a +24V nem megy át a záróirányú diódán a negatív stab felé! (és nem is lesz negatív)
mondjuk így sziveszter hajnalban belegondolva tényleg nem tudom elképzelni hogy működik, tegnap még azt hittem, hogy értem, de most nem
Kezdek olyan lenni mint a dicovery-n a műsorok, hogy úristen 1 hónapig tart megcsinálni valamit, de csak 10 perc van rá, és csodák csodájára valahogy mégis sikerül... kszönöm szépen a segítségeket BUÉK mindenkinek!!! És talán mostmár eljött az ideje egy kis alvásnak
hali!
egy 2X100W-os erősítőhöz egy 2X35V-os toroid feszültségét szeretném stabilizálni,ami 200VA-es. egyenirányítva és pufferelve kb. 47 V-ot kapnék,az erősítőmet viszont +-44V-ig lehet biztonságosan meghajtani. 40-42 V lenne az optimális. a pufferkondik értéke amperenként (ami kb. 2,5 A) 2200mikroFarad lesz. valakinek valami IC-s,tranzisztoros,stb... ötlet köszi!
Jobban jársz egy másik erősítővel, esetleg letekerhetsz a trafóból... A másik: 200VA-es trafó kevés lesz 2X100watthoz...
Szerintem TDA 7294-hez szeretné, az azért nem 100W-os...
Titi,Kovi!
ezt szeretem hogy mindenki mást mond. nem pont rátok gondolok tegyük fel hogy beteszem neki ezt a trafót,feltekerem a potit,és vigyorgok hogy "milesszmá" konkrétan mit fogok tapasztalni? hogy 100W-ból visszakapok 60-70-et?
Szia!
Szerintem a stabilizátorra költött pénz kb. annyi lesz, hogy jobban jársz ha veszel 2db TDA7293_at, azok elmennek 50V-ig. 8 ohm -os terhelésre ideális lesz! |
Bejelentkezés
Hirdetés |






ott a gnd és a -8V körül valami sántít..sztem 

sztem jó. 
köszi!





