Fórum témák
» Több friss téma |
Sziasztok!
Egy olyan kapcsolást szeretnék építeni, amivel USB-ről töltődő készülékeket lehet ceruzaelemekről tölteni. Lényegében 5V-ot kéne produkálni 4 (végső esetben 5 vagy 6) cerkaelemről. A 6V (4 elem csutkán) állítólag már sok lehet az érzékenyebb dolgoknak, nekem meg egy nem túl olcsó telefonhoz kéne, úgyhogy ezzel inkább nem kísérleteznék. Ti milyen megoldást javasoltok?
Én kipróbálnám EZT, 1db cerkaelemmel... :yes:
Step-up konverter, LDO lineáris stabilizátor vagy 5,1V-os zéneres stabilizálás. A leggazdaságosabb a step-up.
Step-up esetén olyan megoldást válassz, ami 500 mA-t bír. (A MAX856 csak 150 mA-ig jó.)
Topik korábbi címe:
USB-ről tölthető kütyük töltése elemről
A MAX8627 jó választás? (Ha valamit nagyon elnéztem, akkor úgy vegyétek, hogy a tudásom kb. az ellenállások meg kondik szintjén mozog, de rajz alapján persze tudok építeni)
Jó, feltéve, ha mindenképpen szeretnél tapasztalatot gyűjteni SMD-forrasztás terén. De pl. a MAX642 van DIP8-tokozásban is...
Csak megtalaltam a nekem kello temat.
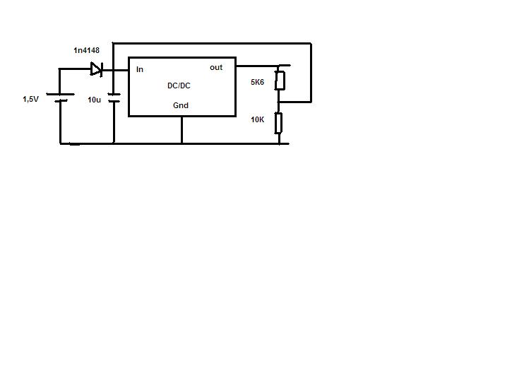
![]() 5V 500mA step-up 1.5voltra az nekem is joljone, en a MAX1700-al szemezgetek. Sikerult mar valakinek megepitenilye ilyesmit? Vannak tapasztalatok?
Itt van egy kapcsolás: Bővebben: Link
Kevés zaj van a kimeneten, ami drágább telefonok esetében jó dolog tud lenni... De ha beírod gugliba: step-up 5v kulcsszavakat és rákatt a képkeresésre kidob egy csomó kapcsolást. Most így hirtelen nem tudom hogy az MC34063-as IC-nek mi az alsó bemeneti feszültsége, de én leginkább ezt a típust szoktam használni, elég stabil meg úgy jó ahogy van... 9V-os elem + 7805 stab nem lenne jó? Félig biztos fel tudná tölteni 1 elem, és szerintem kevesebb a veszteség mint egy stepup-nál.. Sok sikert!
Kicsit átdolgoztam a kapcsolást, hogy nagyobb legyen az áramerőssége. Ahova nem írtam értéket, ott maradjon a gyári! Célszerű 2-3 elemet párhuzamosan kapcsolni, mert így az elemet is jobban terheli!
Udv pako!
Koszi a kapcsit. A bemeneti feszkom igazabol 1.5Volt se lesz, mert amirol meghajtanam az nehany 0.5Voltos (de nagy aramu) napelem cella. Ezekbol kotnek sorba 3db-ot, hogy kijojjon az 1.5volt az indulashoz. Aztan persze a terhelestol a bemeno feszko leesik kb 0.8Voltra ami mar eleg a MAX1700-asnak es a legtobb step-up-nak hogy 5Voltot adjon. Legalabbis a leiras szerint, azt irjak hogy 1.1Volt kell hogy bekapcsoljon a stab IC de 0.7Volttol mar kepes adni 5voltot. Kozvetlenul mindenfele aksi nelkul akarom megepiteni es a kimeneten egy 5V 500mA-t igenylo keszulek lesz rakotve fogyasztonak. A bemeneti alacsony feszkon par ampert tudok csinalni az alacsony feszko mellett, tehat elvileg siman kijonne az 5V 0.5A belole. Termeszetesen mindent csak a leirasokbol tudok, ezert kellene info olyantol, aki mar megepitett hasonlo step-up-ot es mukodik neki vagy nemmukodik, es van valami tapasztalata ez ugyben.
Kitaláltam valamit, hogy működi-e azt nem tudom, de majd tuti kipróbálom. A kimenő feszültséget egy sima fesz-osztóval megpróbálom visszacsatolni a bemenőre. Így a müködéshez szükséges feszt saját maga állítaná elő, az áramot meg az aksi/napelem szolgáltatná. Lerajzoltam mire gondoltam.
Münchausen Báró is azt mesélte, hogy saját hajánál fogva kihúzta magát egy veremből, de valamiért neki sem hitt senki
![]()
Figy nem azt akarom elérni hogy saját magát lással el energiával annyira azért nem vagyok hülye
Csak hogy az ÁK üzemeléséhez szükséges feszt cstolja vissza! Az áramerősséget az indutivitás feltöltéséhez akksi/napelem szolgáltatja majd. 0,5V 1A-ből is ki lehet hozni 20-30V-ot, csak a vezérlésnek kell nagyobb fesz, hogy a tranyók működjenek. Ezt a feszt akarom visszacsatolni....
Üdvmindenkinek!
Az a helyzet, hogy a mai napon szereztem 2db 1000mA -es 3,6V -os akkumlátort. Nagyon könnyű, és kicsi is. Arra gondoltam, hogy MAX710 -el, convertálom 5V -ra a feszültséget, és a telefonomhoz gondoltam használni. A probléma a következő! Nem tudom, hogyan kell "bekonfigurálni" a MAX710 -est! Nem tudom, milyen alkatrészek kellenek ahhoz, hogy az áramkör megfelelően stabilan működjön! Előre is köszönök minden segítséget! szerk: ...upsz a MAX710 adatlapja.
Adatlapban biztosan benne van. Kiserletezz!
Hol akadtal el a konfiguracio soran pontosan?
Azthiszem az elején!
(elkók értéke, induktivitás, minden, amin nincsen feltüntetve pontos érték)
Helló
A maxim oldalán mindenhez van egy un. Evaluation Kit rész is. Ott komplett rajz van értékekkel meg mindennel. Ezt nézd meg.
Áh köszi! Meglesem!
Az a baj, hogy ennyire, "perfektül", nem megy az angol nekem.
Pedig ehhez nem sok angol tudás kell. Ott vannak az alkatrészek egy táblázatban felsorolva, a másik oldalon meg a jumperek helyzeteit írja le, mikor mit csinálnak. utána a kapcsi és más nincs is. De ha valami nem világos írj és megpróbálok segíteni.
Okok, kössz a segítséget, azt a sz alkatrész táblázatot nemtudtam, hogy ott van, nem is vettem észre, valószínű azért mert nagyon fáradt voltam.
Sziasztok!
Tudna valaki segíteni hogy hol kaphatok MAX857-es IC-t magyarországon? Köszi. Tomesz.
Szevasztok hobbitársak!
Egy egészen apró kérdésem lenne felétek. Van egy akupackom, ami 3,6V -os, és arról szeretném "járatni" a MAX856 -os step up convertert, hogy előálljon az 5V a kimenetén. Szóval, mekkora a minimális, maximális feszültség amit rázúdíthatok? (van 4,8V -os akkum is csak azért kérdezem.) Előre is köszönöm a segítséget! Ampi
Helló!
0,8V-tól egészen 6v-ig bármilyen feszt ráengedhetsz. Az adatlap első sorában áll.
Nagyon köszönöm!
A MAX856 nem lenne jó? Csak kérdezem mert a HQvideonál van.
Szia!
Elméletileg próbálkozni az is jó lenne, a fix 5V-os kimenetével tudnék próbálkozni. Mennyibe kerül kb? Megnézem a weboldalt! ![]() Megnéztem, de ha jól látom akkor ezek SMD tokozásúak? Nem lehet kapni nagyobban?
Sziasztok!
Én 3V-os gombelemből szeretnék kihozni 3.5-3.7V-ot. Tudnátok ebben segíteni?
Hello, például ezzel megpróbálhatod, ha egy LED meghajtásához kell. A tranzisztorok lehetőleg azonos bétával rendelkezzenek. Ha biztosabbat akarsz, akkor a TPS61040 vagy egyéb kapcsolóüzemű step-up lehet megoldás.
|
Bejelentkezés
Hirdetés |








(elkók értéke, induktivitás, minden, amin nincsen feltüntetve pontos érték)






