Fórum témák
» Több friss téma |
- Ez a felület kizárólag, az elektronikában kezdők kérdéseinek van fenntartva és nem elfelejtve, hogy hobbielektronika a fórumunk!
- Ami tehát azt jelenti, hogy a nagymama bevásárlását nem itt beszéljük meg, ill. ez nem üzenőfal! - Kerülendő az olyan kérdés, amit egy másik meglévő (több mint 17000 van), témában kellene kitárgyalni! - És végül büntetés terhe mellett kerülendő az MSN és egyéb szleng, a magyar helyesírás mellőzése, beleértve a mondateleji nagybetűket is!
Ha hasznos, akkor olvasd el:
Idézet: „[MSZ EN 60065-1995] 9.3.1. Nedvszívó anyagok ( pl. nem impregnált fa, papír és hasonló rostos anyagok ) áramütés-veszélyes részek szigetelőanyagaként nem használhatók."”
Komolyan gondoltam. A szabványokat emberéletek árán írják. Olvasd el, hogy tudd, milyen kockázatot vállalsz fel.
Meglazulhat egy csatlakozás, megnő az ellenállása, felmelegszik, vagy kigyullad, vagy nem. Vendéged véletlen ráönt egy pohár kakaót a fa dobozodra. Ha fém és földelt lenne, benttartaná a feszültséget. Így kifolyik belőle.
Pont ez jutott eszembe nekem is. És a régi csöves rádiók-TV-k azok mind fa dobozba készültek, és ott még elektroncső volt, ahol köztudottam igen magas hőfokokról beszélünk. A cső izzik belül, a doboz átmelegszik. A fa öngyulladási pontja olyan 350-400fokra tehető, de az hogy az lángra is kap, és folyamatosan ég tovább az nagyon sok mindentől függ. ideális az égésnek, ha pl egy furnért hevítesz 350-400 fokra, és akkor az meg tud gyulladni ! meg tud, a szakirodalom és az elmélet szerint, de a furnér mm vastag, stb...stb...
Pl egy síma lakk réteg is sokat tud segíteni abban, hogy kitoljuk ezt a gyulladási pontot, és hogy kevésbé tudjon égni, ugyanis az egy műanyag réteg, és mint műanyag réteg gátolja hogy levegő érintkezzen a fa ami kell az égéshez. Persze ha annyi hőt kap amitől már a műanyag is lángra kap akkor már úgyis megette a fene az egészet. Egész pontosan: A fa égése 105 fokon már megkezdődik, 220-260fokon éri el a lobbanási pontot, de ez a hőmérséklet még nem elegendő a fa további égéséhez, 260-290fok között van az égési pont, itt külső hő már nem szükséges az égéshez, 330-470fok között van a gyulladás pont, itt az égés már folyamatos tud lenni Szerintem felesleges ez az aggódás.
Igen átnéztem az egészet és láttam ezt a részt.
Látom van aki fadoboz mellett van,van aki ellene...vagy jobb úgy írni hogy szerinte sem gond és szerinte gond.Hamarosan teszek fel képet mert sikerült az élesztés,úgy tűnik hogy tökéletesen működik.Nem melegszik veszélyesen,a csatlakozások forrasztottak-saruzottak-nyákos sorkapcsos illetve a kisfeszültségű résznél 1 helyen van sima sorkapocs. Ha pedig az általad ráöntött dolog történne...természesetes azonnal áramtalanítás,ha esetleg a biztosíték nem vágja le azonnal. Szóval én úgy érzem hogy jó ez az aggódás de picit túlzottnak érzem,vagy legalábbis nem látom át a veszélyét. Hogy ne csak off legyen : a pufferkondik igen jó minőségűek lettek,egyszerűen nem sülnek ki maguktól. Vagy legalábbis órák kérdése az egész. Hogy tudom gyorsan és biztonságosan kisütni őket? 4 db 4700uFesről van szó,párhuzamosan kötve.Nagy teljesítményű ellenállással rövidrezárom a lábaikat az úgy megfelelő? Köszönöm szépen Mindenkinek! Üdv
Szia!
Azt azért ne felejtsük el , hogy a régi készülékekben a transzformátor általában fém sasszira került, és nem toroid trafó volt! Ezzel csak azt akarom mondani, hogy én a helyedben raknák egy fémlapot a fadobozba, erre raknám a 230V-os részeket, meg a toroidot, és a fémlapot leföldelném! Biztos ami biztos.
Sziasztok!
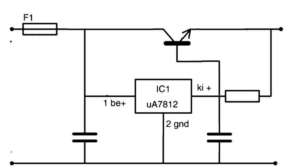
Csináltam egy elég összetett PIC-es készüléket és a tápot 7805-el készítettem el. A panelt úgy gyártattam és a 7805 révén TO-220-as tokozással készíttettem el. Sajnos így utólag látom, hogy a 7805 nagyon melegszik. A 2A-es változatot raktam be és a készülék áramfelvétele 400mA körül van. Pici hűtőt is raktam rá, de így is nagyon meleg. Szeretném megkérdezni, hogy létezik-e valamilyen más TO-220-as azonos lábkiosztású 5V-os stab IC, amely kevésbbé melegszik 500mA körüli terhelésen? Köszi és üdv
Bar nem irtad mekkora, de szerintem tul magas a bemeno feszultseged.
Csokkentsd le 7.5V kornyekere. Ez a legegyszerubb. Hasznalhatsz a tapban elotte egy masik, mondjuk 7809-est, akkor a terheles ketfele oszlik. Ugye, a be/kimeneten ott a 100nF kondi? Vagy hasznalhatnal nagyobb hutot. Elegge sokaig birja azert. NINCS olyan ataereszto, ami kevesbe melegedne, mert disszipativ elven mukodik. A honek meg el kell tavoznia valahol..
9V a bemenő fesz jelenleg is, szóval ez nem lehet probléma szerintem. A 7809 közbeiktatásával az a baj, hogy gyártatott panel és csak taknyolva tudnám odarakni, ami nem túl elegáns.
Persze, 100 nF van mindenhol... Pedig reménykedtem benne, hogy van valami jobb alternatíva. ![]() Köszi
Létezik kapcsolóüzemű 7805 is, ugyanolyan lábkiosztással. Csak kicsit drága, többezer forint. Esetleg csinálj egy különálló egységet, ami adja az 5V-ot, pl kapcsolóüzemű táppal. és akkor csak oda kell kötni vezetékkel.
Azért kíváncsiságból ránéznék erre a kapcs üzemű 7805-re.
Tudnál adni pontos típust? Köszi és üdv
Üdv!
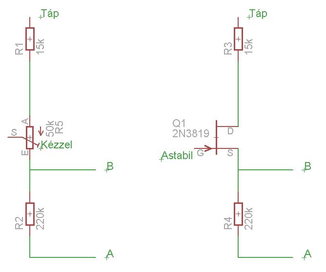
Van egy szervó vezérlőm 555-tel, ami most a poti tekerésére mozog. Ezt szeretném egy harmonikus mozgássá változtatni. Gondoltam arra, hogy egy tranzisztor C-E avagy S-D ellenállását használnám fel erre egy astabillal vezérelve. Van valakinek tapasztalata, segítsége ehhez, hogy hogyan is kéne megcsinálni, méretezni? A lényeg, hogy az arányok megmaradjanak az A-B pontok között. Köszi!Bővebben: Link
Milyen gyartmanyu az a 7805? Ha ST, probald ki az ONSEMI-t. Nekem voltak gondjaim az ST-vel...
De szamolgassunk egy kicsit: 9V-bol megeszik 4-et, 400mA-en ez 1.6W Ez teljesen normalis disszipacio. Ra tudsz nezni a kimeneti feszultsegre szkoppal? Ha mondjuk 2A-el uzemelteted, amire tervezve vagyon, akkor minimum 7.1V-ot kell neki adnod. ez 2V-ot eszik meg. Ha 2A-el uzemelteted, az 4W, tehat csaknem 3x akkora, mint ami most van neked. Egyebkent ezekben van beepitett hovedelem. Meg tudod merni, hogy hany fokos?
Hello!
Négypólusok témakörben lenne kérdem. Adott ez a négypólus,arra lennék kíváncsi h mind az imp. mind a hibrid paraméterek esetén, a keresett feszültség,áram esetén miért azok az ellenállások játszanak szerepet ? Ha mindegyikhez adnátok egy rövid magyarázatot nagyon megköszönném. Pl. imp-nál R12-nél miért csak az Rc játszik szerepet U1 feszültségébe, Ra ugye kiesik mert az áram ott 0, de Rb-t miért nem kell belevenni? ugyan ez hibridnél H12 miért kell feszosztó Rc-re, miért nem ugyanúgy van mint az előzőnél, h Rb nem játszik szerepet? H11-nél miért kell az összes ellenállást belevenni, miért nem elég az Ra,Rc ? stb....... Még annyi lenne h hogyan lehet az pl. U2=0,kimeneten nincs feszültség, mikor i2 áram folyik,a bemeneten van fesz, akkor a kimeneten miért nincs? Hova "tűnik el" ? Ezt sehogy sem tudom elképzelni. Köszönöm előre is!
ha pl az U1=0, az rövidzár, azaz RaxRc, hisz párhuzamosan van ekkor kötve
ha I1=0, az szakadás, azaz mintha le lenne vágva az Ra, tehát kiesik.
Nem, PE-MIK elektronika.
Valaki el tudná akkor magyarázni,mindegyikhez 1-2 mondat h miért is úgy kell. Tényleg nagy segítség lenne.
Vegyél fel msn-re, ebéd után korrepetálás lesz
sziasztok, meg tudná valaki mondani, hogy mi az a mérővevő és mire jó? Elvileg azt mondták hogy rossz, de ha bekapcsolom akkor kiir számokat, reagál mindenre ahogy nyomkodom, tekergetem, de hogy tudnám megnézni, hogy jó e?
Kép: Hivatkozás Erről lenne szó. Üdv.
üdv mindenkinek az alábbi kapcsolást meg lehet épiteni npn tranzisztorral?sajnos csak ez van ithol,köszönöm
Meglehet, csak nem fog működni. Tudod, hogy a bázis vezérlése eltérő...
Hello!
Nem láttam még (és itt sem elég jól). De gyanítom, hogy ez egy vezetékes átviteltechnikai műszer, aminek a mai digitális átviteltechnika mellett már "bealkonyult". üdv! proli007
Nem jó az npn.
Értem, de hogy tudom meg hogy működik e??
Szia!
Egy kis kompromisszummal!
Hello!
Nagyon kísértetiesen fogalmaztál. Idézet: „Ezt szeretném egy harmonikus mozgássá változtatni.” Ez alatt azt értetted, hogy nem manuálisan a potival akarod vezérelni a kapcsolást, hanem pld. feszültséggel? A kapcsolásban egy szabadonfutó astabil oszci látható, ami egy bistabilt vezérel, aminek a késleltetési idejét egy potival állítja be. A késleltetési időt a (7.55k+R1+R2)*0.1µF határozza meg. - A potméterek helyett, lehet tölteni a 0,1µF-os kondit, egy vezérelhető áramgenerátorral is. Akkor már feszültséggel is vezérelheted a bistabil idejét. - De mindenképpen, a kondi töltési áramát kell szabályozni. Ezt lehet egész egyszerűen egy ellenállással is, aminek egyik lába a kondira van kötve, és a másik végére kötöd a feszültséget. Így a kondi töltőárama csökkenthető, vagy növelhető az ellenállások aránya és a feszültség nagysága szerint. Ha valami konkrét vezérlést gondoltál, lehet konkrétabban is segíteni. üdv! proli007
Hello!
Hát ez vagy valami, vagy megy valahová! (Ahogy mondani szokás.) Nem látni a fotón semmit a feliratokból, csak a frekit, és a mérőműszert, ami dB mikrovoltban van kalibrálva. - Tehát lehet ez egy szelektív mérővevő. Akkor valami jelet kell beadni neki. - Lehet ez egy generátor, Akkor viszont kijön belőle valami. - Vagy mind kettő, akkor meg egy drót kel a kimenetéről a bemenetére. - Meg lehet csavargatni, hogy mi változik rajta. És így tovább.... De ha fingunk nincs valamiről, hogy micsoda, miért fontos, hogy működik-e? üdv! proli007 |
Bejelentkezés
Hirdetés |








