Fórum témák
» Több friss téma |
Szia Gery!
Ma készültem el a remekművel és tényleg nagyon jó lett . Itthon mindenkinek nagyon tetszett, talán a b.nőmnél is sikert aratok . Jó ötit adtál a dobozoddal, vmi fémes dobozt próbáltam keresni, de nem lehetett oyat kapni sajna. Aztán lett ez, ez a 2.doboz, mert az elsőről mikor a matricát szedtem le a nitroval, akk a müanyag gyengébbnek tünt a matrica ragazstólyánál aztán a doboz meghalta magát. Ennél a Domestos jött szóba és jó is lett . A cuccokat meg Siloplastal ragasztottam le. Szal itt vannak a képek és mégegyzser köszi h segítettél.Mindenkinek Boldog Karácsonyt és Boldog új évet kívánok!! Hobbielektronika forever!
Szia!
Na, szuper lett! Gratutálok hozzá, és szerintem barátnődnél is nagy sikert fog aratni, hisz "szívből" csináltad. Kellemes ünnepeket mindenkinek! (ja és köszi a képeket )
Üdv! Megépítettem én is a kapcsolást, ami a HE-ban volt, azonban hasonló jelenség jött elő mint Gery-nek : Bekapcsolom minden szuper, utána elkezd gyorsabban villogni, majd szinte folyamatosan ég, és miközbe még gyorsul a belső szív ledjei ki sem alszanak teljesen.Próbáltam már másik tranyóval: BC239, illetve BC182, eredménytelenül. Gery esetleg neked mi volt a baj? És végül megoldottad, de hogyan??
Köszi!
Szia!
Fuh, hát elég rég volt már, de ha jól emlékszem nállam az volt a probléma, hogy hirtelen nagyon leterhelte az elemet. Azaz elkezdett csökkeni az elem feszültsége és azzal arányosan gyorsult a villogás, majd világított. Ha kikapcsoltam akkor visszáb töltődött az elem(mint pl rövidzár után), és újra jó volt. Mutattak még valamelyik topikba valahol egy kapcsolást a kiküszöbölésére, de fogalmam sincs hol, én úgy oldottam meg, hogy nagyobb értékű ellenállásokat raktam be, és bár kevésbé világított, és tökéletes nem lett, de így kb 15-20perc múlva kezdett csökkenni. Esetleg mérjed az elem feszültségét, hogy valóban nálad is csökken-e, meg kipróbálhatod, hogy beraksz egy ellenállást, vagy tán valami olyan kapcsolás lehetett az ami bizonyos áramnál nemenged többet át, de nemakarok hülyeséget beszélni mert nemvagyok benne biztos.
Szia!
Nem ez lesz a probléma, ugyanis ha tápról indítom (adapter ) akkor is előjön a probléma. Érezhetően nem melegszik semmi, és sajnos hőmérőm nincs hogy megmérjem... cseréltem tranyót, tettem be 100 ohmmal nagyobb ellenállatot a bázisra, illetve fogalmam sincs mitől, de még szórakozik néhány led is (égve marad, nem világít...) és olyan is van hogy a 4 sorba kötött ledből az egyik kialszik, de a másik 3 gond nélkül megy... (zárlat nincs) ez számomra rejtély
A kondenzátorok polaritását nem cserélted meg véletlenül?
A tranzisztorok E C kivezetései is odakerültek ahova azoknak kerülnie kell!? A kialvó sornak jó, és jó értékű az előtét ellenállása? S mivel csak most kapcsolódom a témához, én megköszönnék egy linket az elvi kapcsolásról! :worship:
Igen, többször is átnéztem helyes minden beültetés, a kondenzátorok is kifogástalan állapotúak, és az ellenállások is jó helyen vannak. Külön nem mértem meg őket, de mind egyforma, és még olyat nem tapasztaltam, hogy rossz lett volna egy ellenállás és persze most vettem őket. Köszönöm szépen.
Mondjuk holnap átadom barátnőmnek, majd mellékelem hozzá hogy ne használja csak 5 percet mert minden ezek után kezdődik
Nekem foylamatosan világítanak a ledek az miért lehet? pedig a kondik értékét változtatgattam:S
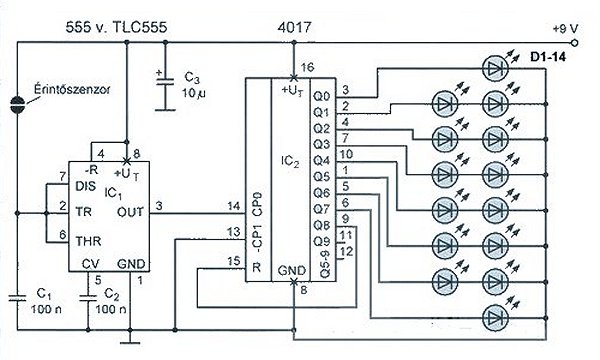
Ezt a kapcsolást próbáltam megcsinálni.
Nem lehetne jpg-ben vagy valamilyen olvasható formátumban felrakni a kapcsolást? Nem mindenkinek van ilyen sch olvasó programja...
10db led párhuzamosan?? ez 200mA ezt nem bírja az elem ! Én a helyetekben inkább csinálnék egy futófényt
akkor egyszerre csak 1-2 led viágítana és nem terhelné túl az elemet (igy nem is szoktunk párhuzamosan kötni ledet!) mindegyik led kap egy előtét ellenállást és úgy vannak ősszekötve párhuzamban de , ezen a kapcsoláson ez semmit nem segít . Ha csak nem kap nagyobb tápfeszt,mondjuk 12v ot akkor az ellenállássok értéke 470 r
Amúgy ez az sch olvasó progi az eagle nyákervező
és van letölthető változata
Szív alakú érintőszenzoros futófény. 1,5 éve készült.
ezt a kapcsolást itt találtam a ebben a fórumban és nem írták róla 1 éve hoyg nem működik
Eredeti (nagyobb) méretben nem tennéd fel a kapcsolási képet?
Igen én építettem a rajz alapján. Mivel mindíg a dobozolással van a baj, azt volt a legnehezebb "beszerezni". Először csokisdobozba ment volna ez is, de szerencsére egy kínai boltban rábukkantam egy szív alakú órára (300Ft). Kibelezés után bereszelgettem a panelt, az aljába pedig elfért a 9V-os elem. Az egyik mikrokapcsoló a főkapcsoló egyben, a másik pedig úgy van átalakítva, hogy az az érintőszenzor. Csak úgy működik, ha mindkét nyomógombot benyomjuk. Minél kisebb az ujjvégek ellenállása, annál gyorsabban szaladnak körbe a ledfények. Szerelemteszter...
Az első az eredeti rajz 6db leddel. A második rajzot kiegészítettem 14 db ledre.
Kicsit nagyobb méretben a panelterv. Akkoriban jó volt erre a Paint is.
A számok oldalt, hogy a 4017-es melyik lábára kell kötni a led anódját.És a félkész panel. Működött is rendesen, alul a 9V-os elem, De dobozolás nélkül elég szegényen nézett ki, hiába festettem pirosra a panelt...
ÚÚ, ez így bedobozolva nagyon szuper! Ez kicsit más mint az enyém (működési elv), de valami eszméletlen jó a kivitelezés. Gratulálok hozzá!
Köszönöm a dícsérő szavakat.
Ritka az olyan eset, hogy a meglevő/kész panelhez dobozt találjak. Mert ugye előbb készül a panel, utána keresünk neki dobozt....
a brd formatumu fajl megnyitasahoz mijen prgramhozvan szuksegem?
Helló!
És egy helyesírási szótárra is szükséged lenne.
Itt van az én ledes szivem, barátnőmnél felakasztva. Épp kikapcsolt állapotban.
Nagyon romantikus! A szívben lévő kép nagyon ismerős. Netán én csináltam a Tisza-tavon?
Igen a képet te készítetted a Tiszán. Szép emlék! Sajálom hogy nem vittük le megmutatni de nem gondoltunk arra hogy megmutatjuk akkor, bár lehet még kész sem volt csak 90 % ban.
Arra még nem gondolt senki, hogy ezt a szíves dolgot kombinálja egy kivezérlésmérővel és a szív úgy tünne elő ahogy párunk zenét hallgat. Ha valaki próbálkozott már ilyennel akkor várom a tapasztalatokat.
|
Bejelentkezés
Hirdetés |




. Itthon mindenkinek nagyon tetszett, talán a b.nőmnél is sikert aratok
. A cuccokat meg Siloplastal ragasztottam le. Szal itt vannak a képek és mégegyzser köszi h segítettél.



)













