Fórum témák
» Több friss téma |
egy kérdést szeretnék feltenni hangerő szabályzással kapcsolatban.
Hogyan lehet 1 potméterrel, 2 vagy több sáv hangerejét szabályozni? Olyanra gondolok mint az 5.1nél a fő hangerőszabályzó ami mind a 6 külön álló sáv hangerejét egyszerre szabályozza. Esetleg egy kialakítási módott is kérnék. Előre is köszönöm
Szia! Vannak erre speciális IC-k. 6 sávot szeretnél, vagy ez csak példa volt?
Nem potis, de ez is egy variáció. Bővebben: Link A képen két csatornás van. Ebből hármat felhasználva, kész is a hatcsatornás.
szia elég lenne 2-3 sávra is.
nincs valami fetes vagy ehez hasonló megoldás?
Feszültség vezérelt hangerőszabályzó ,ezekből annyit köthetsz rá amennyit akarsz.A poti csak a vezérlő feszültséget adja,a hangerőt az ic szabályozza .(pl tda1524) Esetleg I2C hangerőszab,poti,meg processzor,vagy sound processzor + processzor
Kettő sávra használj STEREO potit. Fetes, vagy hasonló
Nem lenne valami egyszerű áramkör szerintem. Inkább az előbbi IC-hez rakj JOG tárcsát, s már tekergethetős is.
Hali,
Szerintem J-Fetekkel megoldható. A Sourcukat lekötöd a földre a Drain körbe pedig beiktatsz pk egy 10k-s ellenállást. A 10k tetejére jönnek majd a bemenőjelek a 10k-s másik feléről és egyben a Drainről pedig leveszed a szabályzott amplitúdójú jelet. Ha UGS=0V akkor a fet rövidzár és lesöntöli a kimenőjelet. Ha Ugs=-5V akkor pedig szakadás, és a jel maradéktalanul átjut a 10k-s ellenálláson. Mivel feszültségvezérelt az egész a géteket párhuzamosan lehetne kötni.
ilyen fetes megoldásról hallottam én is.
ez hogy is nézne ki elméletbe? ezzel akkor le is lehet zárni és ki is lehet nyitni fetet. de a hangerő is változik a kinyitottság nagyságától? lehet hülyeséget irtam
Sziasztok! A jog jeladót hogy lehet bekötni? Jó lenne ha egy led sor jelezné a beállított hangerőt is. Ez tudja vezérelni EZT a kapcsolást? Köszi a válaszokat!
Egyszerre ? vagy kolon kulon ?
Fo szabalyzo egy tob szegmentes koaxialis potmeter lehet .lattam ilyesmit egy autoradioba, de nem hiszem hogy lehetne kapni . Tulajdonkeppen ha a "source" jelet szabalyozod valahogy a dekodolo elott akkor az osszes savot egy gombal allithaod , ehez eleg egy sztereo koaxialis potmeter.De ez a 5.1 es cucc felepitesetol fugg hogy van e hozzaferes egy ilyen dekodolas elotti general hangero telepitesehez. Majd a csattornak kozotti aranyokat kulon sztereo potmeterekel allitjak be , vagy automatikussan bealnak egy adott aranyra a kivalsztott "preset program" szerint. Amugy ahogy a kolegak irtak , leteznek digitalis potmeterek amik BCD koddal programozhatok . Igy minden helyre teszel egy egy ilyen potmetert aztan egy szamlalot leptetsz hogy egy egy erteket beallitsal.DigiPotMeter Tobfele tipus van kell meg keresgelni GOOGLE-val "digital potmeter " kulcsszavakkal.
Hali!
Annyi ilyet kell összeraknod, ahány csatornát szabályozni akarsz. Elég egy mono potméter amivel a vezérlő feszültséget leosztod, majd szűröd egy kondival. Ezt a leosztott szűrt feszt kötheted az összes egység CV bemenetére. Így nem lesz együttfutási probléma, és nem fog recsegni a cucc, ha már kicsit elkopik a potméter.
Vagy akár differősítővel is megoldható, úgy hogy az áramgenerátor áramát változtatod. 0,5V és 2,5V közt a következőképpen alakult:
A jelet meg majd valamelyik kollektorról kell levenni csatolókondival.
A téma címét javítottam. Kéretik a nagybetűs mondatkezdés!
Tda8199 ez kell neked "olcsó" és nálunk is beszerezhető.
Ilyet már én is gondoltam csinálni. Én úgy akartam, hogy az görgős egérből kitermelt opto-rendszert forgatnám. Azt valahogyan rákötni egy tranyóra, ami megy a bss-en található DS1669-es hangerőszabályzóra. A gond az, hogy a forgásirány (hangerő fel-le) megállípitásához valami módszer kéne. Gondoltam olyanra, hogy 2 tranyót kötök egymás mellé, köztük 1 kis értékű kondi, és még magam sem tudom hogy, de megpróbálok rájönni. Lehet elvetem ezt a módszert, és valami számláló IC-t, vagy nem is tudom mit kötök rá. Vagy!!!
Közben eszembe jutott, hogy láttam itt egy servo motor vezérlőt 555-tel. (KÉP) Ha úgy működik, ahogy gondolom, ( ha a potit letekerem, akkor - jelek sorozata jelenik meg a 3-as lábon, ha fel, pozitívak sorozata) akkor erre már csak két tranyó kellene, ami kapcsolgathattná nekem a tranyókat-DS1669-est és kész is van. Ez megoldható így? Így működik egyáltalán az ÁK? kössz: uli
Sziasztok!!
Szeretnék építeni egy 7.1-es erősítőt, minden kész van hozzá, kivéve a hangerőszabályzás. A következő lenne a gondom: van 4db bemenetem, (Első, közép, hátsó, Center/Sub) és egy bemeneten két szál van, plussz a földelés, (Hangszórók bemenete egy stereo Jack, ezen van a jobb oldali hangfal szál, a bal oldali hangfal szál, és a földpont) a következő lenne a kérdésem: Tudnátok olyan kapcsolást mutatni, ahol a effektíve 9 szálat (8hangfal+föld) lehet egyszerre szabályozni, de úgy, hogy a stereo hatás megmaradjon? Keresgéltem, és találtam egy cikket, sajnos kapcsolás nem volt, az állt a cikkben, hogy ezt meg lehet oldani úgy, hogy csinálok 1 IC-vel egy digit hangerőszabályzót, és az IC-t vezérlem egy csúszópotival (Azért kell a poti, hogy pl ne 5 gombnyomásra legyen 100%-on a hangerő). Tudnátok ehez egy kapcsolást ajándékozni nékem? ![]() Előre is köszönöm!!! Üdv: Fireballelektro
Szia! Örülök, hogy megkereshettem Neked:Link
Üdv!
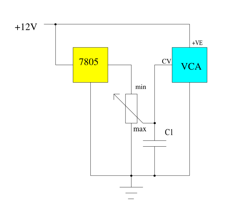
A +VE lábra gondolom valamiféle tápfeszt kell kötni. Hány V min/max? A 25k-s potival mit szabályzok? A vezérlőfeszültséget hogy valósítsam meg? Kössz: uli
ŐŐŐŐ lehet én vagyok hülye, de nem lehetne valahogy érthetőbben??:$:$:$:$:$.$
+VE a tápfeszültség, értéke az alkalmazott FET típusától függ, általában +12V jó ide. Mivel nem találsz két egyforma FET-et (kivéve ha több száz darabot rendelsz), ezért szükség van a 25K-s trimmerre, amellyel beállíthatod a csatornák együttfutását.
J174-es FET-ek, és +VE=12V esetén CV értéke 0 és 5V közöt változik. 0V-nál maximális a hangerő, 5V-nál pedig teljesen elhallgat. C1 értékének 10µF-ot javaslok. Ez a kondi akkor is biztosítja a recsegésmentességet, ha a poti már egy kicsit megkopott. Annyi VCA-t köthetsz egy potira amennyit csak akarsz, ill, ahány csatornát akarsz szabályozni.
Hello
mi alapján lehet FET-et hozzá választani? nem torzitja a hangot? a CV bemmenetére mijen értékű poti kell? a hang bemenethez nem kell csatoló kondi? előre is köszi |
Bejelentkezés
Hirdetés |




Nem lenne valami egyszerű áramkör szerintem. Inkább az előbbi IC-hez rakj JOG tárcsát, s már tekergethetős is.









