Fórum témák
» Több friss téma |
Sziasztok. Olyan kapcsolásban kérném a segitségeteket, ami valójában egy átkapcsolható jelösszegző kocsiba.
A kapcsolónak nyomógombosnak kellene lennie. És több videó kamera bemenő jelét kapcsolná egy kimenetre. Amit a beépített LCD kijelzőre kötök. Pl.: tolatókamera, visszapillantó tükörbe épített oldal kamera( az ún. holt tér jobb beláthatóságára), infra, vagy hőkamera az éjjeli vad balesetek kiszűrésére. Nagyjából nyolc állású kellene, tehát nyolc kamera képét kelle egy kimenetre csatolni és a kamerák között ez a nyomógombos kapcsoló lenne a választó. Fontos, hogy valami olyan kapcslás kellene ami megtartja a bemenő jelszintet, vagy erősit rajta kicsit. Köszi előre is a segítséget.
Szia!
A megoldás a problémádra egy multiplexer lenne. Az nem derült ki az írásodból, hogy milyen jeleket kell (analóg, vagy digitáli) kapcsolni. Az egy darab nyomógombos megoldáshoz pedig egy kis áramkört kellene építened. A lényege az lenne, hogy egy számlálót kötnél a multiplexer elé. A nyomógomb meg léptetné a számláló bemenetét. Remélem ötletemmel tudtam segíteni. Üdv: MaGor (Ha gondolod segítek megtervezni a léptető logikát)
Szia
A jel analóg jel lenne asszem. Jó volna ha tudnál segiteni. Köszi
Hát iggen. Egy videójel választó akarna ez a kapcsolás lenni. Ahhoz hogy a videójeled ne csökkenjen, REED RELÉ-t kelllene alkalmazni. De megoldható lenne CD4016-os CMOS analóg kapcsolókkal is, csak az IC-k tápellátása egy kiszit bonyolultabb lesz, és lessz egy kis jelveszteség is... Ezek a relék DIL IC-tok méretben is beszerezhetők PLD: a HARLIN HE721C05-30... Ha csak végig akarod léptetni a jelbemeneteket akkor egy FEL - LE számláló és egy demultiplexer (adatválasztó)-val ez megoldható. Ha független csatornakiválasztást szeretnél, az egy kicsit más vezérlést kíván... A számlálós változatnál csak kettő " egy FEL, és egy LE " bomb kell. Meg kellhet egy hétszegmenses LED-kijelő is, ami a kiválasztott csatornát visszajelzi neked.
:felkialtas:Ezt, a számlálós változatot egyszerűbb elkészíteni, de a gombok lépetése sok figyelmet elvonhat a vezetéstől, ha menetközben kell váltogatni a csatornákat! :felkialtas:
Egy 5-let: Ha a hétszegmenses LED-kijelző helyett ISD2560-as hangtároló CHIP-et alkalmazol kontrolnak, ami a baállított helyeken elmondhaná az adott funkciót, akkor csak a gombokat kell megkeresni és nyomkodni...
Szaiasztok! Tudna nekem valaki segíteni 4 nyomógombos kapcsolásban? A működési elve az lenne hogy ha 1.gombot megnyomom akkor 1.áramkört bekapcsolja a 2-3-4 pedig ki, ha a 2.gombot megnyomom akkor a 2.áramkör zár és az 1-3-4 kapcsol ki stb... ezt egy ICL7107-el készített hőmerő hőeééenállás kapcsolójának szeretném használni. A csatolt képen az S1 kapcsolót szeretném ily módon helyettesíteni.
Előre is köszi a segítséget.
Van nekem egy ide való kapcsolásom, pár hónapja terveztem meg, 4db asztali dvd lejátszó képét és hangját kapcsolgattuk vele 1db tv-re. Tehát gyakorlatileg ez 4-szer 3 csatornás volt, mert videojelet és sztereo hangot is kapcsolt egyszerre, de persze egy csatornásra is megoldható, még egyszerűbben is lesz persze.
Megkeresem a kapcsolást...
Na jó, most nincs kedvem kimenteni Eagleből a képeket, feltölteni meg belinkelni.
Inkább nézd meg a Hobby Elektronika 2003/10-es számát! Abban majdnem ugyan ez van. Ha kell belinkelem az enyémet is, csak ma már nincs kedvem.
Ha megkérhetlek légyszi keresd meg nekem az említett kapcsid. köszi
Jó hogy szóltál, majdnem elfelejtettem. A kapcsolás két panelon van megépítve; egyik a vezérlőpanel, a másik pedig a kapcsolóegység. A kapcsolóegységnél 3-3 kapcsoló kapu van a korábban említett igényeim miatt, a te esetedben 1 is elég persze.
A vezérlőegységnél ne kérdezd hogy IC2b miért áll ott egyszál magában, fogalmam sincs miért rajzoltam úgy . Vezérlőegység Kapcsolóegység Megnézve a kapcsolásodat amihez használni szeretnéd; neked a negatív félperiódus átvitele sem szükséges, ezért a kapcsolást mégjobban le lehetne csupaszítani.
Köszönöm a gyors segítséged!
Kezdő vagyok az elektronikában de ez nem tűnik nehéznek. Remélem sikerül megépítenem. thx
Szia.
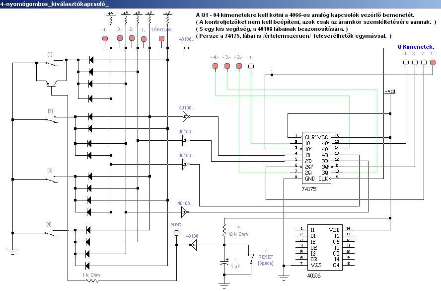
Lenne egy elgondolásom a Idézet: -ra. „4 nyomógombos kapcsolás” Lásd f.mellék. Ezt még csak szimulátor progin futtattam le. Tehát valós alkatrészekkel még nem lett megépítve, s így még lehetnek benne hibák, bár a szimulátorprogin rendesen ment. Remélem a gyakorlat hozni fogja az elméleti elvárásokat... Szerintem men okoz gondot a megépítése, s igazán szerény az alkatrészigénye. Igaz az a sok dióda egy kicsit ilyesztő lehet . De készűl az IC-s változat is... Persze, aki ennek a diódás kapcsolásnak a lényegét megérti, annak nem okoz gondot a kapcsolást IC-kkel megtervezni - megépíteni.
JA!
Az áramkör védett a kettős vagy többgombos vezérléstől. ( Ezért kell az a sok dióda. ) Beállítható, h. melyik kimenet legyen aktív bekapcsolás ( RESETELÉS ) után. Ezt a nyomógombal párhuzamosan kötött NPN tranyóval lehet megtenni. Valamint ha kell, a kézi resetelés is megoldható. A megnyomott gomb eltárolódik a kimeneten egészen addig, amig egy másik gomb meg nem lett nyomva. (Elvileg,) Stabil, zavarmentes működést biztosít a 40106-os "Schmitt Trigger" bemenetű inverter. ...
Attila! Még 1 dologban kérem segítséged. A vezérlő és kapcsoló egységednél megtudnád adni az ellenállás és kondenzátor értékeket, ha megkérlek szépen! thx
Persze. ITT az eredeti rajz, ezen rajta vannak az értékek.
A kapcsolóegységnél az a sok ellenállás (ami a te esetedben csak 4db) csak lehúzó ellenállások, lehetnek szinte bármik, mondjuk 1k. (Én 1k-t szoktam használni mert ez tuti van otthon.)
Köszi. Meghívlak egy virtuális sörre a segítségért. Köszi.
Nem akarok ünneprontó lenni, de én nem iszom soha.
Sziasztok. Egy ilyen több gombos videó jel átkapcsoló rajza érdekelne. A fórumba megadott cimek már nem működnek. Köszike.
Sziasztok, olyan kérdésem lenne, hogy szeretnék a mazda 6osom középső kesztyűtartojaba építeni egy tabletet. Linkelek egy videót ami látszik, hogy mit szeretnék. Egy gombnyomásra kilit egy gomb nyomasra becsuk. Ez lenne a terv, ehhez találtam már 12V os 4 RPMES motort amit ugye polaritás forditassal tudok nyitni csukni. Kérdés az lenne, hogy milyen kapcsolassal, mikrokapcsolokkal tudnám ezt legegyszerubben megoldani. Gondoltam arra, hogy az alap(becsukott) állapotba, ill a kinyitott állapotba is teszek egy mikrokapcsolot és ezt kellene valahogy úgy bekotni, h csak addig kapjon feszültséget a motor amíg nem éri el a végpontokat. Nincs valakinek vmi ötlete?
Hello! Megrajzoltam amit szeretnél.. A kétszer 15sec biztonsági időzítés. Ha a végállást nem érné el ennyi idő alatt, lekapcsolja a relét..
A hozzászólás módosítva: Jan 6, 2016
|
Bejelentkezés
Hirdetés |





.







