Fórum témák

» Több friss téma
Fórum » Gerjedő erősítő
 
Témaindító: frissadam, idő: Okt 13, 2006
Lapozás: OK   1 / 1
(#) frissadam hozzászólása Okt 13, 2006 /
 
Megépítettem az alábbi kapcsolást,de van egy kis problemám.Az erősítőben található két poti,amellyel a nyugalmi áramot lehet beállítani.A leírásban e folyamat precízen megtalálható.Az egyik poti félállás a, másik poti (ami a BD lábára van közvetlenül kötve) folyamatos állításával kb 30ma-es nyugalmi áramot kell beállítani!Én folyamatosan 0-tól 25ma-ig hangoltam mikor megálltam a hangolással,és az áram folyamatosan emelkedett magától,a tip 147 tranyó pedig nagyon forrósodott!Ha vissza vettem a potin akkor pedig csökkeni kezdett és visszaesett kb 15-re.Nem tudom pontosan beállítani!Egy tip147-et is kinyírtam már!Szerintem gerjedés,de nincs szkópom.Valaki tudna segíteni???
(#) szabi83 válasza frissadam hozzászólására (») Okt 14, 2006 /
 
szvsz szkóp nélkül, csak a tranyókat dobálhatod a kukába..

üdv
(#) bbatka válasza frissadam hozzászólására (») Okt 14, 2006 /
 
Annyi tanácsot tudok adni hogy 230V/40W izzón keresztül ad ki a feszt az erősítőre. Egyrészt az izzó fényerejéből látszik majd az áramfelvétel, másrészt pedig nem enged nagy áramot folyni.
(#) huhuu válasza frissadam hozzászólására (») Okt 14, 2006 /
 
Megnéztem a kapcsrajzot, szerintem pakold tele szűrő kondikkal és akkor talán nem fog gerjedni, tegyél a tápfeszbe 100n kondit, a kimenetre (a kondi után) 100n kondit egy 10 ohmos ellenállással, talána a tranyó lábaihoz is lehetne, de oda azt hiszem piko farados kondikat szoktak, csak nem emlékszem mennyit.....talán 22p-os....
talán lehet akkor megszűnik a gerjedés, amúgy minden erősítőnél érdemes a tápfeszben a 100n-os kondi!!
(#) Sebi válasza frissadam hozzászólására (») Okt 14, 2006 /
 
Pontosabban: R3 a nyugalmi áram (quiescent current), R9 a C7 pozitív sarkán mérve féltápfesz beállítására szolgál.
Volt rajta hangszóró v. műterhelés az akció során?
(#) frissadam válasza frissadam hozzászólására (») Okt 19, 2006 /
 
Ha valaki megépítette ezt a kapcsolást,megosztaná velem a tapasztalatait?
(#) Peti_85 válasza frissadam hozzászólására (») Okt 19, 2006 /
 
Hát nekem meg se scópom se semmim.

Én ezt megcsináltam (először szarul martam ki a nyákot, meg sem akart mukkanni), aztán kijavítottam a hibát és azóta királyul működik.
És nem kellett hozzá semmit méregetni, meg ilyesmi!
Én rögtön hangot kapcsoltam rá, meg egy nagy hangszórót és beröffentettem.
Megszólalt! Jupppiiii! Nem volt elég tiszta a hangja! hát é meg addig tekergettem a potikat míg nem lett naggyon szép a hangja! És most is nagyon szép.

Az összes bajom vele csak az hogy nem tudom betenni elé a TL082-es sub-filtert!!!!!!!
És nem tudom hogy miért!

Hali
Peti.
(#) frissadam hozzászólása Nov 18, 2006 /
 
EZ AZ

90w.gif
    
(#) Spek válasza frissadam hozzászólására (») Nov 20, 2006 /
 
Hali!

Az a kérdésem, hogy az előerősítő, és a végerősítő nulla-pontját, össze kell e kapcsolni? (Össze különben nem szól) De mégis hogy is van ez?
(#) szabi83 válasza Spek hozzászólására (») Nov 20, 2006 /
 
azért kell össze kötni a földet, mert akkor nem tudnál mihez képest mérni feszt, hangfrekit...


üdv
(#) frissadam hozzászólása Nov 25, 2006 /
 
A következő páciens

tda250wk.jpg
    
(#) alienn válasza bbatka hozzászólására (») Nov 25, 2006 /
 
én 100W-os erősítőnél (quad405) jártam úgy, hogy nem volt elég a 40W-os égő a táppal sorba élesztésnél... 100W-os kellett, mert azon keresztül tudott annyi áram folyni ami nyugalomban elég volt az erősítőnek viszont védett is. Szóval ha túl nagy az égő ellenállása lehet hülyeséget fogsz mérni / hinni.
(#) alienn válasza Spek hozzászólására (») Nov 25, 2006 /
 
Feszültség mindig egy előre kinevezett ponthoz (földhöz ill negatív táphoz) viszonyított potenciálkülönbség.
Ez erősítőknél a táp testje, előerősítőnél szintén ez, illetve a negatív táp, ha egy tápról megy.
Tehát ahhoz, hogy az erősítők jól működjenek (elő és végerősítő) össze kell kötni a földeléseket (a két erősítő közös pontjait, nevezik testnek, negatívnak...) és ehhez képest erősít mindkét erősítő.
Ha nincs összekötve akkor nem tudja az erősítő mihez képest erősítsen...:yes:
(#) frissadam hozzászólása Feb 13, 2007 /
 
Az új panel ami nem gerjed de nem is szól!
(#) bikau hozzászólása Márc 20, 2008 /
 
Ezt írtad:

Sziasztok még nem írtam ebben a forumban de már nem boldugolok ezzel a sz... és nagyon idegesít gondoltam megkérdezem nálamnál okosabbaktól is hátha tud valaki megoldást rá .
Szeretnék csinálni egy erősítöt előerősítővel hangszinszabályzóval FET-s bemenetválasztóval együtt . Ami kész is van és működnek is külön külön de ha egybe rakom öket akkor a is működnek de a végerősítő mocskosul elkezd melegedni és a nyugalmi árama felmegy 1,8 A és ha belegondolok bekepcsolom a másik felét az erősítőnek akkor kész hőerőmű lesz a dolog . És hozzá kell tennem hogy ha előerősítőnélkül probálom akkor meg normálísan működik kb.:0,2A nyugalmi árammal . Azt tapasztaltam hogyha ugy kapcsolom be hogy le van véve a hangerő poti akkor még jó , aztán ahogy tekerem fel egy ponton koppan eggyet és felszökik a felvett áram működik tövább de .... , hozzá teszem hogy előfokban kellett egy kis változtatást tennem mert túl mély volt a hangja a 10n kellett egy 100n-at tennem amit nem értek mert már egyszer ezt megépítettem és alapbol jó volt ...
Az előerősítő egy TLC272 műveleti erősítővel felépített erősítő csat.lásd a képen . A végerősítő TDA7384 autorádio erősítő lásd a csat.képen Várok minden ötletet aki tud szoljon ...
(#) kaszarobert válasza bikau hozzászólására (») Márc 20, 2008 /
 
Gerjedsz ultrahangon!
A vezetékárnyékolás nagyon fontos, illetve talán a magasat nem ott kéne megemelned, hanem töb lépcsőben...
Illetve egy próbát megér: egy 1 nanos kondi az végfok bemenetén. Ha megszűnik a gerjedés akkor állítsd be az értékét, hogy még magas is legyen de ne gerjedjen.
(#) bikau válasza bikau hozzászólására (») Márc 20, 2008 /
 
Elfelejtettem az előbb a FET-s bemenet választó igy néz ki szerintem ez nem befolyásolja de hátha ....

fet.jpg
    
(#) kaszarobert válasza kaszarobert hozzászólására (») Márc 20, 2008 /
 
Na de belekeveredtünk ebbe a topikba
Mi a hangforrásod?(cd, mp3, magnó)

Egyszer már írtam ezt, de hogy hova tűnt azt nem tudom...
(#) kaszarobert válasza bikau hozzászólására (») Márc 20, 2008 / 4
 
Kösd le ezt a bemenetleválasztót! Ugye ez a legeleje?
Így is gerjed?
(#) tepizoli hozzászólása Máj 24, 2011 /
 
Sziasztok!
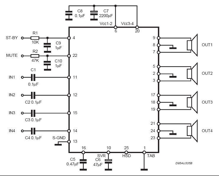
Hoztak javításra egy 6 csatornás házimozi erősítőt. Az a baja ,hogy a mély sugárzó hangszóróból erős hangos gerjedés hallatszik. Ez egy olyan fajta cucc , a táp és az erősítő a mélyláda dobozában van bent. És természetesen a mélysugárzó hangszóró, a többi hangszórót kell csatlakoztatni hátul. Típusnak az van a hátuljára írva ,hogy HT-520 de gyártó nincs. A panelról lehúztam a bemenetet a center és a SUB van egy panelon és a két első és két hátsó van másik panelon tehát lehúztam a bemenet csatit és akkor is gerjed de hangszóróval megnéztem a többi csatorna csendes csak a SUB csinálja. Mivel a táp közös nem hiszem hogy azzal lenne a baj mert akkor szerintem a többi csatorna is zajos lenne. A végfok IC típusa TDA 7296.Kérem akinek van ötlete segítsen. Köszönöm! Ja az IC-t cseréltem egy újra a hiba igy is maradtt!
(#) CHZ válasza tepizoli hozzászólására (») Máj 24, 2011 /
 
Biztos vagy benne, hogy a táp teljesen közös? Milyen elko van benne és mennyi?
(#) szamóca válasza tepizoli hozzászólására (») Máj 24, 2011 /
 
Indiai Orion HT-520.
Ha a szub bemeneti potijánál testre teszed a bemenetet és akkor is csinálja akkor valahol elszállt a testelés. Vagy leszakadt egy kanóc, vagy hideg forrasztás lesz valahol, vagy fólia szakadás. Szóval ilyen hiba felé keresgélj a szakadásvizsgálóval.
(#) tepizoli válasza szamóca hozzászólására (») Máj 24, 2011 /
 
Sajnos a potikhoz nem tudom hogy hogy fogok hozzáférni mert a doboz elején vannak de hátulról a doboz belsejében egy külön dobozzal lezárva , de mint írtam az árnyékolt vezetéket ami a Sub és Center bemenet kihuztam a panelből és akkor is gerjed.
(#) tepizoli válasza CHZ hozzászólására (») Máj 24, 2011 /
 
Igazad van a Centernek egy más típusú TDA IC van és az csak egy tápos viszont ez szimetrikus és két 4700µF/35v van a centernek meg egy 10000uF. Lehet hogy csak kiszáradtak a kondik?
(#) szamóca válasza tepizoli hozzászólására (») Máj 24, 2011 /
 
A kihúzás pont ellentettje annak amit írtam.
(#) tepizoli válasza CHZ hozzászólására (») Máj 24, 2011 /
 
Köszönöm a segitséget fiuk! Kész van . Pont a legegyszerübre nem gondoltam mert a puffer kondikon a kiszáradás jelei nem mutatkoztak de azok voltak kicseréltem és kész! Mégegyszer köszi!
Következő: »»   1 / 1
Bejelentkezés

Belépés

Hirdetés
XDT.hu
Az oldalon sütiket használunk a helyes működéshez. Bővebb információt az adatvédelmi szabályzatban olvashatsz. Megértettem