Fórum témák
» Több friss téma |
Üdv kedves Hobbieletronika felhasználók.
Szeretnék egy olyan kis egységet készíteni amely 12V tápfeszültségről működne és amennyiben egy vezérlő szálon kap egy 1-10V közötti melyet egy heli potméterrel be lehet állítani pl: 3,4V-ra, akkor egy relé behúzzon. Nagyjából ennyi, annyit tudok, hogy LM393-al kellene próbálkoznom.
Azt elfelejtettem, hogy kapcsolási rajz kellene nekem a vezérlésről! Köszönöm
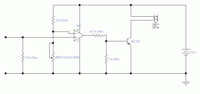
Hello, igen, az az IC jó lenne, Egyik bemenetre a "referencia" 3,4V, a másikra a figyelt feszültség, a kimenetre pedig egy tranyó hajtaná meg a relét. Ha jól értelek...Van valami áramkörszimulátorod?
Ez az én verzióm...valamelyik poti a "beérkező" feszültséget imitálja, a relé a két feszültség egyezésénél vált, Tranzisztor egy általános kisáramú típus, a dióda is, pl 1n4001. Az IC végül is bármilyen OPA lehet, 741 is becsületes nevén LM741, vagy uA741...Ha esetleg az OPA nyitott kollektoros kimenetű, mint az LM393 is akkor kell még oda a Szabi féle 1k... (biztosan jól méretezte..)
Azt ajánlom, ne menj biztosra, előbb drótozd csak össze, ha fut a gép, akkor csináld véglegesre...
Sziasztok!
Egy olyan problémát kellene megoldanom, hogy egy relét kellene bekötnöm 230V-ra, és egy másik 230V-os kábelt kellene figyelni, hogy ha feszültséget kap, akkor a relé bontsa a másik 230V-os áramkört. A többi elektronika mind 12V-os, és ehhez a megoldáshoz nem szeretnék még egy transzformátort, igaz így sokkal egyszerűbb lenne, mert ekkor a figyelt feszültségre rátenném a trafót, és ez húzza a relét, és ha ez kétállású relé, akkor meg is van oldva, hogy ha feszt kap, akkor a másikat bontsa, de a kérdés az, hogy ezt hogyan lehet megoldani legegyszerűbben trafó nélkül?
Üdv.!
Ha nem muszály a relé, akkor zener+opto+triak.
Nem muszály relé, a lényeg, hogy ha egy kábelen megjelenik a 230, akkor a másik kábelt bontsa.
Szia,
miért nem használsz 230V-os relét?
Hello egy nyitott kollektoros kimenetről kellene egy relét vezérelnem ami több áramot eszik , mint amit akészülék kimenete engedélyez (30mA), a táp 24V
a kapcsolást egy tranzisztorral oldanám meg ha lehet minden segítséget köszönök
Üdv!
Én valahogy így oldanám meg... Hopp: most nézem, hogy a diódának írt a gép valami nevet... Most hirtelen nem tudom, hogy az jó-e oda, de amit én ajánlanék az egy 1N400x fajta, az tuti jó lesz!
A nyitott kollektoros (PNP) kimenet emittere a földre van kötve így is működni fog?
|
Bejelentkezés
Hirdetés |






:duhos2: 




