Fórum témák
» Több friss téma |
- Ez a felület kizárólag, az elektronikában kezdők kérdéseinek van fenntartva és nem elfelejtve, hogy hobbielektronika a fórumunk!
- Ami tehát azt jelenti, hogy a nagymama bevásárlását nem itt beszéljük meg, ill. ez nem üzenőfal! - Kerülendő az olyan kérdés, amit egy másik meglévő (több mint 17000 van), témában kellene kitárgyalni! - És végül büntetés terhe mellett kerülendő az MSN és egyéb szleng, a magyar helyesírás mellőzése, beleértve a mondateleji nagybetűket is! Idézet: „ Akkor TDA2004 alapkapcsolás+stereo poti és kész is?” igen. "Jah és Autó akksiról kellene menni elvileg! Kell még elé valami?" nem, ill ha mp3 lejátszó lesz rákötve akkor én tennék a bemenetre előerősítőt. üdv
Hát elvileg mobilhoz használnám(néha mp3)
ajánlanál hozzá valami előerősítőt?
Először próbáld ki! Lehet, hogy nemfog kelleni az előerősítő... De ha mégis! Akkor keresünk neked valamit...
Hali Mindenki!
Lenne egy kérdésem. Tudna valaki szakszótárt ajánlani? Van ilyen? (Angol-magyar, Magyar-angol) Esetleg számítógépen is jó lenne, v pdf. Ha valakinek van valami építő ötlete azt szívesen fogadom. Előre is köszönöm mindenkinek!
Keress rá gugliban a
Idézet: szóra! Ez egy forditóprogram ami a háttérben fut és az egérkurzor alatti szavakat lefordítja. Sajnos egy - két szakszóval nehezen boldogul, de mindenképp érdemes használni! :yes: „MoBiMouse”
Sziasztok!
A TDA2004 adatlapjában 2 db kimenet van de a rádió amiben volt tudott 4-et(jobb/bal,első/hátsó) Ezt hogy lehet megoldani?
szintem az egyik plussz output a bootstrap lehet am ásik megn em lehet a GND?
a GND szerintem a földet jelenti....
A bootstrap jelentése rendszertöltő uh szerintem az sem az! De köszi a feltevést! valaki más esetleg?
1 db ilyen IC-vel nem lehet 4 db független kimenetet csinálni.
A rádióban biztosan 2 ilyen IC volt, vagy nem volt 4 független hangszóró, hanem csak 2-2.
1IC van!
és lehetett állítani h jobb vagy bal oldal szoljon és h elöl vagy hátul szoljon
Itt letöltheted a _JANI_ által ajánlott programot. :nezze:
Idézet: „lehetett állítani h jobb vagy bal oldal szoljon és h elöl vagy hátul szoljon” OK, ezt értettem elsőre is, de ez az IC 2db erősítőt tartalmaz és kész. 2 erősítővel én nem tudok 4 független hangszórót meghajtani, ez logikailag nem stimmel. Hát, ennyit tudtam segíteni.
Láttam már olyan kialakítást, amiben egy-egy KB10ohmos (10-100ohm) stereó potival lehetett az első és hátsó hangszórók hangerejét szabályozni, azaz előre vagy hátratolni a hangerőt...
Egy példa: Az alkatrészek nem egészen helyesek, de az elv szerintem így is látszik. [off]Remélem[/off]
Azért köszönöm a segítséget !én is hagyom a pííííbe! jó lesz nekem a 2 kimenet!
Hát, ha csak így nem. Ilyet még nem láttam, hogy a teljesítmény oldalon variálnak.
Nem valami szép megoldás, de működhet. Mellesleg, nem hiszem, hogy 2 db pár ohm / pár W -os poti olcsóbb lenne, mint még egy ilyen IC.
Nah ezt kipróbálom majd egyszer!
köszönöm neked is! Jah és említették itt az előerősítőt h lehet h kell! Tudna valaki mondani egy ehhez(TDA2004) használható előerősítőt?Olyan lenne a jó amit 1 kis TV,videó,hifi szervízben is meg tudok venni mert ha Pestről rendelek akkor nem jövök ki jól....
Jah és még 1 kérdés mekkora poti kell ide?
Hi!
Egy elég egyszerű kérdésem van. Vettem két féle SMD elkót. Az egyik lapos fekete téglalap alakú, az egyik végénél fehér jelöléssel. A másik hengeres alakú fém szinű, és a tetején az egyik felénél feketére van szinezve. Az a kérdésem, hogy melyiknél melyik polaritást jelölték. Ha jól tudom a téglalap alakúnál a fehér csík a pozitívat jelöli, de nem vagyok benne biztos. Köszi
Jól tudod. Akicsinél a fehér csík a pozitív, a hengeres alu ház tetején pedig a fekete a negatív.Ha jól megnézed, van egy műanyag alátétje is, az a pozitív oldalon kétoldalt le van csapva.
Bootstrap: erősítőknél feszültség-utánhúzást jelent.Általában egy kisebb elkóval rákötik a kimenetre.
Elég nehéz ilyet szerezni, autórádiókban én is láttam: Fader a felirata és 4W-os, porcelán (kerámia) hordozón van az ellenállásréteg.
Bocs. Ez egy másik téma válasza de ide tartozik... :hawaii:
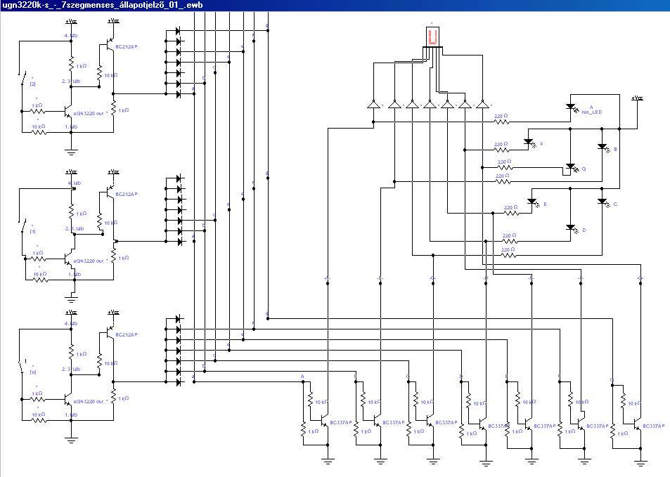
Egy példa az UGN3220K-s HALL-szenzorra:
Tudtam, hogy enyire nem lesz egyszerű!
Én egy ilyen logikai hálózatból szeretek elindulni, ha kombinációs hálózatot kell tervezni és ah kialakult a kész Idézet: csak utánna kezdem átdolgozni logikai kapukra. Ez az elrendezés jobban szemlélteti a kapcsolást, mintha egy képlettel írnám fel. Persze annak is megan a maga előnye, pld a komplex forma és a nagy rugalmasság mivel nincs előre kialakítva a logikai szabály! „forma” Ez egy minta! Természetesen a többi fokozatot értelemszerűen kell kialakítani, és azt feltételezem, hogy mindíg csak egy bemenet lesz aktív. Ha több bem. is aktiv kapcsolt állapotúvá tud válni, akkor egy kizáró kapcsolással az alacsonyabb szintek kimeneteit le kell tiltani a pontos kijelzés érdekéden...
Üdv!
Építettem egy feszültséginvertálót, de nem akar működni. A földhöz képest -0,8 V-ot ad le. Vagy én értelmeztem rosszul, hogy -9 V-ot kell leadnia? Mit ronthattam el? Működhet ez a kapcsolás?
Szia! Szerintem egy síma 79XX megetnné mert ez egy negatí fesz stab.
Ui.: Ez neked max -5 ad le!! Rosszúl nézted mert a +9 az ahol a tápot adod neki! Lehet hogy ez a volt a baj! Próbáld ki így.
Cseréld fel a Zéner dióda kivezetéseit! Szerintem fordítva van bekötve! (0,8V nyitó irányban, 5,1V záró irányban...) Vagy kísérletképpen forrasztd ki és akkor nézd meg hogy mekkora feszültséget ad le.
Üdv!
Köszönöm mindenkinek! A Zener-t kötöttem be rosszul... A Kapcsolások között lévő feszültségmérő ellátásához kellene egy ilyen kapcsolás. Annak stabil 5V kell, vagy jó neki a Zener által szolgáltatott 5,1V is? Az baj, ha a másik ág (a pozitív) csak sima feszültségstabilizátorral megy? Nem kevés annak a kapcsolásnak az 50 mA? (most mértem) Esetleg szabi83 kapcsolása jobban terhelhető lenne? (ez eredetileg 5-12 mA, a másik 20 mA...) |
Bejelentkezés
Hirdetés |







Működhet ez a kapcsolás?
