Fórum témák
» Több friss téma |
Sziasztok!
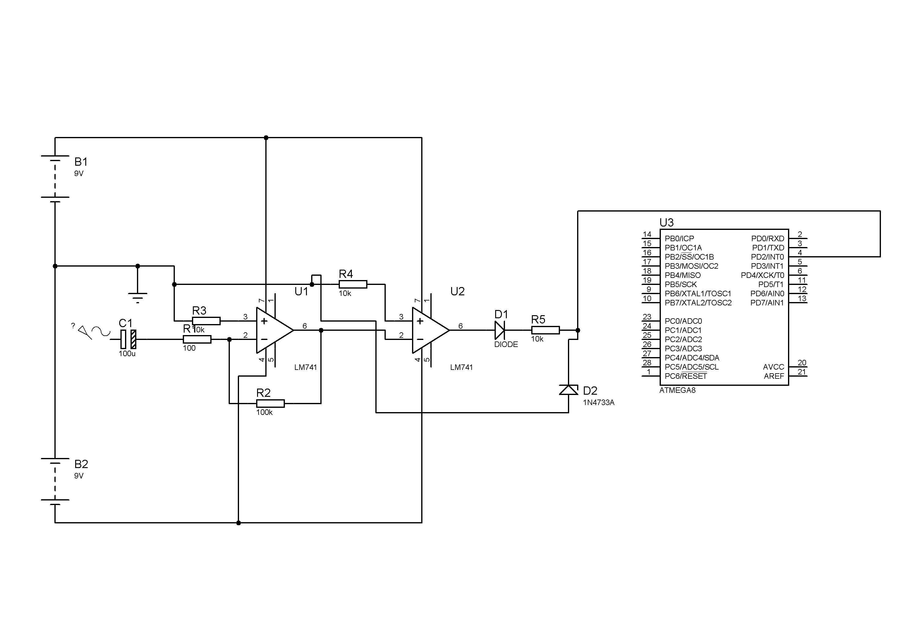
Szeretnék egy univerzális hangolóeszközt építeni, ami képes kiirni a mikrofonon bejövő hang frekvenciáját és ahhoz társítja az adott zeni hangot. Mega 8-as avr-rel a digitális részt már el is készítettem, ezt PC-s hanggeneráttorral teszteltem, magas hangokon kicsit pontatlan még, de egyébként jó. A gondom az analóg résszel van. Belinkelem a kapcsolást, amit a mikrofon erősítéséhez használnék. Végülis a lényeg, hogy 4 tranyót beállítok munkapontra, kondikkal összekötöm őket. Számítás szerint ha a mikrofonból 1 mikroV fesz kijön, akkor már elég az erősítés, sőt a végén már az utolsó fokozat többé kevésbé négyszögre vágja. Gond az, hogy nem működik és mivel még nincs használható szkópom, nem tudom, mi lehet a gond. Szerintetek ez az erősítő elv helyes? A csatolókondik mérete 100uF, ez megfelelő? Hogy oldanátok meg az erősítést másképpen? Előre is köszönöm! Üdv UI: Ha valakinek kell a digit rész szóljon!
Négy erősítőfokozatot csatolsz egymáshoz kondival negatív visszacsatolás nélkül. Szerintem ez nem a legjobb megoldás.
Tegyél be emitter körbe ellenállást és feszültségosztóval a bázisfeszültséget állítsd be a szükséges munkapontba. Az emmiteren a bázis -0,6V lesz, az ellenálláson tehát ez fog esni, ebből kiszámolhatod a munkaponti áramot. A Te megoldásodban nagyon függ az áramerősítési tényezőtől a munkapont. Az emmiterköri negatív visszacsatolással érzéketlenebb lessz a hőmérsékletre és nagyobb lesz a sávszélessége. Az egy fokozatra vonatkoztatott erősítése pedig A=~Rc/Re ahol Rc a collector ellenállás Re az emitter ellenállás. Mondjuk szerintem műveleti erősítővel vagy egy hiszterézises scmitt triggerrel sokkal egyszerűbb lenne. Zoli
Műveleti erősítő? Szerintem sokkal egyszerűbb lenne vele...
Köszönöm szépen a válaszokat!
Huhuu: zenei hangon a kiegyenített lebegésű temperált hangskála hangjait értem. " A' " hang: 440 Hz, hangközök 12. gyök 2. Dudus: nem teljesen világos minden, amit írtál. Tehát tegyek ellenállást a tranzisztor emittere és a föld közé. A munkapont beállítást feszültségosztással csináljam. Eddig értem. Légyszíves kicsit részletezd, hogy jött ki a -0.6V, nálam elvileg V(bázis-emitter)=0,6V-nál kezd nyitni a tranyó a munkapont magasabb feszen van. Én a R2,R4,R8 ellenállást gondoltam visszacsatolásnak. Ha ez nem jó, nem igazán tudom, hogy kellene megoldanom a visszacsatolást. Müveleti erősítővel próbálkozam, de 5V-ról szeretném üzemelteni a kapcsolást és az kevés neki. 2x9 V táppal próbáltam: első müveleti erősítő invert módban 1000x-es erősítéssel, a 2. direktbe kötve (kondi nélkül) komparátorként. De sajnos nem lett jó. Schmitt triggeren is gondolkoztam, de a mikrofon jele túl kicsi lenne a billentéshez. Mit értesz hiszterézises alatt? (Van olyan is, ami nem az?) Nagyon örülnék, ha sikerülne megoldani a problémát, több korábbi kapcsolásomnál is hasonló problémák voltak, de eddig nem találtam jó megoldást. Üdv Idézet: „a 2. direktbe kötve (kondi nélkül) komparátorként. De sajnos nem lett jó.” ha jól értem - inv a bemenet, out a ki és a +inv a testre? én így csináltam egy passziv EQ-ból aktívot aztán, nem tudtam mi a baja .. mint ami gerjed vagy mi..tettem egy ellenállást a - inv és az outra és máris jó lett! üdv
Igen erről van szó, bár elvileg nem jut vissza jel a bemenetre, és a frekimérő sem jelzett gerjedést. Elvileg az első müv. erősítő előerősít, a kimeneten mV nagyságrendű fesz. Ez menne rá a 2-ra, aminek a + bemenete földön van. Itt lenne a nyilt hurkú erősítés, mely gyakorlatilag -9V +9V négyszög jelet csinál a bemenő jelből. Mivel ez túl nagy az avr-nek a kimenetre tettem egy diódát, ellenállást és egy 5.1V-os Zenert.
Van ebben elvi hiba szerintetek? Egy piezo mikrofon mekkora feszt generál? Sokat tévedtem az 1uV-tal? Mellékelek kapcs. rajzot! Üdv
A gond az, hogy ez a fajta visszacsatolás nem stabilizálja a munkapontot és gondold meg, hogy a 2. fokozattól a kinyitó tranzisztor az Usat-tól eltekintve földre húzza a bázisellenállás kollektor felőli végét ! Szerintem ezért nem jön ki jel belőle.
Csinálj egy feszültségosztót és pl. állítsd 4,5V-ra a bázist ekkor 3,9V lesz az emitteren. Tegyél az emitterkörbe egy pl. 1K-s ellenállást. Azon így 3,9V/1000Ohm=~4mA -s áram adódik a munkapontra. Ezt többé-kevésbé stabilan tartja. Ha teszel egy 10K-s ellenállást a collectorra, kapsz egy A=10-es erősítőfokozatot. A bázis árama = 4mA/Áramerősítési tényező. A bázisosztó áramát ettől egy nagyságranddel nagyobbra válaszd és akkor a bázisáram változásaiból adódó munkapontvándorlás pici lesz.
Sziasztok!
Nem értem én ezt az erősítős dolgot! Ha jól értelmezem a témafelvetést, akkor az lenne a feladat, hogy a bejövő hangból vele egyező frekvenciájú négyszögjelet csinálni, és megmérni a frekvenciáját, majd azt kijelezni és besorolni hangjegy kategóriákba. A bejövő hangból négyszögjelet csinálni dolog tartozik az analóg részhez, az összes többi pedig a mikrovezérlő dolga. Az analóg rész ezek szerint egy nullkomparátor lenne, illetve, ha gond az elektromos zavar, akkor egy hiszterézises nullkomparátor, persze kimenethatárolással. Mindez egy db műveleti erősítő/komparátor felhasználásával. Felesleges lenne diszkrét elemes erősítőfokozatokkal dolgozni. Sziasztok!
Szia!
Igen, ezt a problémát szeretném megoldani. Gond az igen kicsi jelszint, kb. uV nagyságrend. Elég ez egy komparátor müködtetéséhet? Fel tudnál esetleg egy vázlatot rakni, hogy hogy gondolod a megldást? Ja és még egy dolgot tudnia kell az analóg résznek: a felharmonikusokat ki kell szűrni (gondolom egy aluláttetsző szürő megteszi). Üdv
Ok, mostmár értem. Lehet, hogy a nem stabil munkapont volt a gond. Viszont az emitter ellenállásal csökkeni fog az erősítés, tehát több fokozatra lenne szükség és akkor már lehet, hogy egyszerübb inkább a szimmertikus tápot megoldani és műveleti erősítőt használni.
Mi a véleményed arról a kapcsolásról, amit másodszorra linkeltem be? Üdv
Szerintem egy kicist elmisztifikálod. A 741 nem mai darab, de erre az is jó és szerintem elég belőle egy is. Csinálj egy hiszterézises komparátort, hogy a zajra kevésbé legyen érzékeny és tisztázd pontosan, mekkora jel jön le a mikrofonodról, mert ahhoz kell a hiszterézist beállítani.
A fokozatok erősítése összeszorzódik így a Te megoldásodban a második erősítő picit túlzásnak tűnik.
Abdul
Ha visszaolvasol, mindenki javasolta a műveleti erősítős komparátort, de egyben gondoltam nem haszontalan segíteni a diszkrét áramkörös erősítőt is tisztába tenni, hátha egyszer jól jön és először, ugye, erre kérdezett.
Ok, akkor müveleti erősítő lesz. Egyébként köszönöm a tranzisztoros leírást, így legalább legközelebb könnyebb dolgom lesz.
Egy 741-es komparátort én úgy képzelek el, hogy +bemenet ellenálláson kersztül a földre (vagy 2 azonos ellenállásból épített fesz osztóra) a negatív bemenetre megy a jel. Nincs visszacstolás. A kérdésem az, hogy hogy lesz ebből hiszterézis komparátor? Üdv
Sehogy.
A kimenőjelet vissza kell csatolni úgy, hogy a bemeneten eltolja a billenést annyival, hogy a jelen ülő zajok kevesek legyenek a billenéshez. Ha otthon leszek keresek neked rajzot hozzá.
Sziasztok!
Körülnéztem a neten és a következőt találtam: http://muszeroldal.hu/measurenotes/schmitt.pdf Ez lenne a megoldás? Számolgattam egy kicsit. A leírásban található egy képlet: Uváltás=15/(1+R1/R2+R1/R3)+Uki/(1+R3/R2+R3/R1) Az R3 a visszacsat. ellenállás(kOhm), az R1 és R2 fesz osztó, ami a földről a tápra megy(R1 a táphoz közelebb), a visszacsatolás pozitív! Az Uki a negatív és a pozitív táp. Így a váltások: 7.57 ill. 6.71V-nál lennének. (Utáp:+-9V, R1,R2=10k, R3=100k) Ezek után szimulátorban is megrajzoltam - két külön programmal is (Proteus, Tina), mindkét progi 4.7 és 3.6V-ot hozott ki a váltásra. Szóval most nem értem hol a hiba. Van valami ötletetek? Egyébként a hangkártya "szkoppal" megnéztem a mikrofont, kb. 0.1-0.2V-ot mutatott a szkop, szóval ha ez jó ehhez kell méretezni. Üdv
Megspóroltad az esti keresgélést
Erre van szükséged.
Hali. Hogyan lehetne kiváltani házimozinak a hangfalait amik 6ohmosak és olyan kicsik hogy a markomba elfér. Mert hangerő bőven van benne de a kis hangszórók annyira aprók hogy nagy hangerőnél "süvítenek". Na most ha 8ohmosra kicserélgetem akkor veszítek a hangerőből ha kisebbre akkor lehet hogy tönkreteszem a hangszórókat. 6ohm pedig ritka. Illetve lehet e úgy hogy pl egy 4ohmos középmély + magas. Csak az meg megint több a kelleténél. Mert a mélyláda szuper de áthallatszik a túlzott magas! Ha pedig a hangfalakat állítom be kisebb hangerőre mint a mélyláda akkor elveszik a térhatás
Mi lenne szerintetek a célszerű? LG tipusú a házimozi.
Ha az R1 és R2 azonos, akkor mivel R2 GND-n van és nem -9V - on! U1 (R3 nélkül) 4,5V. Ezt tologatod el a visszacsatolt árammal, ami 9-4,5V/R3 = 4,5V/100000Ohm ha a kimenet +9 V - on van és 9V+4,5V/100000Ohm ha a kimenet -9V - on van. Ezek az áramok kiszámolod mennyit ejtenek R2-n figyelve az áram irányára! és meg is van a két U1.
Szerintem valamit elszámoltál (esetleg nem vetted figyelembe -9 V - os kimenetnél az áramirányokat 9
Megépítettem a Schmitt triggert, a mellékelt rajz alapján. A fesz osztó helyet referencia feszültséget használtam (0V), mely 10k-n keresztül csatlakozik a nem inv. bemenetre 250k (majd 500k) poz. visszacsatolás mellett. Az inv bemeneten egy kondival csatlakozik a mikrofon.
Elvileg -200 +200 mv körül kellene triggerelnie, potival teszteltem kb. jó is. De mikrofonba adott kb 1000 Hz-es hangra nem reagál. Lehetséges, hogy amikrofon direktben nem tudja meghajtani? Hogy lehete növelni a bemeneti impedanciát? Üdv
Nem jön le ekkora jel a mikrofonról. Csökkentsd a hiszterézist, vagy tegyél elé egy tranzisztoros fokozatot, aminek az erősítését akkorára vedd, hogy biztosan billenjen. Egy oszcilloszkóp jó lenne ehhez
Megoldottam a problémát, végülis műveleti erősítőt tettem előfokozatnak, ezután egy schmitt triggert.
Így most müködik. Köszönöm mindenkinek a segítséget mégegyszer. Üdv
Eddig altfurulyával és akusztikus gitárral próbáltam.
Szia!
Tudnál az analóg részéről rajzolni egy pontos kapcsolási rajzot? Nagyon jól jönne, én is hasonlót tervezek épiteni!
Sziasztok!
MOst kaptam egy basszus gitárt. cask nincs behangolva, és így hallásra először még elég nehéz. Szeretnék csinélni hozzá egy hangolót (elektromos). Csak a négy húr kéne. Úgy gondoltam négy ledell simán meg lehetne oldani. Szeretném, ha nem pices lenne. Úgy kéne, hogy rádugom a citerámat erre megpengetek egy húrt, és akkor felvillanna a led, ha már jól an behangolva. Nem muszáj olyan pontos, de azért F hang helyett ne G legyen.![]() A Válaszokat (és kapcsrajzokat) előre is köszönöm.
ez ugy nez ki mit ketutas egyeniranyitas IC-vel ami kikuszoboli a kuszobfeszultseget amin a dioda nyitna , igy a kicsi jeleket is egyenitrranyitja ( ugy neztem a rajot)
Nincs szkop-od ? DE. Hangesrositod van , gondolom. Szeoen egy kondin jelet szedsz egy potmeterrel a masik vege a foldre majd a potmeter csuszkarol az erositobe ...es halgatod a jeleket amilyen pontoon akarod. a kapcsolason belul. Kristaly mikrofon nagy jelet ad , de nagyimpedancias bemenet kell , valamint ha a sav egyenletes kell hogy legyen akkor illesztve lkell legyen , lemezjatszoknal capacitiv osztokat hasznalltak , ket kondibol , valamint ellenalas es a rovid kabel capacitasaval ertek el a megfelelo ferkventia menetet. A tranzisztoros rajz is OK kene hogy legyen ( ugy nez ji mint a nagyothallo keszulekek kapcsolasi rajza , eppen a kis tapfeszhez tervezve ) , talan kevesebb errosites kene , a 2 M ohmos-ok a masodik fokozttol kezdve K-B korben cserelhetok probakepen 100K-fix elenalas es egy 1M potmeter sorba , aztan lehet allitgatni nem lessz semmi baj , es az erositon keresstul halgathatod a leirt "szondat" hasznalva . ( Kondenzator --->potmeter felso vege---potmeter masik vege a fodre....kurzszor a kimenet ---->erosito bemenetre , a foldelest meg az erosito foldelesevel osszekotni , gondolom tudod.) |
Bejelentkezés
Hirdetés |





.. mint ami gerjed vagy mi..
Mi lenne szerintetek a célszerű? LG tipusú a házimozi.
