Fórum témák
» Több friss téma |
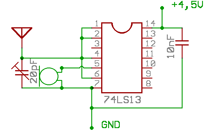
megszerkesztettem az fm lehallgató nyákrajzát(beültetés nélkül) de nem tudom felrakni.
és íme egy egyszerű kapcsolás
A poloskának nevezett rajz gyakorlatilag sokmindenként üzemeltethető, csak poloskának használhatatlan. Vagy 8-9 éve építettem meg egyszer kíváncsiságból. Ha nagy nehezen meg is találod a rádión, vagy be tudod hangolni, akkor is max 4-5 méteres hatótávot várj tőle. Persze csak szabad rálátás esetén, falat már nem viszi át. Hangot pedig akkor hallasz a vevőben (halkan, zajosan és torzan) ha beleüvöltesz 10 cm-ről a mikrofonba
![]() Amúgy jó kapcsolás
Kár
Sziasztok!
A segitsegeteket szeretnem kerni. Szeretnek egy URH adot epiteni. (Kicsit torvenybe utkozik a hasznalata, de nem olyan celra hasznalnam) A lenyege az lenne, hogy az adoba bemeno jelkent 3.5mm-es jack-rol zenet adnek (vagy barmit). Es en azt hallgatni tudjam a 2 szobaval arreb levo radion. Tehat a frekvencianak 88 es 108 Mhz kozott kene lennie. Valami egyszeru kapcsolast szeretnek es csak adot, ha igy megoldhato. Ha nem akkor epitek hozza egy vevot es belekotom a hifibe, tehat nem akadaky ![]() Nah elore koszi, sziasztok!
sziasztok mindenkinek!
lehet hogy rossz helyre irtam a témát a modiktól előre is bocsi szeretném a segítségeteket kérni van egy vezeték nélküli mikrofonom és kikapcsolt mikrofonok mellet a vevő egység elkezd sercegni olyanokat produkál mint mikor egy rádió nincs az állomásán és csak sistereg a vevő itt van a gépem mellet ha hátrább teszem egy pár percig csönd van majd megint kezdi ugyan azt 3 állapotjelző led van a vevőn egy piros ami az üzemkész állapotot mutatja és két zöld ami a bekapcsolt mikrofont jelzi vissza na ez is világit hol halványan hol erősebben én valamien zavarra gondolok de mivel rövid a kábel nem lehetne valami megoldást találni
szia
kösz a gyors választ nem hiszem mert bekapcsolva is ugyan ezt csinálja zajzár? valahol lehet állítani légyszi segíts ha tudol ha a gépemtől távolabb viszem egy kicsit akkor abbamarad de kis idő múlva újra kezdi
Szia!
Milyen rádió ez? Lehetne tudni valami többet is róla?
Üdv!
Pedig biztosan a zajzár van túl érzékenyre állítva, ha az a jelenség, amit mondasz. Ha leveszed a tetejét, kell lenni egy trimmer potinak, valami ilyen felirattal, hogy SQ, vagy leköveted hogy az előlapi zajzár kapcsoló hova megy a panelen, és annak a környékén levő trimmer poti.
ha találnák benne olyan potit jó lenne!
amúgy kösz a választ!
Ha elviszed a számítógéptől messzebbre, akkor is sistereg?
Ha a számítógép zavarja, akkor csak az segít, ha elviszed a gép mellől a rádiót.
Akkor ez most gyári cucc?Jó lenne látni a mikrofon adójának felépítését panelt.Tölts fel képet róla.Manapság úgyanis sok aranyozott szinű szép kinézetü,ismeretlen eredetü mic.et hoznak be.Bovli 2tranzisztoros adóval,+smd.ic.vevővel,gyatra kivitellel.Netről vett 8ért az 1ik ismerösöm,oly gyenge hogy a szobában sistereg a vétel 3-4m.röl.Próbált norm.antennát kreálni,nem sokat javult.
Szia itt vannak a képek a vevőről
van benne két kis bigyula azt nem tudom mi lehet természetesen a netről a vateráról vettem a terméket
Itt a cikkem hátha ez alapján tudnak segíteni a kollégák: Bővebben: Link
Egyébként nekem nem csinálja gép mellett sem...
Üdv!
Találtam valamit, ez ugyan elég kínai, de azért lehet segítség. A CD1191ACB -t nem tudtam, letölteni, de gondolom ez is hasonló amit csatoltam. Ellenőrizni kellene a tényleges felépítést ami a nyákon van. Az látszik, hogy a 3, 4 lábak a zajzárhoz tartoznak. össze kellene hasonlítani mindkét vevő 4 lábán a feszültségeket, mic jellel, és anélkül, és úgy kéne állítani a fesz osztót, (finoman) beállítani, hogy a zajzár lezárjon, de éppen hogy. kösz Mzolee
Na jólvan, de nem biztos, hogy 100%-ig ugyanez van megépítve a vevőben; az meg hogy miért állították érzékenyebbre >> (hatótávnövelés) kínai módra
Üdv!
Bocs, nem is neked akartam válaszolni, hanem szalkagyuri -nak. (félrenyomtam) de a Te jó fényképed segített azonosítani az IC -t. Mindezek ellenére valóban nem biztos, hogy ua van benne, de hát azonosítani kellene a tulajnak, az IC -t is, meg a lábkiosztást is. Ha hasonlónak találja, akkor el lehet indulni a hibakeresésben, beállításban. Mindenesetre a képek eléggé hasonlóak.
minden fórumos barátomnak köszönöm a segítséget a képemen látható potméteren tekertem fentebb majd a zúgás teljesen megszűnt!
még egyszer köszönöm ha ti nem lettetek volna talán rá sem jövök így a jövőhéten megtarthatom a karaoke bulit is nyugodtan!!
Nincs is potméter a vevődben. A hangoláson állítottál. De ha működik, akkor rendben
Sziasztok!
Szeretnék építeni egy EGYSZERŰ adó vevőt. Elég lenne 20 méteres hatótáv és ha lehet, AM. Kapcsolási rajzokat és ötleteket várok. Előre is köszi mindenkinek.
Sziasztok!
A Skori-féle URH mikrofon II kapcsolással kapcsolatban kérdezem, hogy ha gitárt kötnék rá mikrofon helyett, sok dolgot kéne megváltoztatni, hogy a hatásfoka, és minősége ne változzon, és kis zajú maradjon? Ki lehet tolni a frekvenciáját a kereskedelmi rádiókéból anélkül, hogy instabil legyen? Tudtok hozzá egyszerű, de jó minőségű vevőt, amit jól rá lehet hangolni? Még valami: Ha a gitárról A/D konverteren keresztül az adó digitálisan közvetítené a jelet, és a vevő 1 D/A konverterrel alakítaná vissza hanggá, az mit változtatna azon kívül, hogy drágább, és bonyolultabb kapcsolás kéne hozzá?
Sziasztok
Rengeteg adót találok, még itt az oldalon is, de vevő sehol se. Tudnátok valamelyik vezeték nélküli mikrofonhoz egy vevő kapcsolási rajzot? A lényeg, hogy a kimeneti jelre akár egy hangszórót is köthessek.
Attól függ, milyen frekvencia sávot használod. Azért nem találsz vevőt, mert általában az itt közölt adókapcsolások a 87.5 - 108 MHz tartományban, FM modulációval mennek, és ezek vételéhez elegendő akár egy közönséges, olcsón is megvásárolható URH műsorvevő készülék.
A vevőt tunernak hívják,és érdemes ónlemez dobozba építeni,hogy ne hangolódjon el.
Kezdőknek egyszerű Ic.kivitelű vevőt építeni pl.TDA7000,ph.gyártmány,60MHz-140MHz,ig működik,4,5V-10V,elemről. 1mikrovolt körüli érzékenységű,olcsón beszerezhető,adatlapját,letöltöd netről,ott a rajzot is megtalálod. A vételi frekvenciasávot az oszci.tekercsel,és a hangolóelem/varicapra kapcsolt,hangoló,.feszültséggel tudod beállítani. Voltak még TA7335,és társai,pl.autórádió,rádiómagnókban,de ezt már csak bontott cuccból tudod kinyerni. Boltban nemigen kapod meg,rajzot viszont találsz ezekhez is,a google-ban.
Sziaasztok van nekem egy AKG UHF HT 40 es rádió mikrofonom. 5. éve használom kifogástalanul müködött edig. Most az a problémám hogy a vevőhöz közel szol de 10 méter távolságtol nem fogja a vevő amikor régen használtam 100 130 méterig volt a hatótávolsága. Én úgy gondolom hogy elhangolódott. Nem tudom mihez nyuljak hozzá.
Sziasztok, azt szeretném kérdezni hogy EZ a kapcsolás működik e, és mennyi a hatótávolsága. Köszönöm.
helló ehhez a beültetési rajzot elküldenéd??
Nagyon szépen köszönöm előre is!!
Valószínű hogy működhet a kapcsolás, de a stabilitása olyan csekély lehet, hogy a vevőkészüléket egyfolytában hangolni kell utána .Azon kívül kristálymikrofont igényel ami ma már nehezen beszerezhető .A hatótávolsága nem valószínű hogy több öt-tíz méternél nyilt terpen .Szerintem nem éri meg a fáradtságot .
|
Bejelentkezés
Hirdetés |










