Fórum témák
» Több friss téma |
Itt a kapcsolások között levő freki mérő áramkör.
Sziasztok!
Lenne egy nagy problémám. Egy PIC16F887-essel szeretnék egy léptetőmotort vezérelni, a programot megírtam rá, csatolom is, szerintem jól működik, lagalábbis úgy ahogy én vártam, viszont mikor rákötöm a H-hídra meg sem mozdul a motor Valaki tudna segíteni?
Szia!
Milyen léptetőmotort szeretnél forgatni? A kapcsolásból az látszik, hogy a tekercsen polaritást váltasz. Az ilyen bipoláris motornak két tekercse van (4 vezetékkel), azokat időben eltolva kell vezérelni. Ehhez két H-híd és négy portbit kellene... - a 46. sorban az írás nem a novel-be történik, hanem a Bank1 0x21 címére azaz a 0xA1-re. - a 66. sor olvashatóbban: incf novel,w ; Használjuk a f, ill. w szimbólumot, jobban olvasható a program... - A 74. 75. sor egyszerűbben és áttekinthetőbben : addwf PCL,f Szia
Bipoláris motorom van, természetesen 2 híddal, csak az egyszerűség kedvéért nem raktam be, mert ugyanilyen.
A Vezérlés pedig úgy történik, hogy a tekercseken felváltva váltok polaritást.
Szia!
Nem fog forogni egy híd meghajtásával, mind a kettő kell hozzá... A vezérlést negyed körrel el kell tolni időben. Szia
Köszönöm a tanácsokat, át is fogom írni.
Mit értessz az alatt, hogy negyed körrel kell eltolni a vezérlést?
A H hidat praktikusabb Power MosFET-ekkel kialakítani, például azért, mert a szabadon futó diódák már eleve benne vannak. Merem ajánlani P tipusnak az IRF9540-et N tipusnak az IRF540-et BUZ11-et. Ezek nem túl drágák. A fetek mellett szól az is, hogy nem árammal, hanem feszültséggel vezérelhetőek. Persze nagyobb frekvencián a ki-be kapcsolásnál már számolni kell kapcsolgatásukhoz szükséges árammal is.
Szia!
A rendszert úgy szeretném kialakítani, hogy napelemről működjön, és a napelemeket két motor fogja irányba fordítani. Mivel nem biztos, hogy a napelemről lesz mindig kellő feszültség a meghajtáshoz ezért gondoltam tranzisztoros kapcsolásra.
Rájöttem már mi a baj!
Az égetőmmel nincs semmi gond, de szegény pic meghalt , azért mert újra lett telepítve a program és nem állítottam be a vonalakat Hibásan mentek a vonalak és csendesen kinyiffant a pic, de hát ez van .
Ha minden vonal a megfelelő helyre van kötve, akkor nincs az a kombináció, ami tönkretenné a PIC-et. Ezért én más hibára gondolok.
Akkor nem tudom.
Félre rakom a picet, valószínűleg veszek egy másikat és azzal megnézem, hogy jó-e. Aztán majd meglátjuk, vak is azt mondja...
Helló mindenki!
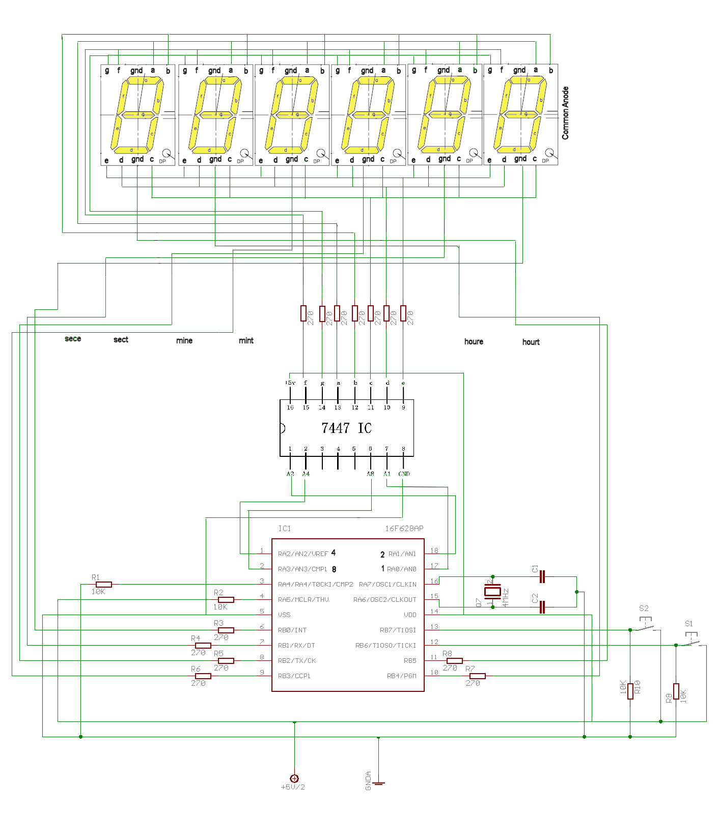
Akartam építeni egy mezei 7szegmenses órát. Mivel korábban már megépítettem a Vicsys féle binárissat, amely most is itt ketyeg a polcon. Gondoltam erre rátoldok egy 74LS47-est és már kész is van, de mivel a 74LS47 OC kimenetű, így közös anódú kijelzőket tudok rápakolni, és az anódokat közvetlenül a PIC vezérli. A PIC egy 16F628A, és csak egy kérdésem van, mert az adatlapról nekem nem egyértelmű hogy 25mA, vagy 200mA a portok tudása. Mert ha csak 25mA akkor valamivel tehermentesítenem kell. Ha valaki felvilágosítana az nagyon jól esne! Előre is köszönöm!
I/O lábakon csak 25mA.
A 250mA szerintem az össz áramfelvétel, ha több portlábat terhelünk.
Köszönöm gyors válaszod! Ha jól értem akkor a 200mA az teljes PORTA/PORTB mind a 8bitjének együttes maximális terhelése!
Mondjuk nekem a Kingbriht SA10-21EWA adatlapja se teljesen tiszta... Azt írja hogy 20mA az áramfelvétele a kijelzőnek, azt nem hogy szegmensenként vagy összesen... kénytelen leszek lemérni, de a mérőműszer nagyon messze van most tőlem...
Nem az áramfelvételét írja az adatlap, hanem azt, hogy maximálisan mekkora folyamatos áram engedhető meg. A két dolog nagyon nem ugyanazt jelenti! A 20mA biztosan szegmensenként értendő.
Ó, én balga...
Tehát az áramfelvételt az én előtétellenállásom szabja meg!
Sziasztok.
Megcsináltam Topi Az inteligens LCD modulok használata című cikkéből a próbakapcsolást. Az lenne a kérdésem, hogy mikor azt akarom hogy az LCD olvassa le a bemeneteire adott értéket akkor az E testre vagy +5V-ra kell felhúzni?
Sziasztok!
Az a PIC-nek 2 analóg bemenetét szeretném használni, amik 1-1 fotodiódának a jelét alakítják át digitálissá. Csakhogy folyamatosan ugyanazt méri a két érzékelő, még akkor is ha az egyiket letakarom. Külön-külön teljesen jó működnek csak egyszerre valamiért nem. Van ötletetek, hogy mit nézzek meg? Tamás
A programot!
(Szerinted jósok vannak itt, vagy látók? Rajz, program csatolása... ?)
Ha a GO_DONE bitet beállítod(SET), akkor az idézett programrész nem vár semmire(nem várod meg a konverzió végét, ezért zöldség lesz az eredmény.), Ennél a lépésnél akkor ugrik, ha a bit 1. BTFSC kéne oda nem?
Köszönöm a segítséget
soha nem jöttem volna rá magamtól
Sziasztok.
Olvasgattam a topicot és több más helyen is olvastam a pic programozásról. Azt szeretném megkérdezni hogy teljesen kezdőnek tudtok-e ajánlani valami könyvet pic-ekrol és azok programozásáról? Ja igen és kellene hozzá ugye-e fejlesztő "panel" is, jó lenne olyan amit készen lehet megvásárolni és olyan ami késöbb ha jobban belejövök nem kell kicserelni. Ja igen Pc- igenye milyen a dolognak? Válaszokat elöre is köszi.
PC igénye semmi, sőt régebbi a jobb, hogy legyen rajta soros és párhuzamos port.
Könyv van, Kónya László-Kopják József: PIC mikrovezérlők alkalmazástechnikája, chipcadnél beszerezhető. De ha végigolvasod itt az oldalon a PIC-es témákat, akkor találni fogsz még hivatkozásokat amellett, hogy sokkal többmindent megtanulsz közben, mint amit egy könyvben le lehet írni.
Szia!
Egy USB port nem lenne rossz rajta... Szia
Az oldalamon írok néhány gondolatot a PIC kezdésről, szerintem érdemes legalább elolvasni, ha utána nem is fogadod meg minden részletét, bár az szerintem széllel szemben való dolog lenne!
MPLAB telepítéssel vannak problémáim, de ezt leírtam az MPLAB topicban már. Amiben kellene némi segítség:
Parsicban próbálkozok egyenlőre összehozni valamit és le kellene fordítani hex-re, hogy icprog beégethesse. Tudtok ajánlani valamit, ami az asm-ből csinálna hex file-t? A másik dolog: ehhez az égetőhözhogy kell beállítani az icprog-ot? Idézet: „Tudtok ajánlani valamit, ami az asm-ből csinálna hex file-t?” MPLAB esetleg megfelel? Persze nem tudhatom, hogy az a csoda fordító milyen asm-ot állít elő, de ezt nem is kérdezted...
A parsic témában megtalálod a megoldást !
Ha jó verziót töltesz le abban benne van a fordító is ! egy f10 és kész az asm és a hex ! |
Bejelentkezés
Hirdetés |





, azért mert újra lett telepítve a program és nem állítottam be a vonalakat Hibásan mentek a vonalak és csendesen kinyiffant a pic, de hát ez van 

Tehát az áramfelvételt az én előtétellenállásom szabja meg!



