Fórum témák
» Több friss téma |
Üdv!
50ccm-s motorba kellene xenonhoz egy kis rásegítés! Vázolom: Az 50ccm-es robogóknál a topított fény a generátorról kapja az áramot ami váltó- vagy egyenáram. A tompított izzóra max 35watt jut tehát max 3 amper. Alapjáraton természetesen nem tud 35w jönni a generátorról, ezért nem jó egy részt tápnak gondolom. (Az én 35wattos xenon trafóm 4A-t vesz fel.... :no: ) A xenon trafót ugyebár viszonylag stabil tápra kell kötni ami a robogók esetében a 4-5Ah-ás akku (12V). Ez hamar leszívódik ugye, pár óra üzemre elég hiszen a generátór tölti, de sajnos az sem elég, ezért kéne valamit kezdeni a szabadon ficegő 35wattos egyen- vagy váltóáramú arámforrással! Ha váltó akkor gondolom első lépésben egyenírányítani kell ez eddig ok. Aztán valami akkutöltő áramkörre lenne szükség? Vagy rosszul gondolkodom? A generátorról kellene táplálni és az akkuval rásegíteni amikor nem jön elég áram a generátorról? Segítsetek!
Szia.
Jó a gondolkodás meneted. Először azt kéne kideríteni, hogy váltó vagy egyen áramot állít elő a generátorod. Ha nincs egyen irányítva a váltakozó feszültség, akkor azzal kell kezdeni. Aztán keresni egy megfelelő akkumulátort, amit be tudsz építeni a robogódba. Ezt az aksit fogja tölteni a generátor így már lesz egy annyira stabil feszültséged amire nyugodtan rákötheted a Xenon előtétjét. Így az akkumulátor akkor is töltődne ha nem világít a lámpád. Bár az alapjárati töltés szerintem kevés lesz ahhoz hogy huzamosabb ideig tudd használni a világítást.
Nem tudom mekkor akkura gondoltál, de arra sajna nincs lehetőség, hely hiány miatt. És a pusztán egyenirányított világítás kábelt kéne rákötnöm egy akksira? Nem töltené túl vagy ilyesmi?
Mert akkor azzal a 3A-rel tölteném az x Ah-s akkut nem? Az enyhén haza vágná nem? Valamint nem kapcsolható le a tompított fény az smkp-ra vonatkozó szabályok miatt. Az autóknál az akku párhuzamosan van kötve az a generátorral ugye? és ott a gerjesztő tekercs szabályozza a töltést, gondolom annyit ad a generátor amennyit elvennének vagy el is vesznek a fogysztók az akksitól. Jól mondom? Csak itt az a bibi hogy mágnes gerjesztésű a generátor. Ha a világítás kábelt egyenirányítva rákötném a már meglévő és töltés alatt lévő akksira akkor mi történne?
Szia
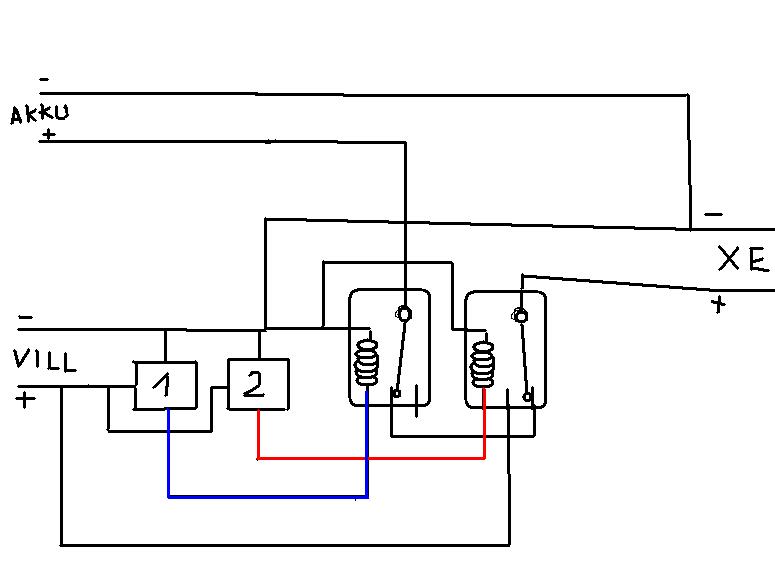
nem vagyok nagyon az elektronikában jártas, inkább motor/kocsi szerelés de én nem a visszatöltés megbabrálásával kezdeném! Nem tudom hogy van e világítás kapcsólód, vagy a motorral indulásával világít a lámpa (az enyém így van) nem szak szavakkal de én igy oldanám meg: kéne 2 db relé, és 2 db valami elektronika ami vezérli a reléket. először is az első elektronika kapná a régi világitás feszt (ha kell egyenirányitva) ami ha elér egy beállított értéket behúzna a relé (ezt azért hogy öninditózás közbe ne vibráljon a relé, tehát csak akkor huzzon be ha szépen jár már a motor! ez az akksi áramját kapcsolná rá a xenonra (tehát alapjáraton aksiról menne) a másik relé feszültség nelkül az első relé után nyitva lenne. (ez olyan relé ami mind két állapotába zár egy áramkört) a másik elektronika vezérelné ezt a (2.)relét és azt is be lehetne állitani hogy milyen fordulatnál huzza be a 2. relét ami ekkor megszakítaná akksis feszültséget és átkapcsolna az egyenirányított lámpa feszültségre (a 2. elektronika is a lámpa feszről tudná hogy mikor kell behúzni a 2. relét) igy alapjáraton aksiról menne, fordulaton meg generátorrol, szerintem ezt az elektronikát nem lehet bonyolult megcsinálni/megtervezni (de ezt bizzuk hozzá értőkre) remélem segitettem valamit ha nem értetted zavaros leírásomat este 10 után megpróbálom lerajzolni neked!
kérdés hogy az átváltás pillanatában létrejövő kis szünet rongálja e a xenon-t?
de ezt majd az okosok megmonják ![]()
Érdekes téma, de ennyit nem kellene agyalni rajta. Elvileg a motorban már van egy feszültségszabályzó/egyenirányító egység, ami az aksit tölti. Ha a lámpát kikötöd az eredeti helyéről ,akkor ez az energia is az aksin fog áthaladni, töltve azt és táplálva az aksin lévő fogyasztókat. Ha tehát az aksira kötöd a xenont, akkor a generátor akkor is el tudja látni a feladatot, mert a generátor ugyanúgy lesz terhelve, csak itt az aksin keresztül megy. Mivel itt általában egy tekercs van, ami egy megcsapolással és egy túlfeszvédővel megy a világításra, a töltés meg a tekercs végéről megy. Azt nem tudom ,hogy a gyári szabályzó mennyire bírná a plusz terhelést, de ha nem bírná, akkor van itt olyan téma, ahol motorba való fesz stabilizátor van, nem is bonyolult pár alkatrésszel van az egész és stabilan működik. Én is építettem már motorba be ilyen szabályzót és tökéletes. Ha kell megkeresem a rajzát.
Értem mire gondolsz, jó ötletnek tűnik, egy rajzot igen elfognadnék vázolás képpen.
köszi!
A szünet pillanatában nem lenne elegendő táp és a xenon nem elhalványulna egy pillanatra hanem lekapcsolna a trafó! Az pedig nem jó. Nagymotoromnál is néha ha kevesebb töltés van az akkuban és nem forgatom éppen és xenon mellé felkapcsolom a távfényt akkor egyből lekapcsol a trafó és nem is kapcsol vissza csak ha újra kapcsolom a világítást.
Attól tartok hogy ez itt nem érvényesül mert ha jól sejtem itt az akku töltésre, gyújtásra és világításra külön tekercsek vannak amik egymástól függetlenek.
Mert ha így lenne ahogy mondod akkor nem is lenne problémája vele senkinek, de mindenki csak pár órára tudja használni. Reggel meg nem forgatja el az önindítót ugye.
Az tuti, hogy külön tekercse van? Amit én láttam ott egy tekercs volt csak, plusz egy a gyújtásnak. ha mindenkinem ez a gondja, az még lehet attól is, hogy szabályzó nem bír el akkora áramot és így a világítás az aksiról táplálkozik. Így hiába próbál rátölteni a motor az aksira, ha a szabályzó nem bírja.
Hát én úgy tudom. Hogy nem egy tekercs van az tuti.generátor alaplap
YoCeE2107 ötletére tudna valaki egy kapcsolást mutatni v. vázolni?
Érdekes ez a tekercselrendezés. Ha jól tudom a világításnak és a töltésnek kb ugyanolyan áram kell ,mert működés közben aksiról megy az irányjelző, féklámpa, stb. Viszont 5 tekercset hogy osztottak kétfelé?
Esetleg egy fesz szabályzóval ha bele lenne kötve a világítás tekercse is a töltésbe, akkor esetleg működne a dolog. Bár a fene se tudja, hogy miféle módszerrel van megoldva itt a dolog. Nem tudom, hogy a világításnak külön tekercsről megy a feszültség ,vagy megcsapolással a töltésről.
Külön megy ez majdnem biztos, az 5böl egy a gyújtáshoz mig a többi 4 gondolom a világítás és a töltés, a világítás pár olyan 45-50watt, a töltés pár meg 25-30watt. De lehet 3 tekercs a világításé és 1 a töltésé. Mind1 szerintem ez sokat nem változtat a problémán.
Én erre gondoltam, tudni kéne hogy a relé váltása közti szünet okoz e gondot?
vagy esetleg eggy kondenzátor nem e tudná áthidalni azt a pár 100-ad másodpercet? nemtom ehhez nem értek ![]() Az 1-es, 2 es négyzet egy valamit (nemtom mit) jelöl amik bizonyos áram erősségtöl kapcsolják a reléket, én szerintem valami állítható kéne oda hogy a legjobban be lehessen lőni. (ezeknek a megtervezéséhez szakmabeli kell) ![]() ![]() ennyit tudtam
de lehet hogy ahol az 1-es , 2-es van oda jó lenne egy pótméter???
de az jutorr eszembe hogy a 2. relé megduplázásával, de ugyan ugy bekötve, ha eggy picit késöbb kapcsolna az eggyik mint a másik akor nem lenne szünet ![]() én tuti igy csinálnám meg
[OFF]NEM okoskodni akarok,csak ötletként mondom hogy szilárdtest relé nem jó?
_confused: Akkor tuti nem lenne szünet az átkapcsoláskor!
Szerintem meg a hatodik, a fekete kiöntött a gyújtás tekercse. A többi túl vastag és kevés menettel rendelkezik ahhoz, hogy a gyújtásé legyen. :yes:
A hatodik, a fekete, az a hall jeladó a gyújtásnak és a többi tekercs közül még legalább egy a gyújtásnak indukál áramot a szikrához.
Nekem nagyon szimpatikus ez a kivitelezés csak hát az baj, hogy nem rendelkezem én sem akkora tudás alappal, hogy megvalósítsam.
Hát egy 47 000 µF-os csak elég lenne nem? Az még bele férne valahova.
Akkora hall jeladó.
Ott szerintem az egy tekercs, a gyújtásnak. tudtommal a gyújtótrafóban van egy elektronika és semmi más nem kell neki, csak egy tekercs. A robogókban CDI gyújtás van, ahol a tekercs adja az impulzust, amivel jelzi, hogy mikor kell gyújtani. Az egyik periódusban feltölt egy kondenzátort, a másikban pedig ezt kisüti a gyújtótekercsen keresztül, ezzel szikrát adva. Szóval elvileg nincs benne hall jeladó.
am 1 kérdés: probáltad eggyáltalán már csak simán akksira???
mert lehet hogy bírná én az én robogómba pl 75Ah akksit tettem ami eggy 200w os kocsi erősítőt hajtott de még azt is szépen töltötte a kocsiba is azt használtam zenélésre és kb 15 km alatt annyit töltött bele hogy 2 órát ment rolla a kocsiba a zene (240w) és kutya baja a fesszabályzónak Na de a tied lehet hogy nem tudna ennyit tölteni, de ha meg se próbálod??? ha lehuzza az akksit akkor meg lehet filózni... És belinkelted milyen a tekercs a mociba... nekem a quadba is ilyen van (vagyis igy néz ki) és ott is akksiról megy a lámpa 35+21 és volt már benne 4 ah akksi és most7-es van de szerintem a motorok vissza töltését nem ugy tervezték hogy a gyári fogyasztása a plafon legyen. vagy szerezz még eggy fesszabályzót és rá a világitás tekercsre és az akksira azt is, akkor túl nem lessz töltve és duplán tölt.
Jó hát én azt értettem hall jeleadónak.
Nem tudom pontosan hogy müködik, de most számít ez? Tessék itt az enyémnek spec ilyen a gyújtóköre:
De ez az elektronika nem csak nekem kell és ezért kell mások számára is könnyen elhelyezhető (kicsi), beköthető egységet kivitelezni!
A plusz akksi betétele nem müködik!!! Hiába van benne 2 akksi egyszer azokból is elfogy a töltés aztán ugyanott vagyunk csak még hely sincs a csomagtérbe. A plusz fesz.szabályzó sem szimpatikus mivel az sem kicsi ráadásul drága.
Azt ne mond már, hogy nagy és drága a plusz fesszabályzó. Itt az oldalon van egyszerű tirisztoros szabályzó direkt ilyen generátorokhoz, kb egy gyufásdoboz méretű és 500Ft-ból összerakható. Ha ennél olcsóbb és kisebbet találsz, akkor megemelem a nemlétező kalapomat. Ha tényleg külön van a világítótekercs, akkor tényleg ez a legjobb megoldás. Fogni és egy szabályzóval ráengedni azt a feszt is az aksira. És ha más nem ért az elektronikához és nem tudja elkészíteni, akkor még egy kis hasznot is szerezhetsz belőle, ha te készíted el másnak.
Jó, de légyszi pontosíts már kicsit mert nem értem miért kell fesz.szabályzó amikor a világítás kábelen nem lehet több 13-14V-nál mert elszálna az izzó. Tehát szerintem az is fesz.szabályozva van.
Ennyi erővel direktbe kötöm a világítás kábelt az akksival...
Ott van egy túlfeszvédő, ami nem engedi a feszt fentebb. Ha fentebb menne, akkor mint egy zéner dióda, lesöntöli a feszt, így stabilizálja nagyjából, de ez még mindig váltófesz. Az aksira meg max 14,5V egyenfesz mehet rá. Ha nem lenne a világítótekercsen a védőrész, akkor egy kisebb gázadásra simán kivágná az izzókat. Valahol lennie kell egy kis egységnek, ami fel van csavarozva a vázra és megy bele 1 vezeték, ami olyan színű, mint amilyen a világítótekercstől jön. Na az a túlfeszvédő.
Köszi, így már értem a sztorit.
A fesz.szabályzóba van építve. Tehát a kövi a teendő: a világítás áramot egyenirányítom, fesz.szabályozom és rákötöm az akksira?
Akkor egybe van. Ki hogy csinálja... ha az nem lenne, akkor szépen felkúszna a fesz 20V fölé is.
Szerk: Nem kell egyenirányítani, azt majd a szabályzó megcsinálja. Előszedem neked a szabályzót ,ami jól bevált és tökéletesen működik. Kapsz majd hozzá nyák tervet is, ha megtalálom a gépen. Azt a túlfeszvédőt meg lehet, hogy ki kell majd kötni. |
Bejelentkezés
Hirdetés |




este 10 után megpróbálom lerajzolni neked!


_confused: Akkor tuti nem lenne szünet az átkapcsoláskor! 
