Fórum témák
» Több friss téma |
- Ez a felület kizárólag, az elektronikában kezdők kérdéseinek van fenntartva és nem elfelejtve, hogy hobbielektronika a fórumunk!
- Ami tehát azt jelenti, hogy a nagymama bevásárlását nem itt beszéljük meg, ill. ez nem üzenőfal! - Kerülendő az olyan kérdés, amit egy másik meglévő (több mint 17000 van), témában kellene kitárgyalni! - És végül büntetés terhe mellett kerülendő az MSN és egyéb szleng, a magyar helyesírás mellőzése, beleértve a mondateleji nagybetűket is!
Mondjuk BF960-at. Ez pont annyira népszerű, min egy BC182-es tranzisztor.
110 Forint. A minőséget meg kell fizetni!
Erősítőhöz jó nagyot. Legalább szabvány doboz méret. (42*15*32 cm
)
Sziasztok!
Fényképezőgéphez építek távkioldót. A fényképezőgép távkioldója egy kétpólusú csatlakozó, és a két pólus közé kapcsolt ellenállással lehet vezérelni a gépet (nincs lenyomva az exponálógomb / félig le van nyomva / teljesen le van nyomva). (Discmanek fülhallgatóján lévő távvezérlő gombok is hasonló elven működnek, ha vannak). Egy ilyen távkioldót ábrázol az első mellékelt kép (Távkioldó működés.jpg). Az ellenállásokon eső feszültség mérése alapján valószínűleg egy 60 uA-es áramgenerátor lehet a gépen belül (vagy egy 2,442V-os feszültségforrás). A kérdés: ha az ellenállásokat mechanikus kapcsoló helyett elektronikusan akarom kapcsolni, méghozzá FEt-tel, akkor egyrészt: Tehetem-e azt a mellékelt kapcsolási rajz szerint? (Távkioldó FET-tel.png). Kell-e valamilyen egyéb komponens a FET-en kívül, illetve jól gondolom, hogy a két FET Drain, Source bekötése mellett a vezérlő eszköz (mikrokontroller) földjét is be kell kötni? Milyen, a HEstore-n is kapható FET-et javasoltok erre az egyszerű kapcsoló funkcióra? Erre a feladatra gondolom N csatornás MOSFET kell. Ilyen FET-el, mikrokontrolleres vezérléssel tulajdonképpen bármilyen nagyobb fogyasztót kapcsolgathatok? Pl. 100mA-es LED, stb.
Üdv!
Egy rövid kérdésem lenne. Találtam itthon egy gu10 foglalatú 50W névleges fogyasztással ellátot halogén asztali lámpát, ami elfüstölt amikor az előző izzó szétment benne. Most gugliztam gyorsan, de nem találtam semmi konkrétat, hogy hogyan kell ezeket bekötni, így arra gondolok, hogy csak rá kell küldeni a 230-ot aztán megy, mert itt ezt írják... Ahogy szédszedtem, zsugorcsó alatt bujkált valami, de nemigen jöttem rá, hogy micsoda, gondolom biztosíték lehet vagy ilyesmi, de vagy nem láttam még ilyet vagy nem az.Szóval a kérdés, hogy hogyan illetve milyen védelemmel szokták ezeket bekötni? Köszi!
Mindent jól gondolsz. Rákötöd a 230-ra és megy. A zsugorcső alatt meg valószínűleg egy hőkioldó bujkált. Valami ilyesmire gondolok:Bővebben: Link
Szia!
A két szélén két-két sor hosszában össze van kötve (a piros és a kék vonalak közötti két sor), a két sor egymással nincs összekötve. A többi pontsor két részre van ossztva a középső mélyedéssel. A mélyedésre merőleges irányban, a mélyedés alatt és fölött 5-5 pont van összekötve egymással. Ha egy DIP tokozású IC-t úgy teszel bele, hogy a középső vonal az IC "hasa" alatt legyen, a két oldalon 4-4 pont marad a lábakhoz való bekötéshez. Csak megfelelő vastagságú (0,6-0,8 mm átmárőjű, mint az alkatrészek lábai) huzalokat használj az átkötésekhez, a túl vékonyat nem fogja meg, a túl vastag szétfeszíti a rugókat - kontakthibához vezet. A nagyáramú alkatrészeket (1 mm vagy vastagabb kivezeésekkel) ne tedd bele - ez a technológia nem alkalmas a nagyáramú áramkörökhöz. Szia
Van olyan elemtartó, amibe 5 AA méretű fér sorba kötve? 5db 1.2V-os NiMH akkumulátorból szeretnék 6V-ot kivenni. Célszerűnek tartom, legyenek zárt dobozban, de zártból 2db-os és 3db-os van, illetve van a 4db-os ami nem zárt, be kell valamibe pattintani, de a 4 nem 5. A zárt 2 és 3-ast talán lehetne egymás mellé erősíteni, csak gánynak nézne ki.
Mihez kéne? Nagyfater modellrepülőhöz úgy csinálja, hogy fogja, egymásrarakja szóval 3at alulra kettőt felülre, és szigszallag, emellé lehet kapni műanyag dobozokat, felhasználástól függően megoldható. Jah és az aksikat összeforasztotta.
Így már én is csináltam
Össze szigszalagozod amennyi kell és polaritásnak megfelelően össze forrasztod. Egy kicsit nehézkes forrasztani mert nem tapad rá az ón. Ezért én azt javaslom, hogy csiszolópapírral csiszóld át és úgy forraszd..
Kamerához. Egy régi akkumulátort már szétszedtem, az kapcsolódik úgy, mintha a régi lenne. Arra megy dobozban az 5 sorba kötött akkumulátor. Nem forrasztom össze az aksikat, mert a koncepció lényege lenne tökön szúrva, mikor nem kell a kamera, akkor másban lesznek használva.
És ha ezt használnád? Beletennél 5 darab akksit és egy rossz elemet amit áthidalnál. Igaz nem zárt a doboz de arra kitalálnál valamit.
A 6 darabos tetszik. Erre csak 4-eset tudtak adni, nagyobbat nem.
Mellékesen, van két digitális vérnyomásmérőnk, mindegyiken van DC 6V-os tápcsatlakozó. Nem ismerem, azt hiszem EIAJ-2 a neve. A csatlakozó mellett mindegyiken van egy jel. Az egyiken a középső éren a pozitív fut, a másikon a negatív. Mindegyik japán, hogy tudták összehozni hogy pont fordítva legyen a polaritás? Így ha az egyikhez jó a transzformátor, a másikhoz pont nem jó. A kép csak illusztráció, nem én csináltam.
Sziasztok!
Adott egy 5V 1000 mA áramforrás, és egy 5V/800 mA fogyasztó. A feladat az lenne, hogy ha a fogyasztó működik, akkor ugyanerről az áramforrásról be kellene kapcsolni egy kb 5V/150 mA-es másik fogyasztót. Ha egy relével próbálkozom, az 5V/800mA fogyasztó után, akkor vagy nem fog behúzni a relé, vagy nem jut elég áram az 5V/800mA fogyasztómra. Nézegettem tranzisztorokat is, de azzal sem találtam jó megoldást. Tranzisztor elé kellene egy ellenállás, de ugyanott vagyok, mint a relével, ha túl kicsi, akkor nem lesz elég áram a tranzisztor emitter oldalán , ha elegendően nagy, akkor meg az 5V/800ma fogyasztómnak kevés az áram. A feladat nem tűnik bonyolultnak, biztosan csak valami alapszintű nem tudásom van. Köszi előre is a segítséget.
szerintem semmi nem zárlatos.
MNC fejegységet átraktuk másik kocsiba, jó volt. ebbe a kocsiba pedig a gyárit visszarakva, az működik.
Szia!
Használj 1,5 A-es, vagy nagyobb áramerősség leadására alkalmas tápegységet. Tranzisztorral nem tudsz több áramot szerezni.
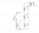
Hello.Ennek melyik a bemenetnél és a kimenetnél a közös GND?Van az In1,2,3,4.ok.Van az out1,2,3,4ok.Van a 2 vcc az a táp ok.St-by az a készenlét.SVR ,PW-GND S-GND,Clip Del az mi?
Melyik ezek közül a közös GND?
PC doboz nem jó? Azt találni minden felé.
Pont ezért gondolom, hogy valamit csak el kellett kötnötök, hiszen különben működne. De sajnos innen nem látok oda.
Hali mindenkinek!
Az lenne a kérdésem, hogy ebben a kivezérlés jelzőben alkalmazhatnám ezeket a tranzisztorokat? Bc817 Úgy láttam mintha 10mA kéne neki a nyitáshoz.. Működne a dolog? vagy bázis ellenállásokat kéne változtatni? A Bc547-nk mennyi a nyitóárama? Adatlapot néztem,d e sajnos nem találtam benne erről adatot. Előre is köszönöm! Vagy ha ez nem lenne jó, akkor jó lenne ide a Bc848 Üdv!
Sziasztok, az lenne a kérdésem hogy lehet e lefele transzformálni mikró trafóval, tudom hogy normál bekötésben több ezer voltot csinál, ilyesmit nem akarok, viszonylag szeretem az életemet
![]() De ma vettem egyet 500 ft-ért és terveim szerint 24 v körül kéne kiadnia. szoval ha mondjuk normálisan bekötve bemegy 240- kijön 2400 (úgy olvastam itt a fórumon hogy 1/10) és minden eddigi trafómat úgy kötöttem hogy ahol a "vékony drót" van oda a 240V~ ahol a vastag drót van kijön mondjuk 12v A mikro trafó ilyen bekötés mellet (240v a vékony oldalra ahol ugye a több menet van) müködne vagy kiderülne hogy füstel müködik?? előre is köszi!!
Szia!
Mehet bele! Kevesebb enter-t, kérlek! --vicsys
Hali!
Köszönöm, de melyiket tehetem bele? Melyik lenne jobb? Üdv! Kevesebb enter-t, kérlek! --vicsys
Sziasztok!
Egy fűrészjelnek hogy számolom ki az effektív értékét? Köszi ![]() Kevesebb enter-t, kérlek! --vicsys
Elnézést kérek Vicsys
Kiegészíteném kérdésem: Ugyebár "A váltakozó feszültség effektívértéke az az érték, amely értékű egyenáramú feszültség ugyanazt a hatásos teljesítményt hozza létre." Szóval akkor egyszerű területszámítás. Mint például szinusznál Umax/gyök2. Akkor háromszögjelnél pedig a háromszögek területe. Ez így jó?
Köszönöm.
Akkor a kandón lesz pár hibás házi Mert fellázadtak páran az eredmény ellen ![]() De akkor lol....továbbra se megyek vissza a kandóra ![]() Hát így jártak...a haveromé jó lesz |
Bejelentkezés
Hirdetés |




) 

Össze szigszalagozod amennyi kell és polaritásnak megfelelően össze forrasztod. Egy kicsit nehézkes forrasztani mert nem tapad rá az ón. Ezért én azt javaslom, hogy csiszolópapírral csiszóld át és úgy forraszd..






