Fórum témák
» Több friss téma |
Hy!
Szeretnék építeni egy erősítőt, ami 6 csatornával rendelkezik. Valahogyan el tudnám érni, hogy a számítógépen lévő S/PDIF kimenetről érkező jelet halljam a hangfalakon? Akkor ugyanis elég lenne egy koax kábel a 6 csatorna átviteléhez. vagy egy optikai kábel...
Én arra gondoltam, hogy csak létezik valamilyen IC vagy valami PIC szoftver, ami dekódolja a jelet. Vagy vennék egy olcsóbb 5.1-es rendszert, amiben van egy decoder és azt szerelném ki belőle... De hát abban nincs meg az SK Feeling
Erről beszéltünk már csak egy kicsit másképp.
Tényleg lehet, hogy jobb lenne letenned az SK-ról a dekóder tekintetében. Hasonló cipőben sántikálok, és azon gondolkodom, hogy veszek egy komplettet (csak jó legyen a frekiátvitele), sztán utánabiggyesztek 5X25-50W (DIN) TDA-t, meg egy QUAD-ot subnak (de azt már bele is lehet rakni a ládába). Szóval egy hatcsatis végfok szép dobozba, aminek az előlapján csak 5 poti lenne: Front vol Rear vol Center vol Sub vol Sub phase Bár nem értem miért jó az aktív sub, amikor ott a kakaógép, abba úgyis bele kell vinni a 230-at, akkor minek bonyolítsuk a mélyládánál a helyzetet mégegy kábellel?
Sziasztok ebben témaban barangolok egy ideje nekem is optikai kimenetet kellene dekódolnom egyszer valahol találtam olyat hogy sb audigy 1-es hangkártyát alakitották át és azt közvetlenül építették be az erősítőbe de hogy ez lehetségese vagy csak kamu volt nemtudom.
Én már arra jutottam hogy lehet kapni platformikhoz ac3 dekódert tud mindent és van távvezérlője is csak ezzel az a baj hogy hol a kihívás?
Crystal cs493263-cl.. Na ez van az én cuccosomban, ez mpeg2 kódolástól kezdve, multichanel DTS-el mindent megcsinál és optikáról.
Van még mellette egy furik alkatrész, meg vagy 4 74hc-s ic, szval nem lenne egyszerü megcsinálni..
Sziasztok!
Itt egy konkrét sztereó kapcsolás: http://sound.westhost.com/project85.htm Remélem azért segít valamit. Az a baj, h ha több csatornát akarsz átvinni, az csak pl.: AC3-ban v DTS-ben tod. Azt meg egy dekódernek dekódolnia kell. A dekódolóhoz meg vezérlőáramkört kell építeni, ami nagyon megbonyolítja a dolgot, bár nem lehetetlen Amúgy a Cirrus Logic oldalán nézz körül ott vannak dekóder ic-k (az összes cs jelű ick is azok): http://www.cirrus.com/en/
Sziasztok.
Szerintetek megéri megépíteni ezt a kapcsolást?(melléklet). Milyen elven szedi négyfelé a stereo jelet? Lesz valami köze az igazihoz? Előre is köszi, aki tud valamit. TaTa
Itt vannak a vélemények:
http://www.hobbielektronika.hu/forum/topic_2812.html
Sziasztok!
nekem van egy féli rossz DVD-lejátzsóm képet nem ad le de megcsinálni nem is akarom,ugyan is van egy sokkal jobb. Azt szeretném kérdeznihogy,ennek a processzora képes e a szinuszos jelet feldolgozni dolby digital ba vagy valami más jelet,és nem tudja valaki miért nem ad le 5.1-et?
Üdv!
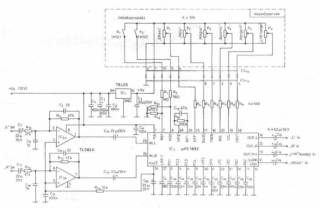
Nem tudom tudnátok e segíteni. Egy NEC 1892 dolby processzorról szeretném tudni, hogy az hány csatornát képes kezelni, mert nekem van egy komplett megépített kapcsolás és azon van 6 csatlakozási pont. Elvileg 2 a bemenet és 4 a kimenet. Esetleg szubkimenetet és center kimenetet lehet róla levenni valahogy, vagy erre mit szoktak használni? Nem vagyok jártas ebben a témában ezért lehet hogy érthetetlenül fogalmazok, de remélem érthető Előre is köszönöm. Üdv!
Hello!
Köszi szépen a pdf-et. Ennél lehetne valahogy subkimenetet és center kimenetet csinálni? vagy ezt hogyan lehet? centernél esetleg közösíteni a jobb-bal csatornát? És a subnál is ugyanezt? Szeretném valahogy 5.1-re kihozni csak nemnagyon értek a dolby-hoz.
Hello
Meglévő házimozi rendszeremet szeretném a notebookomra kötni, de azon sajnos csak digitális optikai kimenet van. Tudnátok ajánlani, vagy mutatni olyan helyet, ahol lehet kapni külső DD 5.1 dekódert? Úgy tudom, hogy pár évvel ezelőtt a Creative-nak volt ilyenje, de úgy tudom már nem kapható. Üdv.
Sziasztok!
Nem régen láttam egy olyan házimozi hangfalat amit a tv alá kell helyezni és akár 7 csatorát is képes sugározni úgy, hogya hallgató köré szimulálja a surround sugárzókat. A Yamaha csinálja őket,de több cég is adott már ki ilyet. Az lenne a kérdésem,hogy tudja valaki,hogy ez hogyan működik? Házilag lehetne csinálni valami hasonlót?
Hali!
Van egy Sony MHC-RG60 típusú mini-hifink. Két db. 3 utas hangdobozzal és két háttérsugárzóval. Korábban is észrevettem, hogy egy filmnél vagy zenénél érdekes, torzított jel jön a sugárzókról, viszont nagyon jó térhatása van. Érdekelne, hogy ezt milyen kapcsolással lehetne elérni? Eljátszottam a gondolattam, hogy egy másik erősítőmet, ami sztereó, megpróbálnám kiegészíteni egy ilyen surround résszel. |
Bejelentkezés
Hirdetés |










