Fórum témák

» Több friss téma
Fórum » USB-s hangkártya PCM2902 IC-vel
Lapozás: OK   17 / 34
(#) WaRL0 hozzászólása Jan 21, 2010 /
 
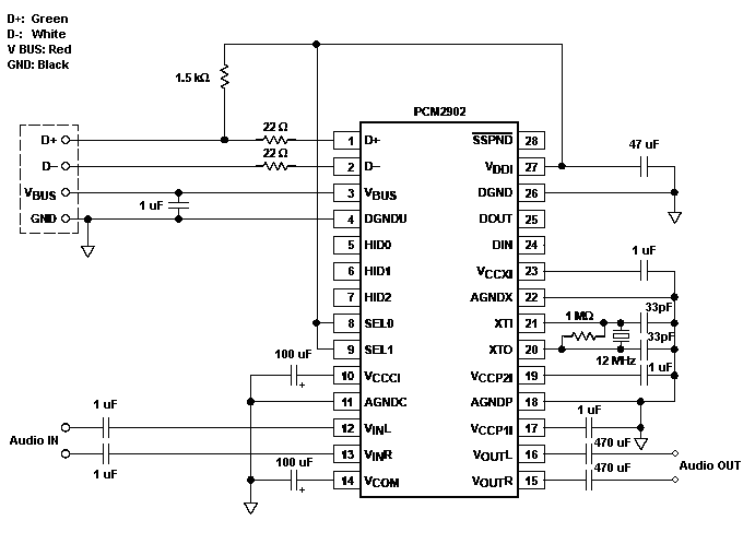
Csináltam saját Nyákot a hangkarihoz csak nem vagyok biztos magamban és jó lenne ha valaki áttnézné nekem.Elöre is köszönöm.
(#) wir12 válasza WaRL0 hozzászólására (») Jan 22, 2010 /
 
Egy jó tanács ha lehetséges SMD-be tervezd meg a legkisebb "jelvezetékekkel" mert begerjedhet vagy az oszcillátor része nem fog menni megfelelően és a gépp nem fogja felismerni tapasztalatból beszélek ha meg félsz az SMD-től nem kell a 1206-os méretet elég könyű forasztani csak ahoz nem elég a pillanatpáka oda egy forrasztó állomás kell de ha komoylan bele akakrsz vágni az elektronikába bőven megéri befektetni mert jelentősen megkönyíti a munkát és ha kell igény szerint megoszthatom veled az én nyáktervem működő tipus egykis kiegészítésel vasalásra optimalizálva csak egy a hátránya hogy 0805-ös alkatrészekre lett tervezve....
(#) WaRL0 hozzászólása Jan 22, 2010 /
 
Szia van rendes pakam . 1206-ost meg meg tudnam forrasztani de a 0805-ost mar nem hiszem esetleg elkuldheted a nyakodat es attcsinalom 1206-os smd-re.

Koszi
(#) wir12 válasza WaRL0 hozzászólására (») Jan 22, 2010 /
 
Gyorsan át lehet variálni
(#) frecsko hozzászólása Feb 3, 2010 /
 
Sziasztok.
Megépítettem azt a kis usb-s hangkártyát. Rádugom a gépre de nem ismeri fel. Próbáltam már az adatvezetékek cseréjét is, de úgy sem ment. Kell valamit állítani a gépen?
(#) Novak válasza frecsko hozzászólására (») Feb 3, 2010 /
 
Ha jól raktad össze, akkor a gépen semmit sem kell állítanod, a windows automatikusan felismeri, és telepíti a szükséges drivert, és egyből használja is a hangkártyát.
(#) Sergei hozzászólása Feb 3, 2010 /
 
Vállal valaki ilyen hangkari építést?
(#) frecsko válasza Novak hozzászólására (») Feb 3, 2010 /
 
Lehet a vezetékelléssel van gond, gerjedhet. Most újratervezem a panelt és az IC-t rátervezem a panelra.
(#) neogeo2 válasza frecsko hozzászólására (») Feb 3, 2010 /
 
Szerintem próbáld meg átmelegíteni az ic lábait, lehet hogy nem érintkezik valamelyik rendesen. Ha az adatlapban található kapcsolást építetted meg, annak működnie kell.

Valaki írta ezelőtt, h. a 27-es lábról föld fele menő 1µF-os kondit kicserélte nagyobbra (22µF v. 47uF) és az segített hasonló helyzetben. Próbáld meg megkeresni ezt a hozzászólást, talán segít.
(#) frecsko hozzászólása Feb 5, 2010 /
 
Sikerült. Felismerte a "vindóvz".
Hogyan tudom működésre bírni a cuccot? A tévéről szeretnék felvenni, tudtok ajánlani valami jó felvevő progit?
(#) frecsko válasza frecsko hozzászólására (») Feb 6, 2010 /
 
Egyáltalán lehet ezt felvételre használni?
(#) wir12 válasza frecsko hozzászólására (») Feb 6, 2010 /
 
Persze hogy lehet de ne várj tőle sokat..
(#) frecsko válasza wir12 hozzászólására (») Feb 6, 2010 /
 
És hogy?
(#) wir12 válasza frecsko hozzászólására (») Feb 6, 2010 /
 
Ha felismerte a Windows a kártyát akkor az az elsődleges kártya keresel a Szoftverbázis oldalán valami felvevő programot az automatikusan az PCM-ről veszi a jelet kivéve ha be van kötve a Din láb mert akkor az az elsődleges én azt testre húztam és akkor az Analog in élvez prioritást....
(#) frecsko hozzászólása Feb 6, 2010 /
 
Szedtem le programot.
Működik csak nagyon zúg. Ez a gép miatt van?
(#) abcdabcd válasza frecsko hozzászólására (») Feb 6, 2010 /
 
Nem hiszem, valószínű hogy földhurok a kábeltv földje és a 230V földje "találkozik" az új hangkártya segítségével

megoldás: Galvanikus leválasztó
(#) frecsko válasza abcdabcd hozzászólására (») Feb 6, 2010 /
 
Mikrofont használok most.
(#) abcdabcd válasza frecsko hozzászólására (») Feb 6, 2010 /
 
ja, akkor nem tudom miért búghat...
(#) wir12 válasza abcdabcd hozzászólására (») Feb 7, 2010 /
 
begerjed a mikrofon szerintem de a gépnek az alap zaja is bele halatszik mind a kimeneti mind a bemeneti oldalon én az USB-re ferrites kábelt raktam jelentősen csökken a zajszint meg a hátsó USB-be kell dugni mert az első igen "zajos" hogy úgymondjam meg ennek a hangkártyának vonalszintű (0dB) bemenete van szóval csak úgy rákötni egy mikrofont nem a legjobb módszer én a helyedbe egy elektret mikrofont raknák be természetesen a hozzá való elektronikával...
(#) zetef hozzászólása Feb 21, 2010 /
 
Sziasztok,

megépítettem 2 PCM-el az USB audio interfészemet,
írtam egy rövid összefoglalót a projektről, remélem segít a jövőben utánépítőknek.

DIY Audio interface

Üdv. zetef

003.jpg
    
(#) bandee88 válasza zetef hozzászólására (») Feb 22, 2010 /
 


Tökéletes!!! Pont ilyet keresek
Neki is látok az utánépítésnek.
Úgy kb mennyi költsége volt???
(#) klemo86 válasza bandee88 hozzászólására (») Feb 22, 2010 /
 
3000 darabja az agyának, a többi csak körítés…
(#) abcdabcd válasza zetef hozzászólására (») Feb 28, 2010 /
 
Tetszik az ötleted a 2 hangkártya 1 dobozban, még akár annyival lehetne kiegészíteni hogy a koax-os digitális dugóhoz egy kis leválasztó trafót rakni.
Egy RMAA mérést a kártyáról esetleg nem raksz fel a honlapodra?
Meg még engem legalábbis érdekelne olyan is hogyha szkóphoz hozzát tudsz férni, hogy "szabvány" teszt jelalakokat: négyszögjel szinuszjel(100Hz 1Khz 10Khz) meg hasonlókat hogy milyen jól tudja visszaadni
(#) zetef válasza abcdabcd hozzászólására (») Márc 1, 2010 /
 
Az átvitelt majd igyekszem megvizsgálni szkóppal, de úgy emlékszem vandorbot topictárs már méregetett hasonlókat. A right mark-ot meg fogom csinálni, jó ötlet, köszi!

üdv. zetef
(#) abcdabcd válasza zetef hozzászólására (») Márc 2, 2010 /
 
Nem is annyira pont az átvitelre gondoltam azt nagyjából az RMAA is megméri, hanem hogy a "szabvány" teszt jeleket milyen jól tudja visszaadni, meglepő én a múltkor "játszottam" az itthoni hangkártyáimmal, és meglepődve vagy mégse annyira meglepődve tapasztaltam hogy a CMI8768 chippes egyébként no-name kártyám aminek a legjobb leginkább tiszta hangja van, a nekem lévő kártyák közül, tudja egyedül négyszög alakúnak a négyszögjelet és a többit is ez tudta reprodukálni leginkább, a többi AudigySE, SB AWE64 ISA (ez lett a második helyezett), Alaplapi Realtek (itt még a frekvencia is mászkált jobbra balra...), meg még korábban néztem egy C-Media integráltat ott pl a szinusz 1kHz-n elég furcsa alakú lett... és ugyanezt fősulin is mértük (Kandó) laboron alaplapi integrált kártyát az is leginkább nem szinuszra hasonlított a szkópon,mindenféle fodros volt... érdemes ráadásul a szinuszt több frekvencián is mert pl kis frekvencián lehet hogy jó, nagyobbon meg lehet hogy furcsább... legalábbis ott a laborban így volt...
(#) Gabri hozzászólása Márc 3, 2010 /
 
Sziasztok! Nem tudom, hogy jó helyre írok-e... remélem igen. Egy kis segítségre lenne szükségem. Van egy ESI MAYA 44 USB hangkártyám sajnos egy zárlat után (elszállt egy végfok és elment az áram) eltűnt a hang mind a 4 kimenetről viszont a számítógép tökéletesen felismeri a 4 bemenet is működik elindul a zene, de a hangkártya kimenetén nem jön ki jel. Mi lehet a probléma? Érdemes-e javítani vagy egyáltalán lehetséges-e a javítás?
Előre is köszi!

Üdv.: Gabri
(#) varttina hozzászólása Márc 24, 2010 /
 
Sziasztok! Megépítettem a PCM2902-es IC köré az USB-s hangkártyát. A zajszintje lényegesen kisebb mint a gyári PCI-os hangkártyámé, ugyanakkor az egész hangzásképet valahogy erőtlennek találom. Megépítem a stab IC-s változatot is, ha nem javul a hangzáskép, maradok a jó öreg Ensoniq 64-nél.
(#) wir12 válasza varttina hozzászólására (») Márc 25, 2010 /
 
szia! Ha értesz az audio technikához egy kicsit néhány szűrővel, és egy EQ a végére javíthat a hangzáson vagyis nekem segített...
(#) varttina válasza wir12 hozzászólására (») Márc 25, 2010 /
 
Azt fogom tenni.
(#) LuFee hozzászólása Márc 30, 2010 /
 
Üdv Mindenkinek!

Szeretnék építeni egy USB-s fm adót.

USB -> USB hangkártya -> fm transmitter.
és az FM transmitter hibáddzik, mivel a kiszemelt típus(ok) nem szerezhetők be Mo-n. (Si4710/11, Ns73m). Tudom van Ba1404 és társaik, de jó lenne egy digitálisan vezérelhető verzió, amit mondjuk usb-serial átalakító után kötött AVR vezárelne pl...

Tudtok valami forrást, esetleg alternatívát ajánlani?

Köszönöm!
Következő: »»   17 / 34
Bejelentkezés

Belépés

Hirdetés
XDT.hu
Az oldalon sütiket használunk a helyes működéshez. Bővebb információt az adatvédelmi szabályzatban olvashatsz. Megértettem