Fórum témák
» Több friss téma |
- Ez a felület kizárólag, az elektronikában kezdők kérdéseinek van fenntartva és nem elfelejtve, hogy hobbielektronika a fórumunk!
- Ami tehát azt jelenti, hogy a nagymama bevásárlását nem itt beszéljük meg, ill. ez nem üzenőfal! - Kerülendő az olyan kérdés, amit egy másik meglévő (több mint 17000 van), témában kellene kitárgyalni! - És végül büntetés terhe mellett kerülendő az MSN és egyéb szleng, a magyar helyesírás mellőzése, beleértve a mondateleji nagybetűket is!
Üdv!
Találtam egy jó hőfokszabályzó kapcsolást itt megépítettem nekem nagyon bevált csak egy apróság hiányzik, egy led mely akkor világítana amikor elindul a venti. Ebben segítene nekem valaki? Ui:Tényleg jó és egyszerű kapcsolás csak ajánlani tudom.
Köss párhuzamosan a ventivel egy LED-et és az előtétellenállását.
Köszi
Ez hozzásegít egy sulis jegyhez
Kb 10 perc volt a goglival... Nekem is új infó.
Köszönöm a választ!
Kipróbáltam de az a baj hogy fokozatosan nő a led fényereje a venti fordulatszámával együtt. Valami olyasmi kéne hogy amikor beindul a ventilátor akkor kezd a led is világítani és a fényerőt nem változtatja. Ez a megoldás amit te írtál az hőkapcsolóra lenne jó.
Akkor tégy sorba vele egy zener-diódát, vagy egy TL431-et.
Köszi.
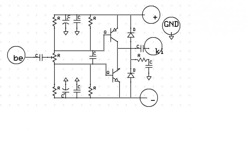
Üdv! Alkottam egy HF erősítőt (ha egyáltalán jó!),
az lenne a kérésem, hogy valaki aki szakértő ebben megmondaná, hogy van-e hiba a kapcsolásban és ha igen akkor hol? És hogy egyáltalán működne-e. Előre is köszönöm!
Hello!
Készíts a Led-hez egy egyszerű kis áramgenerátort.. üdv! proli007
Szia!
Jpg-ben rakd fel a rajzot! Köszönöm!
Köszönöm neked is és Medvének is!
Holnap feltétlenül kipróbálom!
Jézus ereje. Mi ez?
Mi a kimeneten az RC komplexum? Mivel állítod a nyugalmi áramot? Minek mindkét bázisra a tápfeszről két párhuzamos ellenállás? Mi adja a hőmérséklet stabilitást? Egyezzünk ki abban, hogy egy tranzisztoros végfok nem így néz ki, és annak megvan az oka. Biztos lennének olyan értékek, amivel ezt működésre lehetne bírni (más kérdés, hogy milyen paraméterekkel), de felejtős ez a rajz. Bocsi. Mayan kollégánk is előállt hasonlatos elképzelésekkel, ma már integrált áramkört is használ a kapcsolásában.
Helósztok, robogó hátsólámpát csináltam ledekkel, és nem működik úgy ahogy kéne, melegszik. Két áramkört készítettem, párhazuzamosan kapcsolt ledekből. A csillag alakú a helyzetjelző, 25 db 3mm-es normál fényű ledből és 5 db 5 mm es ledből áll, 2 db sorososan kapcsolt 15ohmos 2 wattos ellenálláson kapják a stabilizált 9 voltot. Az ellenállás és az IC 10-20 mp alatt felforrósodik. Később rájöttem hogy sorba kötve nem 4 watt hanem 2 watt marad az ellnállás. ezt javítottam és így 2 db 60 ohmosat kötöttem párhuzamosan, de ugyanúgy melegszik a csillag alakú.
A másik áramkört ami a féklámpa, 15 db 5 mm-es nagy fényerejű led alkotja és ugyanúgy stabilizát 9voltot adok nekik csak itt 2 db 60 ohmos 2wattos ellenállás van sorba kötve. Ez jól működik, nem melegedik. Az IC k lába nincs fordítva mivel a panel vezetősávos oldalán helyeztem el hogy ne látszódjon így megfordultak a lábak, ne téveszzen meg senkit. Nem értem miért melegszik a csillag és a másik miért nem? Van valakinek ötlete?
Hello!
- Jelenleg, a csillagban 30db Led van párhuzamosan kötve. Ha a Led nyitófeszültsége 1,5V, akkor 1,5V hasznosul, 7,5V veszik el az ellenállásokon, míg a stabilizátoron 3..5V feszültség veszik el. Két soros 15ohm 9V-1,5V/30ohm=250mA-re korlátozza az áramot. Így egy diódára 250mA/30db=8,3mA áram jut. (Amely áram, ráadásul igen rosszul oszlik el.) Viszont az ellenálláson hővé alakuló teljesítmény, 7,5V*250mA=1,87W. A stabilizátoron (14,5V mellett) (14,5V-9V)*250mA=1,375. Ezt már hűtés nélkül nehezen viseli el. - Tehát feleslegesen pazarolod az áramot. Ha a piros Led-ek nyitó feszültsége 1,5V körül van, akkor 9V mellett, 5db-ot sorba lehetett volna kötni, és ezeket az ágakat párhuzamosítani. Így 25+5 Led esetén, 6 párhuzamos ág lett volna, és az ellenállásra, csak 9V-(5*1,5V)=1,5V feszültség jutott volna. - Ha ötösével csoportba kötnéd, és 10mA Led-áramot számolva, a 6 csoport áramfelvétele 60mA lenne. A 25ohm-os ellenállásra jutó teljesítmény 1,5V*60mA=90mW, és a stabilizátorra jutó teljesítmény (14,5V-9V)*60mA=330mW De, ha a diódák nyitófeszültsége 1,5V-nál magasabb, akkor is sokkal jobb helyzetbe kerülsz, ha kisebb csoportokban sorba kötöd őket. üdv! proli007
Köszönöm, világossá vált a dolog. Esetleg 7809 helyett 7812-őt használjak? Hogy még kevesebb feszültésget kelljen hővé alakítania? Nem akarok hűtést tenni mert nem nagyon fér el. Persze akkor változik a 25 ohm értéke is, (12V-7.5V)*0,06A=75ohmra. 2 wattos ellenállás elég? A kör alakú áramkört ígyhagyhatom? Köszönöm mégegyszer! Üdv!
Szia!
Ne használj stabilizátort. Nincs sok értelme.
sziasztok!
kaptam egy trafót de bekötés után mindenhol csak a fele feszültséghez jutottam, primerről nincs leírásom. lehet, hogy ott kéne átkötnöm? minden segítséget megköszönök!!! 12 és 24V kellene. képek:
Az a baj hogy a generátor 12-14 voltal is tölt. Eléggé ki akarom élezni a ledek teljesítményét mert nem voltak elég fényesek, ezért valószinú több áramot fogok nekik adni, viszont ha 12 voltra számolm ki az ellenállások értékét akkor 14 voltal már több áramot kapnának. Ezért szükségesnek tartom a stabilizátor használatát.
Sziasztok! Van egy kapcsolásom, melyet én csináltam, de nem vagyok benne biztos, hogy jó lesz ez így. A működése egyszerű. Egy graetz, majd egy feszültség generátor, utána egy monostabil multivibátor. A 2db LED egyforma. (SMD UV LED, szereti a 350mA-t 3,6V-nál)
Szóval ezt egy levilágítónak szánom, melyen, ha megnyomom a gombot, akkor a potival meghatározott ideig ég a 2LED. (Azaz addig tart a levilágítás.) Számításaim szerint: kb: 3 és 22perc között tudnám állítani a világítási időt. Vajon működne? Ha van hiba, akkor mi lehet? A tranzisztor az jó? A bázisra kötött ellenállás jó így? Köszönöm a segítséget! Üdv
Szia!
A primeren is át kell kötni a kivezetéseket. Nem elég a szekunderen.
Számold ki 14 voltra. Az a két volt feszültségváltozás nem okozhat számottevő fényerőcsökkenést.
Ha mégis stabilizálni szeretnéd a fényerőt, akkor inkább használj áramgenerátoros táplálást.
Hello!
Csak a tisztánlátás kedvéért... - A kör alakú áramkört egy az egyben, nem hagyhatod meg, mert 6*5 párhuzamos/soros ágat kell készíteni. "Lerajzoltam", hogy ugyan arra gondoljunk.. Elég bénán, de a diódákat (anód-katód) forgatva nyilván normálisabb áramköri kép is kijöhet. (Én most nem forgattam el, hogy követni tudd, csak pirossal bejelöltem az anódok helyét. De mindenek előtt mérd meg a kívánt áramon egy dióda nyitófeszültségét, és csak ez után lehet dönteni. - 7812-őt nem tehetsz, mert annak legalább 2..3V plusz feszültség kell, hogy stabilizálni tudjon. De jelenlegi áram mellett, nem fogja túlfűteni a 330mW. De ha jelentősen növelni szeretnéd az áramot, akkor újra fennállhat a helyzet. Vagy, egyszerűen kihagyod a stabit, ahogy István ajánlotta. Akkor csak az ellenállások fognak fűteni. Kis fényerő változás is lesz a feszültség változás miatt, de a lámpáknál sem szoktak ebből ügyet csinálni. Viszont azt figyelembe kell venni, hogy ha a diódák összeadott nyitófeszültsége pld. 6*1,5V=9V, akkor a 12V-ról beállított 100%-os áram, 160%-ra növekedik. Tehát ezért ajánlotta, István, hogy 14V-ra kell méretezni a 100% áramot. Ekkor ez, 12V esetén 60%-ra csökken. Szóval egyszerűen ki kell próbálnod a különböző áramok fényét, hogy dönthess. És csak ez után célszerű elkészíteni a nyákot. - Legkevesebb "feszültséget" csak akkor lehet hővé alakítani, ha a soros diódák összeadott nyitófeszültsége, legjobban megközelíti a tápfeszültséget. Csak akkor meg éppen a feszültség változás fog igen drasztikusabban hatni a diódák áramára. Ennek elkerülése érdekében meg stabilizátor szükséges. Csak a stabinak meg nagy a maradék feszültsége, vagy pld. LM 2940 CT-12V alacsony maradékú (Low Dropout) stabit kell venni. Lehet választani.. üdv! proli007
Üdv szeretnék építeni egy olcsó egyszerű de jó hangú erősítőt. Mit ajánlanátok?K Rajz nyákrajz ha lehet!
A-osztályút inkább ne ajánljunk. Persze ha a elektromos fűtést szeretnénk a szobánkba...
Nem szoktam ,,ilyet" írni, de mostanában nem válaszoltak 1ik kérdésemre sem.
Kötelezve nincs....de azért megkérdezném: Senkinek sincs ötlete?
Kérdezgettem már pár topikban:
-"NYÁK készítés kérdések" -"UV LED-es NYÁK fotózás" -"Kezdő kérdések" (Az akkori kérdések, (SZERINTEM) az adott topikhoz kapcsolódtak, de sajnos sosem válaszolt senki.) Persze jogos, amit mondasz, neked van igazad! Nem feltétlenül az 555ös részre gondolok, hanem az egészre. Fogok kérdezni az 555-ben is, ha nem válaszolnak, akkor így jártam, és majd letesztelem, csak a LED az drága és nem akarom odaverni. (~1000Ft/db) Így is sokat segítettek a fórumban, én meg ne legyek telhetetlen, próbáljak boldogulni 1edül is végre!
Kösz a kritikát! Hasonlóra számítottam.
(Egyébként én sem vártam tőle túl sokat)
Szia!
Tömören összefoglalom az én véleményem. A kapcsolás jónak tűnik viszont az 555-el való monostabil 10 perc után nagyon sokat tévedhet. Saját tapasztalatból mondom. Nem hittem, kipróbáltam és valóban 10 perc után már eléggé kezd pontatlan lenni. Ettől eltekintve én inkább az 555-re való épített végfok miatt aggódok. Meg kéne mond a LED-jeid paramétereit (mA, nyitófesz). Ugyanakkor én nem igazán szeretem a LED-ek soros kapcsolását, de ettől eltekintve működne. Ha a LED-jeid "power led"-ek és a kettő 800mA-nál többet vesz fel akkor BC tranzisztor nem elég. Ajánlanám azt inkább, hogy a LED-jeidnek külön tegyél előtét ellenállást és azután kösd párhuzamosan őket. Azért mondom ezt mert akármilyen egyformák is, de a nyitófeszültségeik minimálisan de eltérhetnek. |
Bejelentkezés
Hirdetés |















Kötelezve nincs....de azért megkérdezném:





