Fórum témák
» Több friss téma |
Mielőtt kérdezel, a következő két dolgot ellenőrizd!
I. A helyes tápfeszültségek megléte.
II. A kimeneten van-e egyenfeszültség.
Élesztés.
Szubszűrőt is akarsz bele, vagy csak egy passzív közösítőt?
Hát ha lehet akkor legyen benne szubszűrő is.
Szerintem próbálj ki egy ilyet :yes:
Ez jó lessz köszi szépen. Az lenne még a kérdésem hogy ez a kapcsolás működne TL072-vel?
Próbáld meg tápról (adapterről) hajtani ami lead egy 450mA-t.
Így jobb kellene, hogy legyen. Potméter nincs a hangerőnek?
Persze hogy működne, jó bele bármi hasonló opa.
Értem. és ha azt szeretném hogy ne csak 150hz hanem a teljes tartomány kijöjjön akkor mit csináljak vele? (Bocsi ha hülyeséget kérdeztem.)
Akkor az már nem is szubszűrő
Meg kell határoznod a felhasználási célt és kiválasztani az ennek megfelelő előfokot. Ez nem nagyon lehet univerzálisra kialakítani. Ha mégis arra lenne igényed, hogy a szűrő része kapcsolható legyen, akkor a legegyszerűbben egy "pdt" kapcsoló beiktatásával lehetne ezt megoldani.
Sziasztok erősítőmániások. :wave: Szeretnék építeni egy egyszerű mono erősitőt mert még nagyon kezdő vagyok aztán lehet hogy 2 lesz belőle
Szóval valami középút kéne a jó és a nagyon bonyolult között 12v ról kéne hogy menjen de elég ha párszor 10w az egész egyenlőre. A válaszokat előre is köszönöm.
9v is jó mert ahhoz van itthon tápom is.Ha lehet 1 max. 2 ilyen hűtőbordára csavarozható ic legyen benne.
Sziasztok
A kérdéseimet már egy másik topicban a hangosításnál is feltettem, de nem nagyon érkezett rá válasz, ezért gondoltam itt is felteszem, hátha tudtok segíteni. Végülis ez is erősítős témába vág. A téma a következő: "Szeretnék beruházni 1 erősítőre és 2 hangfalra. Ebben szeretnék segítséget kérni! Amit kinéztem erősítő az egy Ecler XPA 5000, hozzá a 2 hangfal Reloop RSP 30-as. Szerintetek ez egy jó összeállítás lenne? Mi a véleményetek ezzel kapcsolatban? A hangfal 4 Ωos 400/800W-os az erősítő 4 Ωon 2*500W-os teljesítmény leadására képes. Ami nekem kiütközik az erősítővel kapcsolatban, hogy a jel/zaj viszonya csak 78 dB, ami elég szegényesnek tűnik. A másik dolog amit nem értek hogy az adatlapjában a hálózatból felvett teljesítmény értéke 675VA. Hogy is van ez? Az adatlap szerint képes leadni 2*1050W-ot 2 Ωon. Ami ugye 2000 W körüli érték maximum. Akkor, hogy vehet fel a hálózatból 675 VA-t? Még nézegettem több erősítőt ami szóba jöhetne: Castone Cpa 1200b, Siva ppa 1200, Behringer EP 1500, Boke Audio 1200. Ezek közül melyik az, amelyiket ajánlanátok esetleg az Ecler helyett. Vagy mit tudtok ajánlani a Reloopok helyett, ebben a teljesítmény/arányban? Amit még kifelejtettem, hogy a felszerelést itt használnám: nagyobb házibuli, bár, kisebb diszkó, szabadtéri kisebb rendezvény hangosítás, kb. 120-150 fős bulik. Válaszokat előre is köszönöm! Üdv Richei"
Értem, és köszi szépen a segítséget.
Szia! Nézd meg ezeket.Bővebben: Link
Helló !
Volt egy olyan problémám, hogy az asztali lámpa fel- és lekapcsolásakor, a fejhallgatón/hangfalon egy pattanó hangot lehetett hallani. (számítógépről mennek) Beleraktam egy zavarszűrő kondit, 1 mikrósat a kapcsoló elé, és most már felkapcsoláskor egy egészen halk, lekapcsoláskor még mindig viszonylag hangosabb kattanást hallani. Mekkora kondenzátor kellene, hogy megszűnjön a jelenség? Ha építenék valamilyen dobozt , telerakva nagyobb értékű kondikkal, és azt kötném a számítógép elé, az jótékonyan hatna a problémára, meg amúgy az egész audió rendszerre ? Kösz !
Akkor egy ellenállást is kellett volna odaforrasztani ?
És a kondenzátor-doboz ötletem ? Mindenki ha erősítőt épít telenyomja kondenzátorral. Vagy inkább azt a táp után kell rakni ?
A kondi is 275 Voltos amúgy.
Hát ezaz, hogy számítógépre van a fejhallgató és az erősítő is kötve.
Tehát a zavar az átmegy annak a tápján is. Nagyfeszültségű fojtótekercsre gondolsz ?
Ilyet nem próbáltam, igaz.
De hogy a f*ck-ba van az , hogy a számítógép tápja átengedi ? Nem kellene neki szerintem. Kösz, amúgy !
Sziasztok. Kaptam 16db BUX22 tranzisztort,elég komolynak tünik az adatlapja.Kérdésem az,hogy lehet-e ezeket használni végfok tranzisztonak,vagy egyáltalán mire jók?
Ez fincsi cucc, gyűjtöm is őket (bontásból) :yes:
Kapcsolótápos dolgoknál is nagyon magállja a helyét.
Szia!
Ha lenne PNP komplementere, akkor ki lehetne próbálni erősítőben is. Talán egy kvázikomplementer végfokban használható lenne. Az adatlapban többet olvashatsz az ajánlott felhasználásáról.
Köszi a választ. Az én kevés angoltudásom alapján,ezeket ipari berendezésekben,és a hadseregben
használják.A kvázikomplementer végfokot nemigazán ismerem.
A kvázikomplementer megoldásnál az összes teljesítménytranzisztor azonos struktúrájú (NPN). A meghajtásuk komplementer (PNP-NPN).
Egy példa:Quasi-complementary output
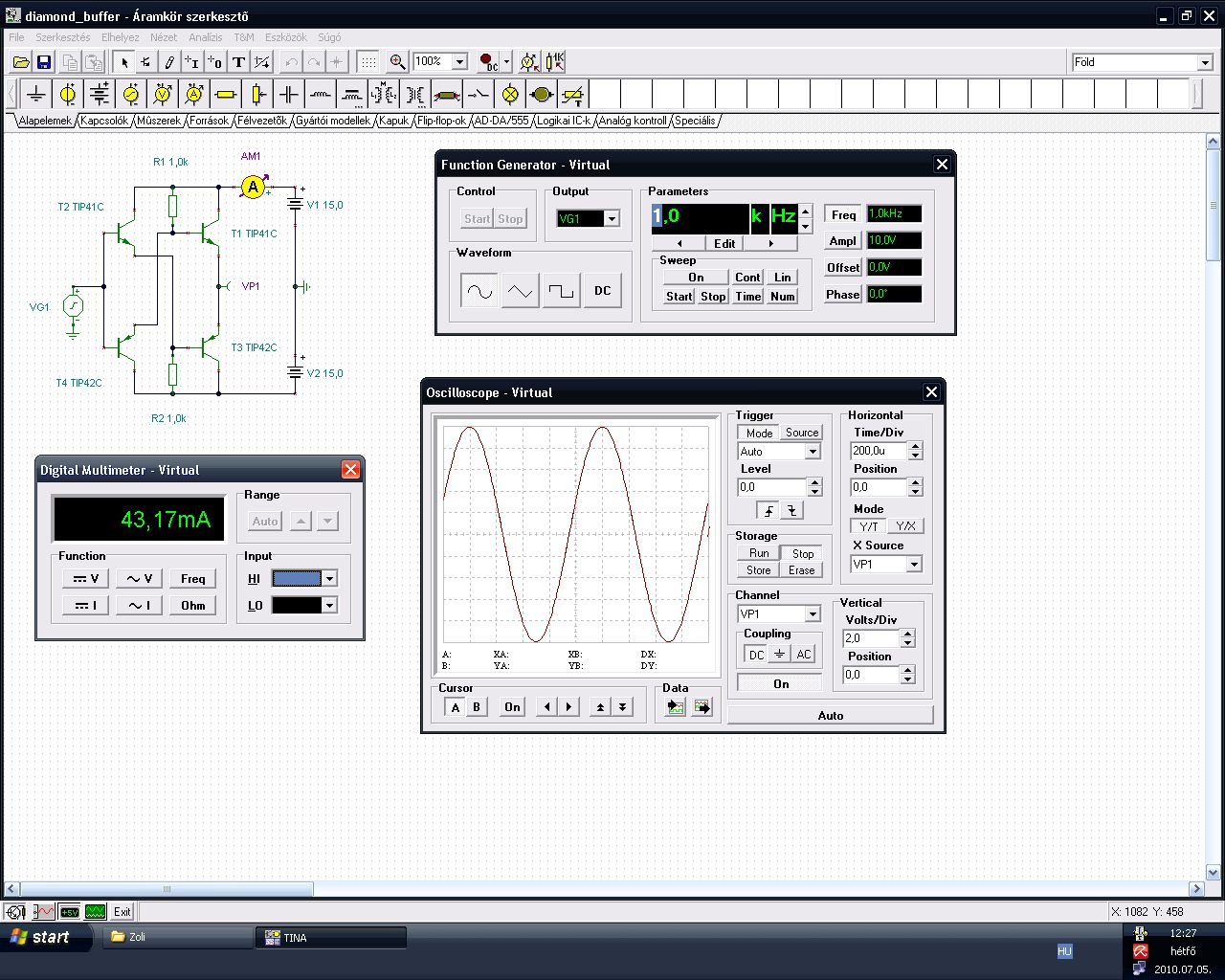
Ez így tényleg működne ? Mert tinában tökéletes, minden jelalakkal, nagyon szépen működik. Végfoknak szánom természetesen.
Én is szétnéztem itt de ezt nem találta szerintem jó lesz köszi.
Mukodhet egyreszt ha a bemeneti tranzisztorok bazisat nem hagyod lebegni (a helyes mukodeshez azoknak DC 0V-on kell lenniuk), masreszt helyesen van meretezve a fokozat.
Nekem is felkeltette érdeklődésem ez a szokatlan elrendezésű fokozat. Ha lesz rá időm, építek egy ilyen kimenetű erősítőt.
Jaj ... majdnem elfelejtettem, hogy a kimenetre tegyel terhelest, mert anelkul a szimulacio is hamis eredmenyt mutathat
|
Bejelentkezés
Hirdetés |




Szóval valami középút kéne a jó és a nagyon bonyolult között
használják.A kvázikomplementer végfokot nemigazán ismerem. 





