Fórum témák
» Több friss téma |
Fórum » Másodfokú BODE alak
Témaindító: leontheforsaken, idő: Jún 7, 2010
Témakörök:
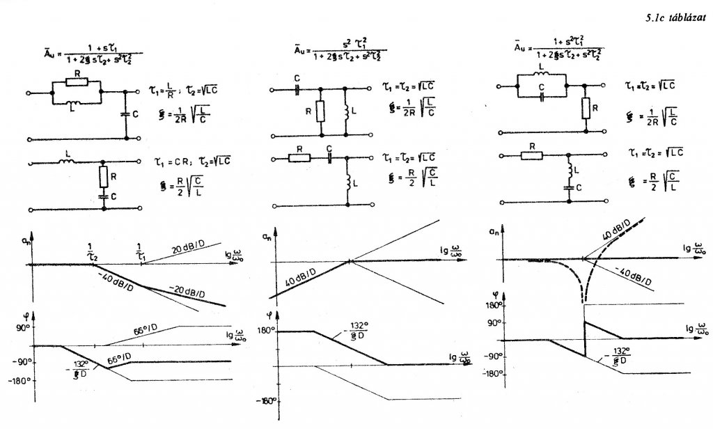
Hamarosan UV-m lesz villamossághtan 2-ből, és sajnos nem megy a rezgőkörös BODE!
ez sajnos sem a jegyzetben, sem az előadáson, sem az egész áldott interneten (Google) nem található meg. Wikipédia efelől hiányos, az is csak elsőfokú bódéval foglalkozik. Itt hobbielektronikán sem találtam másodfokú bódéról szóló fórumtémát. bode alakra tudok hozni bármilyen kapcsolást, meg tudom határozni a törésponti frekvenciákat, ismerem az elsőfokú bode alakok gfrafikonjait, továbbá fel is tudom rajzolni, összegezni kivonni egymásból grafikusan dekadikusan, azzal nincs problémám. a másodfokúval viszont bajban vagyok. hogy néz ki grafikusan, ha a feszültségátviteli függvény számlálójában és/vagy a nevezőjében az alábbiak szerepelnek: (1 + S2T2) vagy (1 + ST + S2T2) vagy hiányos (ST + S2T2) vagy (S2T2) szerepel (hatványban vannak a kettesek) Valamint a hozzá tartozó törésponti frekvencia is kiszámolható Tauból. De Tau a négyzeten van, biztosan vonjak gyököt az egészből hogy meglegyen omega frekvencia? valamilyen kiszámítási módot említettek pszível. (2*pszí*S*T) azt tudom, ha egy, akkor egy omega frekvenciára esik a két töréspont, ha nagyobb, akkor pedig két külön omegán történik a kettőstörés, és grafikusan össze kell adnom amikor összeérnek a dekádok előrehaladtával. Kérnék titeket, segítsetek! Nem akarok megint felsülni... egy villamosmérnök tanonc
Helló!
Tanulmányozd át ezt az oldalt. Bővebben: Link Az amplitúdó karakterisztikában a (sötétkék szaggatott vonal) töréspontja az omega_0 (más jelöléssel nagy omega) frekvencián van (7,07 rad/sec) és mivel másodfokú Bode-ról van szó, ezért a -20dB/dekád helyett -40dB/dekád meredekséggel törik le. A zöld vonalnak 10 rad/sec körfrekvencián van a töréspontja 20dB/dekád meredekséggel! A fáziskarakterisztikánál a zöld vonal az elsőfokú Bode-diagram, tehát 0-90°-ig tart a fázisforgatása, és az amplitúdókarakterisztika letörési pontjában metszi a 45°-ot (10 rad/sec). A sötétkék vonal másodfokú, ezért 0-180°-ig van fázisforgatása, és itt is az amplitúdó karakterisztika töréspontjánál metszi a 90°-t (omega_0=7,07 rad/sec), míg a 0°-t 3,5 rad/sec, és a 180°-t 14,4 rad/sec körfrekvencián.
Úgy látom a Bode-ábrázolás több villanymérnököt képző felsőoktatási intézmény tanárai körében vesszőparipa...
sajnos egyik sem túl hasznos, ki vannak sarkítva egy példára.
esetleg egy programot tudnátok ajánlani, ami felrajzolja a bode diagramot? addig változtatgatom a tau értékeket, amíg nem kapok általános másodfokú diagramképeket.
Microcap8 programot megtaláltam, ezzel gyorsan tudok bodét rajzolni AC analízisben
Helló!
Szerintem nem fogd megérteni, ha számítógéppel rajzoltatod ki, amúgy meg ha ez lett volna a célod, akkor van más program is erre: MATLAB, Tina... A mellékelt képen a megjelölt rész a lényeg, így néz ki egy általános másodfokú normálalak, fontos, hogy a konstans tag mindig 1 legyen, és az elsőfokú tag együtthatója pedig 2*zeta, másodfokú tag együtthatója 1. Ha nem ilyen, akkor ilyen alakra kell hozni. Becsapós lehet az, ha a másodfokú kifejezésnek valós pólusa/zérusa van, (egyszerű diszkrimináns vizsgálat) ilyenkor fel lehet bontani kettő elsőfokú szorzatra; ha nem, akkor viszont komplex konjugált gyökpár lesz a megoldás, és akkor kell használni a másodfokú normálalakot (nagyomegával és zetával). A zetát úgy kapod meg, hogy az elsőfokú tag együtthatóját megszorzod a nagyomegával és osztod kettővel. Ennek a kettőnek a segítségével már fel tudod rajzolni a Bode-diagramot. A nagyomegánál van az amplitúdókarakterisztika töréspontja, és a fáziskarakterisztika ott metszi a 90°-ot. A tegnap linkelt oldal Step 3-as részének utolsó két számítása pedig megadja, hogy a fáziskarakterisztika hol metszi a 0°-ot és a 180°-ot. Ennél egyszerűbben nem tudom elmagyarázni!
Sajnos a bóde elég gáz mert Nekem villanytanon nem ment a felyembe ezért nem is tanultam meg.
De viszont automatikán nem kicsit visszaköszönt ezért meg kellett tanulnom De amit te kérsz az tényleg kemény az nekem sok. Aki tanulta rég az is gyorsan felejti ez tapasztalat. 10 villamosmérnökből 8 nem tudná elmagyarázni az biztos.
Most én is épp ezt tanulom. (Csak én még az elsőfokút. Remélem vizsgán nem lesz másodfokú, mert akkor megütöm magam, meg a tanárt is.
) Csatoltam 2 doksit, remélem ebből megérted.
Hova jársz suliba mert a Kandónak van bode példatára és az elég jó is.
Tavaszmező jegyzetbolt, ott lehet kapni.
oda járok, meg is van, tanulmányozgatom is, csak nagyon kevés...
kiskérdésbe mindenfélét benyomnak a Selmeczi-Schnöller jegyzet meg használhatatlan.
Tudnál nekem küldeni olyan docokat amik a leg alapoktól magyarázzák a BODE-t? Érdekel a téma.A mail címem: (burkoltan írom mert nem szabad kitenni nyilvánosan) ,,he-s nick''khukac savanyú sárga gyümölcs
Köszönöm.
Nem 3/3-as voltál előző életedben ?
Steve
na mindegy, sikerült elsajátítanom a szerkesztést többféle rezgőkörrel és alkatrészértékekkel, a program segítségével ellenőriztem az ábráimat.
|
Bejelentkezés
Hirdetés |





) Csatoltam 2 doksit, remélem ebből megérted. 

