Fórum témák
» Több friss téma |
Fórum » Távirányítós autó PIC-kel
Hello! Remélem nem gond, hogy új témát nyitottam ezért, de hasonlót nem nagyon találtam. Szóval szeretnék készíteni egy távirányítós autót pic-el, és ehez kellene valamilyen tipp. Jó lenne ha lenne valamilyen megírt progi is csatolva, mert a programozas nem az erossegem. Előre is mindenkinek köszi
Hali!
Nem akarlak leoltani, de nem volt egyértelmű a kérdés. Mit akarsz megoldani a piccel? Mert ha nem egyértelmű a kérdés, nem fognak rá válaszolni!
Nem ragaszkodok
Csak vmi egyszerű dolog legyen. PIC az viszonylag egyszerű lenne. De persze más is jöhet!!
Kis motrokkal gondoltam, és az előre hátrát és a jobbra balrát szeretném vezérelni. Annyit kéne végeznie az elektronikának, hogy a távvezérlő jele alapján kapcsolgatja a motrokon a feszeültséget és a feszültség polaritását.
rakj össze 2 db. hidat, azt vezéreldd pic-el
1 PIC (dekóder) kell az autóba 1 PIC a távirányitóba és vmien adatátviteli cucc pl.: http://www.hobbielektronika.hu/kapcsolasok/434mhz_wireless.html PIChez hülye vagyok
Na igen azt tudom hogy egy távirányítóba ami a jelet adja és egy a vezérlőbe ami a jelet veszi. Csak azt nem tudom hogy milyen vevőt/adót alkalmazzak, amivel tud a pic kommunikálni, és "elég" nagy a hatótáv (5-6m). A propeller clockban TSOP szenzor van használva, és egy infra dióda, de ahogy tapasztaltam 1m-nél nagyon nincs tovább a hatótáv. Ezért kellene vmilyen komplett terv, és a progi.
Csak egy ötlet! ha bemész a Tesco-ba és veszel egy távirányítós autót 3-4 ezerért és azt alakítod át az nem jó? Nem azért mert máshogy nem lehet megoldani, csak ez a legolcsóbb megoldás. Ha ragaszkodsz hozzá hogy te csináld az sokkal többe fog kerülni.
Hát én úgy gondoltam, hogy tehát 2 PIC. A távirányító az nem nagy elektronika- vezérlő, órajel, pár gomb, védőell, dióda. A vevő szintén egy PIC, ami két motrot vezérel. Ezek lehetnek 5V-os kis motrok amiknél elég annyit irányítani hogy melyik irányban forogjon. Jó lenne a saját verzió, az úgy érdekesebb. Nem akarok valamilyen holdjáró gépezetet csinálni, 32 funkcióval meg 20km-es hatótávval, csak egy kis autót, ami tök egyszerű.
Bukall=csonthulye - tesóm neve, véletlenül ezen jelentkeztem be
Na nem tud akkor senki se tippet adni? Nem muszály pic-el, bár szerintem az lenne a legegyszerűbb, meg is csinálnám csak a progi... Meg azt nem tom milyen vevőket használjak meg minden...
Idézet: „Meg azt nem tom milyen vevőket használjak meg minden” most akkor semmit semm tudsz, de valamit akkarsz döntsed el, sztem elöbb pic oskola :yes: utána a hw
Ha valaki nem fekszik és kell picekkel az attól még szerintem valamit tudhat....
Ha ez valamennyire segít:
http://www.astlab.hu/rc/rcmain.html
Köszi, legalább valami kiindulási alap van.
Szentem olvasd el Topi cikket a vezeték nélküli kommunikációról, és már meg is van milyen adó-vevő modullal akarod csinálni... a PIC progit valószínü senki nem írja meg neked.... Én egy 18F1320-al csinálnám meg és még rákeresnék arra is hogy pic programozó valami egyszerűbb (JDM) itt is találsz egy csomót és még rákeresnék a H-hídra is... (motor vezérlő kapcsolás) ha van egy minimális elektronikai alapod ezekből már össze hozod... szerintem.... De pl. 4 csatornás adóval már meg is oldod pic nélkül
mert, hogy van ilyen. 5 e forint a pár. Egy adó ami egy gépkocsi riasztó távirányítóra emlékeztett, tehát kulcscsomóra rakhatod és tök menő.... a másik oldalon amíg nyomod a gombot +5V (TTL) ad az adott gombhoz tartozó kimeneten. (sőt olcsóbb is mint 5e mert az már ugrókódos ami itt neked nem nagyon kell). Tehát röviden, minden féle programozás nélkül.... veszel egy ilyen adó vevő modult, privibe kérdezz és megmondom hol... aztán a vevő kimeneteire teszel szépen egy leválasztást... (elég egy tranyós... BC182 simán bázisáramos módon kapcsolóként használva, előtét ellenállás, ha lehet így hívni 10K-s 1/4 w és legalább 3 forint.... tranyók is hasonló árban...) Aztán tényleg rákeresel a H-hídra mert az nem hagyhatod ki.... és ha elég kicsire építed minden féle nagyobb trükk nélkül kis tranyókkal is megy.... Gondolom nem kell elmondani, de azé ide írom, minnél nagyobb motor annál több amper annál nagyobb (ekkor már FET-ek) annál nagyobb hűtés annál nagyobb cucc annál nagyobb motor.... és íme az ördögi kör. Szerintem szerezz két CD-rom motort... és csinálj belőle egy igazán kis kocsit, az a nehéz és a jó buli... az elektronika része pedig így nagyon nagyon egyszerű lesz.... Szerinted ?
Hello! Én olyan adó vevő kapcsolást keresek, ami 4 csatornás, szintén ilyen célokra, aminek a kimenetén már csak az adott csatorna 0 vagy 1 szintje van- ha van ilyen... És az se ártana ha folyamatosan küldené a jelet. Ha nincs ilyen kapcsolás, mert még nem találtam, akkor valamilyen gyári darab is megfelelne.
Profitech kft-nél vannak ilyen dolgok. Én ott vettem pár éve 433MHz adót, kódert, vevőt, dekódert. Ez 4 csatornás, ebből van az erősítőm távitányítója. A távirányító akkor kb. 5000 Ft-ból jött ki.
Mármint 5000 Ft az adó vevő egyut ugye. Most én találtam egy RX-3302D4 tipusú vevőt. Ehhez milyen távirányítót lehet kapni, amivel vezérelni tudom?
A távitányító mindenestül volt 5000. Már nagyobb a választék, lehet, hogy kijön olcsóbban, nem tudom.
Egy 433MHz ASK adóhoz minden 433MHz ASK vevő jó. Apróbb különbségek vannak. De menj el hozzájuk (vagy ahol találtad), és kérdezz. Nagyon segítőkészek voltak a Profitech-nél.
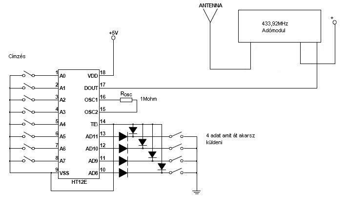
4 csatornát nagyon könnyű átvinni RF-en. Kel egy adó-vevő pár pl:433Mhz-re, és rá kell kötni egy HT12E-es kodoló ic, vagy MC145027 kodolót. Ezek 255 küönböző címre állíthatók be, és 4 bites adatot tudnak átküldeni. A vevő oldalon az RF vevőre rá kell kötni HT12D-t vagy MC145028-at ami visszakodolja az adatot, és már is megvan a 4 jel amit átküldesz. Ha akarod akkor kis trükkel 15 különböző dolgot tudsz kapcsolgatni. Ha kell küldök rajzot.
Engem érdekelne...
És egy kis magyarázat is róla. Elolvastam az adatlapját, de egy kicsit bonyi...
Nem bonyolult, majd még ma küldöm a rajzot
Én PT2262 és PT2272 kóder - dekóder párt használtam, szintén a Profitech-től.
Tudjátok mit nem értek? Miért akar mindenki 4 csatornás rádiót egy autó irányítására??? Egy autóhoz mi kell? Előre-hátra-jobbra-balra. Ebből a 4-ből egyzserre legfeljebb 2-t lehet kiadni, illetve legfeljebb ennyinek van értelme. Hiszen egyszerre előre-jobbra és hátra is nem lehet menni
Szóval bőven elég a 2 csatorna. A 4 csatorna már repülőkhöz szokott kelleni. De ha gondoljátok, végülis a 4 csatornával is el lehet játszani, csak feleslegesen bonyolítja a dolgot...Üdv
Itt a kapcsolási rajz, adó, vevő a HT12-es ic-hez. Vevőmodult több helyen lehet kapni hozzá, én a conrad-nál kaphatót alkalmaztam, de másik fajta is jó.
ADÓ-VEVŐ KÉSZLET 433,92MHZ
Rend. sz.: 130428 www.conrad.hu oldalon mégnézheted |
Bejelentkezés
Hirdetés |




Mert ha nem egyértelmű a kérdés, nem fognak rá válaszolni!






