Fórum témák
» Több friss téma |
Fórum » Indukciós hevítő készítése
Bódi Mester, nem szórakozol...
Minden elismerésem a Tiéd! Ez a tégely ugye vermikulit zuzalék vízüveggel megkötve? A tárhely linkjét www-nélkül szúrd be, akkor nem jön a téves figyelmeztetés!
Szia Dani Barátom!
Ez egy acéltégely, 40mm átmérővel és 55mm magassággal. A Vermikulit tárcsák és a fedő a hőszigetelést szolgálják. Kell majd szereznem egy kisméretű grafit tégelyt a közvetlen olvasztáshoz. Hogy állsz a vizsgákkal? Egy nagy kalappal!!
Köszönöm kérdésed, az egyik felét elintéztem, túlteljesítettem az elvárásokat. A másik fele még előttem áll.
Megjöttek az IGBT-im, ahogy jutok valamire, jelentkezek. Remélem addigra a "jó idő is visszavesz", és lehűl 31°C alá... Ha sikerül grafit tégelyt szerezned, kérlek értesíts a beszerzési lehőségekről. A tapasztalatokat szívesen olvasnák szerintem mások is.
Szia!
Ez jónak látszik, annak ellenére, hogy nem grafit. Várom a tapasztalataidat. Én is vettem egy tégelyt a Kalória Hőtechnikai Kft-től, de az sem grafit alapanyagú, még nem próbáltam.
Egy apróság jutott eszembe: Az acél tégely nem melegszik túlságosan? Emberi számítás szerint az is zárlatos szekunder-tekercsként viselkedik, felesleges teljesítményt vesz le, és a curie pontig gyakorlatilag le is árnyékolja az indukciót a tartalmától...
Ausztenites acél talán megoldás, de akkor is kérdés, hogy az olvasztott anyag nem oldja-e!
Minden vezető anyagban, így az ausztenites acélban is keletkeznek örványáramok, így az is melegszik. Szerintem számottevően nem nagyobb a veszteség, ha a tégely is fűtve van. A rozsdamentes acélt az alumínium nagyon oldja.
Tisztelt szakik!
A Royer oszcillátorral félsikereket elérve, egy olyan problémám támadt, amiben tanácsaitokra szorulnék. A kapcsolás működik, 35V dc tápfeszültségről az áramfelvétele 0.8A, egy 20-as köracéllal az 5 menetes munkatekercsben 1.2A. Ez a 30-40W arra elég, hogy melegítse (<100°C) a vasat, többre nem. Az aggodalmam az IGBT-k (IRGP4063) károsodása, mivel a feszültség a primer tekercs két végpontja között 80V eff (250V csúcs-csúcs), amit el kell viselniük. Így kiszámoltam, hogy hálózati 320V dc-ről üzemeltetve már több mint 2kV lenne ez a feszültség. Mit tudok tenni, hogy elkerüljem a tápegység használatát, lehet a mentszámmal változtatni ezen az összefüggésen? A jelenlegi adatok: primer tekercs 11+11 menet (középmegcsapolással) 30*0.3-as lakkszig. Cu, szekunder tekercs 2 menet 10mm-es rézcső, munkatekercs 5 menet 90-es átmérőn (tégely van benne) szintén 10-es rézcső. Számítok tanácsaitokra. Köszönettel.
Szimulátorban sokat nézegettem a Royer oszcillátort, nem erre a célra, hanem hegesztőgépnek. Kb. 950 V veszi igénybe az IGBT-ket ha a hálózati feszről járatod. Ezzel nem tudsz mit csinálni, a működéséből ered. Az 1200 V-sak még elvileg jók lennének, de ha valami tranziens van, hát, akkor repülnek. Vagy használj 1700 V-os IGBT-ket, vagy csinálj más kapcsolást. Az, hogy még csinálsz egy ekkora tápot, hát, nem túl perspektivikus.
IRG4PH50 megfelelne? Vagy tudtok ajánlani valami használhatót?
Mire gondolsz a "más kapcsolással"? Félhidas elrendezésűre? Konkrétan?
Konkrétan nem gondolok semmire. Valami rezonáns, vagy ZCS, vagy ZVS áramör kellene. A Royer és általában a push-pull kapcsolások nagyon jópofák, mert egyszerű a tranyók meghajtása amiatt, hogy az emmitterek közös potenciálon vannak. Viszont ez már 320 V DC-ről nagyon nehezen kivitelezhető, mert túl nagy feszültségek veszik igénybe a félvezetőket. Meg egyéb gondok is vannak, pl. a trafó primerjét bifilárisan kell tekerni, hogy a két primer között kicsi legyen a szórási induktivitás. Ez már nagyon megbonyolítja, mert miből tekered? A sima zománchuzal, amiből persze litzét kell csinálni nem bírja átütési szilárdságra. Lehet kapni olyan litzét, ami ezt is tudja, de aranyárban van.
Az igazán jó megoldások sajnos sokkal bonyolultabbak mint egy Royer oszcillátor. Nem beszélve arról, hogy a Royer oszcillátor teljesítményét nem tudod szabályozni, csak a tápfesszel. akkor kell elé valami tápegység, mondjuk néhány kW-ra. Akkor már nem érdemes ilyet csinálni, mert teljes hídban egyszerűbb. ( mondjuk egy fázistolós ZVS, az UC3875 ic-vel, vagy diszkrét alkatrészekből ) )
Miért kéne kicsi szórási induktivitás, ha úgyis sorosan fojtót alkalmazunk. (Egy kapcsolásról beszélünk?) Ismereteim szerint két csatolt tekercset át lehet számítani két csatolatlanra és egy közös, soros (szórási) induktivitásra. Akkor meg minek is az "egymás melletti = bifiláris tekercselés???
Kérem szépen 3 méter litzét készítettem a primernek a múlt héten; 30 szál 0.3-as lakkszig. vezetéket sodortam össze, és kifeszítve tekercseltem körbe teflonszalaggal. A primer tekercs úgy van elkészítve a csévére, hogy 1 rétegre széthúzva a 11 menet (egyik fele), úgy, hogy még a szomszédos menetek se érnek egymáshoz, és megfelelő fedőszigeteléssel rajta a második tekercs a 11 menetével. Közte a müpa csöves kivezetések. Elgondolásom szerint kibír 2kV-ot, ha nem, inkább ezt csinálom újra. A szekunder 10-es rézcsőből van, egyenlőre 2 menet, papírékekkel van kitámasztva, nem ér semmihez. (persze a második réteg primer felett is van szigetelés). A teljesítményt nem kell szabályozni, egy kis olvasztó lesz belőle, a hőntartást máshogy oldom meg. A A kérdés viszont az, hogy beruházzak-e 1200V-os IGBT-re, (és ha igen, kérlek nézz körbe milyet érdemes venni). A másik meg, hogy: Mit módosítsak, hogy feljebb vigyem a frekvenciát? 6*47nF (FKP) kapacitással az oszcillátor 25kHz-re áll be. Úgy gondolom ennél legalább 3-4-szer nagyobb frekvencia kéne. A légrés növeli a frekvenciát, de szerintem azt nem kéne, mert elvesztem a szoros csatolást. Mi a véleményed? Köszönettel.
Nos, én a Royer oszcillátorról, vagyis azokról a kapcsolásokról beszéltem, ahol két primer van. Ezeknek kell a lehető legszorosabb csatolásban lenniük. Az, hogy a szekunder felé kell egy szórási induktivitás, ehhez semmi köze. ( Azért mértél akkora túlfeszt a primereken, mert nem elég szoros a csatolás. Ezt meg csak bifillárisan tudod megcsinálni. A teflonszalag elvileg jó, de nagyon sokat elvehet a rendelkezésre álló területből. ) Az a szórás kellhet egy rezonánshoz, vagy ZVS-hez, vagy akármihez.
Próbáld meg a korábbi kapcsolásodat megcsinálni egy új trafóval, ahol bifillárisan tekered meg a primereket, ezzel a teflon szalagos módszerrel és mérd meg, hogy így mekkora a tranyók feszültségigénybevétele. Esetleg nem is kell hozzá a teflonszalag, hátha kibírja a sima zománc. Van más is. A Royer oszcillátor úgy működik, hogy a trafó mágnesezőáramának döntő szerepe van, vagyis kell bele légrés! Az alkot rezonáns kört a kondikkal. Tehát, pl a légrés növelésével is tudod növelni a frekvenciát. A légrésnek gyakorlatilag semmi köze nincs sem a primerek közötti szóráshoz, sem a primer és szekunder közötti szóráshoz, nyugodtan növelheted. Azért, csak óvatosan, mert a rezonáns áram is nőni fog. Ez a felvett áramban alig jelentkezik ( ha nincs megterhelve ), de a tranyókon átfolyik. Nincs időm számolgatni, meg a szimulátorban nézelődni, de ha növeled a légrést, akkor csökkentsd is a kondikat, hogy ez a rezonáns ( igazából meddő áram ) ne akarja kilukasztani a tranyókat. Én nem javasoltam az 1200 V-os IGBT-ket, mert szerintem kicsik, akármilyen tranziens esetén már elszállhatnak. Az, hogy szerinted kibír 2 kV--ot, az kevés. Meg kell mérni. Nem tudom, milyen teflon szalagot használtál ( vizvezetékszerelésit? ) úgyhogy nem tudok róla véleményt mondani. De amikor valamiben sorra durrannak el a tranyók, akkor legalább azt jó tudni, hogy a trafó nem üt át sehova... na, ezért kell megmérni. Sajnos, nem értek magához az indukciós hevítéshez, nem tudom, mit, milyen frekin kellene melegíteni, úgyhogy nem tudok hozzászólni. Legfeljebb az elvét ismerem, meg talán a kapcsolási elrendezéseket.
Köszönöm a hasznos tanácsokat és intelmeket, feltekerem a primert bifilárisan, és nem pedig két rétegben, hamarosan beszámolok a mérésekről. Most 35V-os tápfesznél 250Vcs-cs van a tekercs két vége között (persze a félvezetőket csak egyenként ennek fele veszi igénybe záráskor).
A trafó ablakmérete óriási, van hely. ad telfon: igen, vízvezetékszerelésit, de már egyszer az anyagtan laborban bemértük, bírja 25kV/mm-ig, bár ez csak 5 százados... mindjárt megírom mit segít a tekercselés módja...
Megtekertem ahogy javasoltad; a primer tekercs paraméterei a következőek: L1, L2 = 457uH, L.szórási 1.8uH egyenként (mérve úgy L1-et, hogy L2 rövidre zárva).
Az eredmény továbbra is siralmas, mondhatni sokkal rosszabb. 35VDC-ről az áramfelvétel üresjáratban 100mA, egy 20-as köracélt belehelyezve 200mA. Ám amiben bíztam (amit írtál), hogy a primer tekercs két végpontja közti feszültség kisebb lesz, de sajnos nem változott jelentősen, a szoros csatolás ellenére sem. Eddig 80V effektív volt így 35VDC-ről járatva, most 75.2V effektív, tehát Ucs amit a félvezetők ki kell hogy bírjanak 106V. Így úgy számolom, hogy a 400V-os IGBT-imet csak közel 130VDC-s tápfeszültségig használhatnám, de az 1200V-os elvileg bírná a hálózati 320V-ot. Elvileg. A képletet még nem értem, amelyik itt alkalmazható lenne, a kondibank pontosan 66nF, a frekvencia 47.2kHz, de az 1/(2*pi*gyök(L*C))-vel induktivitásnak 172uH jönne ki, ami tört része a fenti mérésnek. Gondolom a munkatekercs hat vissza az áttéthányadossal, de nem értem miért nem alkalmazható itt a Thomson képlet. Az oszcilláció nagyon szép színuszos, a nullaátmenetnél elenyésző tranzienseket látni csak. (nagyon minimális kis belengés). Köszönettel a tanácsokért!
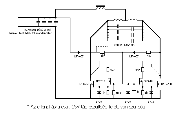
Az általam is megépített " pimi9-féle" kapcsolás tökéletes, kell hozzá egy combos táp. Hatalmas előnye, hogy minden frekin rezonancián van. Csak egy SMPS táp kell hozzá a súly és a méretek miatt.
Láttam már olyan kapcsolást is, ahol a Royert egy Buck-konverterrel hajtották meg. Most egy DC 320V-os félhíddal próbálkozok 4db E65-ös ferittel, 80kHz környékén. Egy Ir2153 hajt meg egy félhidat Irf540 feteket, azon van a gate trafó. A nagy hídban IRFP460-as fetek vannak és MUR4100 diódák a D-S lábain. A frekit egy heli potival állítom és a rezgőkörön szkópon nézem a rezonanciát. Egy fűrészlapot másodpercek alatt felizzít. Lehet játszani a frekivel, ha egy kicsit elhangokom, akkor lesz a rezonancia, amikor dugom a vasat. A vasat lasan kell bedugni a tekercsbe, mert elmászik a rezonancia freki. A szkóp nagyon szépen mutatja a színusz jelet. A DC metápnál van még egy söntös ampermérőm is, a felvett áram 1-2 A ez még kevés .
1,8 uH? Ennél azért jobbra számítottam. Igazából az ilyen primereket úgy szoktam tekerni, - pl: a te esetedben - hogy 60 szál 0,3-as huzalt összefogok és egyszerre tekerem fel mind a 11 menetet. Utánna szétszedem a kivezetéseket 2 db 30 szálas kupacra. Sajnos, ez a megoldás a sima zománchuzallal még elmegy 24...48 V-ig, de 300 V-on már nem. Vagy van az a méregdrága litze a Tali Bt-nél, az 7 db 0,2-es huzalból áll, mindegyik külön szigetelve és az egészen van még egy szigetelés, ami 6 kV-ot bír. Nagyon jó, de nagyon drága. Ahhoz, hogy kicsi legyen két tekercs között a szórási induktivitás, vagyis nagyon szoros legyen közöttük a csatolás, a tekercseknek ugyanazon térben kellene lenniük. Nyilván, az egyik tekercs helyén nem lehet ott a másik is... Tehát, ha közel is lesznek egymáshoz, nem lesz közös a mágneses terük, amit gerjesztenek. Hát, ezért lesz mindenképpen szórási induktivitásuk.
Valamit rosszul számolsz, vagy mérsz, mert nekem a megadott adatokkal 20 kHz körüli rezonanciafrekvencia jön ki. Ugye, a két tekercs sorbakapcsolódik, az egyik végük egy nyitott tranyón keresztül a GND-n, a másik végük pedig a 106 V-on van.Ez kb 900 uH-is fojtó. Ehhez a kondi 66 nF, ez kb. 20 kHz-et ad. Ide is jó így az általad említett Thomson formula. Ez így biztos nem jó, mert nagyon kicsi a rezonáns áram csúcsértéke is, kb: 1 A, hát azzal nem lehet mit kezdeni. Vagy számolj ki egy rezgőkört, ami tud 50 kHz körüli rezonanciát és hozzá mondjuk 20 A csúcsáramot, vagy ha ez nem megy, akkor nézd meg szimulátorban. Ezt javasolni tudom, nagyon sokat lehet belőle tanulni és nagyon sok alkatrészt meg lehet vele spórolni. Meg időt! A szimulátort csak egyszer kell megtanulni... az alkatrészek cseréje meg eléggé munka, időigényes, nem beszélve a költségekről. A másik, hogy az a 2 x 11 menet is nagyon gyanúsan sok egy ekkora ferriten.. Ezt is rendesen ki kellene számolni, mert szinte biztos, hogy kisebb menetszám is elég. És a kisebb menetszámú primernek kisebb lesz a szórása is... A Royerrel ugye az a baj (?), hogy a trafó primerei alkotják a rezgőkör L tagját. Tehát, nem mindegy,hogy van megcsinálva. A rákerülő feszültség-idő területet ki kell birnia és utánna addig kell növelni benne a légrést, amíg akkora induktivitása nem lesz, amennyire kiszámítottad a rezonáns kört. Ha úgy tetszik, azt is mondhatjuk, hogy a rezonáns kör árama a trafó mágnesezőárama. Az is gond a Royer oszcillátorral, hogy elég problémás az indulása. Szép nagy lengések vannak a bekapcsoláskor, aztán persze ezek csillapodnak és beáll a stacioner állapot. Erre mondtam, hogy az 1200 V-os IGBT-k ezt nem fogják kibírni. Persze, erre is van megoldás, de már annyira megbonyolítja az egészet, hogy elvész a kapcsolás szépsége: vagyis az egyszerűsége. Az is egy jó megoldás lehet, ha van előtte egy buck konverter, aztán lassan nő a betápfesz, akkor nem lesznek számottevő tranziensek. De akkor már olyan bonyolult, hogy egy félhíd, vagy teljes híd egyszerűbb. Biztos, hogy jól mérted a feszültségeket? Pl: effektív érték? Ilyen helyeken csak szkóppal szabad mérni. Nem anyira a pontosság a fontos, hanem, hogy lásd, amit mérsz.Nem minden digit műszer mutat helyes eredményt ilyen nagy frekin, meg ilyen jelalaknál, meg összeszed minden zavart, meg egyebek. Szkóppal...
4 db E65? Azon már bőven kifér 10 kW, ventillátor nélkül is.
Igen, elmászik a freki, hiszen ha már elég meleg, akkor eléri a Curie pontot és akkor már nem lesz mágnesezhető, vagyis addig beleszól a rezonanciafrekibe, a Curie pont után meg nem. Gondolom én...
Szia!
Ismerem a digitális műszerek feszültség és főleg áramméréshez e téren való alkalmatlanságát, mindig meggyőződök róla, hogy hihető eredményt mutat-e. Egyébként egy Voltcraft M3860M-em van, ami ennek ellenére mutatott már zöldséget nagyfrekvenciás mérésnél. Így mindig szkóppal nézem a jelalakot - ami ahogy írod is - pontatlan, de nagyságrendeket nem téveszt! Értem én a tanácsolt tekercselési módot, (összesodrás nélkül, az elemi szálakat vegyítve tekerni), de én most így csináltam, teflon szigeteléssel, egymás mellett. (Töltsem fel a képet róla, segít bármit is?) A "menetszám-képlettel" Skori kényelmes dimenzionálási táblázatát használva jutottam a 10 + 10 menetre, de kérdeztem korábban is, hogy módosítsak-e rajta. Lsd. melléklet. A Thomson képlet valóban 20kHz-et eredményez, ha a 458uH helyett 900uH-t helyettesítek be, ezt nem vettem figyelembe, mindig csak az egyik "ágat" láttam. De akkor miért rezeg 47kHz-en? Ezek biztos mérések, nem a frekimérőről olvastam le, hanem tényleg szkópon néztem, nézem most is. A lágyindítás nem gond, most szabályozható tápról járatom (0-280VAC 4A magyar); de van bevált kapcsoláson a végleges elredenzéshez (tirisztoros söntellenállást relével áthidaló) Köszönettel.
Szia!
Tökéletesen egyetértek veled, látom is a tekercsben, ezért tolom be szép lassan. A pimi9 kapvsolásánál 85V 40A-nál ilyen gond nem volt, bedugtam a 12-es köracélt, 8-10sec után fehéren hiccelt. Azért van 4db ferrit, mert így van hozzá a gyári csévetest. Biztos, hogy a Dani Royer kapcsolásában bifilárisan kell kötni? Szerintem nem jó a rajz. Az eddigi Royer kapcsolásoknál sorba tekertem a tekercset, pontosan középen megcsapolással.
(Bódi közben válaszoltam az e-mailre)
A tekercselést pontosan a rajz szerint készítettem, tehát elkezdem egyik végét, majd kivezetem a középmegcsapolást, és ugyan abba az irányba folytatom. Ezt osztottam fel én úgy - katt tanácsára - , hogy a középmegcsapolásnál elvágtam a licnis huzalt, és elcsúsztatva, a két drótot egymás mellett tekerve tekertem fel a 10 menetet, majd ez után a különböző oldali végüket kötöttem egybe, és neveztem el középleágazásnak. Most ha ezen múlik, összedobom a - szerintem aligha különböző - pimi9 félét. Lsd. melléklet a téma olvasóinak.
Ez majdnem ez, csak azért mégis puritánabb egy kicsit. Szerintem jobb ha vannak ott diódák...
A trafót 1000 V-ra számoltad! Így adódott 1,8 uH szórás. Nagyon nem mindegy, hogy a szerkezet 35 V-on, vagy 320 V-on működik. Ugyanis, az 1,8 uH nem változik a betápfesztől, tehát, ennek a hatása 320 V-on jóval kisebb, mint 35 V-on. Emiatt aztán nem nagyon mérvadó az, hogy ilyen kis feszültségen mit mérsz... Az ehhez tartozó rezonáns áram is nagyon kicsi, de ha 320 V-ot kap, akkor kb. 10-szer ekkora lesz. Ha mindent jónak ítélsz meg, akkor tegyél rá szép fokozatosan egyre nagyobb betápfeszt, aztán hagy szóljon. Közben persze nézd a tranyók feszültségigénybevételét.
Nem tudom, miért rezeg 47 kHz-en. Vegyél le a szekunder oldalról mindent, hogy üresen legyen, aztán mérd meg újra...
Dani!
Amit belinkeltem, csak elvi rajz! Szerintem a Te rajzodon nem jó a primer bekötése! A legalsó kivezetés az a primer vége, nem pedig a kezdete, ahogy a rajzon van.
Kérem szépen a következőket tapasztaltam:
Udc = 100V (tápfeszültség), 1000µF-dal szűrve. Áramfelvétel üresjáratban 0.5A, 20-as köracéllal a tégelyben 0.9A, jónak tűnik. A frekvencia továbbra is 45-50kHz, már amennyire pontosan le tudom olvasni, de érdekességként említem, hogy a vas behelyezésekor alig láthatóan változik csak. A szkópon észrevehetetlenül keveset 5us-os időalappal. A fenti adatoknál van a drain-eken 350V-os csúcsfeszültség. (GND és kollektor között, félhullámok csúcsfeszültsége). A két drain között 700Vcs-cs feszültség mérhető, mindössze 100Vdc betápról! A gerjesztést a multiméter 9Veff/menet-nek mutatja, és ez is 50kHz-et jelez. Szóval itt torpantam meg, a 400V-os IGBT-ket nem akarom nagyobb feszültségről járatni. Mit szóltok hozzá?
Alakul ez. Ha csak 400 V-osak a tranyók, akkor ne menj feljebb a 100 V-tal. Viszont, megteheted, hogy teszel egy kicsit nagyobb légrést a trafóba. Ezzel nőni fog a rezonáns áram, meg a freki is. Meg a mágneses tér erőssége a munkatekercsben, ami végül is melegíti a köracélt. Most azért nem változik szinte semmit a freki, ha beteszed a köracélt, mert kicsi a mágneses tér. Hogy megnöveld, nagyobb áram kell. Jó lenne valahogyan mérni a tranyók áramát a meglepetések elkerülésére... vagy legalább kiszámolni... Ha túl nagy lesz a freki, akkor tegyél be még kondit. Azért, vannak ott veszteségek a tranyókon, hiába hogy ez ZVS és ZCS is. meg nem mindegy, hogy mekkora a szórás a primer és szekunder között. Meg az sem mindegy, mekkora a szekunder feszültség, mert lehet, hogy a munkatekercs induktivitása túl nagy, így csak kevés áram folyik, kicsi a mágneses tér, kicsi lesz a veszteség a köracélban. Ha ez 300 V-ra volt tervezve, akkor a szekunder feszültség is a harmada, ennek megfelelően, az áram is csak a harmada. Szóval, azt gondolom, így nem az igazi a munkatekercs. Gondold át ezeket, de azért már látszik, hogy alakul.
Egyébként, kezd hasonlítani arra, amit szimulátorban is látok. 300 V betápról 950 V a tranyók feszültsége. Az, hogy a trafó két végén 700 V van, az a trafó baja. Meg a kondié... vigyázz a szkóp mérőfejre, mert ilyenkor lehet tönkrevágni a 10-es osztós mérőfejet...
Igen, lehet csinálni önrezgő, félhidas oszcillátort, de az nem Royer és elég nehéz megcsinálni hogy ZVS legyen.
Vagy mire gondolsz? Rajz? |
Bejelentkezés
Hirdetés |












