Fórum témák
» Több friss téma |
sziasztok!
remélem nem írtam hülyeséget a téma címben de azért elmagyarázom h mire is gondoltam.... az alap ötlet a tda1524-es ic-ből ered. az a lényeg hogy szeretnék építeni egy olyan áramkört ami egy potméterként (vagy hangerőszabályzóként) működik úgy hogy egy rendes potival egy referenciafeszt állítok és úgy csökken ill nő a hangerő. (végül is erősítőben akarom használni) ezzel azt szeretném elérni hogy 1-nél több bemenet szintjét is tudjam állítani egyetlen monó potival és az h ha idővel elöregszik a poti akkor se recsegjen mikor tekerem.. van valakinek esetleg ilyen kapcsolása? nekem az jutott elsőnek eszembe hogy egy műveleti erősítő visszacsatolását kellene szabályozni tranyókkal vagy ilyesmi. előre is köszi a segítséget
Szia!
Legegyszerűbben fotoellenállások+izzólámpák felhasználásával tudnám elképzelni. mint ahogyan azt régen használták hangosítástechnikánál... De biztos,hogy van ennek korszerűbb megoldása,akár cél IC is.
teccik az ötlet, nagyon jó, sose jutott volna eszembe de nekem minenképp ic-s cucc kell vagy tranyás.....
őő nem tudom a scrollos egér* hogy müxik, de ebből ha kiindulnál, akkor tehetnél rá egy fel-le számláló ic-t annak a BCD kimenetére annyi számláló ic ameny...tnél..(* - sztem van itt a he-n téma róla.)
hátránya (sztem) elfelejti, hol áll kikapcsolás után, de ez talán nem is gond? ![]() ui: a scroll az meg végállás nélküli úgyi milyen menő lenne ![]() üdv
Így már közelítünk a ditális potméter témához, ott pár dolgot kitárgyaltunk.
Sztem cockero-nak - ha nem akar kijelzést - számlálóra nincs szüksége, csak a digipot(ok)ra. Az egérből kitermelt egyik tárcsa és egy fénykapu-pár némi elektronikával megfejelve adhatná az impulzusokat a léptetéshez. (asszem ez is szerepel vhol) Az a kérdés, nem ragaszkodik-e a feszültségvezérléshez vmilyen okból...
ez is jó ötlet de nekem azért kellene feszültségvezérelt mert akkor rendes poti lenne, nem egértárcsa és már próbáltam a ds1669-es hangerőszabályzást csak ha hangot akarok "belevinni" akkor az nem fog nekem "kijönni".... remélem értitek.
bocsi a szakszerűtlen kifejezésért de most fáradt vok nagyon
Akkor lehetne még optocsatolóval is játszani.
Az már IC,bár a bemenőfeszültség-csillapítás közti összefüggés elég hajmeresztő lehet. Azután nem látom akadályát az -eredetileg RF célokra használt-PIN diódás csillapítótagok hangfrekvenciás célra történő alkalmazását. Az is "IC"-TDA1053? Pedig a DS1669-et arra találták ki, de nem véletlenül írták a doksijába, hogy -V és +V. A ráadott HF jel GND jele nem eshet egyik tartományba sem. Azaz a -V a testhez képest negatív feszültséget a +V értelemszerüen pozitív feszültséget kér.
Nem igazán értettem miről beszélnek az előttem hozzászólók, szerintem egy egyszerű fotóellenállással meg tudod oldani. (A boltban én ezt fotóellenállásként kértem, számot nem tudok) Az ellenállása, ha jól emlékszem megvilágítás hatására 1K és 100 kohm között mozog. Ez elég nagy tartomány hogy hangerőszabályzásra alkalmas legyen! Valami hasonlót már csináltam mikor a vaupedálom műveletierősítőjében a visszacsatoló ellenállást helyettesítő sztereó potmétert cseréltem két fotóellenállásra, és ezt vezéreltem egy izzóvall. Soha többet nem volt kontaktos a pedál, ez a megoldás neked is jó lehet. Gyönyörű volt látni(hallani) ahogy egy zseblámpával rávilágítva vauzgatott az eszköz...
A neheze csak ezután jött. Építettem egy egyszerű fényerőszabájzót. Vettem egy karácsonyfa(zseblámpa) izzót és pár tranyóval és egy potival vezéreltem a fényerőt. Ekkor láttam, hogy megszívtam: "hiszterézis" jelenség, az izzó nem ugyanazon a feszültségen gyújt mint olt azaz a potméter lefele húzva nam ott fog mint fölfele. Ez bosszantó jelenség akkor inkább a recsegés...Kis gondolkodás után vettem egy nagy fényerejű ledet. Majd ez!!! De megette a fene az egészet. Ezek a mai ledek vagy égnek vagy nem égnek, és olyan meredek e kettő közötti görbe, hogy alkalmatlan fényerőszabájzásra. Végül kidobtam a vezérlőpotit az áramkörből. És egy állandó fényerővel égetett led előtt egy elforduló tárcsával szabályoztam a fotóellenállásokra jutó fény erejét. Evvel már csak a linealitás volt a hiba. Ez egyik felén szinte semmi nem történt a másik felén pedig nagyon sokat tolt. Itt adtam fel...
Most látom, hogy a te ötleted se rossz, egy fetet bekötve visszacsatolóellenállásnak, szabályozható az erősítés. A fet valójában egy feszültséggel vezérelt ellenállás. A gate feszültségét vezérled a potiddal...
Szia !
Próbáld ki egy opto-t potival. Elméletileg a LED fényerejével arányosan nyit -zár a tranyó. Üdv!
hello!
ezzel csak annyi baj van h a fet is félvezető akárcsak a tranyó és ha visszacsatolásnak használnék egyet csak akkor mindössze a sinus hullám felét vinné vissza azaz nem lenne jó az erősítés (szerintem gerjedne vagy nem is lenne hangja) vagy kettőt kellene anitparellel kötni vagyegy p és egy n csatornásat parellel kötni csak az utóbbival az a gond h +- fesz kell a vezérléshez ergo kell még egy sztereo poti.... megpróbálom valahogy kivitelezni olyan módon h vmi hangot halljak és tudjam szabályozni, azután jöhet a finomítás.... ha mást nem is akkor maradok az általad is javasolt LDR-es megoldásnál.... de itt is felvetődik a probléma h az LDR teljesen megvilágítva is még kilo-ohmos nagyságrendű ellenállással rendelkezik.... remélem kapok olyat ami nem.... majd a feszt a lámpához egy lm317-el vezérelni kell és jó is ![]() üdw
Bocs a szerintem a fet és a bipolláris tranzisztor között óriási különbségek vannak működésüket tekintve. A bipolláris tranzisztor tényleg diódaként működik mely levágja a fél szinuszt, ha nincs jól beállítva a munkapont, de a fet az valami egésszen más! Azt én egy feszültségvezérelt ellenálásnak fogom fel. Próba: végy egy fetet (számot most nem tudok, de majd megnézem), tedd a kimenet és a test közé(source és drain). Tégy a Gate re a testtől negatívab feszt vezéreld egy potival!!! Szerintem ez így egy feszültségvezérelt ellenállás!!! Magnókban gyakran alkalmazták a mute-üzenmód kapcsolására, vagy zajzárnak. Persze így nem a műveleti erősítő visszacsatolásában van. Az már több számolást igényel!
Én feladtam az optocsatolókkal a harcot, a legtöbbje (még a drágábbak sem) igazán alkalmas hangerőszabályzónak.
4 csatornás az erősítőm és ehhez van egy 4 csatornás előerölködőm hangszínszabival, müveleti erősítőkből felépítve. Arra gondoltam ha a visszacsatolt lábak testre kötő ellenállásait egy potira cserélem (és ennek tekergetésével változtatom az ellenálláspárok arányát --> erősítést), azzal "hangerszabályzást" érnék el. Szóval mégegyszer: a négy műv. erősítő - bemeneti lábain ellenálláspárok vannak (egyik a kimenetre, a másik a testre húzza), amiknek a hányadosa határozza meg az erősítést. Namármost ha én a testre húzó ellenállásokat kiveszem és egy közös potival helyettesítem őket, annak a potinak a tekergetésével állítom be az erősítési arányt. Mi a véleményetek? Szerintetek működne?
túlzottan nem értek az erősítőkhöz, de ha jól tudom, akkor ott (a visszacsatolásban) az egy-egy ellenállásosztó van, amiken cstornánkét más feszültség, és áramerősség lehet....
ha a testre menő ellenállást közösíted, akkor a visszacsatolásban bonyolult lesz az eredő ellenállás, és feszültség (szerintem), és áthallás is lehet a csatornák között, mivel a visszacsatolás pontját, ami a neminvertáló bemenetre megy, közösíted. Ki lehet próbálni, de nem biztos a siker. Másnak mi a véleménye???
huhh elég érdekes ötletek születtek eddig....
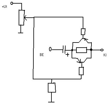
valahogyan megkellene szerezni a pontos belső felépítését a tda 1524-nek és akkor ki lehetne belőle okoskodni egy kapcsolást.... kipattant a fejemből egy ötlet és ennek a kipróbálásán gondolkozom csak jól kellene méretezni, amihez nem sokat értek még csatolok egy rajzot.... szerintetek?
Igaz, jó meglátás. Nekem eszembe se jutott az áthallás, de tényleg lehet egy kevés, főleg ha nagyon feltekerem a potit. Bár jelen esetben nálam az ellenálláspár 10K/2.5K (10K a kimenetre, 2.5K a testre). Bár nem hiszem hogy 20 Kilón (sorban 2db 10K) sok jel átmenne, de lehet növelni az ellenállások értékét. Csak tudod én már 1-2 ezer forint értékben vettem minőségi, fast, meg width band, meg high freq. optocsatolókat de eggyik sem vált be. FET-tel még nem próbáltam. Optoellenállás meg maxon is halk, minimumra tekerve meg nem néma, pedig fesz. osztóként kötöttem be.
Talán segít!
http://www.nxp.com/pip/TDA1524A_V4.html Sajnos a pdf-et nem tudtam megnyitni mert ezen a gépen nincs acrobatreader. Másrészt elnézés ha valakit félrevezettem az optocsatolóval. Egyrészt egy fotóellenállás max 100 forint, másrészt csak egy lehetőség, amit a körülményekhez mérlegelve lehet használni. (vaupedálba kellett, ott nem a hangerőt szabályzom vele hanem a rezgőkör frekijét.) Ide úgy gondolom nem jó. Próbáljátok ki a fettel ahogy írtam, csak egy fet (max40ft) kell hozzá, meg néhány ellenállás. Mihelyt találok küldök rajzot. Meg tipust.
ezt én már több kapcsolásba is láttam, sztem menni fog.
Sziasztok! Azt hogyan lehetne megcsinálni, hogy van egy sztereó csatornát monóba alakítom de tartalmazza a sztereó csatorna jeleit ez szabályoznám egy 50k pótméterrel és aztán sztereó jelre vissza állítani a szabályzott monó csatornát! ha hülyeséget irok akkor szóljatok!
de ha meg lehet oldani akkor alaki segítsen! Ja és IC nélkül akarom megcsinálni!
valahogy ugy mint az FM rádiókban.Ott Multiplexelést használnak.
TDA 1028, TDA 1029 úgy emlékszem telejesen fesz vezérelt, elég jó minőségű bemenőfokozat volt, gondolom ma is létezik még. (azt hiszem még fesz. vezérelt hangszínszab. is van valamelyikben (talán a 1028-ban). Nem volt drága sem.
én tudok erre egy ic-s megoldást ami tulajdonképpen az általam nyitott téma megoldása is lehetne de sajátmagamnak nem adhatok pontot de ez egy ic-s megoldás
íme: TDA8199
Azért nem szterót akarok használni, mert ez nem tengelyes pótméterrel lenne megoldva hanem tologatóssal!
És sajnos csak az van itthon! De üzletben meg nincsen raktáron és 3-4 db-ot meg nem rendelnek, hanem csak minimum 50db-ot! De énnekem meg nem kell 50db! Ezért akarom monó potival megcsinálni!
És erről tudnál adni egy kapcs. rajzot? Mert ami a datashet-ben van azt nem nagyon értem! Mert ez a tda8199-es IC ez nekem pont jó lenne.
Köszi az infót!
Az se lehet rossz dolog, de nekem nem kell előerősítő, csak símán hangerőszabályzó!
Végül is rendes gyári erősítő elé akarom ez a hangerőszabályzót. |
Bejelentkezés
Hirdetés |





4 csatornás az erősítőm és ehhez van egy 4 csatornás előerölködőm hangszínszabival, müveleti erősítőkből felépítve. Arra gondoltam ha a visszacsatolt lábak testre kötő ellenállásait egy potira cserélem (és ennek tekergetésével változtatom az ellenálláspárok arányát --> erősítést), azzal "hangerszabályzást" érnék el. Szóval mégegyszer: a négy műv. erősítő - bemeneti lábain ellenálláspárok vannak (egyik a kimenetre, a másik a testre húzza), amiknek a hányadosa határozza meg az erősítést. Namármost ha én a testre húzó ellenállásokat kiveszem és egy közös potival helyettesítem őket, annak a potinak a tekergetésével állítom be az erősítési arányt. Mi a véleményetek? Szerintetek működne?


de ha meg lehet oldani akkor alaki segítsen! Ja és IC nélkül akarom megcsinálni! 





