Fórum témák
» Több friss téma |
Mielőtt kérdezel, a következő két dolgot ellenőrizd!
I. A helyes tápfeszültségek megléte.
II. A kimeneten van-e egyenfeszültség.
Élesztés.
Szerintem ez nem az a DS 600 rajz. Az a magas, sarkain a hegesztett borda tranyos volt .
Ez szerintem a lapos, ezüstszínű DS600 lesz. Mintha javítottam volna ilyet a nyár elején, és abban volt ilyen FET-es móka.
De marhát írok, és nem szóltok. Letekerve a föld+kimeneti fokozat felé kisebb forrásimpedanciát fog látni, középállásban lesz tehát "baj", így a 22kOhm-os poti már sok, a 10kOhm még megfelelő.
Ez engem is érdekelne -a rajz- , mert valahol van két ilyenem.
Ha megleled, légyszi oszd meg velem
Igen én is darlingtonra gondoltam, de az adatlapon a darlington trnyókhoz más kapcsolás tartozik.
És a kapcsolás is ugyan ez vagy az adatlapon szereplő másik kapcsolás?
Ez van nekem.6 éve megy már kifogástalanul és szépen szól.
Értem. Hát majd meglátom hogy muzsikál a tip tranyókkal mert én nem pont ezt a kapcsolást csináltam de amúgy nemsokban tér el
Sziasztok! Elkészült a második stk 4050II modulom is,
ennek a kimenetén is mérek egyenfeszt kb.190mV-ot. Attól tartok ez "helyi specialitás". Amúgy köepes hangerőn szépen szól,még nem volt lehetőség megküldeni keményen.
Jó estét a fórumtagoknak!
A kérdésem az, hogy itt (és úgy általában a Zen kapcsolásokban) a gate feszültséget beállító ellenállásosztó alsó tagjával parhuzamosan miért kapcsolnak egy zener-diódát is? Előre is köszönöm, és további kellemes ünnepeket minden kedves fórumtársnak!
Sziasztok! Kiment az STK4192-es végfokom egyik oldala az erősitőben, kb. fél hangerőn ment, és véletlen kirántottam JACK dugót a laptop oldalából, mire visszadugtam már megkukult. Valószinüleg ez a kirántás miatt ment ki? Köszi!
A fet gate-jét védi.
Szia!
Most látom, hogy Nelson Pass bácsi azt írja egyik cikkében, hogy a zener azért kell, hogy a bemeneti tranziens ("input transient") ne haladjon meg egy megadott határértéket. De mi ez a tranziens, a bemenő feszültségre gondol?
A tranziens az valami impulzusjellegű elektromos zavar.
Á, Mayan mester!
Nagy "disznóságra" készülök: úgy hívják, hogy Zen lite, a lámpás verzióra gondolok. Már doboz is van hozzá! Egy csomó véleményt olvastam már róla a fórumon; Neked végülis melyik lett a legkifinomultabb verziód ebből?
Szia!
Annyira még sajnos nem értek az elektronikához. Tudnál nekem Linkelni 1 induktivitást? Ha jól értelmeztem akkor elég ha a vezetékre forrasztom? Van még egy csatlakozóm messzebb csak ott nem forog a ventilátor gondolom hőmérséklet érzékelős.
Hát, én felhagytam ezzel az iránnyal, mert eléggé korlátozottak a képességei ennek az erősítőnek. Az izzós amúgy szebben szólt mint a jobb hatásfokú fojtótekercses. De csak egyszerű énekhangon/1-2 hangszeren szól igazán szépen, bonyolultabb jelfolyamokat összemos kissé. De próbáld ki magadnak, lehet hogy neked bejön.
De erre itt van EZ a topic.
Itt válaszoltam, hogy ne offoljunk nagyon!
Sziasztok!
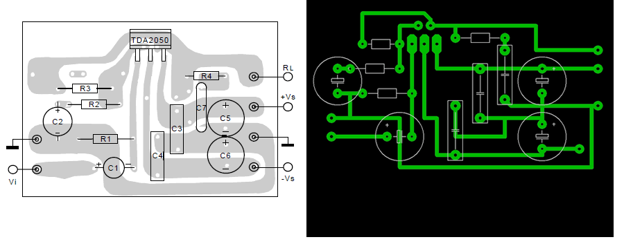
Építettem egy erősítőt.(TDA2050) (melléklet) Itt az adatlapi NYÁK-rajz, és az általamlemásolt. Én nem találtam rajta hibát, de lehet hogy van. Mellékelem az adatlapot. Ez (ha jól értelmeztem az egészet), a szimmetrikus tápra+ - GND) van készítve. Nos én ezt pc tápról szeretném megoldani, de amint rákötöm a földet, akkor, fura zajt ad ki semmi értelmes hangot Ha a földet leveszem, akkor semmi hang. Az alkatrészeket mind beszerztem ( a kondiknál nem vagyok biztos mi a különbség az elko, a kerámia, a fólia stb között. Ehhez a kapcshoz mit ajánlotok?? )Szóval végelg nemtudom mi a gond : ( Kevés lenne tápfesz? Vayg az áram sok/kevés? Üdv.: Zotya
Szia!
Csináld meg a figure 3. szerinti erősítőt, mert a számítógéptápod csak aszimmetrikus feszültséget tud szolgáltatni, persze így ne várj túl nagy teljesítményt.
Számítógép táp sajnos nem túl alkalmas erősítőhöz. mert hirtelen áramfelvétel mellett gyakran lekapcsol.
Ha a jelforrás is csámítógép lessz akkor iszonyatosan bele fog hallatszani a számítógép zaja és csak úgy lehet ezt kiküszöbölni, ha trafóval illeszted a bemenetet.
Okés, rendben van. Akkor a pc tápról lemondok : ) Ha Fix kockát (paneltrafót) használok akkor azza meglehetne oldani? Köszi a válaszokat, üdv.: Zotya
Tudom, hogy ezért is én vagyok a hibás, de teljesen tévúton jársz. A PC tápja többnyire azért kapcsol le, mert a 12V egyoldalúan terhelődik. A számítógépben a CPU és környezete sokkal hirtelenebb (egy-két órajelciklus alatt felfutó) és nagyobb intenzitású (a TDA2050 hány W? Egy korszerű CPU hány W?) terhelést ró a tápra, mint egy hangfrekiben ténykedő végfok. Szóval egyszerűen nincs igazad. Meghajtható PC tápjáról a végfok, ha az 5V is terhelt. Újabb tápoknál nem szükséges terhelni az 5V-ot sem. Más kérdés, hogy a táp üzemi frekije közel van a hangerősítő átviteli sávjához.
A tápfesz elvileg elég. A virtuális földpontot alacsony ESR+kerámia kondival célszerű hidegre tenni. A kondik közötti eltérést egyszerűség kedvéért intézzük el annyiban, hogy kb. 10µF alatt fóliát érdemes rakni, 100nF alatt kerámiát. Részletesebben van vonatkozó kondis téma, illetve itt is sokat olvashatsz arról, hogy mikor és miért célszerű, érdemes használni és melyiket.
Még valami. Illesztőtrafó sem szükséges PC táp és PC jelforrás esetében, ha a földelés megfelelően kivitelezett. Jópár ilyen megoldáson vagyok túl, ahol a PC-be került kisebb teljesítményű végfok ilyen, vagy olyan okokból, sose volt problémám zajjal, földhurokkal, persze ehhez kell némi tapasztalat és hozzáértés, de igazán nem sok.
Megépítettem ezt a kapcsolást, de azzal a módosítással, hogy tettem be munka ellenállásokat az emiterek közéés BD249/250 tranzisztort használok.
Kérdésem az lenne, mennyire van létjogosultsága, vagy mi indokolja a használatát? Valamint szimmetrikus táp esetén van-e értelme kicsatoló kondit használni, vagy csak egyenáramú leválasztást végez. Úgy tudom, a határ frekire kihat mind a becsatoló, mind a kicsatoló kondi.
A TDA+TIP végfokodon hogy oldottad meg a mute működését?
Szép jó estét és kellemes ünnepeket minden hobbiforrasztónak!
Elmondom kis történetem és utána a problémát! Két erősítő, és egy alul-áteresztő szűrő a szubnak! Egyik erősítőről szól két hangfal a másik erősítő az alul áteresztőből kiszűrt jelet kapja erről szól a subwoofer! Természetesen mindkét erősítő ill. Szub áteresztő és erősítő ugyanazt a jelet kapja a laptopomról! Az lenne a problémám hogy súgást veszek észre! Mivel tudnám ezt kiszűrni?
Honnan jön a súgás? A mélysugárzóról vagy a másik hsz-ekről vagy talán az ablakból? Túl keveset írsz le. Így nem tudunk segíteni. Ha a mély súg és a többi nem akkor a szűrőáramkörben van a hiba. Ha mindhárom súg akkor valószinű hogy valami más. De ez így kevés, hogy súg...
Ez a "súgás" valami tájszó? Erről a szóról valami egészen más jut az eszembe.
|
Bejelentkezés
Hirdetés |





Ehhez a kapcshoz mit ajánlotok?? )





