Fórum témák
» Több friss téma |
Fórum » Egytranzisztoros erősítők (Zen)
szia
Nem akarok belekontárkodni de én megépített ezt a ZEN-t.A hangja nagyon szép. A tápja ha trafós akkor 20000 µF alatt a búgás elkerülhetetlen.Persze CRC szűréssel.
Szia!
Egyáltalán nem kontárkodsz bele, én nagyon örülök minden véleménynek és tapasztalatnak amit megosztotok.
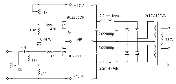
Természetesen sokkal egyszerűbb a dolog ha van kéznél kapcsitáp. Hagyományos trafós tápnál tényleg sok-sok puffer kell, és a nagy áram miatt jókora trafó, hűtött graetz, stb. Szimmetrikus táp a zen-eknek nem kell, de pl. ez dupla táppal megy:
Azt hiszem, a kapcsitáp lesz a megoldás; mintha említetted volna, hogy azzal a hang is dinamikusabb. :whatever:
Mellékeltem neked egy kis olvasnivalót a táphoz. Nagyon hasznos, nálam 1,2A nyugalmival is beledughatod a füled a hangszóróba, akkorsem hallasz semmit.
Én 24V/40W izzóval csináltam meg.
Szia!
Köszönöm szépen a hasznos olvasmányt. A Te verziód biztosan szépen szólhat, így ezzel a megoldással!
Dobozolásra vár, de már így asztalon is nagyon jónak tűnik. Régebben nem tudtam rendes tápot csinálni, így felhagytam vele akkor. Én elég durva tápot csináltam:
külön szekunder illetve táp a két oldalnak, 1n5408 diódák kerámiákkal szűrve, 2,2µF fóliakondi, clc szűrés (10ezer µF-3,3mH-10ezer uF) majd jön ugye tranyó (bd 243 volt itthon), bázisára 130ohm+4700µF majd ezek után még 4700µF 470 µF low esr és 100nF kerámia. És ugyanez a másik oldalra is. Nyilván mértem a bétákat is, így kiszámolhattam a feszültségesést illetve egyforma lett a két oldal. A hűtést sem sajnáltam
Az már igen! A hangjával meg vagy elégedve? Már alíg várom, ma megyek beszerezni a mosfeteket.
Hohó! Mégsem halt ki a téma
![]() Abukodonozo te mit használsz fojtásnak? Amit én linkeltem pár hsz-el ezelőtt tranyós megoldást azt megépítette már valaki? Mayan? Ma megyek én is megvenni a tranyókat Kíváncsi vagyok rá.
Nem fojtás az hanem munkaellenállás. Ezt így nem csináltam meg, de egy egyszerűbb áramgenerátorosat kipróbáltam, de akkor már volt nekem sokkal jobb, ezért ígyse-úgyse tetszett a hangja. (a műveleti erősítős a-osztályú). Fel is hagytam teljesen ezekkel. Illetve ma már az a-osztállyal is. De azért nagyon tanulságos volt.
Így asztalon egyelőre 1-1 oldalallal tesztelve nagyon, régen is bejött, csak akkor nagyon kis nyugamival ment, mert nem tudtam tápot csinálni.
Hahó!
Megvannak ay IRF-ek, kezdődhet a kísérletezés... Mallar! Egyelőre különböző izzókkal fogok probálkozni, majd megírom a tapasztalataimat.
Az első próba meg is van: IRF540-es tranzisztorral, 5 wattos autóizzóval és igeny szerény 0,3 Amperes nyugalmi árammal (a kevés hűtés miatt) 12 volton is meglehetősen szépen szól. Persze a láncon lenne még mit javítani; én most egy 3 wattos régi Tesla szélessávú hangszorót használtam. Azt hiszem mielőtt egy nagyobb (végleges) verzióba belefognék, egy keveset számolgatok, és készítek egy kisebb fejhallgatóerősítőt, egyanerre a mintára.
Én most emeltem meg 1,8A-ra a nyugalmi áramot, 60w/24V izzót használok. Még jobbnak tűnik, csak ugye nem gynegén fűt
Megvettem a tranyókat meg az alkatrészeket. Még ma összeforrasztom, csak összeszedem magam valami kávéval
Srácok bocsi az új kommentért nem láttam hogy azóta írtatok. Letudnátok nekem mérni, hogy az izzóitoknak mennyi az ellenállásuk? mert én akármilyen izzót kötök rá nem szól semmit csak búg mint állat meg gyengén világít az izzó. Egyedül a 30 wattos ellenállással szól szépen, de az meg felforrósodik nagyon.
Én is próbáltam egy 12v/40W-os autóizzót és azzal is csak búgott. Zenét nem adott. Az izzóim belső ellenállása olyan 0,2 ohm:S Hol lehet nagyobb ellenállású izzót szerezni?
Indexizzó, 12V/21W. Hidegen és melegen rohadtul nem ugyanannyi lesz az ellenállása, nagyságrendekkel nagyobb, ha már izzik. Az izzón féltápfesz essen.
Milyen tápod van?
Szia Mallar!
Azt bizonyára tudod, hogy az izzók belső ellenállása más mikor izzanak és más amikor nincsenek feszültség alatt. Szerintem nem a belső ellenállással lesz a baj; kisebb teljesítményű izzóval nem próbáltad még? Ha nem, akkor szerientem érdemes lenne! A tápod bírja a terhelést?
Hoppá igazatok van. Izzással logikusan nő az ellenállás. A táp az egy sima 15VA körüli trafó egyenirányítva meg vagy 4500µF-el simítva. Van egy kb 45VAes tápom is, csak arra még nem próbáltam meg kötni. kisebb teljesítményű izzóm nincs kéznél sajnos. Csak 55 meg 40 wattos van. azokkal piszkosul búg. Most megyek összerakom a nagyobbik tápot, hátha más eredményre jutok.
Nem csoda, hogy a szegény kis 15 wattos táp nem bírja táplálni a nagy izzókat... Feltétlenül rakd össze a nagy tápot is, és jó sok puffert neki, mert ez a kis kapcsolás nagyon "macis" tud lenni (brumm-brumm)!
Jaj, nem stimmel a nagyságrend, mindkét érték mögé kellene egy nulla
Aztán jöhet a crc/clc és a többi finomság, vagy lehetsz elmebeteg mint én és teszel félvezetőt a tápba
hello
Egy kérdés nektek nem zavarosodik be a hangkép pl rock zenénél vagy hasonlónál?
A legjobb egy számítógép táp lenne, de az tökrement az egy, ami itt kallódott
Aztán az a 45 VA körüli tápom is légrésesre van tekerve:S ráadásul 16 volt kb egyenirányítva. Szóval kéne bontanom valahonnan jó nagy trafókat.
Mayan is ezt mondta, nálam nem, de nálam *** nagy nyugalmival megy.
***Hmm.
Akkor a nagy nyugalmid megoldja a problémát? Jobban szól akkor bonyolultabb zenén?
Csak csorgatom a nyálam. Két nyamvadt tranyó hiányzik a két fetes változathoz. Előző pár hsz-emben írtam a problémám. Szerintetek akkor már szólna ha 55W-os 12 voltos égőt tennék be munkaellenállásnak és számítógép tápegységgel hajtanám? Az már lead 90W környékén is. ha igen, kell valami biztonsági módosítás a tápon? valami feszültségtüske nem ugorhat vissza rá és teheti tönkre? vagy bekapcsolás nem lehet gond az izzós változatnál? A két fetes verziót meg nem tudom összehozni, mert egy nyamvadt 15 forintos tranyó hiányzik ilyen a szokásos formám.
Igen, jóval tisztább, különösen a magasak, de normálisabb beszámoló csak a jövőheti dobozolás után lesz, amikor rendesen pozicionált hangfalakat hajtok majd vele, de már így is tisztábbnak hallom. Mellékeltem a kapcsolást. Ennek a neten terjengő előző verzióját eléggé lenézték, én végeztem rajta 1-2 alkatrész módosíatást illetve az 1M gate-gnd ellenállás megszünteti a gerjedékenységet. Bár a hűtésem is az elmebeteg kategória már, úgy érzem.
Számítógép tápból is csak márkásat használnék, de nekem volt itthon 200VA/2*24V toroidom
Nekem még képlékeny a tervem. Bedobozolás előtt ki akarom választani a megfelelő kapcsolást. A tiéd elég szimpatikusnak tűnik. A kapcsitápot azért találom jobbnak, mert ugye kisebb helyen elfér
Alig várom a dobozolást, az az igazi élvezetes munka A pepecselés, mikor igazgatom hogy mi hol legyen kedvencem...Tranyónak változatlanul irf540-est használnék. Tennél fel képet a hűtésedről? Eddig atombiztosnak hittem a sajátom, de most elbizonytalanítottatok. A kapcsitápot ki tudom egészíteni valamivel (utána megint pufferkondik, diódák stb...) hogy megnöveljem az élettartamát?
Mellékeltem, 1-1 ilyen van csatornánként. Készíteni most nem akartam képet és direktben linkelni sem a webshopot.
Udv,
Mindamellett, hogy mukodokepes az erosito, szerintem tobb sebbol is verzik. Elsokent es legfontosabbkent azt emlitenem, hogy visszacsatolasba nem teszunk valtoztathato elemeket (pl. potmetert)! A vcs. valtoztatasa kihat az erosito teljes mukodesere mert minden parametere valtozik ahogy allitunk a potmeteren. A G-S kozotti 1M-os ellenallas mint gerjedesgatlo is erdekes megoldas ... sokkal inkabb a 100-200 ohmos, Gate-el soros ellenallast szoktak alkalmazni mert az jobb megoldas. Egyreszt ez a G-S kozotti 1M nem feltetlen szunteti meg a gerjedest (neked szerencsed volt ), masreszt a bemeno impedanciat is csokkenti (igaz ez jelen esetben nem tunik problemanak).A bemeneten a 2.2µF-al soros 1k teljesen felesleges. A kapcsolas kimeno impedanciaja eredendoen magas, kimeneti max. teljesitmenye alacsony ezert csak nagyon specialis hangsugarzokkal hozhat elfogadhato eredmenyt (magas erzekenyseg, egyenletes, rezisztiv jellegu terheles az erosito fele - a szokasos hifi hangsugarzok szinte egyike sem teljesiti ezeket a kriteriumokat). Az izzos munkaellenallas (a szimpla ellenallas mellett) a legrosszabb hatasfoku A osztalyu erositot eredmenyezi. Ez az erosito (hasonloan Mayan sok A osztalyu erositojehez) nagyon jo tanulasra, ismerkedesre az analog elektronikaval de komolyabb zenehallgatasra szerintem nem hasznalhato. Felreertes ne essek, zenet hallgatni lehet vele, ugyanugy mint egy Sokol radioval is, csak nehogy sokan elbizzak magukat, hogy megepitettek az evtized audiofil erositojet. Ha minimalista A osztalyu erositore vagyik az ember akkor ott az A osztalyu JLH erosito vagy a FET-es valtozata a PLH erosito. Ezek mar megutnek egy eleg jo szintet, de ezekhez is ajanlott a minel egyenletesebb impedanciamenetu, erzekeny hangsugarzo!
Üdv!
Elsokent es legfontosabbkent azt emlitenem, hogy visszacsatolasba nem teszunk valtoztathato elemeket (pl. potmetert)! -Valahogy muszáj beállítanom a nyugalmit, de ezt amúgysem én találtam ki. Másrészt akkor nem közvetlenül a gate-re kéne mennie ha az akarna lenni? A bemeneten a 2.2ľF-al soros 1k teljesen felesleges.-Miért az? Az érzékeny hangsugárzóval nincs gond, az impedanciamenettel már akadna. csak nehogy sokan elbizzak magukat, hogy megepitettek az evtized audiofil erositojet. Volt már szerencsém sokszázezres elektronikát hallgatni. Csak tudom, hogy mi tetszik nekem... |
Bejelentkezés
Hirdetés |






Aztán az a 45 VA körüli tápom is légrésesre van tekerve:S ráadásul 16 volt kb egyenirányítva. Szóval kéne bontanom valahonnan jó nagy trafókat. 






