Fórum témák
» Több friss téma |
Fórum » Mi a manó ez?
Témaindító: winetu2000, idő: Jún 1, 2007
Témakörök:
Sziasztok.
Segítséget szeretnék kérni a következő nyáktervvel kapcsolatban: az érdekelne, hogy mi ez, és hogyan működik... Meg szeretném kérdezni h. pontosan mi is ez, esetleg így "látatlanban" tudtok e vmit, a 8lábú ICn, és a tranzisztoron kívül.. Köszi. 1ébként sürgős lenne.... a linket utólag javítottam--vicsys
komolyan gondolod, hogy ebből kitalálható egyszerüen? (talán aki csinálta, tudja) esetleg még alkatrész listát is akarsz róla?
Ez vadászkutyára sebváltó!!!
Egyébként szerintem valami táp lehet.
Kedves fórumozó társaim!
Miért nem használjátok azt a nyomorult URL gombot!!?? (ezzel lehet linket beilleszteni.) Aki nem tud konkrét választ, ne offoljon-légyszi! Aki szeretne segíteni írhat bátran!
Hát barátom, Te aztán jó firma vagy! Nem is tudtam, hogy itt rejtvények is vannak...Sürgős? Mi a beküldési határidő?
Sziasztok,
a közepére gondolom egy 8 lábú IC jön, sajnos nekem nem nagyítja a képet, lehet ez a max mérete, tehát passz.... Emlékeztet egy NE ic-s leválasztó előerősítőre, de nem hinném, hogy az lenne.... TaTa
egy lehetséges megoldás. (meg ne kérdezd, mi ez!
)
szerintem ez egy stabilizált tápecség lm358-as vagy valamijen műveleti erősítővel, az iskolában csináltaunk hasonlókat, ha érdekel keresek róla kapcs rajozot meg képeket hogy öszevesd ezel.
novarobot
szerintem a kozepere egy 8 labu IC jon de milyen fajta az :nemtudom: ? de ahonnan a NYAK rajzot szedted nem irja?
Szia!
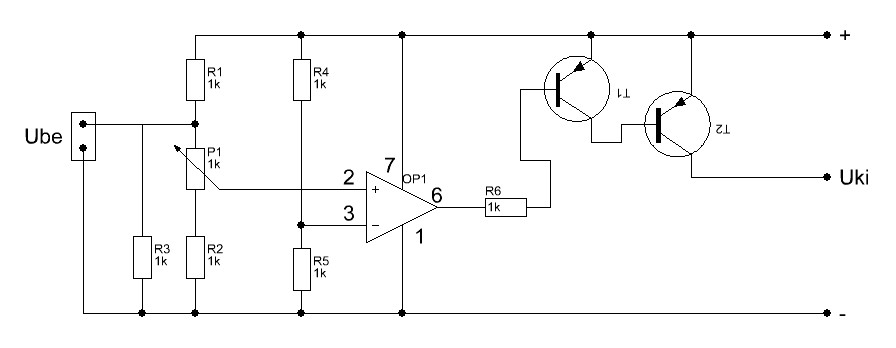
Az IC egy műveleti erősítő, pl.741, az áramkör pedig egy feszültségkomparátor. A működése a következő: Ha a két szélső forrpontjára kapcsolt feszültség elér egy bizonyos szintet, az IC kimenete átbillen a pozitív tápfesz szintjére, így kapcsolnak a kimeneten lévő tranzisztorok, így a középső forrpontra is a negatív tápfesz kerül. A kapcsolási rajza hasonló a csatolmányban lévőre. Javítsatok ki, ha tévedek. üdv
Köszi a sebváltó tippeket, hétfői vizsgára lesz, ezt kellett előre kimarni, majd össze kell buherni és elmondani a működését...
Örülnék a válaszoknak a működéssel kapcsolatban. Köszönöm szépen, jó éjt.
Ha már
és, akkor az IC lehetne egy uA741-es (közben látom , h. más is erre a következtetésre jutott) , vagy egy azzal lábkompatibilis egyéb OPA-is... (A tranyóv valszeg PNP-sek. Bár teljesítménytranyót csak NPN-eset találtam hasonló lábkiosztással.) A 2. lábhoz kapcsolódó alkatrészek egy referencia pontot képezhetnek. A 3. lád alkatrészeiből, megy az aktív szabályzót lehetne kikövetkestetni...winetu2000 Azért ez egy kicsit elveteműlt ( ) dolog, h. egy huzalmintából keljen kikövetkeztetni az aktív és passzív alkatrészeket...
A nyák-on felül szerintem nem kondi van, hanem bemenet.
Az áramkör pedig a tápfeszt és ezt a bemenő feszt hasonlítja össze, és kapcsol. Megrajzoltam a kapcsit, az értékeket ne figyeld. üdv
Egy hőmérséklet kapcsoló...
Sziasztok! Ahogy lerajzoltad, mint komparátor nem üzemelhet, mert ha nem használsz referenciafeszültséget,(legalább egy zénerdióda), akkor a komparátor bemenetein, akármekkora is leszz a tápfesz, mindig ugyanaz lesz a feszültségszintek aránya. Ha az egyik bemenetre egy elkót kötnénk, és a táp impulzusszerű feszültségváltozáson menne át, akkor bekövetkezhet az átbillenés, ellenkező esetben az áramkör nem csinál semmit.
Nem egészen így van... Ha a táp stabil, akkor a komparátor rész működhet, más kérdés, hogy miért kellene a potinak tápot adni, mikor kívülről jön a fesz. Működhet így is, csak felesleges az osztó, amire "kívülről" kényszerítünk más feszt. A referenciát valóban érdemes egy kondival szűrni a tápon esetleg fellépő tüskék okozta nem kívánt billenések elkerülésére.
A kimeneti tranyót nincs ami kinyissa: ez nagyobb baj, ettől aztán tényleg nem működhet. Átrajzoltam, az értkekkel nem foglalkoztam, mert nincs beírva tápfesz.
Háááát kiderült hogy mi ez. Van benne 4 ellenállás, 1 zener, 1 "sima" dióda, 2 tranzisztor, 1 konndi, 8 lábú ic, és egy 5.ik kül értékű ellenállás. továbbá 1 potméter. lényegében fesz-szabályzó volt... olyan mint a generátorokban, ez autó áramkör... be kellett állítanunk 14.4 voltra, a 3 kivezetés 15, d+, és 31 volt, így már sztem autóelektrósoknak érthető... 1 lámpával vizsgáltuk....ennyi, köszönöm a segítséget.
Szia! Ez a rajz, valóban működik, de én a #90125-ös hozzásólásban szereplő ComparatorEquivalent.GIF (6.84 KB) rajzra reagáltam. Az mint komparátor, kondi, vagy zener nélkül nem csinál semmit. Szerintem az a kapcsolás, egy virtuális "0" előállítására szolgál, de ez is sántít kicsit, mert a virtuális táp 0 és Vcc közötti teljesítményét a tranzisztor és a pozitív táp közé kapcsolt ellenállás határozza meg.
Valamiféle teszter lehet mert van piros és zöld led je.De akkor minek a hosszú kábel
A kábel koaxnak tűnik.
lehetséges, hogy egy Laser Interceptor blokkolófej (olvass utána), ha viszont az, akkor kb. 40000 ftot ér, szóval ne dobd ki
Nem kiertekelheto a kep?
Megprobalok jobbat kesziteni.
Akkor maris postazom ha kell valakinek :smoke:
|
Bejelentkezés
Hirdetés |





) 

és,
) dolog, h. egy huzalmintából keljen kikövetkeztetni az aktív és passzív alkatrészeket...












