Fórum témák

» Több friss téma
Fórum » LED-es reklámvilágítás
 
Témaindító: O.Lee, idő: Nov 26, 2008
Témakörök:
Lapozás: OK   1 / 1
(#) O.Lee hozzászólása Nov 26, 2008 /
 
Sziasztok! Egy nagyobb méretű több 100, vagy 1000 LED-ből álló kirakat világítást szeretnék építeni, a választásom a 16F84-re esett, mert ebből van itthon, s ezt már programoztam is egy kicsit, tehát dolgoztam vele.
Az elkészült áramkör remekül működik, izzólámpákat kapcsolgat, s ezt szeretném tovább fejleszteni, mégpedig úgy, hogy a kapcsolás ne 0-1 legyen, hanem átmenettel, azaz a kimenetek szépen lassan halványodjanak, illetve villanjanak fel, ezekre a kimenetekre a megfelelő átalakítás után kb 100db-100db KÉK , vagy ZÖLD LED lenne. Még azt is ki kell találnom, hogy mekkora tápfeszt, illetve hogyan hozzam össze a 100 db LED összekapcsolását (soros-párhuzamos csomagokkal)

Tehát, várom a segítségeteket, mellékeltem egy egyszerű kapcsolást, illetve a megépített áramkört, melyhely hasonlót kell majd építenem. A txt-be átkopiztam a progit, aszem valami hasonló volt...
(#) Moderátor hozzászólása O.Lee hozzászólására (») Nov 26, 2008
 
Cím kisbetűsre, és javítva.
(#) O.Lee válasza (») Nov 26, 2008 /
 
Köszi, észrevettem, de nem találtam meg a javítás menüt...
(#) tibcsi62 válasza O.Lee hozzászólására (») Nov 26, 2008 /
 
Sziasztok ! Én is csatlakoznák a témához . Szintén szeretnék ledes reklámvilágítást csinálni otthoni célra amivel szöveget lehetne kiírni. Szeretnék segítséget kérni rajzal , programmal vagy valami irodalomi elérhetőségi lehetőségről.
(#) mammut válasza O.Lee hozzászólására (») Nov 26, 2008 /
 
Nem semmi fába vágod a fejszéd!
A pic16f84(A) igazából csak memóriakapacitása miatt fog korlátot szabni a szabad fantáziáidnak, de alapokban lehet vele dolgozni.
A ledeket mátrixba rendezve ( sorok-oszlopok) célszerű használni, ezáltal leegyszerűsödik a vezérlés.
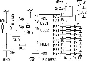
Ez a legegyszerűbb kapcsolás vele.
ITT pedig már egy komolyabb változat található. Ebben a kapcsolásban már található 2db 74LS374-es 8 bites D típusú élvezérelt tároló.
Az áramkörnek minimum 5V tápfeszt illlendő biztosítani a rajzon levő 3V-os teleppel szemben.
Mielőtt komolyabban elkezdenél foglalkozni hatalmas led kijelző panelek meghajtásával, érdemes ezeket a kapcsolásokat és a hozzájuk tartozó programokat áttekinteni.
EZ már egy komolyabb kapcsolás AVR Atmel mikrovezérlővel, soros kommunikációval és egy Java-s alkalmazással. (Ezt a kapcsolást épp tesztelem...)
Ha valamilyen fogalommal nem volnál tisztában, vagy kérdésed volna, csak írj bátran!
(#) O.Lee válasza mammut hozzászólására (») Nov 27, 2008 /
 
Szia, köszönöm válaszod, valójában nem mátrixra lenne szükségem, hanem kb 100 LED ből álló egymás után felfűzott oszlopokra, a 100-100 LED egyszerre menne, pl mintha egy neon, vagy fénycső lenne (opál plexiben lenne elhelyezve) s ebből lenne 8 db (8*100LED) Tehát ezt a 8 db csomagot szeretném vezérelni az említett fényátmenet megoldással, pl futófény effekt áttűnésssel, de ez persze bármilyen "mozgó" fény effekt lehetne. A kész "világító testek" egy kirakatba lennének behelyezve körbe-körbe és ott, mint karácsonyi dekor müxene. Remélem, így már annnyira nem is dúrva...
(#) O.Lee válasza mammut hozzászólására (») Nov 27, 2008 /
 
Itt van ami már müxik, ezt módosítanám. (Itt kék csövek vannak)

reklam.wmv
    
(#) Cono77 hozzászólása Dec 21, 2010 /
 
Sziasztok! Egy ledes reklámtáblát szeretnék készíteni, és ebben szeretném segítségeteket kérni! Tanácsaitokat *** Köszönöm!
(#) pinyó39 válasza O.Lee hozzászólására (») Ápr 4, 2011 /
 
Ezt szinte bármiböl összelapátolod, PIC-el, régi eprommal, vagy pár cmos IC-vel, ha nem akarsz mátrixot vezérelni.
(#) vicsys válasza pinyó39 hozzászólására (») Ápr 5, 2011 /
 
Nem akarok kekeckedni, de 2 és fél év alatt szerintem megoldotta...
(#) norbee46 hozzászólása Máj 8, 2011 /
 
Sziasztok!
Én ilyet vagy ehhez hasonlót szeretnék építeni.Bővebben: Link

A segítségeteket előre is köszi!!!
(#) pinyó39 válasza norbee46 hozzászólására (») Máj 8, 2011 /
 
Villog, fut, vagy csak világít? Ha egyet készítesz és csak világít akkor fúrógép, LED, ellenállás , páka elő, és hajrá! (előtte, nem árt szépen kiszerkeszteni felrajzolni)
(#) norbee46 válasza pinyó39 hozzászólására (») Máj 10, 2011 /
 
Szia!
Csak világít de autóba lenne és jó lenne ha stabil feszt kapna! Tudsz nekem ebben segíteni!?
Következő: »»   1 / 1
Bejelentkezés

Belépés

Hirdetés
XDT.hu
Az oldalon sütiket használunk a helyes működéshez. Bővebb információt az adatvédelmi szabályzatban olvashatsz. Megértettem